|
|
(21), (22) Заявка: 2005127501/09, 01.09.2005
(24) Дата начала отсчета срока действия патента:
01.09.2005
(43) Дата публикации заявки: 20.03.2007
(46) Опубликовано: 27.01.2008
(56) Список документов, цитированных в отчете о поиске:
RU 2204208 C1, 10.05.2003. RU 2115243 C1, 10.07.1998. US 4087818 A, 02.05.1978. ЕР 0459823 А, 04.12.1991. ЕР 0272510 А, 29.06.1988.
Адрес для переписки:
394018, г.Воронеж, ул. Плехановская, 14, ОАО “Концерн “Созвездие”
|
(72) Автор(ы):
Заплетин Юрий Владимирович (RU), Безгинов Иван Гаврилович (RU)
(73) Патентообладатель(и):
Открытое акционерное общество “Концерн “Созвездие” (RU)
|
(54) ЛИНИЯ РАДИОСВЯЗИ С МНОГОПАРАМЕТРИЧЕСКОЙ МОДУЛЯЦИЕЙ
(57) Реферат:
Предлагаемое устройство относится к области радиосвязи и может быть реализовано в космических и наземных системах связи, использующих пространственное разделение сигналов. Технический результат: возможность передачи дополнительной информации (Sдоп.) о несущей частоте в данный момент времени в виде кодовой последовательности достигается тем, что в устройство введены: на передающей стороне – кодирующий блок, на приемной стороне – второй синтезатор, смеситель, полосовой фильтр, демодулятор основных сообщений. 5 ил.
Предлагаемое устройство относится к области радиосвязи и может быть реализовано в космических и наземных системах связи, использующих пространственное разделение сигналов.
Известны устройства с использованием поляризационной модуляции радиосигналов, в частности, эллиптической поляризации волны путем изменения параметров эллипса поляризации (К.Г.Гусев, А.Д.Филатов, А.П.Сополев “Поляризационная модуляция”, М.: Советское радио, 1974 г., стр.63-161).
Недостатком этих устройств является то, что они могут быть использованы в условиях, когда параметры распространения сигналов по трассе и взаимное положение передающей и приемной антенн постоянны, так как в противном случае возникает большой уровень взаимных помех между отдельными каналами радиолиний.
Однако в большинстве практических случаев применяются как параметры распространения сигналов, так и взаимное расположение антенн.
Известно также устройство по патенту США №4087812, в котором повторное использование частоты в условиях изменения параметров среды распространения сигналов и взаимного положения антенн достигается за счет обеспечения ортогональности их поляризации двух передаваемых одновременно сигналов с круговой или линейной поляризацией. Эта ортогональность поддерживается с помощью автоматической цепи замкнутого контура регулирования с применением специальных пилот-сигналов.
Оно содержит передающее устройство, формирующее два сигнала с одинаковой частотой с взаимно ортогональной поляризацией волны. Приемное устройство осуществляет раздельный прием указанных сигналов за счет их ортогональной поляризации. Однако это устройство в силу высоких требований к необходимой точности обеспечения ортогональности по поляризации передаваемых сигналов имеет сложную систему автоподстройки. Кроме того, реализация этого устройства требует специальной дополнительной линии связи.
Наиболее близким по технической сущности к предлагаемому объекту является линия радиосвязи с многопараметрической модуляцией по патенту №2204208 РФ, принятого за прототип.
На фиг.1а и 1б приведена функциональная схема устройства прототипа, где обозначено:
1 – генератор сигналов;
2 – разветвитель мощности;
3, 4 – первый и второй амплитудные модуляторы;
5 – противофазный усилитель;
6, 7 – первый и второй облучатели передающей антенны;
8 – передающая антенна;
9, 10 – первый и второй облучатели приемной антенны;
11 – приемная антенна;
12 – суммарно-разностный блок;
13 – сумматор;,
14 – вычитатель;
15 – демодулятор дополнительных сообщений;
16 – демодулятор основных сообщений;
17 – амплитудный ограничитель;
18 – первый фильтр нижних частот (ФНЧ);
19 – кодирующий блок;
20 – блок управления положением осей поляризации облучателей приемной антенны;
21 – первый электронный ключ;
22 – формирователь импульсов;
23 – опорный генератор;
241…24n – смесители;
25 – коммутатор частот гетеродина;
26 – синтезатор частот;
271…27n – пороговые блоки;
28 – блок обработки и принятия решения;
291…29n – полосовые фильтры;
301…30n – вторые электронные ключи;
31 – сумматор передатчика;
32 – первый счетчик импульсов;
33 – блок памяти;
34 – второй счетчик импульсов;
35, 36 – третий и четвертый электронные ключи;
37, 38 – первый и второй инверторы;
39 – анализатор помеховой обстановки;
40 – первый направленный ответвитель;
41 – пятый электронный ключ;
42 – второй направленный ответвитель;
43 – второй фильтр нижних частот (ФНЧ);
44 – декодирующий блок.
Устройство-прототип содержит на передающей стороне: последовательно соединенные кодирующий блок 19, генератор сигналов 1, выход которого соединен с n сигнальными входами смесителей 241-24n, соединенных между собой, последовательно соединенные анализатор помеховой обстановки 39, блок памяти 33, блок обработки и принятия решения 28, синтезатор частоты 26, коммутатор частот гетеродина 25, последовательно соединенные опорный генератор 23, формирователь импульсов 22, выход которого соединен со вторым входом первого счетчика импульсов 32 и со входом второго счетчика импульсов 34, второй выход которого соединен с первым входом первого счетчика импульсов 32; выход опорного генератора 23 соединен со вторым входом синтезатора частот 26, последовательно соединенные противофазный усилитель 5, первый амплитудный модулятор 3, третий электронный ключ 35, первый направленный ответвитель 40, первый электронный ключ 21, выход которого соединен с первым входом анализатора помеховой обстановки 39, последовательно соединенные второй амплитудный модулятор 4, четвертый электронный ключ 36, второй направленный ответвитель 42, пятый электронный ключ 41, выход которого соединен со вторым входом анализатора помеховой обстановки 39; выход первого направленного ответвителя 40 соединен с первым облучателем 6 передающей антенны 8, выход второго направленного ответвителя 42 соединен со вторым облучателем 7 передающей антенны 8; второй выход противофазного усилителя 5 соединен с первым входом второго амплитудного модулятора 4, а вход противофазного усилителя 5 соединен со вторым выходом кодирующего блока 19, первый вход которого является входом для основной информации (Sосн.) и второй вход является для дополнительной информации (Sдоп.); выход первого инвертора 37 соединен со вторым входом третьего электронного ключа 35, выход второго инвертора 38 соединен со вторым входом четвертого электронного ключа 36, входы первого 37 и второго 38 инверторов и управляющие входы первого 21 и пятого 41 электронных ключей соединены между собой и с первыми выходами первого 32 и второго 34 счетчиков импульсов; n выходов коммутатора частот гетеродина 25 соединены с гетеродинными входами смесителей 241-24n и с входами пороговых блоков 271-27n соответственно, выходы которых соединены со вторыми входами электронных ключей 301-30n; выходы смесителей 241-24n через соответствующие последовательно соединенные полосовые фильтры 291-29n и электронные ключи 301-30n соединены с соответствующими n входами сумматора передатчика 31, выход которого подсоединен ко входу разветвителя мощности 2, два выхода которого соединены со вторыми входами первого 3 и второго 4 амплитудных модуляторов соответственно, на приемной стороне: последовательно соединенные вычитатель 14, демодулятор дополнительных сообщений 15, второй ФНЧ 43, декодирующий блок 44, выход которого является выходом устройства, последовательно соединенные сумматор 13, амплитудный ограничитель 17, демодулятор основных сообщений 16, выход которого соединен со вторым входом демодулирующего блока 44, выход амплитудного ограничителя 17 также соединен со вторым входом демодулятора дополнительных сообщений 15, второй выход которого соединен через первый ФНЧ 18 с третьим входом блока управления положением осей поляризации облучателей приемной антенны 20; два облучателя 9 и 10 приемной антенны 11 присоединены к соответствующим входам блока управления положением осей поляризации облучателей приемной антенны 20, два выхода которого соединены с соответствующими входами сумматора 13 и вычитателя 14.
Устройство-прототип работает следующим образом.
Основная Sосн. и дополнительная Sдоп. информации поступают на кодирующий блок 19, где производится их кодирование для повышения скрытности. Основная информация с кодирующего блока поступает на генератор сигналов 1, где формируется фазоманипулированный (частотно-манипулированный) ФМ, ЧМ сигнал.
Далее сигнал поступает на смесители 241-24n, на гетеродинные входы которых поступают сигналы с коммутатора частот гетеродина 25. На выходе смесителей 241-24n стоят полосовые фильтры 291-29n с полосой пропускания f, тогда общая полоса всех n фильтров fn= F. С выходов полосовых фильтров 291-29n сигналы поступают на сигнальные входы электронных ключей 301-30n. Каждый из этих ключей открывается сигналом с соответствующего порогового блока 271-27n, на выходе которого в данный момент времени присутствует сигнал с коммутатора частот гетеродина 25, с одной из соответствующих частот гетеродина (fг1-fгn).
Так как помеховая обстановка меняется относительно медленно, то в течение времени Т передается информация, скорость передачи которой определяется ее периодом. Через время Т излучение информации прекращается, и в течение промежутка времени Т идет анализ помеховой обстановки.
Если на данной частоте имеется помеха, то сигнал этой помехи через облучатели 6 и 7 передающей антенны 8, направленные ответвители 40 и 42 и через открытые электронные ключи 21 и 41 поступают на входы анализатора помеховой обстановки 39. Блок памяти 33 записывает сигнал помеховой обстановки, далее он поступает в блок обработки и принятия решения 28, который может быть реализован в виде процессора. Наилучшая помеховая обстановка будет определена блоком обработки и принятия решения 28, которая в виде двоичного кода поступает на синтезатор частот 26. Синтезатор частот 26 по двоичному коду, поступающему с блока обработки и принятия решения 28, вырабатывает одну из частот, которая через коммутатор частот гетеродина 25 передается на гетеродинный вход одного из n смесителей 241-24n. С выхода опорного генератора 23 синусоидальный сигнал поступает на формирователь импульсов 22 и одновременно на второй вход синтезатора частот 26, далее сигнал поступает на второй вход первого счетчика импульсов 32, который в течение времени Т считает импульсы. После времени Т сигналом со счетчика 32 открывается первый 21 и второй 41 ключи и этим же сигналом через инверторы 37 и 38 закрываются третий 35 и четвертый 36 ключи. После периода Т сигналом с выхода первого счетчика 32 запускается второй счетчик 34 на длительность счета Т.
Как только второй счетчик импульсов 34 сосчитает количество импульсов за время T, происходит обнуление первого счетчика 32. При этом первый счетчик 32 запрещает считывание импульсов вторым счетчиком 34. Происходит смена логического уровня на входе первого счетчика 32. При этом первый 21 и второй 41 ключи закрываются, а третий 35 и четвертый 36 ключи открываются.
Длительность T определяется разрешающей способностью анализатора помеховой обстановки 39 и блоком памяти 33. Далее происходит передача информации в течение другого периода Т.
С выходов вторых электронных ключей 301-30n сигналы поступают на сумматор передатчика 31, выполненный виде схемы ИЛИ. Причем в данный момент времени на сумматоре передатчика 31 будет только один из сигналов с выходов вторых электронных ключей 301-30n. Это объясняется тем, что в этот момент синтезатор частот 25 будет выдавать только “наилучшую частоту”, где помех будет наименьшее количество, по сравнению с другими знаками спектра (передающего).
С выхода сумматора передатчика 31 сигнал поступает на разветвитель мощности 2, с выхода которого сигнал разветвляется на два канала, в которых установлен первый 3 и второй 4 амплитудные модуляторы, выполненные, например, в виде высокочастотных усилителей. В них амплитуда проходящих сигналов изменяется противофазно по закону передаваемых сообщений с кодирующего блока 19 с помощью напряжений, снимаемых с противофазного усилителя 5.
С выходов первого 3 и второго 4 амплитудных модуляторов сигналы через третий 35 и четвертый 36 электронные ключи, а также первый направленный ответвитель 40 и второй направленный ответвитель 42 поступают на входы первого 6 и второго 7 облучателей передающей антенны 8. Облучатели 6 и 7 создают поле с ортогональной, одна относительно другой линейной или круговой поляризацией.
Сигнал в течение каждого периода Т излучается в пространство, который принимается приемной антенной 11. Облучатели (возбудители) приемной антенны 9, 10 (как и передающей) имеют взаимно ортогональную линейную или круговую поляризацию. Сигнал с облучателей 9 и 10 приемной антенны 11 через блок управления положением осей поляризации 20 поступает на входы сумматора 13 и вычитателя 14. С выхода сумматора 13 сигнал поступает на амплитудный ограничитель 17 и далее на демодулятор основных сообщений 16, выполненный в виде рециркулятора. С выхода вычитателя 14 сигнал поступает на второй вход демодулятора дополнительных сообщений 15, на первый вход которого подается сигнал с выхода амплитудного ограничителя 17. С выходов демодулятора 15 и демодулятора основных сообщений 16 сигнал поступает на входы декодирующего блока 44 и далее к потребителю.
Основным недостатком устройства-прототипа является большая затрата времени приема сигнала.
Использование дискретно-частотных сигналов повышает скрытность по сравнению с шумоподобными фазоманипулированными сигналами (Варакин Л.Е. Системы связи с шумоподобными сигналами. М. Радио и связь, 1985 г., стр.384). Пример дискретно-частотного сигнала приведен на фиг.3.
Для устранения указанного недостатка в устройство, содержащее на передающей стороне: генератор сигналов, вход которого является входом основной информации (Sосн.), а выход соединен с n сигнальными входами смесителей, соединенных между собой, последовательно соединенные анализатор помеховой обстановки, блок памяти, блок обработки и принятия решения, первый синтезатор частоты, коммутатор частот гетеродина, последовательно соединенные опорный генератор, формирователь импульсов, выход которого соединен со вторым входом первого счетчика импульсов и со входом второго счетчика импульсов, второй выход которого соединен с первым входом первого счетчика импульсов, а выход опорного генератора также соединен со вторым входом синтезатора частоты, последовательно соединенные противофазный усилитель, первый амплитудный модулятор, третий электронный ключ, первый направленный ответвитель, первый электронный ключ, выход которого соединен с первым входом анализатора помеховой обстановки, последовательно соединенные второй амплитудный модулятор, четвертый электронный ключ, второй направленный ответвитель, пятый электронный ключ, выход которого соединен со вторым входом анализатора помеховой обстановки и выход первого направленного ответвителя соединен с первым облучателем передающей антенны, выход второго направленного ответвителя соединен со вторым облучателем передающей антенны, второй выход противофазного усилителя соединен с первым входом второго амплитудного модулятора и выход первого инвертора соединен со вторым входом третьего электронного ключа, а выход второго инвертора соединен со вторым входом четвертого электронного ключа, и входы первого и второго инверторов и управляющие входы первого и пятого электронных ключей соединены между собой и с первыми выходами первого и второго счетчиков импульсов; n выходов коммутатора частот гетеродина соединены с гетеродинными входами смесителей и с входами пороговых блоков соответственно, выходы которых соединены со вторыми входами электронных ключей, выходы смесителей через соответствующие последовательно соединенные полосовые фильтры и электронные ключи соединены с соответствующими n входами сумматора передатчика, выход которого подсоединен ко входу разветвителя мощности, два выхода которого соединены со вторыми входами первого и второго амплитудных модуляторов соответственно, на приемной стороне: последовательно соединенные вычитатель, демодулятор дополнительных сообщений, второй фильтр нижних частот, декодирующий блок, последовательно соединенные сумматор, амплитудный ограничитель, демодулятор основных сообщений, при этом выход амплитудного ограничителя соединен также со вторым входом демодулятора дополнительных сообщений, второй выход которого соединен через первый фильтр нижних частот с третьим входом блока управления положением осей поляризации облучателей приемной антенны и два облучателя приемной антенны присоединены к соответствующим входам блока управления положением осей поляризации облучателей приемной антенны, два выхода которого соединены с соответствующими входами сумматора и вычитателя, введены на передающей стороне: кодирующий блок, n входов которого соединены с выходами пороговых блоков соответственно, а выход кодирующего блока соединен со входом противофазного усилителя и является выходом дополнительной информации (Sдоп.), на приемной стороне: последовательно соединенные второй синтезатор частот, смеситель, полосовой фильтр, демодулятор основных сообщений, выход которого является выходом устройства, при этом вход второго синтезатора частот соединен с выходом декодирующего блока, а вход смесителя соединен с выходом линии задержки.
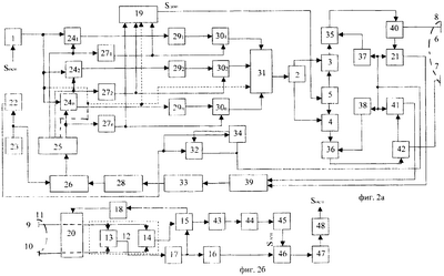
На фиг.2а и 2б приведена функциональная схема предлагаемого устройства, где обозначено:
1 – генератор сигналов;
2 – разветвитель мощности;
3, 4 – первый и второй амплитудные модуляторы;
5 – противофазный усилитель;
6, 7 – первый и второй облучатели передающей антенны;
8 – передающая антенна;
9, 10 – первый и второй облучатели приемной антенны;
11 – приемная антенна;
12 – суммарно-разностный блок;
13 – сумматор;
14 – вычитатель;
15 – демодулятор дополнительных сообщений;
16 – линия задержки;
17 – амплитудный ограничитель;
18 – первый фильтр нижних частот (ФНЧ);
19 – кодирующий блок;
20 – блок управления положением осей поляризации облучателей приемной антенны;
21 – первый электрический ключ;
22 – формирователь импульсов;
23 – опорный генератор;
241-24n – смесители;
25 – коммутатор частот гетеродина;
26 – первый синтезатор частот;
271-27n – пороговые блоки;
28 – блок обработки и принятия решения;
291-29n – полосовые фильтры;
301-30n – вторые электронные ключи;
31 – сумматор передатчика;
32 – первый счетчик импульсов;
33 – блок памяти;
34 – второй счетчик импульсов;
35, 36 – третий и четвертый электронные ключи;
37, 38 – первый и второй инверторы;
39 – анализатор помеховой обстановки;
40 – первый направленный ответвитель;
41 – пятый электронный ключ;
42 – второй направленный ответвитель;
43 – второй фильтр нижних частот (ФНЧ);
44 – декодирующий блок;
45 – второй синтезатор частот;
46 – смеситель;
47 – полосовой фильтр;
48 – демодулятор основных сообщений.
Предлагаемое устройство содержит на передающей стороне: генератор сигналов 1, вход которого является входом основной информации (Sосн.), а выход соединен с n сигнальными входами смесителей 241-24n, соединенных между собой, последовательно соединенные анализатор помеховой обстановки 39, блок памяти 33, блок обработки и принятия решения 28, первый синтезатор частот 26, коммутатор частот гетеродина 25, последовательно соединенные опорный генератор 23, формирователь импульсов 22, выход которого соединен со вторым входом первого счетчика 32 и со входом второго счетчика импульсов 34, второй вход которого соединен с первым входом первого счетчика импульсов 32; выход опорного генератора 23 также соединен со вторым входом первого синтезатора частот 26, последовательно соединенные противофазный усилитель 5, первый амплитудный модулятор 3, третий электронный ключ 35, первый направленный ответвитель 40, первый электронный ключ 21, выход которого соединен с первым входом анализатора помеховой обстановки 39, последовательно соединенные второй амплитудный модулятор 4, четвертый электронный ключ 36, второй направленный ответвитель 42, пятый электронный ключ 41, выход которого соединен со вторым входом анализатора помеховой обстановки 39, второй выход первого направленного ответвителя 40 соединен с первым облучателем 6 передающей антенны 8, второй выход второго направленного ответвителя 42 соединен со вторым облучателем 7 передающей антенны 8, второй выход противофазного усилителя 5 соединен с первым входом второго амплитудного модулятора 4, а вход противофазного усилителя 5 соединен с выходом кодирующего блока 19, выходом которого является дополнительная информация (Sдоп.); выход первого инвертора 37 соединен со вторым входом третьего электронного ключа 35, выход второго инвертора 38 соединен со вторым входом четвертого электронного ключа 36, входы первого 37 и второго 38 инверторов и управляющие входы первого 21 и пятого 41 электронных ключей соединены между собой и с первыми выходами первого 32 и второго 34 счетчиков импульсов; n выходов коммутатора частот гетеродина 25 соединены с гетеродинными входами смесителей 241-24n, и со входами пороговых блоков 271-27n соответственно, выходы которых соединены со вторыми входами электронных ключей 301-30n, а также с n входами кодирующего блока 19 соответственно, выходы смесителей 241-24n через соответствующие последовательно соединенные полосовые фильтры 291-29n и электронные ключи 301-30n соединены с соответствующими n входами сумматора передатчика 31, выход которого подсоединен ко входу разветвителя мощности 2, два выхода которого соединены со вторыми входами первого 3 и второго 4 амплитудных модуляторов соответственно; на приемной стороне: последовательно соединенные вычитатель 14, демодулятор дополнительных сообщений 15, второй ФНЧ 43, декодирующий блок 44, второй синтезатор 45, последовательно соединенные сумматор 13, амплитудный ограничитель 17, демодулятор основных сообщений 16, смеситель 46, полосовой фильтр 47, демодулятор 48, выход которого является выходом устройства, а выход второго синтезатора 45 соединен со вторым входом смесителя 46, и выход амплитудного ограничителя 17 также соединен со вторым входом демодулятора дополнительных сообщений 15, второй выход которого соединен через первый ФНЧ 18 с третьим входом блока управления положением осей поляризации облучателей приемной антенны 20; два облучателя 9 и 10 приемной антенны 11 присоединены к соответствующим входам блока управления положением осей поляризации облучателей приемной антенны 20, два выхода которого соединены с соответствующими входами сумматора 13 и вычитателя 14.
Предлагаемое устройство работает следующим образом.
Сигнал основной информации (Sосн.) поступает на вход генератора 1, где формируется фазоманипулированный (ФМ), (частотно-манипулированный, ЧМ) сигнал. С выхода генератора сигналов 1 ФМ (ЧМ) сигнал поступает на смесители 241-24n, на гетеродинные входы которых поступают сигналы с первого синтезатора частот 26 через коммутатор частот гетеродина 25. Синтезатор частот выдает одну из частот на вход коммутатора частот гетеродина 25, который может быть выполнен, например, в виде частотно-временной матрицы (см. фиг.4), представляющую собой набор полосовых фильтров (nФ1-nФn), у которых перекрытие частотных характеристик 3÷6 дБ. Полосовые фильтры (nФ1-nФn) перекрывают весь частотный диапазон частот синтезатора 26.
На выходах смесителей 241-24n стоят полосовые фильтры 291-29n с полосой пропускания f, тогда общая полоса всех n фильтров будет fn= F. С выходов полосовых фильтров 291-29n сигналы поступают на сигнальные входы электронных ключей 301-30n. Каждый из этих ключей открывается сигналом с соответствующего порогового блока 271-27n, на входе которого в данный момент времени присутствует сигнал с коммутатора частот гетеродина 25 с одной из соответствующих частот гетеродина fг1-fгn; как показано на фиг.5.
Одновременно с выходов пороговых устройств 271-27n сигнал поступает на n входов кодирующего блока 19, который передает на противофазный усилитель 5 сигнал о наличии “наилучших” частот гетеродина в виде дополнительных сообщений (Sдоп.).
Таким образом, на передающей стороне линии радиосвязи кодирующий блок 19 с помощью дополнительных сообщений (Sдоп.) передает информацию о несущей частоте в данный момент времени, например, согласно фиг.5, в виде кодовой последовательности.
Далее сигнал с выходов электронных ключей 301-30n поступает на сумматор передатчика 31, выполненный, например, по схеме ИЛИ, с которого поступает на разветвитель мощности 2, с выхода которого сигнал поступает на первый 3 и второй 4 амплитудные модуляторы.
Так как помеховая обстановка меняется относительно медленно, то в течение времени Т передается информация, скорость передачи которой определяется ее периодом. Через время Т излучение информации прекращается, и в течение промежутка времени T идет анализ помеховой обстановки.
Если на данной частоте имеется помеха, то сигнал этой помехи через облучатели 6 и 7 передающей антенны 8, направленные ответвители 40 и 42 и через открытые первый 21 и пятый 41 электронные ключи поступает на входы анализатора помеховой обстановки 39. Блок памяти 33 записывает сигнал помеховой обстановки, откуда он поступает в блок обработки и принятия решения 28, который может быть реализован в виде процессора. “Наилучшая” помеховая обстановка будет определена блоком обработки и принятия решения 28, которая в виде двоичного кода поступает на первый синтезатор частот 26. Первый синтезатор частот 26 по этому двоичному коду, поступающему с блока обработки и принятия решения 28, вырабатывает одну из частот, которая через частотно-временную матрицу (коммутатор частот гетеродина) 25 передается на гетеродинный вход одного из n смесителей 241-24n.
С выхода опорного генератора 23 синусоидальный сигнал поступает на формирователь импульсов 22 и одновременно на второй вход синтезатора частот 26. С выхода формирователя импульсов 22 сигнал подается на второй вход счетчика импульсов 32, который в течение времени Т считает импульсы. После времени Т сигналом со счетчика 32 открываются первый 21 и пятый 41 электронные ключи и этим же сигналом через первый 37 и второй 38 инверторы закрываются третий 35 и четвертый 36 электронные ключи.
После периода Т сигналом с выхода первого счетчика импульсов 32 запускается второй счетчик импульсов 34 на длительность счета T.
Как только второй счетчик импульсов 34 сосчитает количество импульсов за время T происходит обнуление первого счетчика импульсов 32. При этом первый счетчик импульсов 32 запрещает считывание импульсов вторым счетчиком импульсов 34. Происходит смена логического уровня на входе первого счетчика импульсов 32. При этом первый 21 и пятый 41 электронные ключи закрываются, а третий 35 и четвертый 36 электронные ключи открываются. Длительность Т определяется разрешающей способностью анализатора помеховой обстановки 39 и блоком памяти 33. Далее происходит передача информации в течение другого периода Т.
Сигнал в течение каждого периода Т излучается в пространство, который принимается приемной антенной 11. Первый 9 и второй 10 облучатели (возбудители) приемной антенны (как и передающей) имеют взаимно ортогональную линейную или круговую поляризацию. Сигнал с первого 9 и второго 10 облучателей приемной антенны 11 через блок управления положением осей поляризации облучателей приемной антенны 20 поступает на входы сумматора 13 и вычитателя 14. С выхода сумматора 13 сигнал поступает на амплитудный ограничитель 17 и далее на линию задержки 16, где производится задержка сигнала на время, равное времени прохождения сигнала дополнительных сообщений в блоках: ФНЧ 43, декодирующем блоке 44 и втором синтезаторе частот 45. С выхода линии задержки 16 сигнал поступает на смеситель 46.
После второго фильтра ФНЧ 43 сигнал дополнительных сообщений поступает на декодирующий блок 44, который выделяет сигнал управления в виде кодовой последовательности для второго синтезатора частот 45. С выхода второго синтезатора частот 45 сигнал поступает в смеситель 46, частота гетеродина, соответствующая несущей частоте передатчика линии радиосвязи.
После смесителя 46 сигнал, пройдя через полосовой фильтр 47, поступает на демодулятор основных сигналов (Sосн.) 48, который может быть выполнен, например, в виде согласованного фильтра, далее сигнал в виде (Sосн.) сообщений поступает на выход устройства.
Сигнал с выхода вычитателя 14 поступает на первый вход демодулятора дополнительных сообщений 15, на второй вход которого подается сигнал с выхода амплитудного ограничителя 17; с выхода демодулятора дополнительных сообщений 15, через ФНЧ 18, сигнал поступает на третий вход блока управления положением осей поляризации облучателей приемной антенны 20.
Реализация предлагаемого устройства не вызывает никаких затруднений, так как все блоки и узлы, входящие в него, общеизвестны и широко освещены в технической литературе.
Формула изобретения
Линия радиосвязи с многопараметрической модуляцией, содержащая на передающей стороне: генератор сигналов, вход которого является входом основной информации (Sосн.), а выход соединен с n сигнальными входами смесителей передающей стороны, соединенных между собой, последовательно соединенные анализатор помеховой обстановки, блок памяти, блок обработки и принятия решения, первый синтезатор частоты, коммутатор частот гетеродина, последовательно соединенные опорный генератор, формирователь импульсов, выход которого соединен со вторым входом первого счетчика импульсов и со входом второго счетчика импульсов, второй выход которого соединен с первым входом первого счетчика импульсов, а выход опорного генератора также соединен со вторым входом синтезатора частоты передающей стороны, последовательно соединенные противофазный усилитель, первый амплитудный модулятор, третий электронный ключ, первый направленный ответвитель, первый электронный ключ, выход которого соединен с первым входом анализатора помеховой обстановки, последовательно соединенные второй амплитудный модулятор, четвертый электронный ключ, второй направленный ответвитель, пятый электронный ключ, выход которого соединен со вторым входом анализатора помеховой обстановки и выход первого направленного ответвителя соединен с первым облучателем передающей антенны, выход второго направленного ответвителя соединен со вторым облучателем передающей антенны, второй выход противофазного усилителя соединен с первым входом второго амплитудного модулятора и выход первого инвертора соединен со вторым входом третьего электронного ключа, а выход второго инвертора соединен со вторым входом четвертого электронного ключа, и входы первого и второго инверторов и управляющие входы первого и пятого электронных ключей соединены между собой и с первыми выходами первого и второго счетчиков импульсов; n выходов коммутатора частот гетеродина соединены с гетеродинными входами смесителей передающей стороны и с входами пороговых блоков соответственно, выходы которых соединены со вторыми входами n вторых электронных ключей, выходы смесителей передающей стороны через соответствующие последовательно соединенные полосовые фильтры и электронные ключи соединены с соответствующими n входами сумматора передатчика, выход которого подсоединен ко входу разветвителя мощности, два выхода которого соединены со вторыми входами первого и второго амплитудных модуляторов соответственно, на приемной стороне: последовательно соединенные вычитатель, демодулятор дополнительных сообщений, второй фильтр нижних частот, декодирующий блок, последовательно соединенные сумматор, амплитудный ограничитель, демодулятор основных сообщений, при этом выход амплитудного ограничителя соединен также со вторым входом демодулятора дополнительных сообщений, второй выход которого соединен через первый фильтр нижних частот с третьим входом блока управления положением осей поляризации облучателей приемной антенны и два облучателя приемной антенны присоединены к соответствующим входам блока управления положением осей поляризации облучателей приемной антенны, два выхода которого соединены с соответствующими входами сумматора и вычитателя, отличающаяся тем, что введены на передающей стороне: кодирующий блок n входов которого соединены с выходами пороговых блоков соответственно, а выход кодирующего блока соединен со входом противофазного усилителя и является выходом дополнительной информации (Sдоп.), на приемной стороне: последовательно соединенные второй синтезатор частот, смеситель приемной стороны, полосовой фильтр приемной стороны, демодулятор основных сообщений, выход которого является выходом устройства, при этом вход второго синтезатора частот соединен с выходом декодирующего блока, а вход смесителя приемной стороны соединен с выходом линии задержки, вход которой соединен с выходом амплитудного ограничителя.
РИСУНКИ
MM4A – Досрочное прекращение действия патента СССР или патента Российской Федерации на изобретение из-за неуплаты в установленный срок пошлины за поддержание патента в силе
Дата прекращения действия патента: 02.09.2008
Извещение опубликовано: 27.07.2010 БИ: 21/2010
|
|