|
|
(21), (22) Заявка: 2005124900/09, 04.08.2005
(24) Дата начала отсчета срока действия патента:
04.08.2005
(43) Дата публикации заявки: 10.02.2007
(46) Опубликовано: 27.01.2008
(56) Список документов, цитированных в отчете о поиске:
КИНГ Р. Антенны в материальных средах. – М.: Мир, 1984, с.53. RU 209846 C1, 10.12.1997. RU 2188439 C1, 27.08.2002. US 5175500 A, 29.12.1992.
Адрес для переписки:
394018, г.Воронеж, ул. Плехановская, 14, ОАО “Концерн “Созвездие”
|
(72) Автор(ы):
Провоторов Георгий Федорович (RU), Щеголеватых Александр Сергеевич (RU)
(73) Патентообладатель(и):
Открытое акционерное общество “Концерн “Созвездие” (RU)
|
(54) СПОСОБ ИЗМЕРЕНИЯ ПАРАМЕТРОВ ПОДСТИЛАЮЩЕЙ СРЕДЫ И УСТРОЙСТВО ДЛЯ ЕГО ОСУЩЕСТВЛЕНИЯ
(57) Реферат:
Способ измерения параметров подстилающей среды относится к измерительной технике и может использоваться в радиотехнике для определения параметров каналов связи. Технический результат – повышение стабильности и точности измерения параметров подстилающей среды при повышении точности и стабильности результатов измерения, независимо от временных изменений электрических параметров окружающей среды. Это достигается тем, что в способе измерения параметров подстилающей среды в центре рамочной антенны располагают датчик Холла, частоту генератораувыбирают в диапазоне 2…200·( ·S)-1·104, где – электропроводность подстилающей среды (См/м), S – площадь рамочной антенны (м2), синхронизацию по току осуществляют последовательным соединением рамочной антенны и токовых выводов датчика Холла, фазовый сдвиг определяют между входным током и выходным напряжением датчика Холла, значение электропроводности подстилающей среды определяют, исходя из измеренного фазового сдвига Ф: =0,66·106·(Ф-0,2)2/(f·S). Для осуществления этих мер в устройство измерения параметров подстилающей среды введены фазочувствительный мост (5), последовательно соединенные вычислительное устройство (6) и устройство индикации и запоминания (7), а также резистор обратной связи (8). 2 н.п. ф-лы, 4 ил.
Способ измерения параметров подстилающей среды относится к измерительной технике и может использоваться в радиотехнике для определения параметров каналов связи.
Известные способы измерения параметров подстилающей среды делятся на гальванометрические и диалькометрические. При первом способе (см. книгу Блох И.М. Дипольное электропрофилирование. – М.: ГНТИЛГОН, 1957, 192 с.), используя стабилизированный источник постоянного или низкочастотного тока, определяют падение напряжения между контрольными точками. По снятым электрическим характеристикам определяют поверхностное или объемное сопротивление почвы. Используя второй метод (см. книгу Бухгольц В.П., Тисевич Э.Г. Емкостные преобразователи в системах автоматического контроля и управления. – М.: Энергия, 1972), определяют изменение диэлектрической проницаемости эталонного образца при соприкосновении с подстилающей поверхностью. Определяя изменение частоты колебательного контура, определяют диэлектрическую проницаемость среды. При этом диэлектрическая проницаемость представляется в виде комплексной величины (см., например, книгу Кинг Р., Смит Г. Антенны в материальных средах, кн.1. – М.: Мир, 1984. С.11, формулы (1.1)-(1.2). Измеряя мнимую составляющую диэлектрической проницаемости и используя упомянутые формулы, можно определить электропроводность материальной среды.
Недостатком первого способа является поляризация измерительных электродов, приводящая к дрейфу во времени точности измерений. Недостатком второго метода является высокая чувствительность зависимости диэлектрической проницаемости к небольшим количествам воды в материале и даже в воздухе. Поэтому известные методы не могут обеспечить стабильность и точность измерения параметров подстилающей поверхности.
Наиболее близким по технической сущности к предлагаемому является способ, описанный в книге Кинг Р., Смит Г. Антенны в материальных средах, кн.1. – М.: Мир, 1984. С.18, принятый за прототип.
Способ-прототип заключается в снятии зависимости входного импеданса в антенны в зависимости от частоты генератора, подключенного к входу антенны, помещенной в подстилающую среду, математической обработкой полученных данных определяют значения электрических параметров подстилающей среды (электропроводность определяют как величину, обратно пропорциональную входному импедансу).
Недостатком способа-прототипа является недостаточная стабильность и точность измерения параметров подстилающей среды.
Для устранения указанного недостатка в способе, заключающемся в использовании генератора и антенны, помещенной в подстилающую среду, для измерения параметров излучения, математической обработке результатов измерения, определении параметров подстилающей среды, согласно изобретению, в центре рамочной антенны располагают датчик Холла, частоту генератора выбирают в диапазоне 2…200·( ·S)-1·104, где – электропроводность подстилающей среды (См/м), S – площадь рамочной антенны (м2), синхронизацию по току осуществляют последовательным соединением рамочной антенны и токовых выводов датчика Холла, фазовый сдвиг определяют между входным током и выходным напряжением датчика Холла, значение электропроводности подстилающей среды определяют, исходя из измеренного фазового сдвига Ф: =0,66·106·(Ф-0,2)2/(f·S).
Предлагаемый способ измерения параметров подстилающей среды заключается в использовании рамочной антенны, в центре которой помещен датчик Холла, питаемый от генератора, частота которого выбирается в диапазоне 2…200·( ·S)-1·104, где – электропроводность подстилающей среды (См/м), S – площадь рамочной антенны (м2), определении фазового сдвига между входным током и выходным напряжением датчика Холла Ф (рад), по которому определяют электропроводность подстилающей среды по формуле: =0,66·106·(Ф-0,2)2/(f·S).
Предлагаемый способ основывается на зависимости магнитного поля от параметров подстилающей среды. Известно, что в зависимости от параметров материальной среды изменяется величина магнитного поля, но эта зависимость в значительно меньшей степени зависит от наличия или отсутствия влаги (и воды) в подстилающей поверхности и поляризации электродов, так как при этих измерениях отсутствуют явления однонаправленного движения электрических зарядов.
Известны устройства для измерения параметров подстилающей среды (см. книгу Бухгольц В.П., Тисевич Э.Г. Емкостные преобразователи в системах автоматического контроля и управления. – М.: Энергия, 1972, книгу Кинг Р., Смит Г. Антенны в материальных средах, кн.1. – М.: Мир, 1984. С.11, формулы (1.1)-(1.2)).
Недостатки известных устройств – нестабильность результатов измерений.
Наиболее близким по технической сущности к предлагаемому является устройство, приведенное в книге Кинг Р., Смит Г. Антенны в материальных средах, кн.1. – М.: Мир, 1984, С.53, рис.1.5.1, принятое за прототип.
Схема устройства-прототипа приведена на фиг.1, где обозначено:
1 – генератор;
2 – усилитель;
3 – фидер;
4 – измеритель импеданса;
5 – вибраторная антенна;
6 – материальная среда.
Устройство-прототип содержит генератор 1, усилитель 2, фидер 3, измеритель импеданса 4, вибраторную антенну 5, находящуюся внутри изолирующего цилиндра, помещенного в материальную среду 6.
Работа устройства-прототипа сводится к подаче сигнала генератора 1 на вход вибраторной антенны 5, находящейся внутри изолирующего цилиндра, помещенного в материальную среду 6, запоминании измеренных значений измерителем импеданса 4, последующей математической обработке полученных данных для определения параметров подстилающей поверхности.
Недостатком устройства-прототипа является значительная погрешность и нестабильность результатов измерения, вызванные влиянием электрических параметров подстилающей среды.
Для устранения указанного недостатка в устройство, содержащее генератор, операционный усилитель, рамочную антенну и датчик Холла, согласно изобретению, введены фазочувствительный мост, последовательно соединенные вычислительное устройство и устройство индикации и запоминания, а также резистор обратной связи, средняя точка которого соединена с неинвертирующим входом операционного усилителя, инвертирующий вход которого соединен с выходом генератора, выход операционного усилителя подключен к первому зажиму рамочной антенны, второй зажим которой подсоединен к токовому выводу датчика Холла, выводы напряжения которого соединены с третьим и четвертым входами фазочувствительного моста соответственно, первый вход которого подключен к выходу генератора, а второй вход – к точке соединения одного вывода резистора обратной связи и общей шины, другой вывод резистора обратной связи соединен со вторым токовым выводом датчика Холла, выход фазочувствительного моста подключен к входу вычислительного устройства.
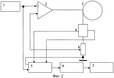
Схема предлагаемого устройства приведена на фиг.2 для измерения параметров подстилающей среды, где обозначено:
1 – генератор;
2 – операционный усилитель;
3 – рамочная антенна;
4 – датчик Холла;
5 – фазочувствительный мост;
6 – вычислительное устройство;
7 – устройство индикации и запоминания;
8 – резистор обратной связи.
Устройство содержит последовательно соединенные генератор 1 и операционный усилитель 2, неинвертирующий вход которого соединен со средней точкой резистора обратной связи 8, а выход операционного усилителя 2 подключен к первому зажиму рамочной антенны 3, второй зажим которой подсоединен к первому токовому выводу датчика Холла 4, первый и второй выводы напряжения которого соединены с третьим и четвертым входами фазочувствительного моста 5 соответственно, первый вход которого подключен к выходу генератора 1, второй вход – к точке соединения одного вывода резистора обратной связи 8 и общей шины. Другой вывод резистора обратной связи 8 соединен со вторым токовым выводом датчика Холла 4. Выход фазочувствительного моста 5 подключен к входу вычислительного устройства 6, выход которого соединен с входом устройства индикации и запоминания 7.
Вариантом построения схемы фазочувствительного моста 5 может служить схема, представленная книге Бухгольц В.П., Тисевич Э.Г. Емкостные преобразователи в системах автоматического контроля и управления. – М.: Энергия, 1972. С.48.
Работает устройство измерения параметров подстилающей среды следующим образом.
При включении генератора 1 его выходной сигнал подается на первый вход фазочувствительного моста 5 и на инвертирующий вход операционного усилителя 2, охваченного обратной связью по току, сигнал которой снимается с резистора обратной связи 8, выход операционного усилителя 2 подключен к первому зажиму рамочной антенны 3, ко второму выходу которой подключен первый вывод датчика Холла 4, при этом через рамочную антенну 3 и датчик Холла 4 протекает переменный ток. Ток, протекающий через рамочную антенну 3, вызывает появление переменного магнитного поля, датчик Холла 4, воспринимающий это поле, формирует переменное холловское напряжение на третьем и четвертом входах фазочувствительного моста 5. На выходе фазочувствительного моста 5 формируется напряжение, пропорциональное разности фаз между входным током датчика Холла и напряженностью магнитного поля. Сигнал на выходе фазочувствительного моста 5 подается на вход вычислительного устройства 6, которое осуществляет математическую обработку информации для получения значений электрофизических параметров подстилающей среды (в частности, электропроводности) и передает результаты вычислений на устройство индикации и запоминания 7.
«Частоту генератора 1 (фиг.2) следует изменять в некотором диапазоне, начинающемся с величины f=5000·S-1, где f – частота в Гц, a S – площадь рамочной антенны, м2. Частоту генератора 1 увеличивают до тех пор, пока фазовый сдвиг, измеряемый фазочувствительным мостом 5 (фиг.2) не будет составлять 0,375 рад (22°), после чего следует осуществлять измерение электропроводности подстилающей среды. Измерение, как следует из формул, приведенных в описании изобретения, следует производить на частотах, обеспечивающих фазовый сдвиг, лежащий в диапазоне 0,375…1,9 рад (22…111°). Оптимум точности измерения электропроводности достигается при углах фазового сдвига, близких к /2 рад (90°). При этом в вычислительном устройстве 6 (фиг.2) электропроводность подстилающей среды следует определять по ранее приведенной формуле =0,66·106·(Ф-0,2)2/(f·S).».
Согласно литературным источникам (см., например, книгу Кинг Р., Смит Г. Антенны в материальных средах, кн. 1, кн.2. – М.: Мир, 1984.), такие параметры как электропроводность, частота сигнала генератора и площадь антенны входят в выражения для напряженности магнитного поля в виде произведения, поэтому можно совокупность указанных параметров представить в виде одной безразмерной переменной y, пропорциональной произведению указанных пармметров. Если обозначить через Н1(y) – действительную составляющую магнитного поля, а через Н2(y) – мнимую составляющую магнитного поля, то можно представить их значения в виде графиков фиг.3. Как видно из фиг.3, действительная составляющая имеет максимум при y=0, а мнимая составляющая имеет минимум при значении параметра у около 1.
Если обратиться к фазовой характеристике Ф(y) на фиг.4, то видно, что она имеет несколько экстремумов, поэтому, чтобы не было неоднозначных результатов расчета, необходимо использовать участок значений y, не превосходящий 5. В связи с этим введено ограничение на диапазон измерения параметров подстилающей среды: частота генератора выбирается в диапазоне 2…200·( ·S)-1·104.
Технический результат – повышение стабильности и точности измерения параметров подстилающей среды при повышении точности и стабильности результатов измерения, независимо от временных изменений электрических параметров окружающей среды.
Формула изобретения
1. Способ измерения параметров подстилающей среды, заключающийся в использовании генератора и антенны, помещенной в подстилающую среду, для измерения параметров излучения, математической обработке результатов измерения, определении параметров подстилающей среды, отличающийся тем, что в центре рамочной антенны располагают датчик Холла, частоту генератора f выбирают в диапазоне 2…200·[ ·S)-l·104, где – электропроводность подстилающей среды (См/м), S – площадь рамочной антенны (м2), синхронизацию по току осуществляют последовательным соединением рамочной антенны и токовых выводов датчика Холла, фазовый сдвиг определяют между входным током и выходным напряжением датчика Холла, значение электропроводности подстилающей среды определяют, исходя из измеренного фазового сдвига Ф
=0,66·106·(Ф-0,2)2/(f·S).
2. Устройство измерения параметров подстилающей среды, содержащее генератор, операционный усилитель, рамочную антенну и датчик Холла, отличающееся тем, что введены фазочувствительный мост, последовательно соединенные вычислительное устройство и устройство индикации и запоминания, а также резистор обратной связи, средняя точка которого соединена с неинвертирующим входом операционного усилителя, инвертирующий вход которого соединен с выходом генератора, выход операционного усилителя подключен к первому зажиму рамочной антенны, второй зажим которой подсоединен к токовому выводу датчика Холла, выводы напряжения которого соединены с третьим и четвертым входами фазочувствительного моста соответственно, первый вход которого подключен к выходу генератора, а второй вход – к точке соединения одного вывода резистора обратной связи и общей шины, другой вывод резистора обратной связи соединен со вторым токовым выводом датчика Холла, выход фазочувствительного моста подключен к входу вычислительного устройства.
РИСУНКИ
|
|