|
|
(21), (22) Заявка: 2004120480/09, 06.07.2004
(24) Дата начала отсчета срока действия патента:
06.07.2004
(43) Дата публикации заявки: 10.01.2006
(46) Опубликовано: 27.01.2008
(56) Список документов, цитированных в отчете о поиске:
ДОМРАЧЕВ И.Г. и др. Схемотехника цифровых преобразователей перемещений. Справочное пособие. – М.: Энергоатомиздат, 1987, с.117, рис.7.1, с.118. SU 1367158 A1, 15.01.1988. SU 594515, 03.02.1978. GB 1340072, 05.12.1973. US 2004/0096024 A1, 20.05.2004.
Адрес для переписки:
109028, Москва, Б. Трехсвятительский пер., 1-3/12, стр.8, МГИЭМ, отдел охраны интеллектуальной собственности, пат. пов. Т.В. Григорьевой, рег.№34
|
(72) Автор(ы):
Косинский Анатолий Васильевич (RU)
(73) Патентообладатель(и):
Государственное образовательное учреждение высшего профессионального образования Московский государственный институт электроники и математики (Технический Университет) (RU)
|
(54) ПРЕОБРАЗОВАТЕЛЬ ПЕРЕМЕЩЕНИЕ-КОД
(57) Реферат:
Изобретение относится к автоматике и вычислительной технике и может быть использовано в системах программного управления, для автоматического ввода информации в электронно-вычислительную машину (ЭВМ). Предлагаемое изобретение предназначено для преобразования перемещения в цифровой код. Технический результат заключается в повышении точности преобразования перемещение-код и быстродействия за счет введения блоков, компенсирующих погрешности. Преобразователь содержит фазовращатель (Ф) (1) с двухфазным напряжением, два выхода которого соединены с нуль-органами (НО) (2, 3), первый из которых через элемент задержки (ЭЗ) (4), а второй непосредственно подключен к элементу ИЛИ (5), который подключен к счетному входу триггера (ТГ) (9), генератор импульсов (ГИ) (6), соединенный с входом счетчика (7), разрядные выходы которого соединены с первыми входами элементов совпадения (ЭС) (8), вторые входы которых соединены с формирующим элементом (ФЭ) (16). Введены второй ТГ (11), два ЭС (10, 15), одновибратор (14) и реверсивный счетчик (РСЧ) (12). Прямой выход ТГ (9) подсоединен к первому входу первого ЭС (10), второй вход которого подсоединен к выходу ГИ (6), а выход – к счетному входу второго ТГ (11), подсоединенному к входу обратного счета РСЧ (12). Инверсный выход первого ТГ (9) подсоединен через ЭЗ (13) к входу одновибратора (14), выход которого подсоединен к первому входу второго ЭС (15), второй вход которого подсоединен к ГИ (6), а выход – к входу счетчика прямого счета РСЧ (12), выход которого подсоединен к входу ФЭ (16). 1 ил.
Изобретение относится к автоматике и вычислительной технике и может быть использовано в системах программного управления, для автоматического ввода информации в электронно-вычислительную машину (ЭВМ).
Предлагаемое изобретение предназначено для преобразования перемещения в цифровой код.
Известны преобразователи перемещения в код, содержащие фазовращатель, выход которого через нуль-орган соединен с первыми входами элементов совпадения, вторые входы которых соединены с разрядными выходами счетчика, вход которого соединен с выходом генератора импульсов [Зверев А.Е., Максимов В.П., Мясников В.А. Преобразователи угловых перемещений в цифровой код. – Л.: Энергия, 1974, с.156].
Недостатком такого устройства является невысокая точность из-за погрешностей фазовращателя, возникающих при нестабильности его параметров.
Наиболее близкими по технической сущности к предлагаемому устройству являются преобразователи перемещение-код с коррекцией погрешностей фазовращателя, в которых два выхода фазовращателя через фазосдвигающие элементы подключены к нуль-органам, выходы которых подсоединены к входам триггера, выход которого через ключ и фильтр низкой частоты подключен ко второму входу третьего нуль-органа, первый вход которого соединен с входом второго нуль-органа, а выход соединен с первым входом схем совпадения, вторые входы которых соединены с разрядными выходами счетчика, вход которого соединен с выходом генератора импульсов [Кутянина В.Н., Королева А.И. Преобразователь угол-код параллельного считывания с коррекцией погрешностей фазовращателя. Труды МИЭМ. Устройства и системы автоматики. Выпуск 26. М.: 1972, с.51].
Недостатками прототипа являются большое время выработки корректирующего сигнала (несколько десятков периодов питающего напряжения) и недостаточная точность работы при изменении частоты питающих напряжений и нестабильности параметров фазосдвигающих элементов.
Техническая задача, которую решает предлагаемый преобразователь, состоит в повышении точности преобразования перемещение-код и быстродействия за счет введения блоков, компенсирующих погрешности.
Техническая задача решается тем, что в преобразователь, содержащий фазовращатель с двухфазным напряжением, два выхода которого соединены с нуль-органами, первый из которых через элемент задержки, а второй непосредственно подключен к элементу ИЛИ, который подключен к счетному входу первого триггера, генератор импульсов, соединенный с входом счетчика, разрядные выходы которого соединены с первыми входами элементов совпадения, вторые входы которых соединены с формирующим элементом, предназначенным для выдачи импульса, согласно предложенному изобретению введены второй триггер, два элемента совпадения, элемент задержки, одновибратор и реверсивный счетчик, прямой выход первого триггера подсоединен к первому входу первого элемента совпадения, второй вход которого подсоединен к выходу генератора импульсов, а выход – к счетному входу второго триггера, подсоединенного к входу обратного счета реверсивного счетчика, инверсный выход первого триггера подсоединен через элемент задержки к входу одновибратора, выход которого подсоединен к первому входу второго элемента совпадения, второй вход которого подсоединен к генератору импульсов, а выход – к входу прямого счета реверсивного счетчика, выход которого подсоединен к входу формирующего элемента.
По сравнению с прототипом отсутствуют погрешности преобразования перемещение-код. Также предлагаемое устройство обладает большим быстродействием по сравнению с прототипом.
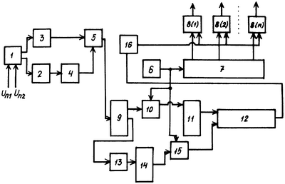
Изобретение поясняется чертежом, на котором изображена блок-схема устройства.
Предлагаемый преобразователь перемещения в код содержит фазовращатель 1 с питанием двухфазным напряжением Un1, Un2, нуль-органы 2 и 3, элементы задержки 4 и 13, элемент ИЛИ 5, генератор 6 импульсов, счетчик 7, схемы 8, 10 и 15 совпадения, триггеры 9 и 11 со счетным входом, одновибратор 14, реверсивный счетчик 12.
Рассматриваемое устройство работает следующим образом.
Фазовращатель 1 питается напряжениями:
Un1=Umsin t,

где Um, – соответственно амплитуда и циклическая частота напряжений.
Счетчик 7 работает непрерывно от генератора 6 импульсов. Счетчик 7 синфазируется с напряжением Un2 таким образом, что он обнуляется в момент времени

где tn2 – момент перехода напряжения Un2 через ноль, он определяется из (1) при Un2=0:

1 – постоянная величина временной задержки обнуления счетчика 7 (цепь синхронизации на чертеже не показана).
Нуль-орган 2 срабатывает в момент t1 перехода через ноль первого выходного напряжения фазовращателя

Нуль-орган 3 срабатывает в момент t2 перехода через ноль второго выходного напряжения фазовращателя

где Um1, Um2, 1, 2 – соответственно амплитуды и начальные фазовые сдвиги выходных напряжений фазовращателя, – циклическая частота. При этом в общем случае (2)


где – измеряемое перемещение,
 – погрешность измерения.
Элемент задержки 4 задерживает импульс нуль-органа 2 на периода Т питающего напряжения Un1, Un2, т.е. с временем задержки

где Т – период питающего напряжения фазовращателя, равный
Т=2 / .
Триггер 9 срабатывает от импульса нуль-органа 3 в момент t2 и возвращается в исходное состояние в момент t3 импульсом с элемента задержки 4. Таким образом, длительность импульса на выходе триггера 9 равна

где 
Из (3), (4) следует, что при U1=U2=0 получаем:

С учетом (5)-(10) находим, что с выхода триггера 9 снимается импульс, длительность которого пропорциональна двойной погрешности измерения:

В течение этого времени на выход 10 поступает число импульсов, равное

где TГИ, ГИ – соответственно период и циклическая частота сигналов генератора 6.
Триггер 11 делит это число импульсов пополам, получая число импульсов, пропорциональное погрешности измерения  , и подает их на вход обратного счета реверсивного счетчика 12. Число импульсов, поступивших на реверсивный счетчик, равно

При срабатывании триггера 9 от импульса нуль-органа 3 подается сигнал с его инверсного выхода через элемент задержки 13 на одновибратор 14. Время задержки 3 элемента 13 совпадает с временем задержки 1 обнуления счетчика

Одновибратор, срабатывая в момент времени t4, равный
t4=t2+ 3,
открывает через элемент совпадения 15 для импульсов генератора 6 вход прямого счета реверсивного счетчика 12. После того как на счетчик поступит n15 импульсов, причем n15=n12, то есть через интервал времени

единичный сигнал на выходе реверсивного счетчика станет нулевым в момент t5=t4+TPC.
В этот момент формирующий элемент выдает импульс, поступающий на первые входы элементов совпадения 8, на вторые входы которых поступают сигналы счетчика 7. Таким образом, с выходов элементов 8 считывается код a1, a2,… an счетчика 7, соответствующий моменту времени t5.
Нетрудно видеть, что от момента обнуления счетчика 7 до момента считывания информации с преобразователя перемещение-код протекает время, равное
Т =t2+ 3+TPC-tC,
или с учетом (2), (10), (14), (15):

Подставляя (6), (14), (13), (2′) в (16), получим:

Выражение (17) свидетельствует о том, что в реверсивном счетчике 12 происходит компенсация погрешности  и постоянной составляющей /2.
Соответственно число импульсов, поступившее на счетчик 7 от момента tC его обнуления до момента t5 считывания информации с его выхода, равно
или с учетом (17):

Отсюда следует, что действительно предлагаемый преобразователь перемещение-код формирует цифровой сигнал, пропорциональный измеряемому перемещению , обеспечивая компенсацию погрешностей, возникающих из-за нестабильности параметров фазовращателя, т.к. выражение (18) не содержит членов, связанных с погрешностями.
Формула изобретения
Преобразователь перемещения в код, содержащий фазовращатель с двухфазным напряжением, два выхода которого соединены с нуль органами, первый из которых через элемент задержки, а второй непосредственно подключен к элементу ИЛИ, который подключен к счетному входу первого триггера, генератор импульсов, соединенный с входом счетчика, разрядные выходы которого соединены с первыми входами элементов совпадения, вторые входы которых соединены с формирующим элементом, предназначенным для выдачи импульса, отличающийся тем, что в него введены второй триггер, два элемента совпадения, элемент задержки, одновибратор и реверсивный счетчик, прямой выход первого триггера подсоединен к первому входу первого элемента совпадения, второй вход которого подсоединен к выходу генератора импульсов, а выход – к счетному входу второго триггера, подсоединенного к входу обратного счета реверсивного счетчика, инверсный выход первого триггера подсоединен через элемент задержки к входу одновибратора, выход которого подсоединен к первому входу второго элемента совпадения, второй вход которого подсоединен к генератору импульсов, а выход – к входу прямого счета реверсивного счетчика, выход которого подсоединен к входу формирующего элемента.
РИСУНКИ
|
|