|
| На основании пункта 3 статьи 13 Патентного закона Российской Федерации от 23 сентября 1992 г. № 3517-I патентообладатель обязуется передать исключительное право на изобретение (уступить патент) на условиях, соответствующих установившейся практике, лицу, первому изъявившему такое желание и уведомившему об этом патентообладателя и федеральный орган исполнительной власти по интеллектуальной собственности, – гражданину РФ или российскому юридическому лицу. |
|
(21), (22) Заявка: 2006137413/09, 23.10.2006
(24) Дата начала отсчета срока действия патента:
23.10.2006
(46) Опубликовано: 27.01.2008
(56) Список документов, цитированных в отчете о поиске:
RU 2284644 С1, 27.09.2006. RU 2109389 С1, 20.04.1998. RU 2003509 С1, 30.11.1993. RU 37284 U1, 10.04.2004. SU 824370 А, 23.04.1981. SU 1157614 А, 23.05.1985. US 3450976 А, 17.06.1969. US 6300689 В1, 09.10.2001. WO 03065566 А1, 07.08.2003.
Адрес для переписки:
111555, Москва, Свободный пр-кт, 9, корп.2, кв.173, А.А. Часовскому
|
(72) Автор(ы):
Часовской Александр Абрамович (RU)
(73) Патентообладатель(и):
Часовской Александр Абрамович (RU)
|
(54) СИСТЕМА ЭЛЕКТРОПИТАНИЯ ОБЪЕКТОВ
(57) Реферат:
Изобретение относится к электротехнике и может быть использовано в устройствах электрообеспечения. Технический результат состоит в увеличении времени постоянного вращения вала электродвигателя. Система электропитания состоит из источника постоянного тока, реостата, автоматического расцепителя, электродвигателя, синхронного генератора с возбудителем, трехфазного выпрямителя со сглаживающим фильтром и потребляемых узлов. Синхронный генератор с возбудителем жестко связан с электродвигателем и имеет первый, второй и третий выходы, соединенные соответственно с первым, вторым и третьим входами потребляемых узлов. Выход источника постоянного тока соединен через реостат с первым входом автоматического расцепителя, второй вход и выход которого соответственно соединены с выходом трехфазного выпрямителя со сглаживающим фильтром и с входом электродвигателя. Первый и второй входы и первый и второй выходы первого трансформаторного феррорезонансного стабилизатора напряжения соответственно соединены с первым и вторым выходами синхронного генератора с возбудителем и с первым и вторым входами трехфазного выпрямителя с сглаживающим фильтром. Второй вход последнего также соединен с первым выходом второго трансформаторного феррорезонансного стабилизатора, второй выход которого соединен с третьим входом трехфазного выпрямителя. Первый и второй входы второго стабилизатора соответственно соединены со вторым выходом синхронного генератора с возбудителем и с третьим его выходом. 1 ил.
Изобретение относится к области электротехники и может быть использовано в устройствах электрообеспечения.
Известна система электропитания объектов, изложенная в книге В.Е.Китаев «Электротехника с основами промышленной электроники». М., Высшая школа, 1985 г., стр.138-140. В ней с помощью первичного двигателя, который может представлять из себя электродвигатель, работающий на постоянном токе от источника постоянного тока, осуществляется вращение вала синхронного генератора с возбудителем. При этом вал генератора жестко связан с валом электродвигателя. Ток с выхода источника постоянного тока регулируется с помощью реостата, а трехфазное напряжение от синхронного генератора поступает к потребляемым узлам. Однако система требует постоянного подключения источника постоянного тока.
Известна система электропитания объектов, которая выполняет функции системы автономного электропитания, представленная в патенте автора №2284644, бюл. №27 от 27.09.2006 года. В ней, в отличие от вышеупомянутого аналога, синхронный генератор с возбудителем выдает также трехфазное переменное напряжение в трехфазный выпрямитель с сглаживающим фильтром. После чего осуществляется стабилизация напряжения, поступающего далее через автоматический расцепитель в электродвигатель. При этом происходит подключение то первого, то второго входа расцепителя, в зависимости от величин напряжений, поступающих на эти входы. В частности, после фиксации определенного напряжения от источника постоянного тока, соответствующего установившемуся режиму работы электродвигателя, в автоматическом расцепителе осуществляется подключение его второго входа к постоянному напряжению, выдаваемому трехфазным выпрямителем, поступающим далее в электродвигатель. Однако, когда напряжение станет ниже регулируемого, в автоматическом расцепителе происходит подключение его первого входа к источнику постоянного тока для подачи напряжения от этого источника в электродвигатель. Таким образом обеспечивается обратная связь между синхронным генератором с возбудителем и электродвигателем и осуществляется в течение определенного времени постоянное вращение вала электродвигателя без подключения источника. Однако пределы стабилизации постоянного напряжения, поступающего в расцепитель, не обеспечивают более длительное время постоянного вращения вала электродвигателя. С помощью предлагаемой системы увеличивается время постоянного вращения вала электродвигателя.
Достигается это введением двух трансформаторных феррорезонансных стабилизаторов напряжения, при этом первый и второй входы и первый и второй выходы первого трансформаторного феррорезонансного стабилизатора напряжения соответственно соединены с первым и вторым выходами синхронного генератора с возбудителем и с первым и вторым входами трехфазного выпрямителя с сглаживающим фильтром, второй вход которого также соединен с первым выходом второго трансформаторного феррорезонансного стабилизатора, имеющего второй выход, соединенный с третьим входом вышеупомянутого трехфазного выпрямителя, а первый и второй входы вышеупомянутого второго стабилизатора соответственно соединены с вторым выходом синхронного генератора с возбудителем и с третьим его входом.
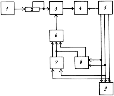
На чертеже приняты следующие обозначения: 1 – источник постоянного тока; 2- реостат; 3 – автоматический расцепитель; 4 – электродвигатель; 5 – синхронный генератор с возбудителем; 6 – трехфазный выпрямитель с сглаживающим фильтром; 7, 8 – трансформаторные феррорезонансные стабилизаторы напряжения; 9 – потребляемые узлы.
При этом синхронный генератор с возбудителем 5 жестко связан с электродвигателем 4 и имеет первый, второй и третий выходы, соединенные соответственно с первым, вторым и третьим входами потребляемых узлов 9, а выход источника постоянного тока соединен с входом реостата 2, первый и второй выходы которого соединены с первым входом автоматического расцепителя 3, имеющего второй выход и второй вход, соответственно соединенные с входом электродвигателя 4 и с выходом трехфазного выпрямителя с сглаживающим фильтром 6, первый, второй и третий входы которого соответственно соединены с первым выходом трансформаторного феррорезонансного стабилизатора напряжения 8, со вторым выходом этого стабилизатора, соединенного также с первым выходом трансформаторного феррорезонансного стабилизатора напряжения 7 и с вторым выходом этого стабилизатора, имеющего первый вход, соединенный со вторым выходом синхронного генератора с возбудителем 5, соединенным также со вторым входом вышеупомянутого стабилизатора 8, а второй вход вышеупомянутого стабилизатора 7 соединен с третьим выходом синхронного генератора с возбудителем 5, имеющего первый выход, соединенный с первым входом вышеупомянутого стабилизатора 8.
Работа устройства осуществляется следующим образом.
С помощью источника постоянного тока 1, который может быть, например, выпрямителем или аккумуляторной батареей, осуществляется подача постоянного тока через реостат 2, через автоматический расцепитель 3 в электродвигатель 4, вал которого жестко связан с валом синхронного генератора с возбудителем 5. Последний выдает трехфазное переменное напряжение в потребляемые узлы 9, а также первую и вторую фазы в трансформаторный феррорезонансный стабилизатор напряжения 8 и вторую и третью фазы в аналогичный стабилизатор 7. В этих стабилизаторах при изменении переменного напряжения на входах на выходах имеет место номинальное напряжение. При этом пределы изменений входных напряжений превышают пределы изменений в главном аналоге. На первый, второй и третий входы трехфазного выпрямителя 6 поступают соответственно: первая фаза со стабилизатора 8, вторая фаза со стабилизаторов 7 и 8 и третья фаза со стабилизатора 7. Таким образом вторые фазы соединены на входах и выходах стабилизаторов 7, 8. Значение тока с выхода источника постоянного тока 1 регулируется с помощью реостата 2. Пример исполнения синхронного генератора с возбудителем 5, где осуществляется с помощью генератора постоянного тока возбуждение обмоток возбуждения представлен в вышеупомянутом первом аналоге на стр.139, рис.94, а пример исполнения трехфазного выпрямителя с сглаживающим фильтром, осуществляющим преобразование переменного напряжения в постоянное представлен, например, в книге Е.С.Траубе, В.М. Миргородский, М., Высшая школа, 1985 г., стр.107. При этом отмечено, что такой выпрямитель обеспечивает питание электродвигателя постоянного тока. Пример конкретного исполнения трансформаторного феррорезонансного стабилизатора напряжения представлен, например, в книге А.А.Евсюков «Электротехника» М., Просвещение, 1979 г., стр.141, 142, рис.3, 34, где благодаря применению трансформатора можно получить номинальное напряжение при низком входном напряжении.
С выхода трехфазного выпрямителя с сглаживающим фильтром 6 выпрямленное напряжение поступает на первый вход автоматического расцепителя 3, с помощью которого осуществляется автоматическое подключение к первому или второму его входам в зависимости от величин напряжения, поступающих на эти входы. В частности, после фиксации определенного значения напряжения от источника постоянного тока 1, соответствующего установившемуся режиму работы электродвигателя 4, в автоматическом расцепителе 3 осуществляется подключение его второго входа к выходу трехфазного выпрямителя с сглаживающим фильтром. Пример конкретного исполнения автоматического расцепителя представлен, например, в книге Е.С.Траубе и В.Г.Миргородского на стр.142-143, М., Высшая школа, 1985 г. После подключения трехфазного выпрямителя с сглаживающим фильтром 6 при уменьшении напряжения с выхода синхронного генератора с возбудителем 5 ниже стабилизируемого автоматический расцепитель 3 подключает источник постоянного тока 1 к электродвигателю 4. Далее снова повторяются вышеупомянутые действия. Таким образом, благодаря использованию трансформаторных феррорезонансных стабилизаторов напряжений создается возможность более длительное время обеспечить постоянное вращение вала электродвигателя по сравнению с системой, предложенной в главном аналоге. Объясняется это возможностью получения номинального напряжения на входе расцепителя 3 при более низком напряжении на выходе синхронного генератора с возбудителем 5. Таким образом, благодаря введению узлов, обеспечивающих обратную связь между синхронным генератором с возбудителем 5 и электродвигателем 4, осуществляется в течение определенного периода времени постоянное вращение вала электродвигателя 4 без подключения источника постоянного тока 1.
Система может быть применена для реализации экономного режима работы источника питания, что обеспечивает большой экономической эффект. Кроме того, использование трансформаторных феррорезонансных стабилизаторов увеличивает надежность системы. При использовании выпрямителя к нему может быть подключена сеть.
Формула изобретения
Система электропитания объектов, состоящая из источника постоянного тока, реостата, автоматического расцепителя, электродвигателя, синхронного генератора с возбудителем, трехфазного выпрямителя с сглаживающим фильтром и потребляемых узлов, где синхронный генератор с возбудителем жестко связан с электродвигателем и имеет первый, второй и третий выходы, соединенные соответственно с первым, вторым и третьим входами потребляемых узлов, а выход источника постоянного тока соединен через реостат, с первым входом автоматического расцепителя, имеющего второй вход и выход, соответственно соединенные с выходом трехфазного выпрямителя с сглаживающим фильтром и с входом электродвигателя, отличающаяся тем, что вводятся два трансформаторные феррорезонансные стабилизатора напряжения, при этом первый и второй входы и первый и второй выходы первого трансформаторного феррорезонансного стабилизатора напряжения соответственно соединены с первым и вторым выходами синхронного генератора с возбудителем, и с первым и вторым входами трехфазного выпрямителя с сглаживающим фильтром, второй вход которого также соединен с первым выходом второго трансформаторного феррорезонансного стабилизатора, имеющего второй выход, соединенный с третьим входом вышеупомянутого трехфазного выпрямителя, а первый и второй входы вышеупомянутого второго стабилизатора соответственно соединены с вторым выходом синхронного генератора с возбудителем и с третьим его выходом.
РИСУНКИ
|
|