|
|
(21), (22) Заявка: 2006124344/09, 06.07.2006
(24) Дата начала отсчета срока действия патента:
06.07.2006
(46) Опубликовано: 27.01.2008
(56) Список документов, цитированных в отчете о поиске:
RU 2252474 C1, 20.05.2005. RU 2262176 C1, 10.10.2005. RU 2263386 C1, 27.10.2005. GB 1471522 A, 27.04.1977. DE 2439443 B2, 08.11.1979. GB 1484193 A, 01.09.1977. БОГАТЫРЕВ Н.И., ВАНУРИН В.Н. и др. Статорные обмотки асинхронных машин. – Краснодар: КубГАУ, 2003, с.21.
Адрес для переписки:
350044, г.Краснодар, Калинина, 13, КГАУ, патентно-информационный отдел
|
(72) Автор(ы):
Ванурин Владимир Николаевич (RU), Богатырев Николай Иванович (RU), Джанибеков Казбек Азрет-Алиевич (RU), Ильченко Яков Андреевич (RU), Шевченко Михаил Витальевич (RU)
(73) Патентообладатель(и):
Федеральное государственное образовательное учреждение высшего профессионального образования Кубанский государственный аграрный университет (RU)
|
(54) ОДНОСЛОЙНАЯ СТАТОРНАЯ ОБМОТКА ЧЕТЫРЕХПОЛЮСНОЙ АСИНХРОННОЙ МАШИНЫ
(57) Реферат:
Изобретение относится к области электротехники и может быть использовано при создании автономных источников энергии с повышенными эксплуатационными показателями на основе асинхронных генераторов с конденсаторным возбуждением. Сущность изобретения состоит в том, что однослойная статорная обмотка четырехполюсной асинхронной машины, состоящая из катушечных групп с выводами, согласно данному изобретению имеет 18 катушечных групп с выводами 19, 20, 21, 22, 23, 24 от объединенных начала 1 и начала 18 катушечных групп, от объединенных начала 14 и конца 15 катушечных групп, от объединенных начала 2 и конца 3 катушечных групп, от объединенных начала 8 и конца 9 катушечных групп, от объединенных начала 12 и начала 13 катушечных групп, от объединенных начала 6 и начала 7 катушечных групп, при этом конец 1 катушечной группы соединен с концом 5 катушечной группы, начало 5 с началом 10, конец 10 с концом 14, начало 14 с концом 15, начало 15 с концом 6, начало 6 с началом 7, конец 7 с концом 11, начало 11 с началом 16, конец 16 с концом 2, начало 2 с концом 3, начало 3 с концом 12, начало 12 с началом 13, конец 13 с концом 17, начало 17 с началом 4, конец 4 с концом 8, начало 8 с концом 9, начало 9 с концом 18, начало 18 с началом 1, а конденсаторы возбуждения С соединены с выводами 20, 22, 24. Технический результат – улучшение эксплуатационных характеристик источников электроэнергии – асинхронных генераторов с конденсаторным возбуждением путем уменьшения дифференциального рассеяния статорной обмотки асинхронной машины. 9 ил.
Изобретение относится к электротехнике и может быть использовано для создания автономных источников электроэнергии.
Известна однослойная статорная обмотка четырехполюсной асинхронной машины с последовательным согласным соединением двух катушечных групп в каждой из трех фаз (Богатырев Н.И., Ванурин В.Н. и др. Статорные обмотки асинхронных машин. – Краснодар: Куб ГАУ, 2003, с.21).
Недостаток известной обмотки заключается в том, что в асинхронных генераторах автономных источников электроэнергии она создает напряжение одной величины.
Известна однослойная статорная обмотка четырехполюсной асинхронной машины из 12 катушечных групп с выводами от объединенных начал 1 и 12 катушечных групп, от объединенных начал 4 и 5 катушечных групп, от объединенных начал 8 и 9 катушечных групп, от объединенных концов 3 и 6 катушечных групп, от объединенных концов 7 и 10 катушечных групп и от объединенных концов 11 и 2 катушечных групп, при этом конец 1 катушечной группы соединен с началом 7 катушечной группы, конец 7 катушечной группы соединен с концом 10 катушечной группы, начало 10 катушечной группы соединено с концом 4 катушечной группы, конец 5 катушечной группы соединен с началом 11 катушечной группы, конец 11 катушечной группы соединен с концом 2 катушечной группы, начало 2 катушечной группы соединено с концом 8 катушечной группы, конец 9 катушечной группы соединен с началом 3 катушечной группы, конец 3 катушечной группы соединен с концом 6 катушечной группы, начало 6 катушечной группы соединено с концом 12 катушечной группы (Патент RU 2252474, БИ №14, 2005 – прототип).
Недостаток известной обмотки в том, что она характеризуется повышенным дифференциальным рассеянием из-за наличия нечетных и четных высших гармоник магнитодвижущей силы (МДС), что снижает его эксплуатационные характеристики генератора.
Техническим решением изобретения является улучшение эксплуатационных характеристик генератора за счет уменьшения дифференциального рассеяния обмотки.
Решение указанной задачи достигается тем, что однослойная статорная обмотка четырехполюсной асинхронной машины, состоящая из катушечных групп с выводами, согласно изобретению состоит из 18 катушечных групп с выводами 19, 20, 21, 22, 23, 24 от объединенных начала 1 и начала 18 катушечных групп, от объединенных начала 14 и конца 15 катушечных групп, от объединенных начала 2 и конца 3 катушечных групп, от объединенных начала 8 и конца 9 катушечных групп, от объединенных начала 12 и начала 13 катушечных групп, от объединенных начала 6 и начала 7 катушечных групп, при этом конец 1 катушечной группы соединен с концом 5 катушечной группы, начало 5 с началом 10, конец 10 с концом 14, начало 14 с концом 15, начало 15 с концом 6, начало 6 с началом 7, конец 7 с концом 11, начало 11 с началом 16, конец 16 с концом 2, начало 2 с концом 3, начало 3 с концом 12, начало 12 с началом 13, конец 13 с концом 17, начало 17 с началом 4, конец 4 с концом 8, начало 8 с концом 9, начало 9 с концом 18, начало 18 с началом 1, а конденсаторы возбуждения С соединены с выводами 20, 22, 24.
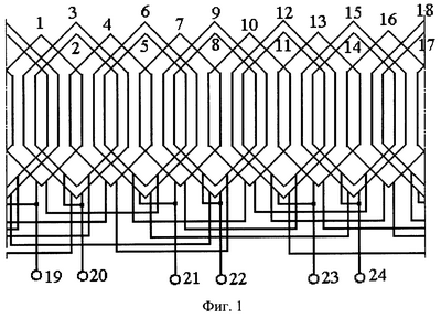
На фиг.1 и 2 приведены схемы однослойной статорной обмотки четырехполюсной асинхронной машины при 36 и 48 пазах статора; на фиг.3 – схема включения конденсаторов возбуждения; на фиг.4-7 – токи в сторонах катушек и диаграммы Гёргеса от тока возбуждения и от совпадающих токов нагрузки и возбуждения обмотки при 36 и при 48 пазах статора; на фиг.8 и 9 – векторные диаграммы ЭДС.
Согласно фиг.1 и 2 однослойная статорная обмотка четырехполюсной асинхронной машины состоит из 18 катушечных групп с выводами 19, 20, 21, 22, 23, 24 от объединенных начала 1 и начала 18 катушечных групп, от объединенных начала 14 и конца 15 катушечных групп, от объединенных начала 2 и конца 3 катушечных групп, от объединенных начала 8 и конца 9 катушечных групп, от объединенных начала 12 и начала 13 катушечных групп, от объединенных начала 6 и начала 7 катушечных групп, при этом конец 1 катушечной группы соединен с концом 5 катушечной группы, начало 5 с началом 10, конец 10 с концом 14, начало 14 с концом 15, начало 15 с концом 6, начало 6 с началом 7, конец 7 с концом 11, начало 11 с началом 16, конец 16 с концом 2, начало 2 с концом 3, начало 3 с концом 12, начало 12 с началом 13, конец 13 с концом 17, начало 17 с началом 4, конец 4 с концом 8, начало 8 с концом 9, начало 9 с концом 18, начало 18 с началом 1, а конденсаторы возбуждения С соединены с выводами 20, 22, 24. МДС обмотки не содержат четных гармоник.
Согласно фиг.3 конденсаторы возбуждения С подключены к выводам 20, 22, 24, а нагрузка R подключена к выводам 19, 21, 23. При таком включении конденсаторов дифференциальное рассеяние обмотки при нагрузке уменьшается, что подтверждают диаграммы Гёргеса на фиг.4 и 5 обмотки при 36 пазах статора и на фиг.6 и 7 обмотки при 48 пазах статора, а это, в свою очередь, приводит к уменьшению индуктивного сопротивления обмотки и к уменьшению падения напряжения на ней. Токи нагрузки отражены в условном ряду сторон катушек.
Коэффициент дифференциального рассеяния от тока возбуждения  0=0,1 и от равных по величине и по фазе токов нагрузки и возбуждения  =0,035 обмотки при 36 пазах статора и соответственно  0=0,116 и  =0,024 обмотки при 48 пазах статора.
Согласно фиг.8 и 9 соотношение ЭДС между выводами обмотки 19 и 21 и выводами 22 и 24 составляет при одинаковом числе витков в катушках 1,76/1 для обмотки при 36 пазах статора и 2/1 для обмотки при 48 пазах статора. Другое соотношение ЭДС с другим угловым расположением векторов ЭДС можно получить определенным соотношением витков в отдельных катушечных группах.
Однослойная статорная обмотка четырехполюсной асинхронной машины работает следующим образом.
Конденсаторы возбуждения С подключены к выводам 20, 22, 24. Нагрузка подключается к любым выводам: 19, 21, 23.
При вращении ротора асинхронного генератора с номинальной скоростью, за счет остаточного намагничивания и конденсаторов возбуждения С, происходит процесс самовозбуждения. Согласно фиг.8 и 9 соотношение ЭДС между выводами обмотки 19 и 21 и выводами 22 и 24 составляет при одинаковом числе витков в катушках 1,76/1 для обмотки при 36 пазах статора и 2/1 для обмотки при 48 пазах статора. Другое соотношение ЭДС с другим угловым расположением векторов ЭДС можно получить определенным соотношением витков в отдельных катушечных группах.
Формула изобретения
Однослойная статорная обмотка четырехполюсной асинхронной машины, состоящая из катушечных групп с выводами, согласно изобретению, отличающаяся тем, что имеет 18 катушечных групп с выводами 19, 20, 21, 22, 23, 24 от объединенных начала 1 и начала 18 катушечных групп, от объединенных начала 14 и конца 15 катушечных групп, от объединенных начала 2 и конца 3 катушечных групп, от объединенных начала 8 и конца 9 катушечных групп, от объединенных начала 12 и начала 13 катушечных групп, от объединенных начала 6 и начала 7 катушечных групп, при этом конец 1 катушечной группы соединен с концом 5 катушечной группы, начало 5 – с началом 10, конец 10 – с концом 14, начало 14 – с концом 15, начало 15 – с концом 6, начало 6 – с началом 7, конец 7 – с концом 11, начало 11 – с началом 16, конец 16 – с концом 2, начало 2 – с концом 3, начало 3 – с концом 12, начало 12 – с началом 13, конец 13 – с концом 17, начало 17 – с началом 4, конец 4 – с концом 8, начало 8 – с концом 9, начало 9 – с концом 18, начало 18 – с началом 1, а конденсаторы возбуждения соединены с выводами 20, 22, 24.
РИСУНКИ
MM4A – Досрочное прекращение действия патента СССР или патента Российской Федерации на изобретение из-за неуплаты в установленный срок пошлины за поддержание патента в силе
Дата прекращения действия патента: 07.07.2008
Извещение опубликовано: 20.03.2010 БИ: 08/2010
|
|