|
|
(21), (22) Заявка: 2006124098/09, 06.07.2006
(24) Дата начала отсчета срока действия патента:
06.07.2006
(46) Опубликовано: 27.01.2008
(56) Список документов, цитированных в отчете о поиске:
ОБЗОРЫ ПО ЭЛЕКТРОННОЙ ТЕХНИКЕ, сер.1. Электроника СВЧ, вып.4 (786), ЦНИИ «электроника» МЭП СССР, 1981, с.63, рис.54,б. SU 1818647 А1, 30.05.1993. RU 2273078 С2, 27.03.2006. DE 3011238 А, 01.10.1981. JP 2005130464 A, 19.05.2005. CA 2315547 A, 10.02.2001.
Адрес для переписки:
111250, Москва, ул. Красноказарменная, 14, ГОУВПО “МЭИ (ТУ)”, НИЧ, патентный отдел пат.пов. Лобзовой Т.А.
|
(72) Автор(ы):
Бунин Анатолий Вениаминович (RU), Вишняков Сергей Викторович (RU), Геворкян Владимир Мушегович (RU), Казанцев Юрий Алексеевич (RU), Михалин Сергей Николаевич (RU), Полукаров Валерий Иванович (RU)
(73) Патентообладатель(и):
Государственное образовательное учреждение высшего профессионального образования “Московский энергетический институт (технический университет)” (ГОУВПО “МЭИ (ТУ)”) (RU)
|
(54) АНТЕННЫЙ ЭЛЕМЕНТ
(57) Реферат:
Изобретение относится к технике СВЧ и предназначено для создания антенн приемопередатчиков локальных сетей производственного назначения. Техническим результатом является расширение полосы пропускания и увеличение коэффициента передачи. Антенный элемент содержит диэлектрический резонатор, выполненный в виде диэлектрического диска, отрезок коаксиальной линии с центральным проводником, с которым соединен отрезок цилиндрического проводника, и проводящую стенку, ограничивающую полость. Диэлектрический диск выполнен выступающим из полости на величину 1. Отрезок проводника, продольная ось которого совпадает с осью диэлектрического диска, возбуждает в нем электромагнитные колебания со структурой поля, соответствующей структуре поля колебаниям Е-вида диэлектрического резонатора. Ось диэлектрического диска расположена перпендикулярно поверхности проводящей стенки. Эффективное возбуждение колебаний Е-вида в диэлектрическом диске обеспечивается при его толщине, выбранной из условия , где h – толщина диэлектрического диска, D – его диаметр. Диэлектрический диск выступает из полости на величину l=h- , где h – толщина диэлектрического диска, – толщина проводящей стенки, которая выбрана равной 0,1…0,3 от толщины диэлектрического диска 1. 2 з.п. ф-лы, 4 ил.
Изобретение относится к технике СВЧ и предназначено для создания антенн приемопередатчиков локальных сетей производственного назначения.
Известны антенные излучатели на основе открытых диэлектрических резонаторов (Диэлектрические резонаторы в микроэлектронике СВЧ/ Ю.М.Безбородов, Л.Г.Гассанов, А.А.Липатов и др. – Обзоры по Электронной технике, Сер. 1 «Электроника СВЧ», вып.4 (786), ЦНИИ «Электроника» МЭП СССР, 1981, 82 с., с.63-64), образованные плоским диэлектрическим резонатором, например дисковым, электромагнитно связанным с линией передачи, в которой диэлектрический резонатор установлен на диэлектрической подложке у основного проводника линии, или с металлическим волноводом, в котором диэлектрический резонатор установлен в отверстии в проводящей стенке. В обоих вариантах антенных излучателей на открытых диэлектрических резонаторах используется низший вид колебаний резонатора, что конструктивно выражается в определенной ориентации оси диска относительно продольной оси линии передачи, а именно – ортогональной ориентации оси диска и продольной оси линии передачи.
Недостатком антенных излучателей является невозможность реализации эффективной антенны с требуемой полосой пропускания и коэффициентом передачи ввиду невозможности обеспечения сильной связи диэлектрического резонатора с низшим видом колебания одновременно с линией передачи и со свободным пространством (излучения).
Наиболее близким по технической сущности к предлагаемому изобретению является антенный элемент (Диэлектрические резонаторы в микроэлектронике СВЧ/ Ю.М.Безбородов, Л.Г.Гассанов, А.А.Липатов и др. – Обзоры по Электронной технике. Сер. 1 «Электроника СВЧ», вып.4 (786), ЦНИИ «Электроника» МЭП СССР, 1981, с.63, рис. 54,б), содержащий отрезок металлического волновода, ограниченный на одном конце плоской металлической стенкой, перпендикулярной его продольной оси, в которой выполнено отверстие, где установлен диэлектрический резонатор, выполненный в виде плоского диска, ось которого совпадает с плоскостью металлической стенки.
Такой антенный элемент реализован на низшем виде колебаний диэлектрического резонатора, что не позволяет реализовать эффективную антенну с требуемой полосой пропускания и коэффициентом передачи.
Технической задачей изобретения является расширение полосы пропускания и увеличения коэффициента передачи.
Решение этой задачи достигается тем, что известный антенный элемент, содержащий отрезок линии передачи, размещенный в полости, ограниченной проводящей стенкой с отверстием и электромагнитно связанный с диэлектрическим резонатором, выполненным в виде диэлектрического диска, расположенным в отверстии проводящей стенки, снабжен отрезком цилиндрического проводника, диэлектрический диск в антенном элементе расположен так, что его ось перпендикулярна поверхности проводящей стенки, диаметр отверстия совпадает с диаметром диэлектрического диска, отрезок линии передачи образован коаксиальной линией, центральный проводник которой соединен с отрезком цилиндрического проводника, размещенным соосно с диэлектрическим диском.
Кроме того, толщина диэлектрического диска может быть выбрана из условия , где h – толщина диэлектрического диска, D – диаметр диэлектрического диска.
Кроме того, диэлектрический диск может быть выполнен выступающим из полости на величину l, выбранную из условия l=h- , где h – толщина диэлектрического диска, – толщина проводящей стенки, которая выбрана равной 0,1…0,3 от толщины диэлектрического диска.
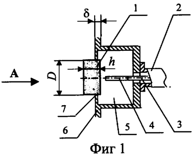
Сущность изобретения поясняется чертежами, где на фиг.1 представлен антенный элемент, на фиг.2 показан вид антенного элемента по стрелке А, на фиг.3 приведена частотная характеристика антенного элемента, а на фиг.4 показан вид пространственной диаграммы направленности антенного элемента в азимутальной плоскости.
Антенный элемент содержит диэлектрический резонатор, выполненный в виде диэлектрического диска 1, толщиной h и диаметром D, отрезок коаксиальной линии 2 с центральным проводником 3, с которым соединен отрезок цилиндрического проводника 4, полость 5, проводящую стенку 6 толщиной с отверстием 7, ограничивающую полость 5.
Диэлектрический диск 1 может быть выполнен выступающим из полости 5 на величину l.
Антенный элемент работает следующим образом.
Электромагнитная волна, распространяющаяся по отрезку коаксиальной линии 2, через центральный проводник 3 возбуждает колебания с кольцевыми силовыми линиями высокочастотного магнитного поля в соединенном с ним отрезке цилиндрического проводника 4. Отрезок цилиндрического проводника 4, продольная ось которого совпадает с осью диэлектрического диска 1, возбуждает в последнем электромагнитные колебания со структурой поля, соответствующей структуре поля в отрезке цилиндрического проводника 4. Структура этого электромагнитного поля соответствует колебаниям Е-вида диэлектрического резонатора (т.е. второму виду колебаний открытых диэлектрических резонаторов). Если диэлектрический диск 1 имеет резонансные размеры, соответствующие колебаниям Е-вида на частоте электромагнитной волны, то наблюдается резонансный рост энергии, запасенной в нем. Установлено, что при расположении оси диэлектрического диска 1 перпендикулярно поверхности проводящей стенки 6, колебания Е-вида в нем, возбуждаемые отрезком цилиндрического проводника 4, имеют одинаково сильную электромагнитную связь как с пространством полости 5, так и со свободным пространством (излучения). При этом размер отверстия 7 в проводящей стенке 6, ограничивающей полость 5, не оказывает существенного влияния на электрические характеристики антенного элемента и поэтому размеры отверстия можно уменьшить до предела, определяемого диаметром диэлектрического диска 1. Это уменьшает опасность паразитного внеполосного излучения таким антенным элементом.
Экспериментально установлено, что эффективное возбуждение колебаний Е-вида в диэлектрическом диске 1 наблюдается при толщине диэлектрического диска 1, выбранной из условия , где h – толщина диэлектрического диска 1, D – диаметр диэлектрического диска 1.
Кроме того, экспериментально установлено, что лучшими электрическими параметрами обладает антенный элемент, в котором диэлектрический диск 1 выступает из полости 5 на величину l=h- , где h – толщина диэлектрического диска 1, – толщина проводящей стенки 6, которая выбрана равной 0,1…0,3 от толщины диэлектрического диска 1. При таком соотношении достигается наибольшая связь со свободным пространством, а связь с отрезком коаксиальной линии передачи 2 регулируется расстоянием между отрезком цилиндрического проводника 4 и торцевой поверхностью диэлектрического диска 1.
Использование изобретения позволило создать в диапазоне частот (2-3) ГГц антенный элемент на диэлектрическом резонаторе с резонансной полосой пропускания 15 МГц по уровню КСВН=2 и пространственной диаграммой направленности, соответствующей электрическому диполю с высоким коэффициентом передачи. Это оказалось приемлемым для реализации приемопередатчиков локальных сетей производственного назначения.
Формула изобретения
1. Антенный элемент, содержащий отрезок линии передачи, размещенный в полости, ограниченной проводящей стенкой с отверстием и электромагнитно связанный с диэлектрическим резонатором, выполненным в виде диэлектрического диска, расположенным в отверстии проводящей стенки, отличающийся тем, что он снабжен отрезком цилиндрического проводника, диэлектрический диск расположен так, что его ось перпендикулярна поверхности проводящей стенки, диаметр отверстия совпадает с диаметром диэлектрического диска, отрезок линии передачи образован коаксиальной линией, центральный проводник которой соединен с дополнительно введенным отрезком цилиндрического проводника, размещенным соосно с диэлектрическим диском.
2. Антенный элемент по п.1, отличающийся тем, что толщина диэлектрического диска выбрана из условия
,
где h – толщина диэлектрического диска;
D – диаметр диэлектрического диска.
3. Антенный элемент по п.2, отличающийся тем, что диэлектрический диск выступает из полости на величину l=h- , где h – толщина диэлектрического диска, – толщина проводящей стенки, которая выбрана равной 0,1…0,3 от толщины диэлектрического диска.
РИСУНКИ
|
|