|
|
(21), (22) Заявка: 2005111544/09, 23.09.2003
(24) Дата начала отсчета срока действия патента:
23.09.2003
(30) Конвенционный приоритет:
23.09.2002 FI 20021692
(43) Дата публикации заявки: 27.02.2006
(46) Опубликовано: 27.01.2008
(56) Список документов, цитированных в отчете о поиске:
SU 955276 A1, 30.08.1982. US 4713598 A, 15.12.1987. US 5856905 A, 05.01.1999.
(85) Дата перевода заявки PCT на национальную фазу:
25.04.2005
(86) Заявка PCT:
FI 03/00692 (23.09.2003)
(87) Публикация PCT:
WO 2004/027807 (01.04.2004)
Адрес для переписки:
191186, Санкт-Петербург, а/я 230, “АРС-ПАТЕНТ”, пат.пов. М.В.Хмаре, рег. № 771
|
(72) Автор(ы):
САЛОНЕН Олли (FI), САИРАНЕН Мартти (FI)
(73) Патентообладатель(и):
ШНАЙДЕР ЭЛЕКТРИК ИНДАСТРИЗ САС (FR)
|
(54) ИСТОЧНИК ПИТАНИЯ ДЛЯ ЭЛЕКТРИЧЕСКОГО ВЫКЛЮЧАТЕЛЯ
(57) Реферат:
Изобретение относится к способу обеспечения питания электрического выключателя (1) и соответствующей системе питания для электрического выключателя. Электрический выключатель включен в линию (J) тока между источником (Е) переменного тока, предпочтительно сетью переменного тока, и нагрузкой (L) для прерывания или подачи на нее энергии. Выключатель соединен также последовательно с первичной цепью (W1) трансформатора (3). Электроэнергия, требуемая для управляющего блока (2) выключателя и, возможно, для самого выключателя, отбирается в обход выключателя при его нахождении во включенном положении (а), и от вторичной цепи (W2) трансформатора через выпрямитель (4) при нахождении выключателя в выключенном положении, когда энергия подается на нагрузку (L). Согласно изобретению трансформатор (3) выполнен с возможностью функционирования таким образом, что он насыщается на каждом полуцикле тока сети, а пики (КР) насыщения вторичного напряжения вторичной цепи (W2; W2a; W2b) трансформатора выпрямляются для получения энергии постоянного тока при нахождении выключателя (1) в выключенном положении (к). Технический результат – уменьшение габаритов. 2 с. и 20 з.п. ф-лы, 4 ил.
Область техники, к которой относится изобретение
Изобретение относится к способу обеспечения питания электрического выключателя в соответствии с ограничительной частью пункта 1 формулы изобретения. Изобретение относится также к системе питания для электрического выключателя в соответствии с ограничительной частью пункта 2 формулы изобретения.
Уровень техники
В решении по изобретению электрический выключатель является электромеханическим выключателем, таким как релейный выключатель, полупроводниковый выключатель и/или их комбинация, например, он может быть выполнен в виде параллельно соединенных релейного и полупроводникового выключателей, образующих симистор. Электрические выключатели такого типа используются для включения и выключения электроприборов, в частности осветительных приборов, которые подключены к источнику переменного тока, например к сети переменного тока, и управляются, например, с помощью таймера, датчика сумерек или датчика движения объекта. Электромеханические выключатели, такие как релейный выключатель, пригодны для использования с нагрузкой всех типов, то есть как с активной нагрузкой, так и емкостной и индуктивной нагрузкой. Когда параллельно релейному выключателю подсоединен полупроводниковый выключатель с образованием симистора, токи нагрузки могут быть повышены для нагрузки всех типов, так что они могут быть равны номинальному току релейного выключателя.
Приборы, то есть нагрузки, к которым подача энергии переменного тока регулируется посредством электрического выключателя, выполнены таким образом, что они включаются по двум фазам, то есть фазам токонесущего провода и нулевого провода (земли). При этом питание управляющего блока и, возможно, также самого электрического выключателя обеспечивается непосредственно от сетевого источника, то есть между токонесущим и нулевым проводами. Однако нулевой провод сети не всегда доступен. Он может отсутствовать, например, в скрытой электропроводке, в настенных розетках, предназначенных для выключателей и не имеющих нулевого провода. В этом случае, если питание электрического выключателя и его управляющего блока выполнено обычным образом, должен быть подведен нулевой провод.
В том случае, когда для питания может использоваться только токонесущий провод, проблема заключается в том, что для функционирования управляющего блока, а зачастую и самого электрического выключателя необходима электроэнергия как во включенном положении выключателя, то есть когда он находится в проводящем состоянии, и в выключенном положении, когда выключатель находится в непроводящем состоянии. Поскольку через электрический выключатель проходит только одна фаза, отсутствует опорный потенциал, то есть потенциал Земли, для создания разности напряжений и обеспечения на его основе питания электрического выключателя и его управляющего блока.
Из уровня техники, US 4713598, известен релейный выключатель, в котором питание усилителя пассивного инфракрасного датчика, подсоединенного к управляющему блоку релейного выключателя, реализовано без нулевого провода с использованием только токонесущего провода. При этом релейный выключатель служит в качестве так называемого двухпроводного выключателя. Релейный выключатель подсоединен к сети переменного тока последовательно с нагрузкой и первичной обмоткой трансформатора тока. Когда релейный выключатель находится во включенном положении, то есть в проводящем состоянии, переменное напряжение первичной обмотки трансформатора выпрямляется с получением постоянного напряжения, требуемого для питания усилителя. Когда релейный выключатель находится в выключенном положении, то есть не пропускает через себя ток, напряжение на выключателе выпрямляется, и обеспечивается рабочее напряжение, требуемое для усилителя.
Когда релейный выключатель находится во включенном положении, и ток нагрузки проходит через выключатель, падение напряжения на первичной обмотке трансформатора незначительно по сравнению с напряжением на нагрузке. Обычно падение напряжения составляет порядка 1% от напряжения нагрузки. Падение напряжения на первичной обмотке трансформатора преобразуется в трансформаторе в высокое вторичное напряжение на вторичной обмотке. Это вторичное напряжение полностью или частично выпрямляется диодом, с помощью которого получают выпрямленный ток для усилителя, при этом для диода предусмотрен перепускной конденсатор в качестве фильтра напряжения. В качестве примера число витков первичной и вторичной обмоток W1, W2 трансформатора может составлять W1=45 и W2=2000 для нагрузки в 60 Вт. Кроме того, первичная обмотка содержит также несколько промежуточных отводов для регулирования отношения чисел витков в соответствии с нагрузкой.
Недостаток данного решения состоит в том, что из-за большого числа витков трансформатор получается громоздким и занимает много места. Трансформатор такого типа трудно устанавливать в ограниченном пространстве, например, в коробках электрических выключателей или подобных электроприборах.
Другая проблема известного решения состоит в том, что ограничена величина нагрузки, которая подключается последовательно трансформатору. Обычно трансформаторы рассчитаны на невысокие нагрузки, такие как 60 Вт, как указано в примере, приведенном в упомянутом патенте США. Если такой трансформатор использовать для более высоких нагрузок, его размеры значительно увеличиваются.
Раскрытие изобретения
Задача, на решение которой направлено настоящее изобретение, заключается в устранении недостатков известных источников питания для электрического выключателя. Другой задачей изобретения является создание новой системы питания для электрического выключателя, в особенности подходящей для подачи энергии на выключатель, установленный в монтажной коробке системы электропроводки, в частности, в выполненном в стене гнезде.
Способ обеспечения питания электрического выключателя в соответствии с изобретением характеризуется признаками пункта 1 формулы изобретения. Система питания для электрического выключателя в соответствии с изобретением характеризуется признаками пункта 2 формулы изобретения. В зависимых пунктах охарактеризованы предпочтительные примеры выполнения системы питания по изобретению.
Согласно способу по изобретению для обеспечения питания электрического выключателя выключатель включен в линию тока между источником переменного тока, предпочтительно сетью переменного тока, и нагрузкой для прерывания или подачи на нее энергии, при этом выключатель также соединен последовательно с первичной цепью трансформатора, так что электроэнергия, необходимая для управляющего блока выключателя и, возможно, для самого выключателя, отбирается в обход выключателя при его нахождении в выключенном положении и от вторичной цепи трансформатора через выпрямитель при нахождении выключателя во включенном положении, когда энергия подается на нагрузку. Согласно изобретению трансформатор выполнен с возможностью функционирования таким образом, что он насыщается на каждом полуцикле тока сети, а пики насыщения вторичного напряжения вторичной цепи трансформатора выпрямляются для получения энергии постоянного тока при нахождении выключателя во включенном положении.
Преимущество изобретения заключается в том, что трансформатор, работающий в режиме насыщения, может быть выполнен с небольшими размерами. Число витков трансформатора может быть небольшим, в особенности число витков первичной обмотки. В этом случае размеры трансформатора также значительно меньше размеров обычно используемых трансформаторов. Это особенно важно в тех случаях, когда электрический выключатель, трансформатор и вспомогательный управляющий блок должны быть установлены в небольшом пространстве, в частности, в коробке системы электропроводки.
Другое преимущество изобретения состоит в том, что один трансформатор может быть использован для широкого диапазона нагрузок, такого как 25 Вт – 3,7 кВт. В этом случае токи нагрузки могут составлять от 100 мА до 16 А.
Краткое описание чертежей
Далее со ссылками на прилагаемые чертежи будут подробно описаны примеры осуществления изобретения. На чертежах:
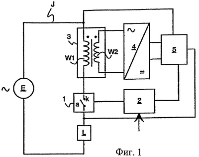
фиг.1 изображает принципиальную схему электрического выключателя с питанием, осуществляемым в соответствии с изобретением,
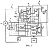
фиг.2 изображает принципиальную схему электрического выключателя в другом примере выполнения с питанием, осуществляемым в соответствии с изобретением,
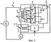
фиг.3 изображает схему практического осуществления питания электрического выключателя,
фиг.4А и 4В изображают диаграммы вторичных напряжений трансформатора для двух различных нагрузок.
Для обозначения аналогичных элементов на чертежах использованы одинаковые позиции.
Осуществление изобретения
Изобретение относится к источнику питания для электроуправляемого выключателя 1, такого как электромеханический выключатель и/или полупроводниковый выключатель, через который проходит только один электропровод.
Как показано на фиг.1 и 2, электрический выключатель 1 включен в линию тока, например, электропровод J, между источником Е переменного тока, предпочтительно однофазной сети переменного тока, и нагрузкой L. С помощью электрического выключателя 1 питание нагрузки L от источника Е прерывается и, соответственно, подается, в зависимости от того, находится ли выключатель в выключенном положении а или включенном положении k. Электрический выключатель 1 устанавливается в выключенное или включенное положения с помощью управляющего блока 2. Предпочтительно, чтобы на управляющий блок 2 поступала внешняя функциональная команда (показана стрелками на фиг.1 и 2).
Система питания для электрического выключателя 1 содержит трансформатор 3 тока, выпрямитель 4 и источник 5 постоянного тока. Первичная цепь W1 трансформатора 3 соединена последовательно с электрическим выключателем 1. Питание, потребляемое электрическим выключателем 1 и управляющим блоком 2, обеспечивается источником 5 постоянного тока в обход электрического выключателя 1, когда он находится в выключенном положении а, а сетевой источник питания отключен, и от вторичной цепи W2 трансформатора 3 через выпрямитель 4, когда выключатель находится во включенном положении k, а переменный ток от источника Е переменного тока подается на нагрузку L.
Согласно изобретению при функционировании трансформатора 3 его насыщение происходит на каждом полуцикле тока сети.
В идеальном трансформаторе отношение величин тока в первичной и вторичной цепях обратно пропорционально отношению числа витков первичной и вторичной обмоток или цепей. На практике величина тока намагничивания создает разницу в этих отношениях. Для того чтобы по возможности точно выдерживать отношение токов в первичной и вторичной цепях, должно сводиться к минимуму искажение от тока намагничивания, то есть величина тока намагничивания должна быть как можно меньшей. Чем больше индуктивность намагничивания, тем меньше ток намагничивания. Величина индуктивности намагничивания зависит от числа витков обмотки, размеров трансформатора и материала сердечника. В конструкциях стандартных трансформаторов величина тока намагничивания не превышает 3% от измеряемого рабочего тока.
В обычном трансформаторе величина вторичного напряжения U не превышает величины порогового напряжения Uk=1 В, поскольку высокое вторичное напряжение повышает величину тока I намагничивания:
Uk=L×(di/di) di=(dt×U)/L, где
L – индуктивность трансформатора.
По этой причине вторичная обмотка трансформатора соединена с нагрузочным резистором, имеющим низкое сопротивление, так что с помощью этого резистора величина вторичного напряжения U ограничивается до требуемой величины.
Как уже было упомянуто, в источнике питания по изобретению обеспечивается насыщение трансформатора 3. В этом случае вторичные напряжения U не ограничиваются, как в известном трансформаторе, а число слоев обмотки выбирается низким. Оба этих обстоятельства повышают величину тока намагничивания настолько, что трансформатор насыщается.
В качестве материала сердечника трансформатора 3 выбирают материал с высоким коэффициентом магнитной проницаемости Р. К таким материалам относятся, среди прочих, чистое железо (Р=180000) и некоторые сплавы железа с никелем, такие как пермаллой (Р=100000). Одним из имеющихся на рынке материалов, пригодных в качестве материала для сердечника трансформатора, является материал марки NANOPERM . Плотность потока насыщения этого материала составляет 1,2 Т, а максимальная магнитная проницаемость – 80000. Число витков в первичной обмотке W1 трансформатора 3 равно или меньше 10. Кроме того, сечение провода первичной обмотки выбирается равным по меньшей мере 0,75 мм2, чтобы обеспечить возможность работы трансформатора с сильными токами, порядка 10 А. Число витков во вторичной обмотке W2 трансформатора 3 выбирается равным или больше 200. Предпочтительно также выполнение сердечника трансформатора в виде тороидального кольца.
В качестве примера ниже приведен расчет максимальной величины синусоидального вторичного напряжения U на вторичной обмотке W2, при котором трансформатор 3 не насыщается.
Максимальное потокосцепление трансформатора равно:
max=N×AC×BS,
где
| N – число витков в обмотке |
300 |
| АC – площадь поперечного сечения тороидального кольца |
0,24×10-6 м2 |
| BS – плотность потока насыщения материала тороидального |
1,2 Т |
Сердечника
max 8,64×10-3 B·c.
С другой стороны, максимальное потокосцепление может быть вычислено также из интеграла синусоидального вторичного напряжения:
где
Umax – пиковая величина вторичного напряжения и
– угловая частота 2 f.
В данном случае получаемая величина максимального потокосцепления должна быть равна max, то есть
2×Umax/ = max Umax= max f=8,64×10-3B·c×3,14×50 Гц 1,36 В
Как видно на фиг.4А и 4В, которые будут описаны далее, при минимальной нагрузке трансформатора 3 пиковая величина вторичного напряжения составляет по меньшей мере 9 В, что явно выше, чем полученная расчетная максимальная величина 1,36 В синусоидального вторичного напряжения. Следовательно, трансформатор 3 насыщается при данных исходных величинах.
Другой пример системы питания для электрического выключателя 1 показан на фиг.2. В этом случае электрический выключатель 1 содержит в качестве переключающего элемента релейный выключатель 11, возможно, бистабильный релейный выключатель. Для бистабильного релейного выключателя электропитание требуется только при изменении его состояния из проводящего на непроводящее и наоборот, так что он экономичен в отношении энергопотребления. В данном примере выполнения вторичная обмотка W2 трансформатора 3 содержит две последовательные обмотки W2a, W2b. В системе предусмотрено два выпрямителя 4а, 4b, предпочтительно двухполупериодных выпрямителя. Вход первого выпрямителя 4а соединен с концами только первой обмотки W2a, а вход второго выпрямителя 4b соединен с концами как первой, так и второй вторичной обмоток W2a, W2b. Источник 5 постоянного тока содержит два конденсатора С1, С2, при этом первый конденсатор С1 соединен с выходом первого выпрямителя 4а, а второй конденсатор С2 соединен с выходом второго выпрямителя 4b.
Источник Е переменного тока, такого как однофазный ток сети, подключен через релейный выключатель 11 электрического выключателя к нагрузке L и занулен через нагрузку с образованием цепи, которая может быть замкнута или разомкнута посредством релейного выключателя. Когда релейный выключатель 11 электрического выключателя находится в выключенном положении, то есть он не проводит ток, имеет место высокий импеданс. В этом положении электрическая энергия для функционирования компонентов электрического выключателя генерируется низким током, проходящим через нагрузку L. Для этой цели источник 5 постоянного тока содержит понижающую цепь 51, которая соединена с релейным выключателем 11 и первичной обмоткой W1 трансформатора 3. В понижающей цепи 51 основное напряжение Е сети преобразуется в соответствующее низкое функциональное напряжение, обеспечивающее заряд конденсаторов С1 и С2. От конденсатора С1 мощность подается на управляющий блок 2 электрического выключателя. В конденсаторе С2 аккумулируется энергия, необходимая для изменения состояния релейного выключателя 11. Когда релейный выключатель 11 находится в стабильном состоянии, конденсатор С2 заряжается только собственным очень низким начальным током утечки.
От управляющего блока 2 электрического выключателя команда на перевод релейного выключателя 11 во включенное положение, то есть в проводящее состояние, подается соответствующим управляющим импульсом. Управляющий блок 2, в свою очередь, управляется, например, с помощью внешнего датчика, такого как пассивный инфракрасный датчик PIR, или таймера. В проводящем состоянии релейный выключатель 11 имеет низкое сопротивление. При включении релейного выключателя 11 ток нагрузки начинает проходить через релейный выключатель 11, и напряжение на электрическом выключателе падает практически до нуля. Напряжение на конденсаторе С2 понижается по сравнению с более ранним значением, так как релейный выключатель 11 потребляет энергию. Напряжение на конденсаторе С1 начинает падать, так как управляющий блок 2 заряжает его непрерывно. Одновременно с началом пропускания тока через релейный выключатель начинает функционировать трансформатор 3. Поскольку вторичные обмотки W2a и W2b трансформатора 3 соединены последовательно, напряжение на конденсаторе С2 устанавливается по существу на уровне суммы напряжений, получаемых от вторичных обмоток (за вычетом потерь напряжения в двухполупериодном выпрямителе 4b). Соответственно, напряжение на конденсаторе С1 устанавливается на уровне напряжения, получаемого от первой вторичной обмотки W2a (за вычетом потерь напряжения в двухполупериодном выпрямителе 4а). С течением времени достигается баланс напряжения, когда ток утечки конденсатора С2 равен току зарядки от трансформатора 3. При этом напряжение на конденсаторе С2 остается достаточно высоким, чтобы обеспечить возможность перевода релейного выключателя 11 электрического выключателя в выключенное положение. Напряжение на конденсаторе С1 остается на уровне, достаточном для поддержания работы электрического выключателя.
Следующая команда на перевод релейного выключателя 11 в выключенное положение подается от управляющего блока в виде соответствующего управляющего импульса. При этом управляющий блок 2, в свою очередь, управляется от внешнего устройства, как было указано выше. Прохождение тока нагрузки отсекается. Теперь на электрическом выключателе снова напряжение сети. Напряжение на конденсаторе С2 может слегка снизиться, но конденсаторы начинают немедленно заряжаться через понижающую цепь 51. Напряжение на конденсаторе С1 поддерживается его зарядкой подобным образом.
Третий пример системы питания для электрического выключателя 1 показан на фиг.3. В этом случае электрический выключатель 1 содержит в качестве выключающего элемента релейный выключатель 11, а именно бистабильный релейный выключатель, и соединенный параллельно с ним двухходовой полупроводниковый выключатель 12 – в данном примере выполнения симистор. В остальном электрический выключатель по фиг.3 и источник его питания аналогичны электрическому выключателю и источнику питания по фиг.2. Полупроводниковый выключатель 12 выполнен таким образом, что проводит ток, когда контакты релейного выключателя 11 размыкаются и замыкаются, что предотвращает пичковый режим контактов релейного выключателя 11. С помощью полупроводникового выключателя 12 может также осуществляться так называемое нулевое переключение. Это означает, что электропитание нагрузки всегда включается и выключается на нулевой точке напряжения сети. Преимущество данного решения состоит в том, что оно дает возможность переключать и управлять с помощью электрического выключателя всеми типами нагрузки: активной, емкостной и индуктивной нагрузкой.
В принципе электрический выключатель и источник его питания по фиг.3 действуют так же, как и в примере выполнения по фиг.2, поэтому описание их работы может быть заменено ссылкой на приведенное выше описание. Электрический выключатель по фиг.3 показан для иллюстрации нескольких предпочтительных примеров выполнения соединительных цепей для конденсаторов С1, С2 и для понижающей цепи 51. Управляющий блок 2 также показан в виде двух контуров: собственно управляющий блок 2а и блок 2b питания выключающих компонентов 11, 12. В этом примере выполнения управляющий блок также управляется сигналами, получаемыми от пассивного инфракрасного датчика PIR.
Понижающая цепь 51 содержит третий конденсатор С3, резистор R1 и стабилитрон Z1. Соединительные цепи первого и второго конденсаторов С1, С2 содержат, соответственно, первый и второй диоды D1, D2. Конденсаторы С1, С2 подключены к выходам соответствующих выпрямителей 4а, 4b. Диоды D1, D2 соединены в противоположных направлениях, а катодная клемма соединена с клеммой напряжения конденсатора С1, С2. Анодные клеммы диодов D1, D2 соединены друг с другом и катодной клеммой стабилитрона Z1, которая, в свою очередь, соединена последовательно через резистор и третий конденсатор С3 с нагрузкой L и выключателем 11. Анодная клемма стабилитрона Z1 соединена с источником переменного напряжения, то есть с опережением по фазе. Клемма напряжения первого конденсатора 1 соединена с управляющим блоком 2, в частности, с собственно управляющим блоком 2а, для обеспечения его питания. Клемма напряжения второго конденсатора С2 также соединена с управляющим блоком 2, в частности с блоком 2b питания.
Когда релейный выключатель 11 электрического выключателя 1 находится в выключенном положении, питание управляющего блока 2 обеспечивается нагрузкой L и конденсатором С3 понижающей цепи 51, резистором R1 и стабилитроном Z1. При этом конденсаторы С1 и С2 заряжаются до напряжения, ограниченного стабилитроном Z1 (за вычетом порогового напряжения диодов D1 и D2).
Когда от управляющего блока электрического выключателя 1 подается управляющая команда на перевод релейного выключателя 11 во включенное положение, управляющий блок 2 вначале посылает управляющий импульс (длительностью около 40 мс) на полупроводниковый выключатель 12, а несколько позже (примерно через 10 мс) – на релейный выключатель 11. При этом ток нагрузки начинает проходить через выключатели 11, 12.
Когда от управляющего блока электрического выключателя 1 подается управляющая команда на перевод релейного выключателя 11 в выключенное положение, управляющий блок 2 вначале посылает управляющий импульс (длительностью около 40 мс) на полупроводниковый выключатель 12, и несколько позже (примерно через 10 мс) релейный выключатель 11 устанавливается в выключенное положение. При этом прохождение тока нагрузки прерывается, и на электрическом выключателе 1 снова имеет место напряжение сети. Зарядка конденсатора С3 начинается через конденсатор С3 и резистор R1 понижающей цепи 51, пока стабилитрон Z1 не ограничит повышение напряжения. Напряжение на конденсаторе С1 растет до того же напряжения сети.
Число витков в первичной обмотке трансформатора 3 составляет порядка 10 витков или даже меньше. Минимальное число витков в первой и второй вторичных обмотках W2a, W2b составляет порядка 200 витков, предпочтительно в пределах от 200 до 400 витков.
На фиг.4А показана диаграмма измеренных осциллографом импульсов вторичного напряжения трансформатора 3 электрического выключателя по фиг.3 при использовании нагрузки L в виде лампы накаливания мощностью 25 Вт. Первое вторичное напряжение U1 измерено на первой вторичной обмотке W2a. Второе вторичное напряжение U2 измерено на обеих вторичных обмотках W2a, W2b.
Согласно измерениям максимальные величины напряжения пика насыщения вторичных напряжений U1, U2 составляют соответственно 9 В и 14 В.
На фиг.4В показана диаграмма соответствующих вторичных напряжений U1, U2 при нагрузке в виде лампы накаливания мощностью 100 Вт. При более высоком токе нагрузки длительность пика КР насыщения вторичных напряжений U1, U2 сокращается, но уровень напряжения соответственно повышается. Теперь согласно измерениям максимальные величины напряжения пика КР насыщения вторичных напряжений U1, U2 составляют соответственно 18 В и 30 В.
В наиболее предпочтительном примере осуществления электрический выключатель 1 и система его питания предназначены для установки в стенной коробке, в особенности в коробке, которая установлена в гнезде стены и имеет ограниченное пространство для размещения элементов электрического выключателя. Трансформатор 3 электрического выключателя 1 намотан на тороидальном кольце с наружным диаметром 20 мм. Кольцевой сердечник изготовлен из материала NANOPERM (изготовитель – MAGNETEC GmbH). Ниже приведены числа витков обмоток трансформатора 3 и диаметр проволоки.
W1: 6 витков, изолированная проволока 0,75 мм2
W2a: 300 витков, медная проволока диаметром 0,18 мм
W2b: 200 витков, медная проволока диаметром 0,18 мм.
Проведенные испытания показали, что электрический выключатель работает без дефектов при требуемом токе нагрузки 100 мА – 10 А.
Для специалиста в данной области понятно, что при осуществлении изобретения возможны различные изменения и модификации, не выходящие за пределы объема охраны, который определен в формуле изобретения.
Формула изобретения
1. Способ обеспечения питания электрического выключателя (1), включенного в линию (J) тока между источником (Е) переменного тока, предпочтительно сетью переменного тока, и нагрузкой (L) для прерывания или подачи на нее энергии, при этом выключатель соединен последовательно с первичной цепью (W1) трансформатора (3), так что электроэнергия для управляющего блока (2) выключателя и, возможно, для самого выключателя отбирается в обход выключателя при его нахождении в выключенном положении (а) и от вторичной цепи (W2) трансформатора через выпрямитель (4) при нахождении выключателя во включенном положении (k), когда энергия подается на нагрузку (L), отличающийся тем, что при функционировании трансформатора (3) обеспечивают его насыщение на каждом полуцикле тока сети, а пики (КР) насыщения вторичного напряжения вторичной цепи (W2; W2a; W2b) трансформатора выпрямляют для получения энергии постоянного тока при нахождении выключателя во включенном положении (k).
2. Система питания для электрического выключателя (1), включенного в линию (J) тока между источником переменного тока и нагрузкой (L) для прерывания или подачи на нее энергии, при этом выключатель соединен последовательно с первичной цепью (W1) трансформатора (3), а электроэнергия для управляющего блока (2) выключателя и, возможно, для самого выключателя отбирается в обход выключателя при его нахождении в выключенном положении (а), когда подача энергии на нагрузку прервана, и от вторичной цепи (W2) трансформатора через выпрямитель (4) при нахождении выключателя во включенном положении (k), когда энергия подается на нагрузку (L), отличающаяся тем, что трансформатор (3) выполнен с возможностью функционирования таким образом, что он насыщается на каждом полуцикле тока сети, при этом пики (КР) насыщения вторичного напряжения вторичной цепи (W2; W2a; W2b) трансформатора вводятся в выпрямитель (4; 4а; 4b) для получения энергии постоянного тока при нахождении выключателя во включенном положении (k).
3. Система питания по п.2, отличающаяся тем, что сердечник трансформатора (3) выполнен в виде тороидального кольца.
4. Система питания по п.2 или 3, отличающаяся тем, что трансформатор (3) содержит две вторичные обмотки (W2a; W2b), через которые обеспечивается подача энергии, с одной стороны, на управляющий блок (2) электрического выключателя (1) и, с другой стороны, на сам выключатель (11, 12).
5. Система питания по п.2, отличающаяся тем, что сердечник трансформатора (3) выполнен из материала, имеющего высокую магнитную проницаемость.
6. Система питания по п.5, отличающаяся тем, что число витков первичной обмотки (W1) трансформатора (3) равно или меньше 10.
7. Система питания по п.6, отличающаяся тем, что сечение проволоки первичной обмотки (W1) трансформатора (3) составляет по меньшей мере 0,75 мм2.
8. Система питания по п.5, отличающаяся тем, что число витков вторичной обмотки (W2; W2a; W2b) трансформатора (3) больше или равно 200.
9. Система питания по одному из пп.5-8, отличающаяся тем, что трансформатор (3) содержит две вторичные обмотки (W2a; W2b), через которые обеспечивается подача энергии, с одной стороны, на управляющий блок (2) электрического выключателя (1) и, с другой стороны, на сам выключатель (11, 12).
10. Система питания по п.5, отличающаяся тем, что сердечник трансформатора (3) выполнен в виде тороидального кольца.
11. Система питания по п.10, отличающаяся тем, что число витков первичной обмотки (W1) трансформатора (3) равно или меньше 10.
12. Система питания по п.11, отличающаяся тем, что сечение проволоки первичной обмотки (W1) трансформатора (3) составляет по меньшей мере 0,75 мм2.
13. Система питания по п.10, отличающаяся тем, что число витков вторичной обмотки (W2; W2a; W2b) трансформатора (3) больше или равно 200.
14. Система питания по одному из пп.10-13, отличающаяся тем, что трансформатор (3) содержит две вторичные обмотки (W2a; W2b), через которые обеспечивается подача энергии, с одной стороны, на управляющий блок (2) электрического выключателя (1) и, с другой стороны, на сам выключатель (11, 12).
15. Система питания по п.5, отличающаяся тем, что материал сердечника трансформатора (3) представляет собой материал NANOPERM .
16. Система питания по п.15, отличающаяся тем, что число витков первичной обмотки (W1) трансформатора (3) равно или меньше 10.
17. Система питания по п.16, отличающаяся тем, что сечение проволоки первичной обмотки (W1) трансформатора (3) составляет по меньшей мере 0,75 мм2.
18. Система питания по п.15, отличающаяся тем, что сердечник трансформатора (3) выполнен в виде тороидального кольца.
19. Система питания по п.18, отличающаяся тем, что число витков первичной обмотки (W1) трансформатора (3) равно или меньше 10.
20. Система питания по п.19, отличающаяся тем, что сечение проволоки первичной обмотки (W1) трансформатора (3) составляет по меньшей мере 0,75 мм2.
21. Система питания по п.15, отличающаяся тем, что число витков вторичной обмотки (W2; W2a; W2b) трансформатора (3) больше или равно 200.
22. Система питания по одному из пп.18-21, отличающаяся тем, что трансформатор (3) содержит две вторичные обмотки (W2a; W2b), через которые обеспечивается подача энергии, с одной стороны, на управляющий блок (2) электрического выключателя (1) и, с другой стороны, на сам выключатель (11, 12).
РИСУНКИ
|
|