|
|
(21), (22) Заявка: 2006116812/28, 16.05.2006
(24) Дата начала отсчета срока действия патента:
16.05.2006
(46) Опубликовано: 27.01.2008
(56) Список документов, цитированных в отчете о поиске:
RU 97103839 A, 27.03.1999. RU 2110783 C1, 10.05.1998. RU 2194973 C2, 20.12.2002. RU 2259549 C1, 27.08.2005.
Адрес для переписки:
346428, Ростовская обл., г. Новочеркасск, ГСП-1, ул. Просвещения, 132, ГОУ ВПО ЮРГТУ (НПИ), ОИС
|
(72) Автор(ы):
Кукоз Федор Иванович (RU), Хулла Владимир Дмитриевич (RU), Хулла Марина Владимировна (RU)
(73) Патентообладатель(и):
Государственное образовательное учреждение высшего профессионального образования “Южно-Российский государственный технический университет (Новочеркасский политехнический институт)” ГОУ ВПО ЮРГТУ (НПИ) (RU)
|
(54) СПОСОБ ОЦЕНКИ ТЕХНИЧЕСКОГО СОСТОЯНИЯ МАШИН И МЕХАНИЗМОВ
(57) Реферат:
Изобретение может быть использовано для анализа соотношения количества частиц износа с разными массами в машинах и механизмах, использующих технологические жидкости. При осуществлении способа жидкость направляют по криволинейной траектории. Соотношение частиц износа по массе определяют путем измерения отношения диэлектрических проницаемостей жидкости с более массивными и жидкости с менее массивными частицами износа путем измерения электрической емкости датчиков, установленных в жидкостной магистрали. Контролируют отношение емкостей конденсаторов, расположенных в потоке жидкости на различных расстояниях от центра кривизны траектории жидкости. Оценку технического состояния машины осуществляют путем определения величин и скорости отклонения отношения электрических емкостей от эталонных, полученных для неработавшей и максимально загрязненной жидкости при условии наиболее эффективной работы жидкостной системы. 2 ил.
Изобретение относится к технической диагностике механизмов и машин, работающих с различными жидкостными системами, и может быть использовано для фракционного анализа частиц износа в работающих жидкостях.
Известен «Способ контроля износа узлов трения» (Пат. RU № 2082150, опубл. 20.06.1997 г.), в котором в жидкой смазке с частицами износа размещают измерительный преобразователь, воздействуют на нее электрическим полем и перемешивают. С момента прекращения перемешивания в течение времени оседания частиц износа измеряют информативный параметр, фиксируя в течение этого времени изменение его величины. По характеру информативного параметра судят о дисперсном составе частиц износа. Измерительный преобразователь может быть помещен в верхней или в нижней части жидкой смазки, а дисперсный состав частиц износа, при этом определяют по снижению или по росту величины информативного параметра соответственно. Определяют также концентрацию частиц износа в жидкой смазке. Износ узлов трения контролируют с учетом дисперсного состава и концентрации частиц износа в жидкой смазке.
Недостатком способа является сложность, неоперативность, невозможность использования мобильными машинами и механизмами.
Наиболее близким к предлагаемому является «Способ оценки технического состояния двигателя внутреннего сгорания» (Пат. RU №97103839, опуб. 27.03.1999 г.), заключающийся в том, что при работе двигателя измеряют показатели состояния диагностируемых систем двигателя, определяют их изменения сравнительно с исходными, полученными при условии наиболее эффективной работы маслоочистителя, проводят вычисления и по результатам оценивают техническое состояние двигателя, причем в качестве показателей принимают параметры амплитудных и фазовых частотных характеристик, получаемых в заданном диапазоне частот путем разложения в гармонический ряд несинусоидальных периодических сигналов на входе и выходе масляного фильтра, отличающийся тем, что с целью повышения эффективности процесса диагностирования одновременно проводят измерение величины диэлектрической проницаемости смазочного масла путем измерения электрической емкости датчика, установленного в масляной магистрали, контролируют отклонение величины емкости датчика от эталонных значений, полученных для неработавшего и максимально загрязненного масла, а оценку технического состояния и остаточного ресурса двигателя осуществляют путем определения величин и скорости отклонения параметров амплитудных и фазовых частотных характеристик и электрической емкости датчика от эталонных, полученных при условии наиболее эффективной работы системы смазки.
Недостатком этого способа является невозможность получения информации о соотношении в жидкости частиц примесей с разной массой. Между тем, соотношение концентраций частиц износа с разной массой в технологических жидкостях связано с техническим состоянием трибозлов машин или механизмов, использующих эту жидкость. Например, предаварийные и аварийные состояния узлов трения машин, омываемых технологическими жидкостями, ведут к повышению концентрации массивных частиц износа по отношению к частицам износа с малой массой.
Задачей изобретения является повышение точности и оперативности оценки технического состояния машин и механизмов, использующих технологические жидкости, путем получения информации о соотношении в жидкости примесей – частиц износа с разными массами.
Решение задачи заключается в следующем. Способ оценки технического состояния машин и механизмов, использующих технологические жидкости, заключается в измерении величины диэлектрической проницаемости технологической жидкости путем измерения электрической емкости датчика, установленного в жидкостной магистрали, контроле отклонения величины емкости датчика от эталонных значений, полученных для неработавшей и максимально загрязненной жидкости, оценке технического состояния и остаточного ресурса двигателя, причем жидкость направляют по криволинейной траектории, соотношение частиц износа по массе определяют путем измерения отношения диэлектрических проницаемостей жидкости с более массивными и жидкости с менее массивными частицами примеси, контролируя отношение емкостей конденсаторов, расположенных в потоке жидкости на различных расстояниях от центра кривизны траектории жидкости, а оценку технического состояния машины осуществляют путем определения величин и скорости отклонения отношения электрических емкостей от эталонных, полученных при условии наиболее эффективной работы жидкостной системы.
Возникающие в криволинейном потоке центробежные силы выталкивают более массивные частицы примесей к внешнему радиусу потока, а менее массивные остаются у внутреннего. В результате диэлектрическая проницаемость жидкости по сечению потока меняется, вдоль радиуса кривизны. Это изменение может быть измерено путем измерения, емкостей конденсаторов, установленных по сечению потока, например, у внешнего и внутреннего радиусов потока. Отношение емкостей этих конденсаторов связано с отношением крупных и мелких (по массе) частиц примеси в потоке жидкости.
Способ оперативен и может быть применен на мобильных машинах и механизмах.
Пример осуществления способа поясняется на фиг.1.
Жидкость 4 направляют по криволинейной траектории, используя криволинейный трубопровод 1. В движущейся по криволинейной траектории жидкости 4 за счет действия центробежных сил частицы примеси с разной массой, увлекаемые жидкостью, движутся по траекториям разного радиуса (подобно движению в центрифуге). Более массивные частицы перемещаются к внешнему радиусу трубопровода, менее массивные остаются у внутреннего радиуса. В результате диэлектрическая проницаемость жидкости по сечению потока изменяется вдоль радиуса кривизны потока. Это изменение контролируется конденсаторами 2, установленными по сечению трубопровода, емкость которых изменяется соответственно концентрации частиц, проходящих вместе с жидкостью между обкладками. Измерение емкостей конденсаторов осуществляется через их выводы 3.
Предварительно, когда машина остановлена, движения жидкости в трубопроводе нет, и частицы с разными массами имеют хаотическое распределение в жидкости, измеряется отношение емкостей конденсаторов. После начала движения жидкости 4 происходит перераспределение частиц и емкость конденсаторов 2 изменяется. По отношению емкостей конденсаторов и судят о соотношении в потоке жидкости числа частиц примеси с разной массой.
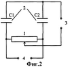
Количество конденсаторов, расположенных по сечению трубопровода, определяется необходимостью выявления доли частиц с той или иной массой. Например, для выяснения соотношения самых легких и самых тяжелых частиц примесей достаточно двух конденсаторов, расположенных у внутреннего и внешнего радиусов трубопровода и анализа, например, относительного изменения их емкостей. Для получения электрического сигнала, пропорционального отношению в жидкости числа частиц примесей с разной массой, может быть использована мостовая схема на фиг.2.
Конденсаторы 2 (С1 и С2) включаются в мостовую схему, которая балансируется при условии, что циркуляция жидкости остановлена и жидкость неподвижна. В этот момент частицы износа с разными массами распределены в жидкости хаотично, поэтому диэлектрическая проницаемость жидкостей в обоих конденсаторах примерно одинаковая Под балансировкой понимается начальная установка нулевого напряжения на выходных контактах 3 при помощи переменного резистора 1. Мост питается переменным напряжением через контакты 4. При работе машины жидкость приходит в движение (движение смазочною масла в масляной магистрали, движение охлаждающей жидкости в контуре охлаждения и т.п.).
В результате емкости конденсаторов в ходе эксплуатации машины изменяются на различную величину и мост разбалансируется. Величина напряжения разбаланса пропорциональна отношению концентраций в жидкости частиц с меньшей и большей массами, и может быть использована для оценки технического состояния узлов машины, омываемых данной рабочей жидкостью.
Формула изобретения
Способ оценки технического состояния машин и механизмов, использующих технологические жидкости, заключающийся в измерении величины диэлектрической проницаемости технологической жидкости путем измерения электрической емкости датчика, установленного в жидкостной магистрали, контроле отклонения величины емкости датчика от эталонных значений, полученных для неработавшей и максимально загрязненной жидкости, оценке технического состояния и остаточного ресурса двигателя, отличающийся тем, что жидкость направляют по криволинейной траектории, соотношение частиц износа по массе определяют путем измерения отношения диэлектрических проницаемостей жидкости с более массивными и жидкости с менее массивными частицами примеси, контролируя отношение емкостей конденсаторов, расположенных в потоке жидкости на различных расстояниях от центра кривизны траектории жидкости, а оценку технического состояния машины осуществляют путем определения величин и скорости отклонения отношения электрических емкостей от эталонных, полученных при условии наиболее эффективной работы жидкостной системы.
РИСУНКИ
MM4A – Досрочное прекращение действия патента СССР или патента Российской Федерации на изобретение из-за неуплаты в установленный срок пошлины за поддержание патента в силе
Дата прекращения действия патента: 17.05.2008
Извещение опубликовано: 10.06.2010 БИ: 16/2010
|
|