|
|
(21), (22) Заявка: 2006122036/03, 21.06.2006
(24) Дата начала отсчета срока действия патента:
21.06.2006
(46) Опубликовано: 27.01.2008
(56) Список документов, цитированных в отчете о поиске:
SU 207379 A1, 01.01.1968. RU 2095581 C1, 10.11.1997. RU 2266479 C1, 20.12.2005. RU 2155302 C1, 27.08.2000. RU 2163703 C1, 27.02.1982. SU 1815519 A1, 15.05.1993. US 4365742 A, 28.12.1982.
Адрес для переписки:
125009, Москва, Средний Кисловский пер., 7/10, кв.26, А.С. Попову
|
(72) Автор(ы):
Колпаков Виктор Иванович (RU), Колпаков Александр Викторович (RU)
(73) Патентообладатель(и):
Колпаков Виктор Иванович (RU), Колпаков Александр Викторович (RU)
|
(54) СИСТЕМА ТЕПЛОСНАБЖЕНИЯ
(57) Реферат:
Изобретение относится к области теплоэнергетики и может быть использовано в комбинированных системах теплоэлектроснабжения для повышения эффективности утилизации тепловых отходов и источников низкопотенциального тепла. Технический результат: повышение эффективности использования утилизируемых тепловых отходов и источников низкопотенциального тепла. Система теплоснабжения содержит соединенные трубопроводами источник низкопотенциального тепла, пиковый котел, тепловой насос, приборы системы отопления и водоподогреватель системы горячего водоснабжения и теплообменники-утилизаторы тепла мини-ТЭС, включенные в промежуточный контур циркуляции с промежуточным теплообменником замкнутого контура теплоснабжения, образованного последовательно включенными конденсатором теплового насоса, промежуточным теплообменником по линии нагреваемого теплоносителя, пиковым котлом и приборами системы отопления с водоподогрсвателем системы горячего водоснабжения, при этом испаритель теплового насоса присоединен к источнику низкопотенциального тепла. Кроме того, система теплоснабжения содержит дополнительный замкнутый контур теплоснабжения, образованный водоподогревателем системы горячего водоснабжения, подогревателем источника низкопотенциального тепла и дополнительным промежуточным теплообменником, подключенным по линии греющего теплоносителя к промежуточному контуру циркуляции, при этом подогреватель источника низкопотенциального тепла по линии нагреваемого теплоносителя включен в контур циркуляции с воздушным охладителем системы кондиционирования и источником низкопотенциального тепла. 2 з.п. ф-лы, 1 ил.
Изобретение относится к области теплоэнергетики и может быть использовано в комбинированных системах теплоэлектроснабжения для повышения эффективности утилизации тепловых отходов и источников низкопотенциального тепла.
Из уровня техники известна система теплоснабжения, подключенная к тепловой электростанции через теплообменники-утилизаторы тепла, соединенные трубопроводами с приборами системы отопления контура теплоснабжения потребителя теплоты (Теплотехническое оборудование и теплоснабжение промышленных предприятий. Под ред. Б.Н.Голубкова – М.: Энергия, 1979, с.241-244, 342). Основной недостаток известного решения заключается в невысокой эффективности использования утилизируемых тепловых отходов из-за несоответствия графиков отпуска и потребления теплоты.
Известна также система теплоснабжения, включающая соединенные трубопроводами источник низкопотенциального тепла, пиковый котел, тепловой насос, приборы системы отопления и контур горячего водоснабжения (SU 207379 A1, F24D 11/02, 1967). К недостатку известной системы можно отнести необходимость использования в качестве источника низкопотенциального тепла горячую геотермальную воду, что ограничивает ее функциональные возможности.
Изобретение направлено на повышение эффективности использования утилизируемых тепловых отходов и источников низкопотенциального тепла.
Решение поставленной задачи обеспечивается тем, что система теплоснабжения, включающая соединенные трубопроводами источник низкопотенциального тепла, пиковый котел, тепловой насос, приборы системы отопления и водоподогреватель системы горячего водоснабжения, согласно изобретению дополнительно содержит теплообменники-утилизаторы тепла мини-ТЭС, включенные в промежуточный контур циркуляции с промежуточным теплообменником замкнутого контура теплоснабжения, образованного последовательно включенными конденсатором теплового насоса, промежуточным теплообменником по линии нагреваемого теплоносителя, пиковым котлом и приборами системы отопления с водоподогреватслем горячего водоснабжения, при этом испаритель теплового насоса присоединен к источнику низкопотенциального тепла.
При этом система теплоснабжения дополнительно включает воздушный охладитель системы кондиционирования, подключенный параллельно испарителю теплового насоса.
Кроме того, система теплоснабжения содержит дополнительный замкнутый контур теплоснабжения, образованный водоподогревателем системы горячего водоснабжения, подогревателем источника низкопотенциального тепла и дополнительным промежуточном теплообменником, подключенным по линии греющего теплоносителя к промежуточному контуру циркуляции, при этом подогреватель источника низкопотенциального тепла по линии нагреваемого теплоносителя включен в контур циркуляции с воздушным охладителем системы кондиционирования и источником низкопотенциального тепла.
Использование в теплообменниках – утилазаторах в качестве вторичных энергоресурсов различных тепловых отходов, преимущественно теплоты масло-, водо- и воздухоохладителей, теплоты отходящих, выхлопных газов и т.п., и наличие в контуре теплоснабжения пикового котла и теплового насоса, отбирающего тепло от низкопотенциального источника по заявленной схеме включения, существенно повышает эффективность и экономичность комбинированной системы теплоснабжения, снижает расход топлива, улучшает тепловой баланс и приводит в соответствие (выравнивает) графики отпуска и потребления теплоты.
Кроме того, наличие дополнительного замкнутого контура теплоснабжения, с которым по линии нагреваемого теплоносителя подогревателя источника низкопотенциального тепла через контур циркуляции, включающий воздушный охладитель системы кондиционирования, связан источник низкопотенциального тепла, обеспечивает экономию энергии в летний период при отключении теплового насоса и пикового котла и возможность аккумулирования теплоты источником низкопотенциального тепла для использования в зимний отопительный период.
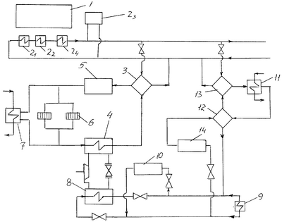
На чертеже схематично представлен общий вид комбинированной системы теплоэлектроснабжения.
Система теплоснабжения содержит подключенные к тепловой электростанции 1, преимущественно мини-ТЭС, теплообменники-утилизаторы 2 тепла, которые включены в промежуточный контур циркуляции с промежуточным теплообменником 3 замкнутого контура теплоснабжения, образованного последовательно расположенными конденсатором 4 теплового насоса, промежуточным теплообменником 3 по линии нагреваемого теплоносителя, пиковым котлом 5 и потребителями теплоты с приборами 6 системы отопления и водоподогревателем 7 системы горячего водоснабжения. Испаритель 8 теплового насоса присоединен к источнику низкопотенциального тепла по замкнутой схеме посредством трубопроводов с циркулирующим теплоносителем, связанных с теплообменником 9, расположенным в грунтовом массиве или в открытом водоеме, или к системе оборотного водоснабжения охлаждения промышленного оборудования. Кроме того, если в качестве источника низкопотенциального тепла используют грунтовые воды, воды открытых водоемов, воды очистных сооружений, окружающий воздух, вентиляционный воздух, то их подводят по открытой – разомкнутой схеме непосредственно к испарителю 8 (на чертеже не показано). Параллельно испарителю 8 теплового насоса может быть дополнительно подключен воздушный охладитель 10 (фанкойл) системы кондиционирования.
При наличии нескольких различных потребителей теплоты комбинированная система теплоэлектроснабжения может содержать несколько замкнутых контуров теплоснабжения (на чертеже не показано), подключенных к промежуточному контуру циркуляции посредством своих промежуточных теплообменников 3, для каждого потребителя.
В качестве тепловой электростанции 1 могут быть использованы паротурбинные мини-ТЭС, газотурбинные мини-ТЭС, мини-ТЭС с двигателями внутреннего сгорания, снабженные теплообменниками- утилазаторами 2 теплоты масло-, водо- и воздухоохладителей, теплоты отходящих, выхлопных газов (21, 22, 23, 24).
Кроме того, система теплоснабжения содержит дополнительный замкнутый контур теплоснабжения, образованный водоподогревателем 11 системы горячего водоснабжения, подогревателем 12 источника низкопотенциального тепла и дополнительным промежуточном теплообменником 13, подключенным по линии греющего теплоносителя к промежуточному контуру циркуляции, при этом подогреватель 12 источника низкопотенциального тепла по линии нагреваемого теплоносителя включен в контур циркуляции с воздушным охладителем 14 системы кондиционирования и источником низкопотенциального тепла – теплообменником 9.
Система теплоснабжения работает следующим образом.
В отопительный период при совместной работе теплового насоса и пикового котла 5 тепловой насос отбирает теплоту, поступающую в испаритель 8 от источника низкопотенциального тепла (теплообменника 9), и отдает теплоту в конденсаторе 4 теплоносителю замкнутого контура теплоснабжения, который последовательно подогревается в промежуточном теплообменнике 3, включенном по линии греющего теплоносителя в промежуточный контур циркуляции с теплообменниками-утилизаторами 2 (21, 22, 23, 24), и в пиковым котле 5 и поступает к потребителям теплоты в отопительные приборы 6 системы отопления и водоподогреватели 7 системы горячего водоснабжения. При работе в помещении системы кондиционирования к испарителю 8 теплового насоса может дополнительно подводиться теплота, отбираемая от воздушного охладителя 10 (фанкойла) системы кондиционирования.
Наличие пикового котла 5 с изменяемой, регулируемой теплопроизводительностью при постоянной, неизменяемой теплопроизводительности теплового насоса и теплообменников-утилизаторов 2 (21, 22, 23, 24), работающих при постоянной температуре тепловых отходов, обеспечивает регулирование отпуска теплоты потребителям и поддержание режимных графиков температур и расхода воды на заданном уровне при изменении температуры наружного воздуха.
В летний период, когда потребителем теплоты является только система горячего водоснабжения, основной 3 замкнутый контур теплоснабжения, образованный тепловым насосом и пиковым котлом 5, отключают (тепловой насос и пиковый котел 5 не работают), а включают дополнительный замкнутый контур теплоснабжения, образованный дополнительным промежуточном теплообменником 13, подключенным по линии греющего теплоносителя к промежуточному контуру циркуляции, водоподогревателем 11 системы горячего водоснабжения и подогревателем 12 источника низкопотенциального тепла, что обеспечивает экономию энергии в летний период. При этом подогреватель 12 источника низкопотенциального тепла по линии нагреваемого теплоносителя включен в контур циркуляции с воздушным охладителем 14 системы кондиционирования и источником низкопотенциального тепла – теплообменником 9, что при размещении теплообменника 9 в грунтовом массиве или в открытом водоеме обеспечивает возможность аккумулирования утилизируемой теплоты масло-, водо- и воздухоохладителей, теплоты отходящих, выхлопных газов (21, 22, 23, 24) мини-ТЭС 1 и теплоты, отбираемой в воздушных охладителях 14 системы кондиционирования, источником низкопотенциального тепла для последующего использования в зимний отопительный период.
Формула изобретения
1. Система теплоснабжения, включающая соединенные трубопроводами источник низкопотенциального тепла, пиковый котел, тепловой насос, приборы системы отопления и водоподогреватель системы горячего водоснабжения, отличающаяся тем, что дополнительно содержит теплообменники – утилизаторы тепла мини-ТЭС, включенные в промежуточный контур циркуляции с промежуточным теплообменником замкнутого контура теплоснабжения, образованного последовательно включенными конденсатором теплового насоса, промежуточным теплообменником по линии нагреваемого теплоносителя, пиковым котлом и приборами системы отопления с водоподогревателем системы горячего водоснабжения, при этом испаритель теплового насоса присоединен к источнику низкопотенциального тепла.
2. Система теплоснабжения по п.1, отличающаяся тем, дополнительно включает воздушный охладитель системы кондиционирования, подключенный параллельно испарителю теплового насоса.
3. Система теплоснабжения по п.1, отличающаяся тем, что содержит дополнительный замкнутый контур теплоснабжения, образованный водоподогревателем системы горячего водоснабжения, подогревателем источника низкопотенциального тепла и дополнительным промежуточном теплообменником, подключенным по линии греющего теплоносителя к промежуточному контуру циркуляции, при этом подогреватель источника низкопотенциального тепла по линии нагреваемого теплоносителя включен в контур циркуляции с воздушным охладителем системы кондиционирования и источником низкопотенциального тепла.
РИСУНКИ
|
|