|
|
(21), (22) Заявка: 2006146914/06, 28.12.2006
(24) Дата начала отсчета срока действия патента:
28.12.2006
(46) Опубликовано: 27.01.2008
(56) Список документов, цитированных в отчете о поиске:
RU 2221290 С2, 10.01.2004. RU 2283454 C1, 10.09.2006. RU 24590 U1, 10.08.2002. US 2005098035 A, 12.05.2005. US 2006117659 A, 08.06.2006.
Адрес для переписки:
117638, Москва, ул. Сивашская, 6-1-191, И.И. Петрову
|
(72) Автор(ы):
Горячев Игорь Витальевич (RU)
(73) Патентообладатель(и):
Горячев Игорь Витальевич (RU)
|
(54) СИСТЕМА ХРАНЕНИЯ И ПОДАЧИ ВОДОРОДА В СИЛОВУЮ УСТАНОВКУ АВТОМОБИЛЯ
(57) Реферат:
Изобретение относится к системам хранения и подачи газов, преимущественно водорода, в частности к аккумулированию и хранению водорода и использованию его в качестве топлива для автомобилей с двигателем внутреннего сгорания или электромобилей с электрохимическим генератором на основе топливных элементов. Система содержит топливный отсек с контейнерами и картриджами для водорода, коллектор, нагреватель, патрубки подачи и отвода водорода. Топливный отсек содержит группы гнезд, в которых размещены водородные картриджи с бортовым запасом водорода. Каждое гнездо соединено выпускным патрубком через электроуправляемый отсечной вентиль с коллектором водорода, на выходе каждого гнезда установлен датчик давления, а внутри каждого гнезда установлен датчик температуры. Нагреватель системы выполнен в виде СВЧ-излучателей и инфракрасных излучателей. Гнезда выполнены из композитного материала и снабжены люками из того же материала. По внешней поверхности корпус и люк защищены металлическим экраном. Внутри корпуса размещен установочный перфорированный кожух из радиопрозрачного материала. В промежутке между внешней поверхностью кожуха и внутренней поверхностью корпуса установлен СВЧ-излучатель с гермовводом для соединения с СВЧ-генератором, а в торцевой части каждого гнезда установлен инфракрасный излучатель с гермовводами для соединения с источником питания. Использование изобретения позволит снизить взрывоопасность, повысить удельное содержание водорода, автоматизировать высвобождение водорода из картриджей аккумуляторов и подачу его в силовую установку автомобиля при установленном рабочем давлении на любых режимах работы силовой установки, включая быстрый старт. 1 з.п. ф-лы, 2 ил.
Изобретение относится к средствам хранения и подачи газов, преимущественно водорода и его изотопов, в частности к области водородной энергетики – аккумулированию и хранению водорода, использованию водорода в качестве топлива для автомобилей с двигателем внутреннего сгорания или электромобилей с электрохимическим генератором на основе топливных элементов.
Известно устройство для хранения водорода в виде емкости, состоящей из герметичного корпуса, технологических патрубков, внутренней теплообменной поверхности и наполнителя-аккумулятора водорода, размещенного в корпусе, наполнитель-аккумулятор водорода представляет собой полые микросферы из токопроводящего высокопрочного материала. Аккумулирование водорода заключается в насыщении микросфер водородом путем диффузии, при этом помещают микросферы, являющиеся катодом, в водородосодержащую среду, насыщение микросфер проводят водородом, в ионной форме. Перевод водорода в ионную форму проводят электролизом в водных растворах. Перевод водорода в ионную форму можно проводить ионизацией, например, в электрическом разряде. Патент Российской Федерации № 2283453, МПК F17С 11/00, 2006 г.
Известна емкость для хранения водорода, состоящая из герметичного корпуса, коллектора подачи и выпуска водорода, нагревателя и наполнителя-аккумулятора водорода, выполненного из пористого материала. На часть внешней поверхности аккумулятора водорода, соединенной с коллектором, нанесен слой материала с высокой проницаемостью для водорода, или с низкой температурой плавления, или с низкой температурой деструкции, а нагреватель расположен на уровне вышеуказанного слоя. Патент Российской Федерации № 2283454, МПК F17С 11/00, 2006 г.
Известна емкость для хранения водорода, состоящая из герметичного корпуса, технологических патрубков, нагревателя и наполнителя-аккумулятора водорода, размещенного в корпусе. Наполнитель-аккумулятор водорода представляет собой полые микросферы, скрепленные между собой в единую жесткую структуру, сформированную послойно из микросфер разного диаметра. Диаметр микросфер уменьшается от центрального слоя к периферийному слою. На внешней поверхности жесткой структуры может быть выполнено покрытие из металла, эффективно поглощающего водород, например палладия, или никеля, или сплава лантана с никелем. В качестве материала микросферы используют сталь, или титан, или лантан, или никель, или цирконий, или сплавы на основе этих металлов или графит, или композиции на основе графита. Микросферы из металла могут быть закреплены между собой диффузионной сваркой. Патент Российской Федерации № 22676944, МПК F17С 11 /00, 2006 г.
Известна емкость для хранения и аккумулирования водорода, состоящая из герметичного корпуса, технологических патрубков, нагревателя и наполнителя-аккумулятора водорода. Аккумулятор водорода размещен в корпусе, емкость разделена перегородкой из протонопроводящего материала на анодную полость, заполненную водой, с расположенным в ней пористым анодом, катодную полость с расположенным в ней сплошным катодом и нагревателем. При этом перегородка выполнена в виде протонопроводящей мембраны. Микропористая структура выполнена из полых микросфер. Кроме того, микропористая структура выполнена из полимеров группы арамидов. Микропористая структура может быть выполнена из пенометалла, например пеноникеля, пенотитана. Кроме того, микропористая структура выполнена из материала с протонопроводящими свойствами. Патент Российской Федерации № 2285859, МПК F17С 11 /00, 2006 г.
Общим недостатком известных систем является повышенное энергопотребление и сравнительно высокая инерционность процесса освобождения водорода, что не позволяет эффективно использовать их в топливной системе водородного автомобиля.
Системы с жидким водородом или баллонами высокого давления обладают очевидными недостатками: отсутствием гибкости конфигурации, высоким весом и объемом баллонов высокого давления, что делает весьма затруднительным и практически нецелесообразным их использование на современных автомобилях при существующих технологиях автомобилестроения.
Известен контейнер с картриджами для газов, содержащий цилиндрический корпус, герметичную камеру, в которой расположены картриджи с сорбентом для газов, нагреватель, расположенный вдоль оси корпуса контейнера, патрубки подачи и отвода газа. Патент Российской Федерации № 2221290, G21F 5/00, 2004 г. Прототип.
Недостатком прототипа является использование дорогостоящих интерметаллических соединений циркония, титана, кобальта и никеля. Данное изобретение устраняет недостатки аналогов и прототипа.
Задачей изобретения является обеспечение возможности применения в бортовой системе автомобиля заменяемых картриджей с повышенным удельным содержанием водорода, размещаемых в топливном отсеке автомобиля, разработка встроенной автоматизированной системы подачи водорода в силовую установку, а также обеспечение контроля над параметрами подачи и расхода водорода.
Техническим результатом изобретения является снижение взрывоопасности, повышение удельного массового и объемного содержания водорода, автоматизация высвобождения водорода из картриджей аккумуляторов и подачи его в силовую установку автомобиля при установленном рабочем давлении на любых режимах работы силовой установки, включая быстрый старт.
Технический результат достигается тем, что в системе хранения и подачи водорода в силовую установку автомобиля, содержащей топливный отсек с контейнерами и картриджами для водорода, коллектор, нагреватель, патрубки подачи и отвода водорода, топливный отсек содержит группы гнезд, в которых размещены водородные картриджи с бортовым запасом водорода, каждое гнездо соединено выпускным патрубком через электроуправляемый отсечной вентиль с коллектором водорода, на выходе каждого гнезда установлен датчик давления, а внутри каждого гнезда установлен датчик температуры, нагреватель системы выполнен в виде узла СВЧ-нагрева и/или узла инфра-активации, гнезда выполнены из композитного материала и снабжены люками из того же материала, по внешней поверхности корпус и люк защищены металлическим экраном, внутри корпуса размещен установочный перфорированный кожух из радиопрозрачного материала, в промежутке между внешней поверхностью кожуха и внутренней поверхностью корпуса установлен СВЧ-излучатель с гермовводом для соединения с СВЧ-генератором, а в торцевой части каждого гнезда установлен инфракрасный излучатель с гермовводами для соединения с источником питания. К коллектору водорода через дополнительный отсечной вентиль подсоединен буферный баллон.
В качестве аккумуляторов водорода использованы сменные картриджи на основе структурированной матрицы стеклянных герметизированных микроконтейнеров-капилляров.
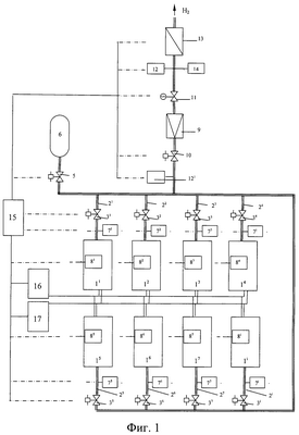
Сущность изобретения поясняется на фиг.1 и 2.
На фиг.1 схематично представлена бортовая автоматизированная система хранения и подачи водорода в силовую установку автомобиля.
1i – гнездо топливного отсека, в котором установлен водородный картридж, содержащий запас водорода, где i – 1, 2 … целое число;
2i – выпускной патрубок, где i – 1, 2 … целое число;
3i – электроуправляемый отсечной вентиль, где i – 1, 2 … целое число;
4 – общий коллектор водорода, 5 – дополнительный отсечной вентиль; 6 – буферный баллон; 7i – датчик давления, где i – 1, 2 … целое число;
8i – датчик температуры, где i – 1, 2 … целое число. В конкретном варианте было использовано количество гнезд, где число i=8. 9 – управляемый редуктор;
10 – входной электроуправляемый отсечной вентиль;
11 – выходной управляемый вентиль; 121 – входной датчик давления водорода; 12 – выходной датчик давления водорода; 13 – расходомер; 14 – выходной датчик температуры;
15 – коробка управления; 16 – генератор СВЧ-излучения; 17 – источник питания инфракрасных излучателей. Генератор СВЧ-излучения 16 обеспечивает формирование СВЧ-поля ГТц-го диапазона частот, равномерного в пределах объема, занимаемого картриджем.
На фиг.2 схематично приведено гнездо топливного отсека, где: 18 – картридж; 19 – корпус гнезда 1; 20 – герметизирующая крышка; 21 – металлическая облицовка; 22 – установочный кожух; 23 – перфорация; 24 – СВЧ-излучатель; 25 – инфракрасный излучатель; 26 – датчик температуры картриджа, 27 – датчик давления картриджа; 28 – отсечной вентиль картриджа 18.
Топливный отсек представляет собой совокупность гнезд 1i, в которых размещены водородные картриджи 18, содержащие бортовой запас водорода. Каждое гнездо 1i топливного отсека, в рабочем состоянии представляет собой герметизированный корпус 19 гнезда 1i с размещенным в нем картриджем 18. Каждое гнездо 1i топливного отсека соединено посредством выпускного патрубка 2i и электроуправляемого отсечного вентиля 3i с общим коллектором 4 для подачи водорода в силовую установку. (Силовая установка на фигурах не показана). К общему коллектору водорода 4 через дополнительный отсечной вентиль 5 подсоединен буферный баллон 6. Буферный баллон 6 предназначен для обеспечения подачи водорода в силовую установку на переходных режимах работы. На выходе из каждого гнезда 1i давление водорода в нем контролируют датчиком давления 7i, а внутри каждого гнезда 1i установлены датчики температуры 8i.
Буферный баллон 6 имеет рабочий объем от 2 до 4 литров и рассчитан на давление водорода в от 30 до 50 бар. Такого объема и диапазона давлений достаточно для старта и работы силовой установки в течение времени, необходимого для инициирования процесса высвобождения водорода из гнезд 1i (аккумуляторов) и выхода на рабочие режим.
Блок (условный) кондиционирования потока водорода содержит управляемый редуктор 9, обеспечивающий понижение подаваемого на его вход водорода до рабочего давления, необходимого для обеспечения нормальной работы силовой установки.
Водород поступает в управляемый редуктор 9 по трубопроводу коллектора 4 через входной электроуправляемый отсечной вентиль 10, а давление водорода, подходящего к управляемому редуктору 9, контролируется выходным датчиком давления водорода 12. Расход водорода, подаваемого в силовую установку, контролируется расходомером 13 в совокупности с выходным датчиком давления водорода 12 и выходным датчиком температуры 14 и регулируется управляемым вентилем 11.
Блок автоматизированного управления топливной системой (самостоятельно не обозначен) содержит коробку управления 15, генератор СВЧ-излучения 16 и источник питания 17 инфракрасных излучателей активации высвобождения водорода из картриджей 18 в гнездах 1i топливного отсека.
Коробка управления 15 на основе процессоров и контроллеров обеспечивает обработку всех сигналов, поступающих от всех видов датчиков, и выработку команд для контроллеров, управляющих работой электроуправляемых устройств и элементов топливной системы, а также СВЧ-генератора 16 и источника питания инфракрасных излучателей 17.
Структура единичного гнезда 1i топливного отсека с установленным в него картриджем 18 представлено на фиг.2.
Гнездо содержит корпус 19, изготовленный предпочтительно из легкого прочного (предпочтительно композитного) материала, рассчитанного на давление водорода в нескольких десятков атмосфер, соответствующее максимальному давлению в буферном баллоне 6 или рабочему давлению водорода, подаваемого в силовую установку.
Алгоритмом управления работой топливной системы предусмотрено пополнение буферного баллона 6 водородом за счет водорода, содержащегося в картридже первого гнезда 1i.
Корпус 19 снабжен герметизирующей крышкой 20, закрывающей отверстие, через которое осуществляется установка заряженного картриджа 18 в гнездо 1i и извлечение из него отработавшего картриджа 18 для зарядки.
Корпус 19 и герметизирующая крышка 20 покрыты тонкой металлической облицовкой 21, предназначенной для обеспечения экранировки от СВЧ-излучения.
Картридж 18 фиксируется внутри гнезда 1i посредством установочного кожуха 22, выполненного из радиопрозрачного материала (пластмассы, обладающей стойкостью к температурам до 350-400°С).
В установочном кожухе 22 выполнен ряд отверстий (перфорация) 23 для свободного истечения водорода. В зазоре между установочным кожухом 22 и внутренней стенкой корпуса 19 гнезда 1i установлен СВЧ-излучатель 24, обеспечивающий формирование равномерного поля СВЧ-излучения в пределах объема, занимаемого картриджем 18. В торцовой части гнезда 1i установлен инфракрасный излучатель 25, предназначенный для равномерного облучения торца картриджа 18 инфракрасным излучением в диапазоне частот от 200 до 3200 нм, предпочтительно с максимальной спектральной плотностью излучения в области 2785 нм. Инфракрасный излучатель 25 и СВЧ-излучатель 24 имеют соответствующие гермовводы для соединения с источником питания инфракрасного излучателя 17 и СВЧ-генератором 16. Выполнен гермоввод и для передачи сигнала от датчика температуры картриджа 26.
Система хранения и подачи водорода в силовую установку автомобиля работает следующим образом. В момент выключения (например, для замены выработанных картриджей 18) буферный баллон 6 полностью заполнен водородом под установленным давлением, а все вентили 3, 10, 11, 28 переводятся в положение “закрыто”. После установки заряженных картриджей 18 в освободившиеся гнезда 1i топливного отсека система готова к работе. При включении бортовой электросети коробка управления 15, СВЧ-генератор 16 и инфракрасный источник питания 17 подключаются к источникам электроснабжения (электрической батарее и бортовому генератору автомобиля). При запуске силовой установки по сигналам от коробки управления 15 открываются входной электроуправляемый отсечной вентиль 10 и выходной управляемый вентиль 11. Водород из буферного баллона 6 через редуктор 9 начинает поступать в силовую установку, обеспечивая ее работу. Одновременно по сигналу коробки управления 15 генератор СВЧ-излучения 16 включает в работу СВЧ-излучатель 24 первого гнезда 1i, обеспечивая, таким образом, начало процесса высвобождения водорода, а источник питания 17 подает напряжение на инфракрасный излучатель 25 первого гнезда, открывая, таким образом, быстрый выход водорода из картриджа первого гнезда 1i. При достижении заданного уровня давления водорода в первом гнезде 1i (соответствующего давлению в буферном баллоне 6) происходит его подача в силовую установку параллельно с расходом водорода и из буферного баллона 6. После запуска силовой установки по команде от коробки управления 15 включается в работу СВЧ-излучатель 24 следующего (второго) гнезда 1i, инициируя процесс высвобождения водорода из картриджа 18 (второго) гнезда 1i. При достижении в буферном баллоне 6 начального давления (за счет восполнения расхода водорода из первого гнезда) буферный баллон 6 запирается отсечным вентилем 5. Первое гнездо 1i отключается от СВЧ-генератора 16 и инфракрасного источника питания 17 после выравнивания давления в нем с давлением в общем коллекторе 4 (что регистрируется датчиком давления картриджа 27). Первое гнездо закрывается отсечным вентилем 28. Поступление водорода в силовую установку продолжается от следующего (второго) гнезда 1i, при этом включение и отключение СВЧ-излучателя в этом гнезде 1 обеспечивается по командам от его датчика давления 7i. В случае, если температура в этом гнезде превысит установленный предел (300-350°С), а давление, регистрируемое его датчиком давления 7i, окажется ниже уровня, необходимого для подачи в силовую установку, то по команде от коробки управления 15 может включаться в работу инфракрасный излучатель второго гнезда, увеличивая таким образом темп выхода водорода из картриджа 18. Невозможность поддерживать давление на выходе из гнезда 1i на необходимом уровне означает расход содержащегося в картридже 18 водорода, после чего происходит переключение на следующее гнездо 1i. Давление водорода, поступающего в силовую установку, контролируется датчиком давления 27, в соответствие с показаниями которого осуществляется управление редуктором 9, который и обеспечивает поддержание давления подаваемого в силовую установку водорода на требуемом уровне. Во всех случаях, когда происходит падение давления водорода на выходе из редуктора 9, по сигналу от коробки управления 15 осуществляется кратковременное подключение буферного баллона 6. Если давление в задействованном гнезде 1i восстанавливается или происходит переключение на следующее гнездо 1i+1 и вывод его на штатный режим работы, коробка управления 15 отключает буферный баллон 6 и подача водорода продолжается из задействованного гнезда 1i+1. При выключении силовой установки все элементы системы обесточиваются с одновременным переводом всех вентилей в положение “закрыто”. На основании показаний расходомера 13, а также датчиков давления 7i и датчиков температуры 8i определяется общий расход водорода из топливной системы. Возможен вариант устройства топливной системы без включения в нее буферного баллона 6. В этом случае быстрое начало подачи водорода в силовую установку в момент ее пуска может быть обеспечено за счет одновременного включения в работу инфракрасных излучателей всех гнезд 1i топливного отсека.
Формула изобретения
1. Система хранения и подачи водорода в силовую установку автомобиля, содержащая топливный отсек с контейнерами и картриджами для водорода, коллектор, нагреватель, патрубки подачи и отвода водорода, отличающаяся тем, что топливный отсек содержит группы гнезд, в которых размещены водородные картриджи с бортовым запасом водорода, каждое гнездо соединено выпускным патрубком через электроуправляемый отсечной вентиль с коллектором водорода, на выходе каждого гнезда установлен датчик давления, а внутри каждого гнезда установлен датчик температуры, нагреватель системы выполнен в виде СВЧ-излучателей и инфракрасных излучателей, гнезда выполнены из композитного материала и снабжены люками из того же материала, по внешней поверхности корпус и люк защищены металлическим экраном, внутри корпуса размещен установочный перфорированный кожух из радиопрозрачного материала, в промежутке между внешней поверхностью кожуха и внутренней поверхностью корпуса установлен СВЧ-излучатель с гермовводом для соединения с СВЧ-генератором, а в торцевой части каждого гнезда установлен инфракрасный излучатель с гермовводами для соединения с источником питания.
2. Система хранения и подачи водорода в силовую установку автомобиля по п.1, отличающаяся тем, что к коллектору водорода через дополнительный отсечной вентиль подсоединен буферный баллон.
РИСУНКИ
|
|