|
(21), (22) Заявка: 2005141096/02, 28.12.2005
(24) Дата начала отсчета срока действия патента:
28.12.2005
(43) Дата публикации заявки: 20.07.2007
(46) Опубликовано: 27.01.2008
(56) Список документов, цитированных в отчете о поиске:
SU 1816530 A1, 23.05.1993. RU 2077409 C1, 20.04.1997. RU 2167031 C1, 20.05.2001. RU 2177858 C1, 10.01.2002.
Адрес для переписки:
125565, Москва, Ленинградский пр-кт, 92/1, кв.17, Ю.М.Айзину
|
(72) Автор(ы):
Паршин Валерий Михайлович (RU), Куклев Александр Валентинович (RU), Аксельрод Лев Моисеевич (RU), Айзин Юрий Моисеевич (RU), Стулов Вячеслав Викторович (RU)
(73) Патентообладатель(и):
ООО “Корад” (RU)
|
(54) СПОСОБ НЕПРЕРЫВНОЙ РАЗЛИВКИ ПРЯМОУГОЛЬНЫХ СТАЛЬНЫХ СЛИТКОВ И УСТРОЙСТВО ДЛЯ ЕГО ОСУЩЕСТВЛЕНИЯ
(57) Реферат:
Изобретение относится к металлургии, в частности к непрерывной разливке стали в водоохлаждаемый кристаллизатор. Жидкий металл подают в кристаллизатор через погруженный разливочный стакан с эксцентрично расположенными вертикальными выходными отверстиями плоскими вертикальными струями. Струи направляют по траектории, определяемой формулой у=8·xn, где n=0,48-0,52, в сторону широких граней под углом 2-10°. Обеспечивается повышение качества слитков за счет организации эффективного перемешивания расплава в плоскости кристаллизатора. 2 н.п. ф-лы, 2 ил.
Изобретение относится к металлургии, в частности к процессам непрерывной разливки металла в водоохлаждаемый кристаллизатор.
Известен способ непрерывного литья плоских слитков [1. А.с. №1438086. Способ непрерывного литья плоских слитков / Ю.К.Гонтаров, Б.Ф.Белов, Ю.М.Ефименко и др. Опубл. 15.07.88.], включающий подачу жидкого металла в кристаллизатор направленными навстречу друг другу и параллельными его широким граням струями с помощью погруженных разливочных стаканов, смещенных к узким граням кристаллизатора, и вытягивание из кристаллизатора слитка, причем жидкий металл в кристаллизатор подают плоскими вертикальными струями с углом 8-18° по отношению к горизонтальной плоскости в противоположных относительно осей симметрии кристаллизатора точках.
Недостатком известного способа непрерывного литья плоских слитков [1] является отсутствие данных о соотношении длин узкой и широкой грани кристаллизатора, а также их взаимосвязи с наружным диаметром стакана, что не позволяет использовать известный способ для литья всех сортаментов плоских слитков. Кроме этого, наличие двух погруженных разливочных стаканов увеличивает затраты времени на их замену и установку в кристаллизаторе.
Подача жидкого металла в кристаллизатор плоскими вертикальными струями в противоположных относительно осей симметрии кристаллизатора точках практически невозможна по причине повреждения корочки металла стаканом и ухудшения перемешивания металла в плоскости кристаллизатора по причине наличия самих погруженных стаканов, как таковых, и выступающих в роли преграды.
Известен также способ непрерывной разливки прямоугольных стальных слитков, раскрытый при описании работы устройства [2. А.с. №1816530 – прототип] устройство содержит промежуточный ковш, кристаллизатор с широкими и узкими гранями и глуходонный цилиндрический погружной разливочный стакан с эксцентрично расположенными плоскими вертикальными выходными отверстиями для выпуска жидкого металла.
Недостатком известного, раскрытого в описании устройства, способа является невозможность получения плоских слитков всех сортаментов и увеличения затрат времени на замену разливочных стаканов и их установку.
Заявляемый способ направлен на создание высокоэффективного процесса непрерывной разливки прямоугольных стальных слитков.
Технический результат, получаемый при осуществлении заявляемого способа, заключается в
расширении сортамента разливаемых прямоугольных стальных слитков;
повышении качества прямоугольных стальных слитков.
Заявляемый способ характеризуется следующими существенными признаками.
Ограничительные признаки: подача жидкого металла в кристаллизатор вертикальными струями и вытягивание из кристаллизатора слитка.
Отличительные признаки: жидкий металл подают в кристаллизатор скользящими по определенной траектории струями; струи направлены под определенным углом в сторону широких граней; траектория подачи скользящих струй определяется по формуле у=8·хn, где n=0,48-0,52.
Угол направления оси струй с широкой гранью равняется =2-10°.
Причинно-следственная связь между совокупностью существенных признаков заявляемого способа и достигаемым техническим результатом заключается в следующем.
Подача жидкого металла в кристаллизатор скользящими по определенной траектории струями, определяемой формулой у=8·хn (где n=0,48-0,52; х – ось, проходящая через центр кристаллизатора; у – ось, проходящая через внутреннюю поверхность отверстия стакана), позволяет организовать эффективное вращение и перемешивание металла в плоскости кристаллизатора.
Кроме этого, исключается удар струи в корочку металла, местное ее размывание и растрескивание.
Направление струй под определенным углом в сторону широких граней обеспечивает более эффективное перемешивание металла в плоскости кристаллизатора, высокие значения скоростей металла в пристеночных слоях (до 0,7 м/с), а соответственно, и более высокую температуру корочки в верхней части кристаллизатора и увеличение теплообмена в кристаллизаторе. Кроме этого, обеспечивается вымывание неметаллических включений.
Подача струй по траектории, определяемой формулой у=8·хn (где n>0,52), не обеспечивает создание требуемого вращения жидкого металла в кристаллизаторе и скоростей металла до 0,7 м/с в пристеночных слоях. Кроме этого, возможно размывание корочки заготовки с ее растрескиванием.
Подача струй по траектории, определяемой формулой у=8·хn (где n<0,48), приводит к разрушению струй и также не обеспечивает требуемого вращения жидкого металла в плоскости кристаллизатора.
Уменьшение угла направления оси струй с широкой гранью <2° не обеспечивает создание максимальных скоростей жидкого металла в пристеночных слоях и вымывания неметаллических включений.
Увеличения угла направления струй с широкой гранью >10° приводит к разрушению струй при их соударении с корочкой на широкой грани, размыванию корочки и растрескиванию заготовки.
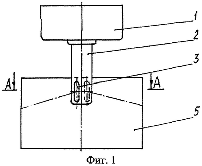
Предложенный способ и устройство поясняются чертежами, где на фиг.1 изображен общий вид устройства; на фиг.2 – разрез по А-А.
Известно устройство для непрерывной разливки плоских слитков [3. А.с. №1816530. В22D 11/10, 1993 г. Бюл. №19 – прототип], содержащее промежуточный ковш, кристаллизатор с широкими и узкими гранями и глуходонный цилиндрический погруженный разливочный стакан с эксцентрично расположенными плоскими вертикальными выходными отверстиями для выпуска жидкого металла, соотношения между шириной и высотой выходного отверстия, внутренним и наружным диаметрами стакана, углом наклона оси выходного отверстия к горизонтальной плоскости, площадью поперечного сечения одного выходного отверстия, внутренней длиной широкой грани и длиной узкой грани установлены по зависимостям, а у наружных углов кристаллизатора, расположенных по диагонали, размещены индукторы для электромагнитного перемешивания металла.
Недостаток известного устройства для непрерывной разливки плоских слитков [3] заключается в невозможности его использования для разливки широкого сортамента заготовок по причине ухудшения перемешивания расплава при увеличении длины узкой грани и уменьшении скоростей в пристеночных слоях. Увеличение наружного и внутреннего диаметров стакана приводит к увеличению его массы и размеров, что затрудняет его установку в кристаллизатор и нецелесообразно.
Кроме этого, размещение у наружных углов кристаллизатора по диагонали индукторов для электромагнитного перемешивания металла приводит к дополнительному расходу электроэнергии и увеличивает затраты времени и средств на обслуживание устройства.
Технический результат, получаемый при осуществлении заявляемого устройства, заключается в
повышении качества прямоугольных стальных слитков;
в возможности его использования для получения качественных стальных слитков широкого сортамента.
Заявляемое устройство характеризуется следующими существенными признаками.
Ограничительные признаки: промежуточный ковш; кристаллизатор с широкими и узкими гранями; глуходонный цилиндрический погруженный разливочный стакан с эксцентрично расположенными вертикальными выходными отверстиями.
Отличительные признаки: поверхность вертикальных выходных отверстий стакана выполнена по закону у=8·хn; где n=0,48-0,52.
Причинно-следственная связь между совокупностью существенных признаков заявляемого устройства и достигаемым техническим результатом заключается в следующем.
Выполнение поверхности вертикальных выходных отверстий стакана по закону у=8·хn (где n=0,48-0,52) обеспечивает закручивание жидкого металла в стакане и на выходе из отверстий и, как результат, возможность подачи в кристаллизатор скользящих струй относительно широких граней.
Выполнение поверхности вертикальных выходных отверстий стакана по закону у=8·хn (где n<0,52) не обеспечивает закручивание жидкого металла в стакане и на выходе из отверстий и, как результат, невозможность подачи в кристаллизатор скользящих струй относительно широких граней и отсутствие эффективного перемешивания жидкого металла в плоскости кристаллизатора.
Выполнение поверхности вертикальных выходных отверстий стакана по закону у=8·хn (где n<0,48) нерационально увеличивает сопротивление жидкого металла на выходе из отверстий стакана, ухудшает перемешивание металла в плоскости кристаллизатора и вымывание из корочки металла неметаллических включений.
Заявляемое устройство для непрерывной разливки прямоугольных стальных слитков на фиг.1 и 2 состоит из промежуточного ковша 1, глуходонного цилиндрического погруженного разливочного стакана 2 с эксцентрично расположенными вертикальными выходными отверстиями 3 с внутренней поверхностью 4, кристаллизатора 5 с широкими 6 и узкими гранями 7. Предварительно перед разливкой металла из промежуточного ковша 1 в кристаллизатор 5 разливочный стакан 2 устанавливается в кристаллизаторе таким образом, чтобы угол направления осей эксцентрично расположенных выходных отверстий с широкой гранью равнялся =2-10°. Дополнительно донная часть кристаллизатора перекрывается специальным приспособлением – затравкой, предотвращающей выливание жидкого металла.
Способ осуществляется заявляемым устройством следующим образом. Жидкий металл из промежуточного ковша 1 через глуходонный цилиндрический погруженный разливочный стакан 2 с эксцентрично расположенными выходными отверстиями 3 поступает в кристаллизатор 5 и заполняет его. После достижения заданного уровня жидкого металла в кристаллизаторе производится вытягивание затравки и прямоугольного стального слитка. Жидкий металл, истекающий по внутренней поверхности 4, из эксцентрично расположенных выходных отверстий 3, движется по определенной траектории относительно широких 6 и узких граней 7 с его перемешиванием и вращением в плоскости кристаллизатора 5. Применение предложенного способа и устройства для его осуществления позволит получать слитки прямоугольного сечения всех возможных сортаментов, снизить затраты на их получение, улучшить их качество.
Формула изобретения
1. Способ непрерывной разливки прямоугольных стальных слитков, включающий подачу жидкой стали в центр кристаллизатора плоскими вертикальными струями через глуходонный цилиндрический погружной разливочный стакан с эксцентрично расположенными вертикальными выходными отверстиями и вытягивание из кристаллизатора слитка, отличающийся тем, что подачу струй жидкой стали осуществляют по траектории, определяемой формулой у=8·хn, где n=0,48-0,52, и направляют под углом 2-10° в сторону широких граней кристаллизатора.
2. Устройство для непрерывной разливки прямоугольных стальных слитков, содержащее промежуточный ковш, кристаллизатор с широкими и узкими гранями и глуходонный цилиндрический погружной разливочный стакан с эксцентрично расположенными вертикальными выходными отверстиями, отличающееся тем, что поверхность вертикальных выходных отверстий стакана выполнена из условия обеспечения подачи струй жидкого металла по траектории, определяемой формулой у=8·хn, где n=0,48-0,52.
РИСУНКИ
PC4A – Регистрация договора об уступке патента СССР или патента Российской Федерации на изобретение
Прежний патентообладатель:
Общество с ограниченной ответственностью “КОРАД”
(73) Патентообладатель:
Закрытое акционерное общество “КОРАД”
Договор № РД0048344 зарегистрирован 24.03.2009
Извещение опубликовано: 10.05.2009 БИ: 13/2009
|