|
|
(21), (22) Заявка: 2006113107/09, 18.04.2006
(24) Дата начала отсчета срока действия патента:
18.04.2006
(46) Опубликовано: 20.01.2008
(56) Список документов, цитированных в отчете о поиске:
Окунев Ю.Б. Цифровая передача информации фазоманипулированными сигналами. – М.: Радио и связь, 1991, с.95. RU 2237978 С2, 10.10.2004. RU 2248102 C1, 10.03.2005. EP 0459968 A1, 04.12.1991. WO 95/16314 A2, 15.06.1995.
Адрес для переписки:
660074, г.Красноярск, ул. Киренского, 26, КГТУ, ПИО
|
(72) Автор(ы):
Есин Александр Юрьевич (RU), Панько Сергей Павлович (RU)
(73) Патентообладатель(и):
Государственное образовательное учреждение высшего профессионального образования Красноярский государственный технический университет (КГТУ) (RU)
|
(54) СПОСОБ МНОГОКАНАЛЬНОГО КОРРЕЛЯЦИОННОГО ПРИЕМА СИГНАЛОВ ОТНОСИТЕЛЬНОЙ ФАЗОВОЙ ТЕЛЕГРАФИИ
(57) Реферат:
Изобретение относится к области приема дискретных сообщений, передаваемых методом относительной фазовой телеграфии (ОФТ), и может быть использовано при построении аппаратуры синхронной передачи цифровой информации. Достигаемый технический результат – повышение помехоустойчивости. В способе осуществляют корреляционную обработку каждого принимаемого элемента сигнала путем перемножения элемента сигнала в каждом канале с индивидуальным опорным сигналом и последующее интегрирование, при этом время интегрирования устанавливают равным суммарной длительности n элементов сигнала, опорные сигналы формируют в виде непрерывной последовательности повторяющихся групп из n элементов каждая, индивидуальных для каждого канала, с фазовой манипуляцией элементов в группе по двоичному закону, результат интегрирования в каждом канале оценивают пороговыми устройствами так, что при превышении порогового значения в одном из каналов в области положительных напряжений формируют прямую группу n выходных битов, соответствующих логическим значениям опорного сигнала канала, в котором напряжение превысило пороговое значение в области положительных напряжений, а при превышении порогового значения в одном из каналов в области отрицательных напряжений формируют инверсную группу n выходных битов. 1 ил.
Изобретение относится к технике приема дискретных сообщений и предназначено для демодуляции синхронных сигналов двукратной относительной фазовой телеграфии (ОФТ).
Известен и широко используется корреляционный способ приема сигналов ОФТ с восстановлением несущей частоты (демодуляторы А.А.Пистолькорса, Д.Костаса и др.), в соответствии с которым входной сигнал, манипулированный по фазе с дискретностью (0-180)°, перемножается с опорным сигналом, восстановленным из несущей частоты входного сигнала. Результат перемножения интегрируется в течение длительности такта манипуляции, а результат интегрирования сравнивается с заранее установленным порогом (В.А.Чердынцев. Радиотехнические системы. Минск, «Вышейшая школа», 1988).
Способ отличается недостаточной помехоустойчивостью по отношению к белому широкополосному шуму, поскольку время интегрирования ограничено длительностью периода тактовой частоты манипуляции.
Известен также способ корреляционного приема, описанный в книге Б.Скляр «Цифровая связь», Москва-Санкт-Петербург-Киев, 2003. Способ состоит в перемножении входного сигнала с ОФТ с опорными сигналами в двух каналах, интегрировании результатов перемножения и принятии решения о принятом сигнале по максимуму напряжения с выхода одного из интеграторов.
Недостаток способа состоит в низкой помехоустойчивости. Причина этого заключена в том, что выходное отношение сигнал/шум определяется отношением энергии информационного элемента сигнала к спектральной плотности мощности шума при интегрировании за время, равное длительности такта манипулирующего сигнала. Под элементом сигнала здесь и далее понимается отрезок напряжения несущей частоты, сформированный в результате модуляции по фазе одним из двух передаваемых логических сигналов – единицей или нулем.
Наиболее близким по технической сущности к предлагаемому решению является способ многоканального корреляционного приема сигналов относительной фазовой телеграфии, описанный в книге Ю.Б.Окунев. «Цифровая передача информации фазоманипулированными сигналами». – М.: Радио и связь, 1991, рис.3.9 на с.95.
Способ состоит в корреляционной обработке каждого принимаемого элемента сигнала путем перемножения элемента сигнала в n каналах с индивидуальным опорным сигналом, фазовая задержка которого определяется номером канала, последующего интегрирования с временем интегрирования, равным длительности элемента сигнала, и выбора канала с максимальным откликом.
Недостаток способа состоит в низкой помехоустойчивости, поскольку выходное отношение сигнал/шум определяется отношением энергии информационного элемента сигнала к спектральной плотности мощности шума при времени интегрирования в корреляторах, равном длительности элемента сигнала.
В основу предлагаемого изобретения положена задача повышения помехоустойчивости посредством n-кратного увеличения времени интегрирования при совместной обработке n элементов сигнала.
Поставленная задача решается тем, что в способе многоканального корреляционного приема сигналов относительной фазовой телеграфии, включающем корреляционную обработку каждого принимаемого элемента сигнала путем перемножения элемента сигнала в каждом канале с индивидуальным опорным сигналом и последующее интегрирование, время интегрирования устанавливают равным суммарной длительности n элементов сигнала, опорные сигналы формируют в виде непрерывной последовательности повторяющихся групп из n элементов каждая, индивидуальных для каждого канала, с фазовой манипуляцией элементов в группе по двоичному закону, результат интегрирования в каждом канале оценивают пороговыми устройствами так, что при превышении порогового значения в одном из каналов в области положительных напряжений формируют прямую группу n выходных битов, соответствующих логическим значениям опорного сигнала канала, в котором напряжение превысило пороговое значение в области положительных напряжений, а при превышении порогового значения в одном из каналов в области отрицательных напряжений формируют инверсную группу n выходных битов.
Отличительные признаки предлагаемого способа заключаются в следующем: для одного коррелятора используют непрерывный опорный сигнал, для второго коррелятора используют опорный сигнал с фазовой манипуляцией с дискретностью (0-180)° в соответствии с тактовой частотой местного генератора, синхронного и синфазного с частотой манипуляции, производимой в передатчике; производят установку интеграторов в нулевое состояние с периодом, равным длительности двух элементов сигнала, результаты интегрирования сравнивают каждый с двумя порогами: один в области положительных напряжений, а второй в области отрицательных напряжений, нормированные выходные напряжения четырех пороговых устройств логически обрабатывают и восстанавливают передаваемую битовую последовательность группами в составе n битов каждая с задержкой на n тактов относительно передаваемой битовой последовательности.
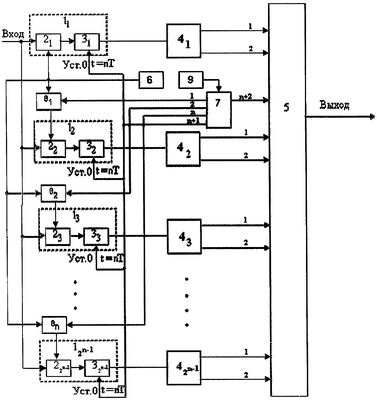
На чертеже представлена структурная схема многоканального корреляционного приемника, реализующего заявляемый способ.
Корреляционный приемник содержит 2n-1 корреляторов 11, 12, …, 12 n-1, каждый из которых включает соединенные перемножитель 21 22, …, 22 n-1 и интегратор 31, 32, …, 32 n-1 соответственно, 2n-1 пороговых устройств 41, 42, …, 42 n-1, каждое из которых соединено с выходом коррелятора 11, 12, …, 12 n-1 соответственно, соединенных своими выходами с логическим узлом 5, опорный генератор 6, делитель частоты/формирователь импульсов 7, с 1-го по n-й выходы которого подключены к фазовому модулятору 81, 82, …, 8n соответственно, n+1-й выход подключен к интеграторам 31, 32, …, 32 n-1, n+2-й выход соединен с логическим узлом 5, а входом он соединен с генератором тактовой частоты 9. Фазовые модуляторы 81, 82, …, 8n соединены с перемножителем 21 и с опорным генератором 6, а также с перемножителями 22 23, …, 22 n-1 соответственно. Все пороговые устройства 41, 42, …, 42 n-1 имеют по два выхода каждое. Входы корреляторов 11, 12, …, 12 n-1 объединены и являются входом корреляционного приемника, а выходом его – выход логического узла 5.
Способ многоканального корреляционного приема сигналов относительной фазовой телеграфии осуществляют в следующей последовательности в соответствии со схемой на чертеже. Рассматривается режим синхронной работы, когда частота опорного генератора 6 синхронна и синфазна с несущей частотой входного сигнала, а частота генератора тактовой частоты 9 синхронна и синфазна манипулирующей частоте входного сигнала, т.е. режим синхронизации завершен. Для примера рассмотрим случай n=2.
Пусть на Вход поступает радиоимпульсный сигнал
s(t)=Asin( t+ )
с несущей частотой и фазой , которая принимает побитно значения (0-180)° в зависимости от модулирующей информационной последовательности (сигнал ОФТ). Длительность элемента сигнала равна Т, т.е. 0
Рассмотрим работу первого коррелятора 11. Этот канал обеспечивает прием комбинаций 11/00. На опорный вход перемножителя 21 поступает от опорного генератора 6 непрерывное колебание вида Sоп(t)=Asin t. Результат перемножения интегрируется интегратором 31. Время интегрирования устанавливается 2Т, где Т – период последовательности тактовых импульсов, формируемых генератором тактовой частоты 9. Будем считать T=27 z, z=1, 2, …. При наличии на входе последовательной пары 11 напряжение на выходе интегратора

Если на входе присутствует последовательная пара 00, то напряжение на выходе интегратора

Если на входе присутствует пара 10 (или 01), то результат интегрирования на выходе коррелятора 11 будет равен нулю
U10=U01=0.
Теперь рассмотрим работу второго (на чертеже) коррелятора 12. На опорный вход перемножителя 22 с фазового модулятора 81 поступает опорный синусоидальный сигнал частоты , фаза которого принимает значения 0 или в соответствии с импульсами длительностью Т с генератора тактовой частоты 9. Если на вход этого коррелятора поступает сигнал вида 11 или 00, то напряжение на выходе интегратора 32
U11=U00=0.
Если же на Вход поступает сигнал вида 10 или 01, то напряжение на выходе интегратора 32 будет равно соответственно А2Т или -A2Т. Это означает, что оба коррелятора 11 и 12 откликаются только на входные сигналы, соответствующие опорным сигналам.
В предложенном способе в качестве опорного сигнала используется сигнал длительностью 2Т, что позволяет увеличить время интегрирования в 2 раза, т.е. соответственно увеличить выходное отношение сигнал/шум за счет увеличения энергии сигнала. Это требует формирования двух опорных сигналов – один немодулированный синусоидальный, второй – с дискретной модуляцией фазы (0-180)° в соответствии с тактовой частотой. Для выявления сигналов вида «11» и «00» достаточно одного опорного сигнала вида непрерывного немодулированного синусоидального колебания. Опорный генератор 6 формирует опорное непрерывное синусоидальное колебание, с которым перемножается входной сигнал в перемножителе 21. На первом выходе порогового устройства 41 появляется уровень логической единицы при превышении напряжением с выхода интегратора 31 заданного порога в области положительных напряжений. На втором выходе устройства 41 появляется уровень логической единицы при превышении напряжением порога на выходе интегратора 31 в области отрицательных напряжений. Поскольку одновременное появление кодовых комбинаций «11» и «00» невозможно, то обеспечивается уверенное различение кодов «11» и «00».
Для выявления кодовых комбинаций вида «10» или «01» используется канал 12 корреляционного приемника в составе блоков 22, 32, 42. Опорный сигнал вида «10» с бесконечной дискретной сменой знака фазы несущей частоты по закону тактовой частоты для приема комбинаций «10» или «01» формируется с помощью фазового модулятора 81. Фаза колебания опорного генератора 6 изменяется в фазовом модуляторе 81 под воздействием бесконечной периодической последовательности импульсов (меандр), следующих с периодом Т с генератора тактовой частоты 9. Поскольку комбинации «10» или «01» одновременно существовать не могут, а реакции интегратора 32 на эти сигналы лежат в области напряжений различных знаков, то обеспечивается уверенное различение сигналов «10» и «01». Аналогично описанному выше пороговое устройство 42 определяет превышение напряжением с выхода интегратора 32 заданного порога в области положительных напряжений (появление уровня логической единицы на первом выходе 42), а также превышение напряжением заданного порога в области отрицательных напряжений с выхода интегратора 32 (появление уровня логической единицы на втором выходе 42).
Делитель частоты/формирователь импульсов 7 обеспечивает деление тактовой частоты в 2 раза и формирование импульсов установки в нулевое состояние интеграторов 31 и 32 с тактом 2Т.
Логический узел 5 призван формировать выходную демодулированную информационную последовательность. Напряжения с выходов пороговых устройств 41 42 нормируются и под влиянием тактовой частоты с выхода делителя частоты/формирователя импульсов 7 обеспечивают формирование на выходе приемника группы двух выходных битов «11» или «00», или «10», или «01», следующих с тактовой частотой. Поскольку решение о приеме той или иной пары элементов сигнала принимается за два такта, то выходная демодулированная последовательность задержана относительно входной на 1 такт.
Повышение помехоустойчивости, обеспечиваемое предложенным способом относительно прототипа, доказывается следующим путем. Известно [В.И.Тихонов. Оптимальный прием сигналов. – М.: Сов. радио, 1983], что отношение сигнал/шум на выходе интегратора при приеме по одному элементу сигнала (по одному биту) равно

где Um – максимальное значение напряжения на выходе интегратора в момент окончания элемента сигнала при t=T, Dинт – дисперсия шумовой составляющей напряжения на выходе интегратора. При приеме по n элементов сигнала параметры интегратора сохраняются постоянными, поэтому значение Dинт также не изменится. В случае приема по n элементов сигнала максимальное значение напряжения на выходе интегратора увеличивается с коэффициентом n. Поэтому отношения сигнал/шум по мощности на выходе многоканального корреляционного приемника в соответствии с предложенным способом увеличивается прямо пропорционально коэффициенту n.
Таким образом, прием подряд следующих n элементов сигнала в корреляционном приемнике приводит к увеличению отношения сигнал/шум в n раз относительно приема по одному элементу сигнала.
Формула изобретения
Способ многоканального корреляционного приема сигналов относительной фазовой телеграфии, включающий корреляционную обработку каждого принимаемого элемента сигнала путем перемножения элемента сигнала в каждом канале с индивидуальным опорным сигналом и последующее интегрирование, отличающийся тем, что время интегрирования устанавливают равным суммарной длительности n элементов сигнала, опорные сигналы формируют в виде непрерывной последовательности повторяющихся групп из n элементов каждая, индивидуальных для каждого канала, с фазовой манипуляцией элементов в группе по двоичному закону, результат интегрирования в каждом канале оценивают пороговыми устройствами так, что при превышении порогового значения в одном из каналов в области положительных напряжений формируют прямую группу n выходных битов, соответствующих логическим значениям опорного сигнала канала, в котором напряжение превысило пороговое значение в области положительных напряжений, а при превышении порогового значения в области отрицательных напряжений формируют инверсную группу n выходных битов.
РИСУНКИ
|
|