|
|
(21), (22) Заявка: 2005135566/09, 16.11.2005
(24) Дата начала отсчета срока действия патента:
16.11.2005
(43) Дата публикации заявки: 27.05.2007
(46) Опубликовано: 20.01.2008
(56) Список документов, цитированных в отчете о поиске:
RU 2089042 C1, 27.08.1997. RU 2063103 C1, 27.06,1996. US 638049 A, 14.05.2002. US 574579 A, 19.05.1998.
Адрес для переписки:
101000, Москва, пер.Огородная Слобода, 5а, ООО “Технологическая Компания Шлюмберже”, пат.пов. В.Н.Архиповой, рег.№ 1095
|
(72) Автор(ы):
Лопатин Владимир Васильевич (RU), Макеев Вячеслав Алексеевич (RU), Степанов Андрей Владимирович (RU), Фурман Эдвин Гугович (RU), Бородин Игорь Витальевич (RU), Писаренко Дмитрий Владленович (FR)
(73) Патентообладатель(и):
Шлюмберже Текнолоджи Б.В. (NL), Научно-Исследовательский Институт высоких напряжений (RU)
|
(54) МАГНИТНО-ТИРИСТОРНЫЙ ГЕНЕРАТОР ИМПУЛЬСОВ
(57) Реферат:
Изобретение относится к высоковольтной импульсной технике и предназначено для разрушения горных пород электроимпульсным способом за счет внедрения канала высоковольтного пробоя в горную породу и ее разрушения протекающим импульсом тока. Технический результат – снижение массогабаритных размеров магнитно-тиристорного генератора, повышение его надежности за счет уменьшения количества элементов. Магнитно – тиристорный генератор дополнительно содержит выходной импульсный трансформатор, который имеет радиально расположенные секторные обмотки, уложенные по спирали, и однослойную конусообразную катушку, подключенную одним выводом к общей точке секторных обмоток, а другим выводом к первичной обмотке входного импульсного трансформатора. 1 з.п. ф-лы, 3 ил.
Изобретение относится к высоковольтной импульсной технике и предназначено для разрушения горных пород электровзрывом за счет внедрения канала высоковольтного пробоя в горную породу и ее разрушения протекающим импульсом тока. Для создания канала высоковольтного пробоя требуются импульсы напряжения в сотни киловольт и тока с амплитудой в единицы, десятки килоампер, с энергией импульса в сотни джоулей при длительности в сотни наносекунд. При значительном удалении места разрушения горных пород от генератора импульсов, например при бурении скважин, передача энергии через передающие кабели малоэффективна и требует применения погружных генераторов высоковольтных импульсов, способных выдерживать значительные давления и температуры. Так же изобретение может быть использовано для питания сильноточных импульсных ускорителей с высокой частотой повторения.
Известно устройство высоковольтного импульсного источника на базе генератора Аркадьева-Маркса (Коршунов Г.С, Кисилев Г.А., Фортес Ю.Б. Исследование электрических характеристик разрядника, расположенного в циркулирующем трансформаторном масле. Электрон, обраб. материалов. 1969. N4. С.41-46), содержащее газоразрядный коммутатор, включенный перед буровым наконечником.
Основными недостатками этого генератора является необходимость использования передающей линии на полное напряжение и ограниченный ресурс из-за использования высоковольтного газоразрядного коммутатора.
Наиболее близким к предложенному решению является устройство магнитного сжатия импульса для генерации высоковольтных импульсов, имеющее полностью твердотельную систему коммутации с использованием в первичной цепи тиристора и повышающего импульсного трансформатора (RU №2089042, МПК Н03К 3/53, опубл. 27.08.1997 г.), содержащее также N последовательно соединенных звеньев магнитного сжатия. В каждом звене магнитного сжатия дополнительно к первым накопительным конденсаторам последовательно подключены вторые накопительные конденсаторы. Каждое звено содержит выходные магнитные ключи. Параллельно первому накопительному конденсатору каждого из магнитных звеньев, кроме первого, подключены дополнительные магнитные ключи.
Недостаток устройства в том, что удвоение напряжения в каждом звене сжатия требует использования дополнительных магнитных ключей. Кроме того, при перемагничивании выходного магнитного ключа каждого магнитного звена сжатия стоящий последовательно со вторым накопительным конденсатором дополнительный магнитный ключ так же перемагничивается. Это приводит к необходимости увеличения поперечного сечения сердечника дополнительного магнитного ключа, что существенно увеличивает массогабаритные параметры устройства. К недостаткам так же относится то, что при перемагничивании выходного магнитного ключа последнего звена сжатия на нагрузке формируется предимпульс напряжения. Это не желательно при использовании устройства для питания сильноточных наносекундных ускорителей с высокой частотой повторения импульсов.
Основным техническим результатом предложенного изобретения является снижение массогабаритных размеров магнитно-тиристорного генератора, повышение его надежности за счет уменьшения количества элементов.
Это достигается тем, что в известное устройство магнитного сжатия импульса, содержащее первичный емкостной накопитель, тиристорный ключ, входной импульсный трансформатор, магнитные звенья сжатия, причем первичный емкостной накопитель, первичная обмотка входного импульсного трансформатора и тиристорный ключ соединены последовательно, источник питания подключен параллельно тиристорному ключу, первое звено сжатия образованно из двух последовательно включенных конденсаторов и входного импульсного трансформатора, вторичная обмотка которого подключена параллельно одному из конденсаторов, дополнительно введен выходной импульсный трансформатор с ферромагнитным сердечником, первичная обмотка которого образована корпусом, а вторичные секторные обмотки уложены по спирали, и однослойная конусообразная катушка размагничивания, подключенная одним выводом к общей точке секторных обмоток, а другим выводом к первичной обмотке входного импульсного трансформатора. Такое решение позволяет обеспечить дополнительное размагничивание ферромагнитного сердечника выходного импульсного трансформатора до насыщения по отношению к магнитному состоянию последнего дросселя насыщения, а при его перемагничивании не перемагничивать сердечник импульсного трансформатора.
Для использования в нефтегазовой области магнитно-тиристорный генератор может быть выполнен погружным (внутрискважинным).
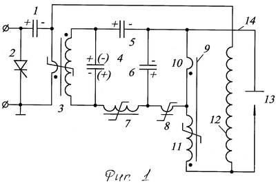
Пример конкретного выполнения. Сущность изобретения поясняется на фиг.1-3, где на фиг.1 приведена принципиальная электрическая схема предложенного генератора, на фиг.2 показана конструкция части магнитно-тиристорного генератора, соединенной с буровым наконечником, на фиг.3 приведены эпюры напряжений на конденсаторах 4, 5, 6, соответственно 18, 19, 20, импульс выходного напряжения 21 и ток индуктивности 22.
Генератор состоит из первичного емкостного накопителя 1, тиристора 2, входного импульсного трансформатора 3, магнитных звеньев сжатия, состоящих из конденсаторов 4, 5, 6, дросселей насыщения 7, 8, выходного импульсного трансформатора с ферромагнитным сердечником 9, первичной обмотки 10 и высоковольтной секторной обмотки 11, а так же однослойной конусообразной катушки размагничивания 12, искровых промежутков 13 бурового наконечника, 14 – корпус генератора. На фиг.2 показана конструкция части магнитно-тиристорного генератора, соединяемой с буровым наконечником. Первичная обмотка 10 выходного импульсного трансформатора образована корпусом 14, фланцем с отверстиями 15, трубой 16 для подачи буровой жидкости. Однослойная конусообразная катушка размагничивания 12 расположена в теле изолятора 17.
Генератор работает следующим образом. От наземного источника заряжается накопительный конденсатор 1 (фиг.1). Током заряда конденсатора размагничивается сердечник импульсного трансформатора 3. При достижении заданного напряжения на конденсаторе 1 включается тиристор 2. Конденсатор 1 разряжается на конденсаторы 4, 5. При заряде конденсатора 5 размагничиваются дроссели насыщения 7, 8 и сердечник импульсного трансформатора 9. Под действием напряжения на первичной обмотке трансформатора 3 в однослойной конусообразной катушке размагничивания 12 формируется импульс тока 22 (фиг.3), протекающий по высоковольтной обмотке 11, и сердечник 9 импульсного трансформатора дополнительно размагничивается. В момент времени t1 входной импульсный трансформатор 3 насыщается, конденсатор 4 перезаряжается. В течение времени t2÷t1 перемагничивается дроссель насыщения 7 и при его насыщении последовательно включенные конденсаторы 4, 5 разряжаются на конденсатор 6. Под действием напряжения конденсатора 6 начинает перемагничиваться дроссель насыщения 8. При этом ток перемагничивания дросселя 8 протекает и по первичной обмотке 10 выходного трансформатора. Если выполняется условие: (W1+W2)·I(t3) I , где I(I3) – значение тока индуктивности 12, I – ток насыщения дросселя 8, то при разряде конденсатора 6 на искровые промежутки 13 сердечник выходного импульсного трансформатора перемагничивается по полному циклу петли гистерезиса.
В предложенной конструкции (фиг.2) достигаются минимальные индуктивности контура коммутации за счет тороидальной, коаксиальной конструкции первичной обмотки выходного импульсного трансформатора, а так же за счет параллельного соединения вторичных секторных обмоток. Сердечник 9 импульсного трансформатора в момент формирования импульса напряжения 21 находится под высоковольтным потенциалом относительно корпуса 14, трубы 16, фланца 15. Деление этого потенциала осуществляется витками высоковольтной секторной обмотки 11, уложенной по спирали, что не требует дополнительной изоляции сердечника, упрощает конструкцию, уменьшает индуктивность рассеяния трансформатора. Конусообразная однослойная катушка размагничивания 12 одновременно позволяет обеспечить более равномерное деление потенциала по материалу изолятора 17. При формировании импульса на искровых промежутках 13 в конусообразной однослойной катушке размагничивания 12 возрастает ток, поэтому величину индуктивности следует увеличивать. С другой стороны, для выполнения условия размагничивания нужно обеспечить требуемое значение тока I(t3), возникающего в ней под действием напряжения на первичной обмотки входного импульсного трансформатора.
Таким образом, в звеньях сжатия дросселя насыщения находятся под одинаковым напряжением, что не требует увеличения поперечного сечения их сердечников в отличие от прототипа, где с повышением напряжения массогабаритные параметры дросселей насыщения увеличиваются. Снижение массогабаритных параметров в предложенном устройстве достигается за счет того, что увеличение напряжения происходит на последнем этапе с помощью выходного импульсного трансформатора, сердечник которого дополнительно размагничивается по отношению к магнитному состоянию дросселя насыщения последнего звена сжатия.
Формула изобретения
1. Магнитно-тиристорный генератор импульсов, содержащий первичный емкостной накопитель, тиристорный ключ, входной импульсный трансформатор, магнитные звенья сжатия, причем первичный емкостной накопитель, первичная обмотка входного импульсного трансформатора и тиристорный ключ соединены последовательно, источник питания подключен параллельно тиристорному ключу, первое звено сжатия образованно из двух последовательно включенных конденсаторов и входного импульсного трансформатора, вторичная обмотка которого подключена параллельно одному из конденсаторов, отличающийся тем, что дополнительно содержит выходной импульсный трансформатор с ферромагнитным сердечником, первичная обмотка которого образована корпусом, а вторичные секторные обмотки уложены по спирали, и однослойную конусообразную катушку размагничивания, подключенную одним выводом к общей точке секторных обмоток, а другим выводом к первичной обмотке входного импульсного трансформатора.
2. Магнитно-тиристорный генератор по п.1, отличающийся тем, что выполнен погружным.
РИСУНКИ
|
|