|
|
(21), (22) Заявка: 2004134550/11, 29.11.2004
(24) Дата начала отсчета срока действия патента:
29.11.2004
(43) Дата публикации заявки: 10.05.2006
(46) Опубликовано: 20.01.2008
(56) Список документов, цитированных в отчете о поиске:
SU 81278 A, 13.11.1956. RU 2091884 С, 27.09.1997. US 3959705, 25.05.1976. EP 0744814, 27.11.1996.
Адрес для переписки:
344038, г.Ростов-на-Дону, пл. Полка народного ополчения, 2, РГУПС, НИЧ
|
(72) Автор(ы):
Абусеридзе Зураб Васильевич (RU), Петрушин Александр Дмитриевич (RU), Селютин Юрий Владимирович (RU)
(73) Патентообладатель(и):
Абусеридзе Зураб Васильевич (RU), Петрушин Александр Дмитриевич (RU)
|
(54) ЭЛЕКТРОДВИГАТЕЛЬ РЕАКТИВНЫЙ ПЕРЕКЛЮЧАЕМЫЙ
(57) Реферат:
Изобретение относится к области электрических машин, в частности к электродигателям. Электродвигатель содержит статор с зубчатым магнитопроводом с обмоткой и щеткодеражтелем. Ротор выполнен с зубчатым магнитопроводом без обмотки, устройством для присоединения скользящих контактов щеткодержателя, выполненных в количестве, равном числу фаз обмотки плюс один общий, соединенный с питающим проводом. На роторе содержится устройство с чередующимися поверхностями из проводящего и непроводящего материала, расположенными таким образом, чтобы при повороте ротора через два контакта была подключена к источнику питания та фаза обмотки статора, которая обеспечит вращение ротора в заданную сторону. Параллельно каждой фазе обмотки подключены демпферные цепи. Технический результат заключается в повышении надежности и снижении стоимости конструкции электродвигателя. 2 ил.
Изобретение относится к электрическим двигателям и предназначено для приведения в движение машин и механизмов в случаях, когда определяющим фактором является минимальная стоимость двигателя и его высокая надежность в тяжелых условиях эксплуатации, например, в устройствах автоматики на железнодорожном транспорте.
Известен электродвигатель постоянного тока, близкий к заявляемому электродвигателю реактивному переключаемому (ЭРП) по признаку наличия механического скользящего контакта (коллектора): [Брускин Д.Э., Зорохович А.Е., Хвостов B.C. Электрические машины и микромашины. Учебник для вузов. – М.: Высш. школа, 1981. (стр.397)]. Однако двигатель постоянного тока (в обычном исполнении), в отличие от ЭРП, имеет более сложную конструкцию активной части: обмотку возбуждения на статоре (или постоянные магниты) и распределенную обмотку якоря на вращающейся части.
Также известен электродвигатель, обмотки которого коммутируются механическими скользящими контактами: патент США, номер по международной классификации WO 01/50578 А1, автор PENGOV, Wayne, А. Этот электродвигатель содержит статор с зубчатым магнитопроводом с обмоткой, щеткодержатель, обеспечивающий скользящий контакт с коммутатором ротора, ротор с зубчатым магнитопроводом без обмотки (реактивный) с коммутатором для присоединения скользящих контактов. Однако двигатель имеет большое количество скользящих контактов – шесть. Это снижает надежность работы и повышает стоимость двигателя.
Наиболее близким по своей технической сущности к ЭРП из уровня техники известны электродвигатели, содержащие статор с зубчатым магнитопроводом, несущим обмотку, щеткодержатель, ротор с зубчатым магнитопроводом без обмотки с коммутатором для присоединения скользящих контактов, расположенных на щеткодержателе в количестве, равном числу фаз обмотки плюс один общий, соединенный с питающим проводом, у которых коммутатор при повороте ротора подключает ту фазу обмотки статора, которая обеспечивает вращение ротора в заданную сторону (см. патент DE 1004706 от 1957 г. на 4-х стр.).
Изобретением решается задача уменьшения стоимости двигателя и повышения надежности его работы.
Это достигается тем, что в электродвигателе реактивном переключаемом, содержащем статор с обмоткой на зубчатом магнитопроводе, щеткодержатель, согласно изобретению на щеткодержателе расположены скользящие контакты в количестве, равном числу фаз обмотки плюс один общий, соединенный с питающим проводом, при этом на роторе содержится устройство с чередующимися поверхностями из проводящего и непроводящего материала, расположенными таким образом, чтобы при повороте ротора через два контакта была подключена к источнику питания та фаза обмотки статора, которая обеспечит вращение ротора в заданную сторону, причем параллельно каждой фазе обмотки подключены демпферные цепи.
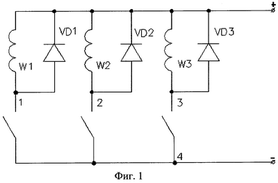
Изобретение поясняется графически. На фиг.1 показана схема питания ЭРП, а на фиг.2 изображена конструкция механического контакта для трехфазного симметричного варианта ЭРП.
ЭРП содержит три фазные обмотки W1, W2 и W3, параллельно которым включены демпферные цепи, состоящие из диодов VD1, VD2 и VD3. На статоре расположены скользящие контакты 1, 2 и 3, соединенные с фазными обмотками W1, W2, W3 соответственно. Имеется контакт 4, непрерывно соприкасающийся с проводящей поверхностью 5. Контакты 1, 2, 3 при вращении коммутатора попеременно соприкасаются с проводящей поверхностью 5 или с непроводящей поверхностью 6.
ЭРП работает следующим образом. Если требуется вращение ротора, например, по часовой стрелке, питание получает та фаза обмотки статора, зубцы которой находятся против пазов ротора, например фаза с обмоткой W1. Питание на эту фазу передается через механические скользящие контакты 1, 4 и проводящую поверхность 5. Ток, протекающий в обмотке W1, создает магнитное поле, и зубцы этой возбужденной фазы притягивают к себе зубцы ротора. Ротор начинает вращательное движение. При приближении к положению совпадения зубцов возбужденной фазы статора и зубцов ротора скользящий контакт 1 попадает на непроводящую поверхность 6 с таким расчетом, чтобы при полном совпадении зубцов ротора и зубцов рассматриваемой фазы статора ток уменьшился бы до нуля или до малого значения. Следующая фаза работает аналогично предыдущей с той лишь разницей, что начало ее работы сдвинуто на угол, определяемый числом фаз и соотношением чисел зубцов статора и ротора. При работе второй фазы с обмоткой W2 ток замыкается через контакты 2, 4 и проводящую поверхность 5. При работе третьей фазы с обмоткой W3 ток замыкается через контакты 3, 4 и проводящую поверхность 5. Во время вращения ротора, при разрыве механического контакта 1, или 2, или 3, ток в соответствующей фазе спадает, протекая через демпферные диоды, соответственно VD1 или VD2 или VD3.
Роль демпферных цепей заключается в сбросе электромагнитной энергии, накопленной в обмотке двигателя за один такт коммутации. Для особо тяжелых условий эксплуатации при температурах, превышающих допустимую рабочую температуру полупроводниковых элементов, в демпферной цепи вместо диодов VD1, VD2, VD3 могут использоваться варисторы с расширенным температурным диапазоном, самовостанавливающиеся предохранители и другие устройства.
Все фазы необязательно подсоединяются к одному питающему проводу, каждая фаза обмотки может подсоединяться к своему источнику питания или к фазе многофазной питающей сети.
Формула изобретения
Электродвигатель реактивный переключаемый, содержащий статор с обмоткой на зубчатом магнитопроводе, щеткодержатель, отличающийся тем, что на статоре на щеткодержателе расположены скользящие контакты в количестве, равном числу фаз обмотки плюс один общий, соединенный с питающим проводом, при этом на роторе содержится устройство с чередующимися поверхностями из проводящего и непроводящего материала, расположенными таким образом, чтобы при повороте ротора через два контакта была подключена к источнику питания та фаза обмотки статора, которая обеспечит вращение ротора в заданную сторону, причем параллельно каждой фазе обмотки подключены демпферные цепи.
РИСУНКИ
MM4A – Досрочное прекращение действия патента СССР или патента Российской Федерации на изобретение из-за неуплаты в установленный срок пошлины за поддержание патента в силе
Извещение опубликовано: 27.04.2009 БИ: 12/2009
|
|