|
|
(21), (22) Заявка: 2006138774/28, 02.11.2006
(24) Дата начала отсчета срока действия патента:
02.11.2006
(46) Опубликовано: 20.01.2008
(56) Список документов, цитированных в отчете о поиске:
Мясников Э.Н., Толстоусов С.В., Фроленков К.Ю. Эффект памяти в сегнетоэлектрических пленках Ba0,85Sr0,15TiO3 на кремниевой основе. – Физика твердого тела, 2004, т.46, вып.12, с.2193-2199. US 4935835 А, 19.06.1990. SU 1348907 A1, 20.09.1985. US 6773782 B2, 10.08.2004. US 7065033 B2, 20.06.2006. US 5481527 A, 02.01.1996.
Адрес для переписки:
302020, г.Орел, Наугорское ш., 29, ОрелГТУ
|
(72) Автор(ы):
Фроленков Константин Юрьевич (RU), Преснецов Николай Витальевич (RU), Фроленкова Лариса Юрьевна (RU), Преснецова Виктория Юрьевна (RU)
(73) Патентообладатель(и):
Государственное образовательное учреждение высшего профессионального образования “Орловский государственный технический университет” (ОрелГТУ) (RU)
|
(54) СПОСОБ ЗАПИСИ И ВОСПРОИЗВЕДЕНИЯ ИНФОРМАЦИИ В СТРУКТУРЕ С ПЛЕНКАМИ СЕГНЕТОЭЛЕКТРИКОВ НА КРЕМНИЕВОЙ ОСНОВЕ
(57) Реферат:
Изобретение относится к вычислительной технике и может быть использовано в запоминающих устройствах персональных ЭВМ. Запись информации осуществляют путем сканирования над поверхностью регистрирующего слоя носителя информации вольфрамовым зондом, на который подают импульсы напряжения в соответствии с заданным кодом. Воспроизведение информации осуществляют путем измерения девиации частоты генератора воспроизведения при сканировании этим же зондом над дорожкой записи. При этом в качестве носителя информации используют структуру с пленками сегнетоэлектриков на кремниевой основе, выполненную в форме диска, на рабочей поверхности которого сформированы концентрические дорожки в виде последовательно сменяющих друг друга канавок, слежение за которыми при вращении носителя информации осуществляют с помощью оптической сервосистемы, жестко связанной со сканирующим зондом. Технический результат состоит в том, что предлагаемый способ позволяет существенно повысить поперечную плотность записи информации на носителе за счет обеспечения надежности слежения за информационной дорожкой. 1 табл., 1 ил.
Изобретение относится к вычислительной технике и может быть использовано в запоминающих устройствах персональных ЭВМ.
Известен [1] сегнетоэлектрический накопитель информации, содержащий носитель информации в виде сегнетоэлектрической пластины, прижимной элемент, выполненный из двух пластин проводящего материала с укрепленной на одной из пластин демпфирующей прокладкой упругого диэлектрического материала, электроды записи считывания, выполненные в виде проводников гибкой печатной платы, и электрод нулевого потенциала.
К недостаткам указанного накопителя информации можно отнести относительно низкую плотность записи информации ввиду использования объемных элементов, а также сложность его изготовления.
Наиболее близким техническим решением, выбранным в качестве прототипа, является способ записи и воспроизведения информации в сегнетоэлектрических пленках на кремниевой основе [2], согласно которому запись информации осуществляют путем сканирования над поверхностью сегнетоэлектрической пленки вольфрамовым зондом, на который подают импульсы напряжения в соответствии с заданным кодом, а воспроизведение информации осуществляют путем измерения девиации частоты генератора воспроизведения при сканировании этим же зондом над дорожкой записи.
К недостаткам этого способа следует отнести сложность слежения за информационной дорожкой и, в связи с этим, относительно низкую поперечную плотность записи информации.
Задача, на решение которой направлено изобретение, состоит в повышении поперечной плотности записи информации на носитель и обеспечении надежности слежения за информационной дорожкой.
Это достигается тем, что в способе записи и воспроизведения информации в структуре с пленками сегнетоэлектриков на кремниевой основе в отличие от прототипа запись осуществляют на сформированные в рабочем слое дискового носителя информации методами фотолитографии и плазмохимического травления концентрические дорожки, выполненные в виде последовательно сменяющих друг друга канавок, слежение за которыми при вращении носителя информации производят с помощью оптической сервосистемы, жестко связанной со сканирующим зондом записи-воспроизведения.
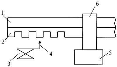
Сущность изобретения поясняется чертежом, на котором схематично изображено устройство, реализующее способ.
Способ реализуют следующим образом. На кремниевую основу 1, изготовленную в форме диска, наносят методом ВЧ распыления сегнетоэлектрическую пленку 2 толщиной 0,5 мкм, в которой методами фотолитографии и плазмохимического травления формируют концентрические дорожки, выполненные в виде последовательно сменяющих друг друга канавок шириной порядка 0,8 мкм и глубиной, равной четверти длины волны используемого в оптической сервосистеме слежения 3 лазерного излучения. Запись и воспроизведение информации при вращении диска осуществляют при помощи вольфрамового зонда 4. Вращение диска обеспечивается электродвигателем 5. Диск закреплен на шпинделе 6 электродвигателя.
Для экспериментальной проверки предлагаемого способа были изготовлены носители информации и оценена в соответствии с методикой, изложенной в [2], продольная и поперечная плотность записи информации на них.
Полученные данные приведены в таблице.
| Таблица |
| Плотность записи информации |
Носитель информации, изготовленный в соответствии с предлагаемым способом |
Прототип |
| Продольная, бит./мм |
>103 |
>103 |
| Поперечная, дорожка/мм |
600 |
50 |
Технический результат состоит в том, что предлагаемый способ позволяет существенно повысить поперечную плотность записи информации на носителе за счет обеспечения надежности слежения за информационной дорожкой.
Источники информации
1. Авторское свидетельство СССР № 1348907 A1, МПК G11C 11/22.
2. Мясников Э.Н., Толстоусов С.В., Фроленков К.Ю. Эффект памяти в сегнетоэлектрических пленках Ba0,85Sr0,15 TiO3
Формула изобретения
Способ записи и воспроизведения информации в структуре с пленками сегнетоэлектриков на кремниевой основе, заключающийся в записи информации путем сканирования над поверхностью регистрирующего слоя носителя информации вольфрамовым зондом, на который подают импульсы напряжения в соответствии с заданным кодом, и воспроизведении путем измерения девиации частоты генератора воспроизведения при сканировании этим же зондом над дорожкой записи, отличающийся тем, что запись осуществляют на сформированные в рабочем слое дискового носителя информации методами фотолитографии и плазмохимического травления концентрические дорожки, выполненные в виде последовательно сменяющих друг друга канавок, слежение за которыми при вращении носителя информации производят с помощью оптической сервосистемы, жестко связанной со сканирующим зондом.
РИСУНКИ
MM4A – Досрочное прекращение действия патента СССР или патента Российской Федерации на изобретение из-за неуплаты в установленный срок пошлины за поддержание патента в силе
Дата прекращения действия патента: 03.11.2008
Извещение опубликовано: 10.08.2010 БИ: 22/2010
|
|