Изобретение относится к вычислительной технике, в частности к автоматизированной системе ведения имущественных данных кандидатов и депутатов в базе данных Государственной автоматизированной системы «ВЫБОРЫ». Техническим результатом является повышение быстродействия системы путем локализации адресов запрашиваемых данных кандидатов и депутатов по идентификатору начальных букв фамилии, имени, отчества личности. Система содержит блок приема данных актуализации базы данных сервера, блок идентификации опорного адреса базы данных сервера, блок определения интервала поиска данных, блок формирования сигналов записи и считывания базы данных сервера, блок запроса имущественных данных кандидатов и депутатов, блок идентификации личности кандидатов и депутатов, блок приема записей базы данных сервера, блок идентификации стоимости имущественных данных. 9 ил.
Изобретение относится к вычислительной технике, в частности к автоматизированной системе ведения имущественных данных кандидатов и депутатов в базе данных Государственной автоматизированной системы «ВЫБОРЫ».
Особенность поставленной технической задачи состоит в том, чтобы система обеспечила сбор имущественных данных кандидатов и депутатов в базе данных Центральной избирательной комиссии, их актуализацию по данным налоговых и иных источников информации и выдачу справок по имущественным данным кандидатов и депутатов для их представления избирателям.
Состав сведений, которые обязан сообщить кандидат при своем выдвижении в тех или иных выборах, определен Федеральным законом «Об основных гарантиях избирательных прав и права на участие в референдуме граждан Российской Федерации» [2].
В указываемый перечень входят основные идентификационные сведения гражданина: фамилия, имя, отчество (если имеется), дата и место рождения, пол. Кандидат обязан также сообщить свои место проживания, работу и должность (род занятий), уровень образования, атрибуты документа, удостоверяющего личность, и сведения о доходах и имуществе.
Известны технические решения, которые могли бы быть использованы для построения подобной системы (1, 2).
Первая из известных систем содержит блоки приема и хранения данных, соединенные с блоками управления и обработки данных, блоки поиска и селекции, подключенные к блокам хранения данных, и отображения, синхронизирующие входы которых соединены с выходами блока управления (3).
Существенный недостаток данной системы состоит в невозможности решения задачи обновления данных одновременно с решением задачи выдачи содержания этих данных в реальном масштабе времени.
Известна и другая система, содержащая блоки обработки данных, информационные входы которых соединены с блоками приема данных и управления, а выходы подключены к первой группе блоков памяти, центральный процессор, входы которого соединены с выходами блоков памяти первой группы и блоков обработки данных, а выходы соединены с входами блоков памяти второй группы и блоков отображения данных (2).
Последнее из перечисленных выше технических решений наиболее близко к описываемому.
Его недостаток заключается в невысоком быстродействии системы, обусловленном тем, что выполнение процедуры запросов актуализируемых данных кандидатов и депутатов реализуется через поиск записей по всей базе данных и их последующей обработке центральным процессором, что при больших объемах актуализируемых данных неизбежно приведет к большим затратам времени.
Цель изобретения – повышение быстродействия системы путем локализации адресов актуализируемых данных кандидатов и депутатов в интегрированной базе данных избирательной системы по идентификаторам начальных букв фамилии, имени, отчества кандидатов и депутатов.
Поставленная цель достигается тем, что в известную систему, содержащую блок приема данных актуализации базы данных сервера, информационный и синхронизирующий входы которого являются первыми информационным и синхронизирующим входами системы, при этом информационный вход блока приема данных актуализации базы данных сервера предназначен для приема входных сообщений, синхронизирующий вход блока приема данных актуализации базы данных сервера предназначен для приема синхронизирующих сигналов занесения входных сообщений в блок приема данных актуализации базы данных сервера, первый информационный выход блока приема данных актуализации базы данных сервера является первым информационным выходом системы, а первый управляющий выход блока приема данных актуализации базы данных сервера соединен с управляющим входом блока запроса имущественных данных кандидатов и депутатов, блок формирования сигналов записи и считывания базы данных сервера, информационный выход которого является адресным выходом системы, а первый и второй синхронизирующие выходы блока формирования сигналов записи и считывания базы данных сервера являются первым и вторым синхронизирующими выходами системы, при этом адресный выход системы предназначен для выдачи адресов записи и считывания данных на адресный вход сервера базы данных, а первый и второй синхронизирующие выходы системы предназначены для выдачи сигналов управления на входы первого и второго каналов прерывания сервера базы данных соответственно, блок запроса имущественных данных кандидатов и депутатов, первый и второй информационные входы которого являются вторым и третьим информационными входами системы, предназначенными для приема запросов пользователей с автоматизированных рабочих мест пользователей соответственно, первый и второй синхронизирующие входы блока запроса имущественных данных кандидатов и депутатов являются вторым и третьим синхронизирующими входами системы, предназначенными для приема синхронизирующих сигналов занесения запросов пользователей в блок запроса имущественных данных кандидатов и депутатов, блок приема записей базы данных сервера, информационный вход которого является четвертым информационным входом системы, предназначенным для приема имущественных данных кандидатов и депутатов из базы данных сервера системы, синхронизирующий вход блока приема записей базы данных сервера является четвертым синхронизирующим входом системы, предназначенным для приема синхронизирующих сигналов сервера системы для занесения имущественных данных кандидатов и депутатов в блок приема записей базы данных сервера, первый управляющий вход блока приема записей базы данных сервера соединен с первым управляющим выходом блока запроса имущественных данных кандидатов и депутатов, а второй управляющий вход блока приема записей базы данных сервера подключен ко второму управляющему выходу блока запроса имущественных данных кандидатов и депутатов, один информационный выход блока приема записей базы данных сервера является вторым информационным выходом системы, предназначенным для выдачи имущественных данных кандидатов и депутатов на автоматизированные рабочие места пользователей, введены блок идентификации опорного адреса базы данных сервера, один информационный вход которого соединен со вторым выходом блока приема данных актуализации базы данных сервера, другой информационный вход блока идентификации опорного адреса базы данных сервера подключен к первому информационному выходу блока запроса имущественных данных кандидатов и депутатов, один синхронизирующий вход блока идентификации опорного адреса базы данных сервера соединен с первым синхронизирующим выходом блока приема данных актуализации базы данных сервера, а другой синхронизирующий вход блока идентификации опорного адреса базы данных сервера подключен к синхронизирующему выходу блока запроса имущественных данных кандидатов и депутатов, при этом первый информационный выход блока идентификации опорного адреса базы данных сервера соединен с информационным входом блока формирования сигналов записи и считывания базы данных сервера, а синхронизирующий выход блока идентификации опорного адреса базы данных сервера подключен к синхронизирующему входу блока формирования сигналов записи и считывания базы данных сервера, блок идентификации личности кандидатов и депутатов, первый информационный вход которого соединен с третьим информационным выходом блока приема данных актуализации базы данных сервера, второй информационный вход блока идентификации личности кандидатов и депутатов подключен ко второму информационному выходу блока запроса имущественных данных кандидатов и депутатов, третий информационный вход блока идентификации личности кандидатов и депутатов соединен с первым информационным выходом блока приема записей базы данных сервера, первый управляющий вход блока идентификации личности кандидатов и депутатов подключен к первому управляющему выходу блока приема данных актуализации базы данных сервера, второй управляющий вход блока идентификации личности кандидатов и депутатов соединен со вторым управляющим выходом блока приема данных актуализации базы данных сервера, а синхронизирующий вход блока идентификации личности кандидатов и депутатов подключен к первому синхронизирующему выходу блока приема записей базы данных сервера, блок идентификации стоимости имущественных данных, один информационный вход которого соединен с третьим информационным выходом блока приема записей базы данных сервера, другой информационный вход блока идентификации стоимости имущественных данных является пятым информационным входом системы, предназначенным для приема показателей стоимости имущества с автоматизированных рабочих мест пользователей, первый синхронизирующий вход блока идентификации стоимости имущественных данных соединен со вторым синхронизирующим выходом блока приема записей базы данных сервера, а второй синхронизирующий вход блока идентификации стоимости имущественных данных является пятым синхронизирующим входом системы, предназначенным для приема синхронизирующих сигналов занесения показателей стоимости имущества в блок идентификации стоимости имущественных данных, и блок определения интервала поиска данных, информационный вход которого соединен со вторым информационным выходом блока идентификации опорного адреса базы данных сервера, синхронизирующий вход блока определения интервала поиска данных подключен к синхронизирующему выходу блока идентификации опорного адреса базы данных сервера, первый управляющий вход блока определения интервала поиска данных соединен с первым управляющим выходом блока приема данных актуализации базы данных сервера, второй управляющий вход блока определения интервала поиска данных подключен ко второму управляющему выходу блока приема данных актуализации базы данных сервера, третий управляющий вход блока определения интервала поиска данных соединен со вторым управляющим выходом блока запроса имущественных данных кандидатов и депутатов, первый счетный вход блока определения интервала поиска данных соединен с первым выходом блока идентификации личности кандидатов и депутатов, второй счетный вход блока определения интервала поиска данных подключен к первому выходу блока идентификации стоимости имущественных данных, третий счетный вход блока определения интервала поиска данных подключен ко второму выходу блока идентификации стоимости имущественных данных, первый выход блока определения интервала поиска данных соединен с первым счетным входом блока формирования сигналов записи и считывания базы данных сервера, второй выход блока определения интервала поиска данных подключен ко второму счетному входу блока формирования сигналов записи и считывания базы данных сервера, третий выход блока определения интервала поиска данных является первым сигнальным выходом системы, предназначенным для выдачи сигналов об отсутствии данных по запрашиваемому кандидату и депутату в базе данных системы, а четвертый выход блока определения интервала поиска данных соединен с установочным входом блока запроса имущественных данных кандидатов и депутатов и является вторым сигнальным выходом системы, предназначенным для выдачи сигналов окончания цикла формирования списка кандидатов и депутатов, при этом второй выход блока идентификации личности кандидатов и депутатов соединен с тактирующим входом блока формирования сигналов записи и считывания базы данных сервера, третий выход блока идентификации личности кандидатов и депутатов является третьим сигнальным выходом системы, предназначенным для выдачи сигналов управления о выдаче имущественных данных по запросу пользователя, второй выход блока идентификации стоимости имущественных данных является четвертым сигнальным выходом системы, предназначенным для выдачи сигналов управления формированием списка кандидатов и депутатов, а второй синхронизирующий выход блока формирования сигналов записи и считывания базы данных сервера соединен с установочным входом блока приема данных актуализации базы данных сервера.
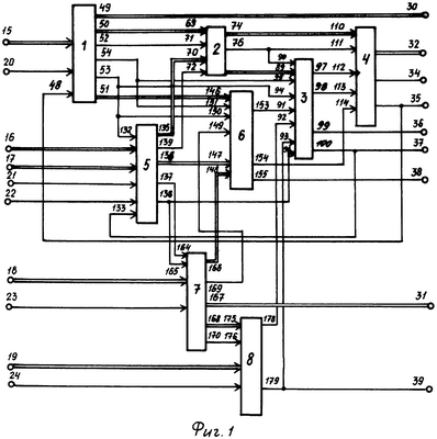
Сущность изобретения поясняется чертежами, где на фиг.1 представлена структурная схема системы, на фиг.2 – структурная схема блока приема входных сообщений, на фиг.3 – структурная схема блока селекции базового адреса избирательной комиссии, на фиг.4 – структурная схема блока селекции интервалов записи и выборки данных, на фиг.5 – структурная схема блока модификации адресов записи данных, на фиг.6 – структурная схема блока селекции интервалов выверки данных, на фиг.7 – структурная схема блока селекции опорного адреса считывания базы данных сервера, на фиг.8 – структурная схема блока определения границ выборки данных базы данных сервера
Система (фиг.1) содержит блок 1 приема данных актуализации базы данных сервера, блок 2 идентификации опорного адреса базы данных сервера, блок 3 определения интервала поиска данных, блок 4 формирования сигналов записи и считывания базы данных сервера, блок 5 запроса имущественных данных кандидатов и депутатов, блок 6 идентификации личности кандидатов и депутатов, блок 7 приема записей базы данных сервера, блок 8 идентификации стоимости имущественных данных.
На фиг.1 показаны первый 15, второй 16, третий 17, четвертый 18 и пятый 19 информационные входы системы, первый 20, второй 21, третий 22, четвертый 23 и пятый 24 синхронизирующие входы системы, а также первый 30 и второй 31 информационные выходы системы, адресный 32 выход системы, первый 34 и второй 35 синхронизирующие выходы системы, первый 36, второй 37, третий 38 и четвертый 39 сигнальные выходы системы.
Блок 1 приема данных актуализации базы данных сервера (фиг.2) содержит регистр 40, триггер 41, элементы 42, 43 И, элемент 44 задержки. На чертеже показаны информационный 15, синхронизирующий 20 и установочный 48 входы, а также первый 49, второй 50 и третий 51 информационные выходы, синхронизирующий 52, первый 53 и второй 54 управляющие выходы.
Блок 2 (фиг.3) идентификации опорного адреса базы данных сервера содержит постоянное запоминающее устройство 60, дешифратор 61, элементы 62-64 И, группу элементов 65 ИЛИ, элемент 66 ИЛИ, элемент 67 задержки. На чертеже показаны информационные 69, 70 и синхронизирующие 71, 72 входы, а также информационные 74 и 75 и синхронизирующий 76 выходы.
Блок 3 (фиг.4) определения интервала поиска данных содержит элемент 79 И, компаратор 80, регистр 81, счетчик 82, элемент 83 ИЛИ, элементы 84, 85 И, элемент 86 задержки. На чертеже показаны информационный 89, синхронизирующий 90 и счетные 91-93 входы, управляющие 94, 95 и тактирующий 96 входы, а также первый 97, второй 98, третий 99 и четвертый 100 выходы.
Блок 4 (фиг.5) формирования сигналов записи и считывания базы данных сервера содержит счетчик 101, элементы 102-104 ИЛИ, элементы 105, 106 задержки. На чертеже показаны информационный 110 вход, первый 111 синхронизирующий вход, первый 112 и второй 113 счетные входы, второй 114 а также информационный 32 и первый 34 и второй 35 синхронизирующие выходы.
Блок 5 (фиг.6) запроса имущественных данных кандидатов и депутатов содержит регистры 120, 121, триггер 122, группы 123-125 элементов И, группу 126 элементов ИЛИ, элементы 127, 128 И, элементы 129, 130 ИЛИ, элемент 131 задержки. На чертеже показаны первый 16 и второй 17 информационные входы, первый 21 и второй 22 синхронизирующие входы, управляющий вход 132 и установочный вход 133, а также информационные 135, 136 выходы, управляющие 137, 138 выходы и синхронизирующий 139 выход.
Блок 6 (фиг.7) идентификации личности кандидатов и депутатов содержит компаратор 141, группу 142 элементов ИЛИ и элементы 143-144 И. На чертеже показаны информационные 146-148 входы, синхронизирующий 149 и управляющие 150, 151 входы, а также выходы 153-155.
Блок 7 (фиг.8) приема записей базы данных сервера содержит регистр 160, элементы 161, 162 И, элемент 163 задержки. На чертеже показаны информационный 18 и синхронизирующий 23 входы, первый 164 и второй 165 управляющие входы, а также первый 166, второй 167 и третий 168 информационные выходы, первый 169 и второй 170 синхронизирующие выходы.
Блок 8 (фиг.9) идентификации стоимости имущественных данных содержит регистр 172 и компаратор 173. На чертеже показаны информационные 19, 175 входы, синхронизирующие 24, 176 входы, а также первый 178 и второй 179 выходы.
Все узлы и элементы системы выполнены на стандартных потенциально-импульсных элементах. Для упрощения чертежа цепи начальной установки узлов и блоков в исходное состояние не показаны.
Система работает в двух режимах:
– режиме актуализации базы имущественных данных кандидатов и депутатов;
– режиме выдачи справок по имущественным данным кандидатов и депутатов.
В режиме актуализации базы данных от различных источников информации, предоставляющих имущественные данные кандидатов и депутатов, на вход 15 системы поступают информационные сообщения в виде кодограмм, имеющих следующую структуру:
| КОД |
КОД |
КОД |
| Идентификатор кодовой комбинации, образованной начальными буквами Фамилии, Имени, Отчества кандидатов и депутатов |
Идентификационные данные личности кандидата: фамилия; имя; отчество; дата рождения |
ОСТАЛЬНЫЕ АТРИБУТЫ СВЕДЕНИЙ О имущественных данных, включая общую стоимость имущества |
Вся кодограмма входного сообщения с входа 15 системы поступает на информационные входы регистра 40 блока 1.
Для занесения кодограммы в регистр 40 на вход 20 системы поступает синхронизирующий импульс, который, во-первых, подается на синхронизирующий вход регистра 40.
Во-вторых, этот же импульс поступает на прямой вход триггера 41 установки режима приема входных сообщений и устанавливает его в единичное состояние, при котором высоким потенциалом с прямого выхода триггера 41 будут открыты группы 42, 43 элементов И, через которые выходы 56 и 57 регистра 40 будут подключены к выходам 50 и 51 соответственно.
В результате этого на выходы 49-51 блока 1 будут выданы следующие данные:
| ВЫХОД 49 |
ВЫХОД 50 |
ВЫХОД 51 |
| СВЕДЕНИЯ о имущественных данных кандидата (депутата), включая общую стоимость имущества |
Идентификатор кодовой комбинации, образованной начальными буквами Фамилии, Имени, Отчества кандидатов и депутатов |
Идентификационные данные личности кандидата (депутата): фамилия; имя; отчество; дата рождения |
С выхода 50 код идентификатора кодовой комбинации через вход 69 блока 2 и элементы 65 И группы поступает на вход дешифратора 61, а идентификационные данные личности кандидата (депутата) с выхода 51 блока 1 через вход 146 блока 6 и элементы 142 ИЛИ группы поступает на вход компаратора 141.
В-третьих, синхронизирующий импульс с входа 20 системы задерживается элементом 44 на время занесения входной кодограммы в регистр 40 и установки триггера 41 в единичное состояние и с выхода 52 блока 1 выдается на вход 71 блока 2.
Дешифратор 61 блока 2 расшифровывает код идентификатора кодовой комбинации, образованной начальными буквами фамилии, имени, отчества кандидата (депутата) и открывает по одному входу один из элементов элемент 62-64 И, соответствующий поступившей кодовой комбинации.
Одновременно с этим, синхронизирующий импульс с входа 71 блока 2 через элемент 66 ИЛИ проходит соответствующий элемент 62-64 И на вход соответствующей фиксированной ячейки памяти ПЗУ 60, в которой находится базовый адрес зоны памяти базы данных сервера, в которой хранятся данные кандидатов и депутатов, фамилии, имена и отчества которых соответствуют данной кодовой комбинации их начальных букв ФИО, и количество таких записей в базе данных сервера.
Структура записи данных в фиксированных ячейках ПЗУ имеет следующий вид:
| КОД (выход 74 блока 2) |
КОД (выход 75 блока 2) |
| Базовый адрес зоны памяти базы данных сервера, в которой хранятся записи данных кандидатов и депутатов, фамилии, имена и отчества которых соответствуют заданной кодовой комбинации их начальных букв ФИО. |
Количество записей данных кандидатов (депутатов), хранящихся в выделенной зоне памяти базы данных сервера. |
С выхода 74 блока 2 код базового адреса зоны памяти базы данных сервера, в которой хранятся данные кандидатов и депутатов, фамилии, имена и отчества которых соответствуют данной кодовой комбинации их начальных букв ФИО через вход 110 блока 4 поступает на информационный вход счетчика 101, а с выхода 75 код количества подобных записей через вход 89 блока 3 поступает на информационный вход регистра 81 блока 3.
Параллельно с этим, синхронизирующий импульс с выхода элемента 66 ИЛИ блока 2 задерживается элементом 67 на время считывания базового адреса из ПЗУ 60 и, с выхода 76 блока 2, во-первых, через вход 111 блока 4 поступает на синхронизирующий вход счетчика 101, занося в него код указанного базового адреса, который с выхода сетчика 101 выдается на первый адресный выход 32 системы.
Во-вторых, синхронизирующий импульс с выхода 76 блока 2 через вход 90 блока 3 поступает на синхронизирующий вход регистра 81 и заносит в него код числа записей с заданной кодовой комбинацией начальных букв ФИО, который с выхода регистра 81 подается на один из входов компаратора 80.
И, наконец, в-третьих, тот же синхронизирующий импульс с входа 111 блока 4 проходит элемент 103 ИЛИ, задерживается элементом 105 на время занесения кода базового адреса в счетчик 101 и выдается на выход 34 системы в качестве сигнала управления считыванием данных базы данных сервера.
Этот сигнал поступает на вход первого канала прерывания сервера базы данных, с приходом которого сервер базы данных переходит на подпрограмму опроса содержимого первой ячейки памяти зоны памяти базы данных сервера, выделенной для хранения имущественных данных кандидатов и депутатов, фамилии, имена и отчества которых соответствуют заданной кодовой комбинации их начальных букв по адресу, установленному на выходе 32 системы, считыванию и выдаче первой записи через вход 18 системы на информационный вход регистра 160 блока 7, в который первая считанная запись и заносится синхронизирующим импульсом, поступающим на синхронизирующий вход регистра 160 блока 7 с входа 23 системы.
Структура считанной записи на выходах 166-168 регистра 160 блока 7 будет иметь следующий вид:
| ВЫХОД 166 |
ВЫХОД 167 |
ВЫХОД 168 |
| Идентификационные данные личности кандидата (депутата): фамилия; имя; отчество; дата рождения |
СВЕДЕНИЯ об имущественных данных кандидата (депутата) |
Общая стоимость имущества |
С выхода 166 блока 7 идентификационные данные личности кандидата (депутата) через вход 148 блока 6 поступают на другой вход компаратора 141 блока 6, с выхода 167 блока 6 сведения об имущественных данных выдаются на выход 31 системы, а с выхода 168 код величины общей стоимости имущества кандидатов (депутатов) через вход 175 блока 8 поступает на один из входов компаратора 173 блока 8.
Параллельно с этим, синхронизирующий импульс с входа 23 системы задерживается элементом 163 на время занесения кода первой записи в регистр 160 и поступает на одни входы элементов 161, 162 И, состояние которых определяется состоянием триггера 122 блока 5, который к настоящему моменту времени находится в исходном состоянии, при котором высоким потенциалом триггера 122, выдаваемого с выхода 137 блока 5 через вход 164 блока7 элемент 161 И будет открыт.
В результате этого, синхронизирующий импульс с выхода элемента 163 задержки проходит элемент 161 на выход 169 блока 7 и далее через вход 149 блока 141 поступает на синхронизирующий вход компаратора 141.
По поступившему синхронизирующему импульсу компаратор 141 сравнивает идентификационные данные кандидата (депутата), поступившие с входа 146 блока 6 с идентификационными данными кандидата (депутата), содержащимися в первой считанной записи базы данных сервера, и поступившими на вход 148 блока 6.
Если идентификационные данные кандидатов (депутатов) не совпали, то на первом выходе компаратора 141 блока 6 формируется сигнал, который с выхода 153 блока 6 через вход 91 блока 3 проходит элемент 83 ИЛИ и, во-первых, поступает на счетный вход счетчика 82, подсчитывающего число просмотренных записей.
Во-вторых, этот же импульс с выхода элемента 83 ИЛИ задерживается элементом 86 задержки на время срабатывания счетчика 82 и поступает на синхронизирующий вход компаратора 80, сравнивающего заданное число записей регистра 81 с числом выполненных записей, зафиксированных счетчиком 82.
Учитывая, что к настоящему моменту времени показания счетчика 82 намного меньше заданного числа записей регистра 81, то на выходе 87 компаратора 80 формируется сигнал, который с выхода 97 блока 3 через вход 112 блока 4 проходит элемент 102 ИЛИ и поступает на счетный вход счетчика 101, увеличивая его показания на единицу и, тем самым, формируя адрес считывания очередной записи базы данных сервера, который выдается на выход 32 системы.
Параллельно с этим, тот же синхронизирующий импульс с входа 112 блока 4 проходит элемент 103 ИЛИ, задерживается элементом 105 на время срабатывания счетчика 101 и вновь выдается на выход 34 системы в качестве сигнала управления считыванием данных базы данных сервера.
Этот сигнал вновь поступает на вход первого канала прерывания сервера базы данных, с приходом которого сервер базы данных переходит на подпрограмму опроса содержимого очередной ячейки памяти зоны памяти базы данных сервера по адресу, установленному на выходе 32 системы, считыванию и выдаче очередной записи через вход 18 системы на информационный вход регистра 160 блока 7, в который очередная считанная запись и заносится синхронизирующим импульсом, поступающим на синхронизирующий вход регистра 160 блока 7 с входа 23 системы.
Если же в результате сравнения входных кодов компаратор 141 зафиксирует совпадение входных идентификационных данных, то на его другом выходе формируется сигнал, который поступает на входы элементов 143, 144 И, состояние которых определяется состоянием триггера 41 блока 1.
Учитывая, что триггер 41 блока 1 находится в единичном состоянии, то высоким потенциалом с его единичного выхода через выход 54 блока 1, поступающим на вход 151 блока 6 элемент 143 будет открыт. В результате этого импульс с другого выхода компаратора 141 проходит элемент 143 И на выход 154 блока 6 в качестве первого сигнала управления записью входного сообщения по адресу, установленному на выходе 32 системы.
С этой целью данный синхронизирующий импульс с выхода 154 блока 6 через вход 114 проходит элемент 114 ИЛИ, задерживается элементом 106 и с выхода 35 в качестве сигнала управления записью выдается на вход второго канала прерывания сервера базы данных. По этому сигналу сервер базы данных переходит на подпрограмму записи входного сообщения с информационного выхода 30 системы по адресу, сформированному на выходе 32.
Кроме того, этот же импульс с выхода 35 системы поступает на установочный вход 48 блока 1 и далее на установочный вход триггера 41, возвращая его в исходное состояние и переводя систему в режим выдачи справочной информации.
Если же в результате считывания всех записей имущественной базы данных с заданной кодовой комбинацией начальных букв ФИО не будет зафиксировано совпадения идентификационных данных ни одного из кандидатов (депутатов), то это будет зафиксировано компаратором 80 блока 3, который при сравнении показаний регистра 81 и счетчика 82 выдаст на выход 88 синхронизирующий сигнал, поступающий на одни входы элементов 84, 85 И, состояние которых также определяется триггером 41 блока 1.
Учитывая, что в режиме приема входных сообщений триггер 41 блока 1 находится в единичном состоянии, то элемент 84 И будет открыт. В результате этого синхронизирующий импульс с выхода 98 блока 3, во-первых, через элемент 102 ИЛИ проходит на счетный вход счетчика 101, увеличивая его показания на единицу, а, во-вторых, через элемент 104 ИЛИ задерживается элементом 106 на время срабатывания счетчика и выдается на выход 35 системы в качестве сигнала управления записью входного сообщения в базу данных системы по адресу, сформированному на выходе 32 системы описанным выше образом.
При функционировании системы во втором режиме работы возможны запросы двух типов.
Во-первых, запросы на получение имущественных данных кандидатов(депутатов) с указанием конкретных идентификационных данных кандидатов (депутатов).
Во-вторых, запросы на получение списка кандидатов (депутатов), стоимость имущества которых превышает некоторый установленный предел.
При реализации запросов первого типа на вход 16 системы и далее на вход регистра 120 блока 5 поступает кодограмма запроса, которая синхронизирующим импульсом, поступающим на вход 21, заносится в регистр 120. При этом синхронизирующий импульс с входа 21 поступает через элемент 128, состояние которого также определяется потенциалом триггера 41 блока 1, поступающим с выхода 53 блока 1 на вход 132 блока 5.
Таким образом, если триггер 41 находится в режиме приема входных сообщений, то низким потенциалом с инверсного выхода триггера 41 блока 1 элемент 128 будет закрыт, и, следовательно, выполнение запросов пользователей будет блокировано.
Если же система не находится в режиме приема входных сообщений, то триггер 41 блока 1 находится в исходном состоянии, при котором элемент 128 И открыт.
Структура кодограммы запроса на выходах 205,206 регистра 120 имеет следующий вид
| ВЫХОД 205 |
ВЫХОД 206 |
| Идентификатор кодовой комбинации, образованной начальными буквами Фамилии, Имени, Отчества кандидата (депутата) |
Идентификационные данные личности кандидата (депутата): фамилия; имя; отчество; дата рождения |
Выход 205 регистра 120 блока 5 соединен с выходом 135 и 136 блока 5 через элементы 124 И групп 124 и элементы 126 ИЛИ группы, а выход 206 соединен с выходом 136 блока 5 через элементы 123 И группы, состояние которых определяется состоянием триггера 122, обеспечивающего выполнение либо режима выдачи справок по конкретным кандидатам (депутатам), если триггер находится в исходном состоянии, либо выполнение режима выдачи справок по списку кандидатов.
В данном случае триггер 122 находится в исходном состоянии, при котором высоким потенциалом с инверсного выхода триггера 122 открыты элементы 123 и 124 И групп.
С выхода 135 код идентификатора кодовой комбинации через вход 70 блока 2 и элементы 65 И группы поступает на вход дешифратора 61, а идентификационные данные личности кандидата (депутата) с выхода 136 блока 5 через вход 147 блока 6 и элементы 142 ИЛИ группы поступает на вход компаратора 141.
Кроме того, синхронизирующий импульс с входа 21 системы проходит элемент 130 ИЛИ, задерживается элементом 131 на время занесения кодограммы запроса в регистр 120, и с выхода 139 блока 1 выдается на вход 72 блока 2.
Дешифратор 61 блока 2 расшифровывает код идентификатора кодовой комбинации, образованной начальными буквами фамилии, имени, отчества кандидата (депутата) и открывает по одному входу один из элементов элемент 62-64 И, соответствующий поступившей кодовой комбинации.
Одновременно с этим, синхронизирующий импульс с входа 71 блока 2 через элемент 66 ИЛИ проходит соответствующий элемент 62-64 И на вход соответствующей фиксированной ячейки памяти ПЗУ 60, в которой находится базовый адрес зоны памяти базы данных сервера, в которой хранятся данные кандидатов и депутатов, фамилии, имена и отчества которых соответствуют данной кодовой комбинации их начальных букв ФИО, и количество таких записей в базе данных сервера.
Структура записи данных в фиксированных ячейках ПЗУ имеет следующий вид:
| КОД (выход 74 блока 2) |
КОД (выход 75 блока 2) |
| Базовый адрес зоны памяти базы данных сервера, в которой хранятся записи данных кандидатов и депутатов, фамилии, имена и отчества которых соответствуют заданной кодовой комбинации их начальных букв ФИО. |
Количество записей данных кандидатов (депутатов), хранящихся в выделенной зоне памяти базы данных сервера. |
С выхода 74 блока 2 код базового адреса зоны памяти базы данных сервера, в которой хранятся данные кандидатов и депутатов, фамилии, имена и отчества которых соответствуют данной кодовой комбинации их начальных букв ФИО через вход 110 блока 4 поступает на информационный вход счетчика 101, а с выхода 75 код количества подобных записей через вход 89 блока 3 поступает на информационный вход регистра 81 блока 3.
Параллельно с этим, синхронизирующий импульс с выхода элемента 66 ИЛИ блока 2 задерживается элементом 67 на время считывания базового адреса из ПЗУ 60 и, с выхода 76 блока 2, во-первых, через вход 111 блока 4 поступает на синхронизирующий вход счетчика 101, занося в него код указанного базового адреса, который с выхода счетчика 101 выдается на первый адресный выход 32 системы.
Во-вторых, синхронизирующий импульс с выхода 76 блока 2 через вход 90 блока 3 поступает на синхронизирующий вход регистра 81 и заносит в него код числа записей с заданной кодовой комбинацией начальных букв ФИО, который с выхода регистра 81 подается на один из входов компаратора 80.
И, наконец, в-третьих, тот же синхронизирующий импульс с входа 111 блока 4 проходит элемент 103 ИЛИ, задерживается элементом 105 на время занесения кода базового адреса в счетчик 101 и выдается на выход 34 системы в качестве сигнала управления считыванием данных базы данных сервера.
Этот сигнал поступает на вход первого канала прерывания сервера базы данных, с приходом которого сервер базы данных переходит на подпрограмму опроса содержимого первой ячейки памяти зоны памяти базы данных сервера, выделенной для хранения имущественных данных кандидатов и депутатов, фамилии, имена и отчества которых соответствуют заданной кодовой комбинации их начальных букв по адресу, установленному на выходе 32 системы, считыванию и выдаче первой записи через вход 18 системы на информационный вход регистра 160 блока 7, в который первая считанная запись и заносится синхронизирующим импульсом, поступающим на синхронизирующий вход регистра 160 блока 7 с входа 23 системы.
Структура считанной записи на выходах 166-168 регистра 160 блока 7 будет иметь следующий вид:
| ВЫХОД 166 |
ВЫХОД 167 |
ВЫХОД 168 |
| Идентификационные данные личности кандидата (депутата): фамилия; имя; отчество; дата рождения |
СВЕДЕНИЯ об имущественных данных кандидата (депутата) |
Общая стоимость имущества |
С выхода 166 блока 7 идентификационные данные личности кандидата (депутата) через вход 148 блока 6 поступают на другой вход компаратора 141 блока 6, с выхода 167 блока 6 сведения об имущественных данных выдаются на выход 31 системы, а с выхода 168 код величины общей стоимости имущества кандидатов (депутатов) через вход 175 блока 8 поступает на один из входов компаратора 173 блока 8.
Параллельно с этим, синхронизирующий импульс с входа 23 системы задерживается элементом 163 на время занесения кода первой записи в регистр 160 и поступает на одни входы элементов 161, 162 И, состояние которых определяется состоянием триггера 122 блока 5, который к настоящему моменту времени находится в исходном состоянии, при котором высоким потенциалом триггера 122, выдаваемого с выхода 137 блока 5 через вход 164 блока7 элемент 161 И будет открыт.
В результате этого, синхронизирующий импульс с выхода элемента 163 задержки проходит элемент 161 на выход 169 блока 7 и далее через вход 149 блока 141 поступает на синхронизирующий вход компаратора 141.
По поступившему синхронизирующему импульсу компаратор 141 сравнивает идентификационные данные кандидата (депутата), поступившие с входа 147 блока 6 с идентификационными данными кандидата (депутата), содержащимися в первой считанной записи базы данных сервера и поступившими на вход 148 блока 6.
Если идентификационные данные кандидата (депутата) не совпали, то на первом выходе компаратора 141 блока 6 формируется сигнал, который с выхода 153 блока 6 через вход 91 блока 3 проходит элемент 83 ИЛИ и, во-первых, поступает на счетный вход счетчика 82, подсчитывающего число просмотренных записей.
Во-вторых, этот же импульс с выхода элемента 83 ИЛИ задерживается элементом 86 задержки на время срабатывания счетчика 82 и поступает на синхронизирующий вход. компаратора 80, сравнивающего заданное число записей регистра 81 с числом выполненных записей, зафиксированных счетчиком 82.
Учитывая, что к настоящему моменту времени показания счетчика 82 намного меньше заданного числа записей регистра 81, то на выходе 87 компаратора 80 формируется сигнал, который с выхода 97 блока 3 через вход 112 блока 4 проходит элемент 102 ИЛИ и поступает на счетный вход счетчика 101, увеличивая его показания на единицу и, тем самым, формируя адрес считывания очередной записи базы данных сервера, который выдается на выход 32 системы.
Параллельно с этим, тот же синхронизирующий импульс с входа 112 блока 4 проходит элемент 103 ИЛИ, задерживается элементом 105 на время срабатывания счетчика 101 и вновь выдается на выход 34 системы в качестве сигнала управления считыванием данных базы данных сервера.
Этот сигнал вновь поступает на вход первого канала прерывания сервера базы данных, с приходом которого сервер базы данных переходит на подпрограмму опроса содержимого очередной ячейки памяти зоны памяти базы данных сервера по адресу, установленному на выходе 32 системы, считыванию и выдаче очередной записи через вход 18 системы на информационный вход регистра 160 блока 7, в который очередная считанная запись и заносится синхронизирующим импульсом, поступающим на синхронизирующий вход регистра 160 блока 7 с входа 23 системы.
Если же в результате сравнения входных кодов компаратор 141 зафиксирует совпадение входных идентификационных данных, то на его другом выходе формируется сигнал, который поступает на входы элементов 143, 144 И, состояние которых определяется состоянием триггера 41 блока 1.
Учитывая, что триггер 41 блока 1 находится в исходном состоянии, то высоким потенциалом с его инверсного выхода через выход 54 блока 1, поступающим на вход 150 блока 6 элемент 144 будет открыт. В результате этого импульс с другого выхода компаратора 141 проходит элемент 144 И на выход 155 блока 6 в качестве сигнала выдачи имущественных данных данного кандидата по запросу пользователя.
С этой целью данный синхронизирующий импульс с выхода 155 блока с выхода 38 системы выдается на вход третьего канала прерывания сервера базы данных. По этому сигналу сервер базы данных переходит на подпрограмму выдачи имущественных данных с информационного выхода 31 на автоматизированное рабочее место пользователя.
Кроме того, этот же импульс с выхода 35 системы поступает на установочный вход 48 блока 1 и далее на установочный вход триггера 41, возвращая его в исходное состояние и переводя систему в режим выдачи справочной информации.
Если же в результате считывания всех записей имущественной базы данных с заданной кодовой комбинацией начальных букв ФИО не будет зафиксировано совпадения идентификационных данных ни одного из кандидатов (депутатов), то это будет зафиксировано компаратором 80 блока 3, который при сравнении показаний регистра 81 и счетчика 82 выдаст на выход 88 синхронизирующий сигнал, поступающий на одни входы элементов 84, 85 И, состояние которых также определяется триггером 41 блока 1.
Учитывая, что в режиме выдачи справок триггер 41 блока 1 находится в исходном состоянии, то элемент 85 И будет открыт. В результате этого синхронизирующий импульс походит элемент85 И с выхода 99 блока 3 выдается на выход 37 системы в качестве сигнала о том, что в базе данных сервера нет кандидатов (депутатов) с запрашиваемыми идентификационными данными.
Если же система работает в режиме выдачи справок по списку кандидатов (депутатов), то в этом случае код запроса «списка» через информационный вход 17 системы поступает на информационный вход регистра 17, в который он заносится синхронизирующим импульсом с входа 22, проходящим элемент 127 И.
Вместе с тем, в запросе также указывается предельное значение стоимости имущества кандидатов и депутатов, при превышении которого данные кандидатов и депутатов должны быть выданы в виде списка на выход системы. Предельное значение общей стоимости имущества с автоматизированного рабочего места пользователя вводится с входа 19 системы в регистр 172 блока 8 и заносится в него синхронизирующим импульсом, поступающим на синхронизирующий 24 вход системы.
Кроме того, этот же синхронизирующий импульс поступает на единичный вход триггера 122 и устанавливает его в единичное состояние, при котором будут открыты только элементы 125 И группы, подключающие выход регистра 121 блока 5 через элементы 126 ИЛИ группы к выходу 135.
В результате этого код запроса с выхода 135 блока 5 через вход 70 блока 2 и элементы 65 И группы поступает на вход дешифратора 61.
Кроме того, синхронизирующий импульс с выхода элемента 127 И проходит элемент 130 ИЛИ, задерживается элементом 131 на время занесения кодограммы запроса в регистр 121, и с выхода 139 блока 1 выдается на вход 72 блока 2.
Дешифратор 61 блока 2 расшифровывает код запроса «списка» и открывает по одному входу один из элементов элемент 62-64 И, соответствующий поступившей кодовой комбинации.
Одновременно с этим, синхронизирующий импульс с входа 71 блока 2 через элемент 66 ИЛИ проходит соответствующий элемент 62-64 И на вход соответствующей фиксированной ячейки памяти ПЗУ 60, в которой находится начальный адрес всех зон памяти базы данных сервера, и общее количество записей в базе данных сервера.
Структура записи данных в фиксированной ячейке ПЗУ в этом случае имеет следующий вид:
| КОД (выход 74 блока 2) |
КОД (выход 75 блока 2) |
| Начальный адрес всех зон памяти базы данных сервера, в которой хранятся записи данных кандидатов и депутатов |
Общее количество записей данных кандидатов (депутатов), хранящихся в базе данных сервера. |
С выхода 74 блока 2 код начального адреса базы данных сервера, в которой хранятся имущественные данные кандидатов и депутатов, через вход 110 блока 4 поступает на информационный вход счетчика 101, а с выхода 75 код количества записей в базе данных через вход 89 блока 3 поступает на информационный вход регистра 81 блока 3.
Параллельно с этим, синхронизирующий импульс с выхода элемента 66 ИЛИ блока 2 задерживается элементом 67 на время считывания базового адреса из ПЗУ 60 и, с выхода 76 блока 2, во-первых, через вход 111 блока 4 поступает на синхронизирующий вход счетчика 101, занося в него код указанного начального адреса, который с выхода счетчика 101 выдается на первый адресный выход 32 системы.
Во-вторых, синхронизирующий импульс с выхода 76 блока 2 через вход 90 блока 3 поступает на синхронизирующий вход регистра 81 и заносит в него код числа записей в базе данных сервера, который с выхода регистра 81 подается на один из входов компаратора 80.
И, наконец, в-третьих, тот же синхронизирующий импульс с входа 111 блока 4 проходит элемент 103 ИЛИ, задерживается элементом 105 на время занесения кода базового адреса в счетчик 101 и выдается на выход 34 системы в качестве сигнала управления считыванием данных базы данных сервера.
Этот сигнал поступает на вход первого канала прерывания сервера базы данных, с приходом которого сервер базы данных переходит на подпрограмму опроса содержимого первой ячейки памяти базы данных сервера по адресу, установленному на выходе 32 системы, считыванию и выдаче первой записи через вход 18 системы на информационный вход регистра 160 блока 7, в который первая считанная запись и заносится синхронизирующим импульсом, поступающим на синхронизирующий вход регистра 160 блока 7 с входа 23 системы.
Структура считанной записи на выходах 166-168 регистра 160 блока 7 будет иметь следующий вид:
| ВЫХОД 166 |
ВЫХОД 167 |
ВЫХОД 168 |
| Идентификационные данные личности кандидата (депутата): фамилия; имя; отчество; дата рождения |
СВЕДЕНИЯ об имущественных данных кандидата (депутата) |
Общая стоимость имущества |
В этом режиме используется выход 168 регистра 160 блока 7, с которого код величины общей стоимости имущества кандидатов (депутатов) через вход 175 блока 8 поступает на один из входов компаратора 173 блока 8, на другой вход которого постоянно подан код предельного значения стоимости имущества, которым может владеть кандидат (депутат).
Синхронизирующий импульс с входа 23 системы, задержанный элементом 163 на время занесения считанной записи в регистр 160 блока 7 проходит элемент 162, открытый высоким потенциалом триггера 122 блока 5 с входа 165 блока?, и через выход 170 выдается на синхронизирующий вход 176 компаратора 173 блока 8, сравнивающего текущие значения стоимости имущества каждой записи с предельным значением, заданным в регистре 172 блока 8.
Если значение стоимости имущества в считанной записи меньше предельного значения, то компаратор 173 на выходе 178 блока 8 формирует синхронизирующий сигнал, поступающий на вход 92 и запускающий процедуру считывания очередной записи базы данных сервера описанным выше образом.
Если же значение стоимости имущества в считанной записи превышает предельное значение, то компаратор 173 формирует сигнал на своем втором выходе 179.
Этот сигнал, во-первых, поступает на вход третьего канала прерывания сервера базы данных. С приходом данного сигнала сервер базы данных переходит на подпрограмму формирования списка кандидатов (депутатов), общая стоимость имущества которых превышает установленную величину, для чего идентификационные данные кандидата с выхода 167 блока 7 через выход 31 отправляются на информационный вход сервера базы данных.
Во-вторых, этот же сигнал с выхода 179 блока 8 поступает на вход 93 блока 3 и запускает процедуру считывания очередной записи базы данных сервера описанным выше образом.
Окончание процедуры формирования списка кандидатов (депутатов), как и в других режимах, будет зафиксировано компаратором 80 блока 3 выдачей сигнала на выход 88. Этот сигнал проходит через элемент 79 И, открытый по другому входу с входа 96 высоким потенциалом триггера 122 блока 5, на выход 100 блока 3 в качестве сигнала окончания выдачи списка кандидатов (депутатов).
Таким образом, введение новых узлов и блоков позволило существенно повысить быстродействие системы путем исключения процедур поиска данных по всей базе данных сервера и локализации поиска только по именным идентификаторам кандидатов и депутатов.
Источники информации, принятые во внимание при составлении описания изобретения
1. Патент США №5136708 М. кл. G06F 15/16, 1992.
2. Патент США №5129083 М. кл. G06F 12/00, 15/40, 1992 (прототип).
Автоматизированная система ведения имущественных данных кандидатов и депутатов в базе данных избирательной системы, содержащая блок приема данных актуализации базы данных сервера, информационный и синхронизирующий входы которого являются первыми информационным и синхронизирующим входами системы, при этом информационный вход блока приема данных актуализации базы данных сервера предназначен для приема входных сообщений, синхронизирующий вход блока приема данных актуализации базы данных сервера предназначен для приема синхронизирующих сигналов занесения входных сообщений в блок приема данных актуализации базы данных сервера, первый информационный выход блока приема данных актуализации базы данных сервера является первым информационным выходом системы, а первый управляющий выход блока приема данных актуализации базы данных сервера соединен с управляющим входом блока запроса имущественных данных кандидатов и депутатов, блок формирования сигналов записи и считывания базы данных сервера, информационный выход которого является адресным выходом системы, а первый и второй синхронизирующие выходы блока формирования сигналов записи и считывания базы данных сервера являются первым и вторым синхронизирующим выходами системы, при этом адресный выход системы предназначен для выдачи адресов записи и считывания данных на адресный вход сервера базы данных, а первый и второй синхронизирующие выходы системы предназначены для выдачи сигналов управления на входы первого и второго каналов прерывания сервера базы данных соответственно, блок запроса имущественных данных кандидатов и депутатов, первый и второй информационные входы которого являются вторым и третьим информационными входами системы, предназначенными для приема запросов пользователей с автоматизированных рабочих мест пользователей соответственно, первый и второй синхронизирующие входы блока запроса имущественных данных кандидатов и депутатов являются вторым и третьим синхронизирующими входами системы, предназначенными для приема синхронизирующих сигналов занесения запросов пользователей в блок запроса имущественных данных кандидатов и депутатов, блок приема записей базы данных сервера, информационный вход которого является четвертым информационным входом системы, предназначенным для приема имущественных данных кандидатов и депутатов из базы данных сервера системы, синхронизирующий вход блока приема записей базы данных сервера является четвертым синхронизирующим входом системы, предназначенным для приема синхронизирующих сигналов сервера системы для занесения имущественных данных кандидатов и депутатов в блок приема записей базы данных сервера, первый управляющий вход блока приема записей базы данных сервера соединен с первым управляющим выходом блока запроса имущественных данных кандидатов и депутатов, а второй управляющий вход блока приема записей базы данных сервера подключен ко второму управляющему выходу блока запроса имущественных данных кандидатов и депутатов, один информационный выход блока приема записей базы данных сервера является вторым информационным выходом системы, предназначенным для выдачи имущественных данных кандидатов и депутатов на автоматизированные рабочие места пользователей, отличающаяся тем, что система содержит блок идентификации опорного адреса базы данных сервера, один информационный вход которого соединен со вторым выходом блока приема данных актуализации базы данных сервера, другой информационный вход блока идентификации опорного адреса базы данных сервера подключен к первому информационному выходу блока запроса имущественных данных кандидатов и депутатов, один синхронизирующий вход блока идентификации опорного адреса базы данных сервера соединен с первым синхронизирующим выходом блока приема данных актуализации базы данных сервера, а другой синхронизирующий вход блока идентификации опорного адреса базы данных сервера подключен к синхронизирующему выходу блока запроса имущественных данных кандидатов и депутатов, при этом первый информационный выход блока идентификации опорного адреса базы данных сервера соединен с информационным входом блока формирования сигналов записи и считывания базы данных сервера, а синхронизирующий выход блока идентификации опорного адреса базы данных сервера подключен к синхронизирующему входу блока формирования сигналов записи и считывания базы данных сервера, блок идентификации личности кандидатов и депутатов, первый информационный вход которого соединен с третьим информационным выходом блока приема данных актуализации базы данных сервера, второй информационный вход блока идентификации личности кандидатов и депутатов подключен ко второму информационному выходу блока запроса имущественных данных кандидатов и депутатов, третий информационный вход блока идентификации личности кандидатов и депутатов соединен с первым информационным выходом блока приема записей базы данных сервера, первый управляющий вход блока идентификации личности кандидатов и депутатов подключен к первому управляющему выходу блока приема данных актуализации базы данных сервера, второй управляющий вход блока идентификации личности кандидатов и депутатов соединен со вторым управляющим выходом блока приема данных актуализации базы данных сервера, а синхронизирующий вход блока идентификации личности кандидатов и депутатов подключен к первому синхронизирующему выходу блока приема записей базы данных сервера, блок идентификации стоимости имущественных данных, один информационный вход которого соединен с третьим информационным выходом блока приема записей базы данных сервера, другой информационный вход блока идентификации стоимости имущественных данных является пятым информационным входом системы, предназначенным для приема показателей стоимости имущества с автоматизированных рабочих мест пользователей, первый синхронизирующий вход блока идентификации стоимости имущественных данных соединен со вторым синхронизирующим выходом блока приема записей базы данных сервера, а второй синхронизирующий вход блока идентификации стоимости имущественных данных является пятым синхронизирующим входом системы, предназначенным для приема синхронизирующих сигналов занесения показателей стоимости имущества в блок идентификации стоимости имущественных данных, и блок определения интервала поиска данных, информационный вход которого соединен со вторым информационным выходом блока идентификации опорного адреса базы данных сервера, синхронизирующий вход блока определения интервала поиска данных подключен к синхронизирующему выходу блока идентификации опорного адреса базы данных сервера, первый управляющий вход блока определения интервала поиска данных соединен с первым управляющим выходом блока приема данных, актуализации базы данных сервера, второй управляющий вход блока определения интервала поиска данных подключен ко второму управляющему выходу блока приема данных актуализации базы данных сервера, третий управляющий вход блока определения интервала поиска данных соединен со вторым управляющим выходом блока запроса имущественных данных кандидатов и депутатов, первый счетный вход блока определения интервала поиска данных соединен с первым выходом блока идентификации личности кандидатов и депутатов, второй счетный вход блока определения интервала поиска данных подключен к первому выходу блока идентификации стоимости имущественных данных, третий счетный вход блока определения интервала поиска данных подключен ко второму выходу блока идентификации стоимости имущественных данных, первый выход блока определения интервала поиска данных соединен с первым счетным входом блока формирования сигналов записи и считывания базы данных сервера, второй выход блока определения интервала поиска данных подключен ко второму счетному входу блока формирования сигналов записи и считывания базы данных сервера, третий выход блока определения интервала поиска данных является первым сигнальным выходом системы, предназначенным для выдачи сигналов об отсутствии данных по запрашиваемому кандидату и депутату в базе данных системы, а четвертый выход блока определения интервала поиска данных соединен с установочным входом блока запроса имущественных данных кандидатов и депутатов и является вторым сигнальным выходом системы, предназначенным для выдачи сигналов окончания цикла формирования списка кандидатов и депутатов, при этом второй выход блока идентификации личности кандидатов и депутатов соединен с тактирующим входом блока формирования сигналов записи и считывания базы данных сервера, третий выход блока идентификации личности кандидатов и депутатов является третьим сигнальным выходом системы, предназначенным для выдачи сигналов управления о выдаче имущественных данных по запросу пользователя, второй выход блока идентификации стоимости имущественных данных является четвертым сигнальным выходом системы, предназначенным для выдачи сигналов управления формированием списка кандидатов и депутатов, а второй синхронизирующий выход блока формирования сигналов записи и считывания базы данных сервера соединен с установочным входом блока приема данных актуализации базы данных сервера.