|
(21), (22) Заявка: 2006125073/09, 12.07.2006
(24) Дата начала отсчета срока действия патента:
12.07.2006
(46) Опубликовано: 20.01.2008
(56) Список документов, цитированных в отчете о поиске:
RU 2274910 С2, 20.04.2006. RU 2227376 С2, 20.04.2004. WO 2006052517 A1, 18.05.2006. US 2005289198 A, 29.12.2005.
Адрес для переписки:
101000, Москва, Старосадский пер., 8, стр.1а, ИРЭ РАН, пат. пов. М.А. Земляницину, рег. № 332
|
(72) Автор(ы):
ТОПР Михаил (US)
(73) Патентообладатель(и):
ТОПР Михаил (US)
|
(54) СПОСОБ РЕПЛИКАЦИИ ИНФОРМАЦИИ В РАСПРЕДЕЛЕННЫХ БАЗАХ ДАННЫХ И СИСТЕМА ДЛЯ ЕГО ОСУЩЕСТВЛЕНИЯ
(57) Реферат:
Изобретение относится к методам и средствам обеспечения информационного обмена между компьютерными системами. Техническим результатом является обеспечение идентичности реплицируемой информации при передаче данных между компьютерными системами. В способе формируют обменные файлы, которые помещают в хранилища обменных файлов каждой из компьютерных систем, выполненных с возможностью хранения и выборки обменных файлов, проверки корректности содержащихся в них данных, формирования и выполнения запросов на замену некорректных данных. Пересылают обменные файлы между главной и периферийной компьютерными системами, проверяют корректность принятых файлов и в случае их некорректности повторно пересылают обменные файлы. Проверяют ссылочную целостность данных в промежуточной БД и при отрицательном результате проверки формируют запрос на замену данных и заменяют некорректные данные, повторно осуществляют проверку и при положительном результате передают данные в основную БД. Для проверки корректности выполненной репликации формируют хэш-суммы соответствующих записей в основных БД главной и периферийной компьютерных систем. 2 н. и 3 з.п. ф-лы, 4 ил.
Изобретение относится к информационным технологиям, а именно к методам и средствам обеспечения информационного обмена между компьютерными системами.
В распределенных информационных системах, как правило, необходимо обеспечить доступ к данным, находящимся в различных точках распределенной сети. Централизованная база данных, которую относительно легко поддерживать в актуальном состоянии, может иметь неприемлемые задержки доступа в результате перегрузки каналов связи, процессора или устройств хранения и иметь недостаточную защищенность от аварий. Вследствие этого широкое применение находят системы, в которых производится репликация базы данных на удаленные узлы. Каждая реплика обеспечивает бесперебойный доступ для локального пользователя и повышает надежность восстановления информации после сбоев.
Типичная компьютерная сеть состоит из множества компьютеров, связанных коммуникационными сетями. Приложения, выполняющиеся на этих компьютерах, нуждаются в обмене информацией. Одним из решений является размещение базы данных на одном из компьютеров с тем, чтобы приложения, независимо от места их размещения, получали данные из этой базы и помещали туда свои данные. Такая клиент-серверная конфигурация функционирует нормально во многих случаях, но ее эффективность снижается при недостаточной полосе пропускания каналов связи или недостаточном их качестве, а также в случаях, когда выделенный сервер не справляется с нагрузкой при одновременном обращении большого числа пользователей.
Преодолеть указанные недостатки можно с помощью репликации базы данных на некоторые или на все компьютеры в сети с тем, чтобы локальные пользователи обращались к этим реплицированным базам данных. Такая конфигурация предусматривает проведение регулярной репликации данных между базами данных в сети для поддержания их друг относительно друга в актуальном состоянии.
Известны способ репликации информации и система для его осуществления, описанные в заявке US 2005/0273474 A1, Kawamura et al., опубл. 08.12.2005. Указанная система хранения информации содержит устройство обработки информации, а также основную и реплицированную базы данных на внешнем устройстве хранения. В процессе записи информации в основную базу данных устройство обработки информации производит обработку транзакций и создает журналы (лог-файлы) транзакций, на основании которых, по предварительно установленным правилам, формируется и оптимизируется последовательность обращений и записей в основную и реплицированную базы данных, причем пользователь может обращаться к реплицированной базе данных как к независимой. Это обеспечивает своевременное обновление основной и реплицированной баз данных при одновременном снижении нагрузки на каналы записи и ускорении доступа к данным. Однако способ не позволяет обеспечить надежную передачу и репликацию данных в распределенных компьютерных сетях.
Известен способ репликации данных, описанный в заявке WO 2006052517, RICHARDSON, от 18.05.2006. Он состоит в обработке запросов в соответствии с параметрами, по которым оценивается необходимость передачи данного объекта в данный момент времени с точки зрения обеспечения необходимого “качества” информации в каждой точке сети и времени, которое данный объект существует в базе данных. Способ позволяет снизить нагрузку на сети передачи данных без существенного снижения качества обслуживания, однако приводит к задержкам в доступе к данным между различными узлами сети и ввиду этого нецелесообразен при высоких требованиях к идентичности информации в основных и реплицированных базах данных.
Известны также способ репликации информации и устройство для его осуществления, описанные в заявке US 2005289198 A1, TODD, опубл. 29.12.2005. Способ состоит в том, что фиксируются транзакции-изменения в первой системе обработки информации (базе данных – источнике), и формируется группа из таких транзакций, которые передаются в виде сообщения второй системе обработки информации, в которой транзакции выделяются из группы и независимо применяются к находящейся там базе данных – реплике. При этом формируется таблица успешно завершенных транзакций. Полученные из первой системы данные сохраняются во второй системе и удаляются программным компонентом, который проверяет таблицу успешно завершенных транзакций и на основании нее принимает решение, когда можно безопасно удалить сообщение. Способ гарантирует, что все полученные данные будут занесены во вторую систему, однако не предусматривает каких-либо мероприятий по обеспечению корректной передачи данных по каналам связи.
Известны способ репликации информации в распределенных базах данных и система для его осуществления, описанные в заявке US 20050080825 A1, Fleck et al. 14.04.2005 – ближайший аналог обоих изобретений группы. Способ и система сводятся к введению промежуточной БД между главной и периферийной компьютерными системами. Эта промежуточная БД является логически выделенной частью первичной БД и связана с удаленными БД протоколом синхронизации, который обеспечивает обновление периферийных БД. Указанная схема процесса репликации предусматривает использование промежуточной БД, а также мониторинг процесса репликации только на стороне ведущей БД. Однако когда передача данных производится в обоих направлениях, данная схема, в общем случае, не позволяет обеспечить контроль корректности передаваемых данных.
Технический результат, на достижение которого направлено настоящее изобретение, состоит в обеспечении идентичности реплицируемой информации, т.е. гарантированной передачи данных между компьютерными системами посредством выполнения дополнительных операций верификации и возобновления передаваемой информации при формировании файлов обмена и при проверке корректности и целостности данных, переданных по каналам связи и записанных в промежуточные и основные БД.
Технический результат достигается тем, что способ репликации данных между главной и периферийными компьютерными системами, содержащими основные и промежуточные базы данных (БД), состоит в контроле наличия данных для репликации для главной и каждой из периферийных систем, последующем обмене этими данными между БД главной и БД периферийной компьютерных систем через промежуточные БД и проверке корректности выполненной репликации.
Способ характеризуется тем, что в процессе обмена реплицируемыми данными между БД главной и БД периферийной компьютерных систем формируют обменные файлы, которые помещают в хранилища обменных файлов каждой из компьютерных систем, выполненных с возможностью хранения и выборки обменных файлов, проверки корректности содержащихся в них данных, формирования и выполнения запросов на замену некорректных данных. Проводят пересылку обменных файлов между главной и периферийной системами, проверяют корректность принятых файлов и в случае их некорректности обеспечивают повторную пересылку обменных файлов из хранилища. Далее данные из принятых файлов передают в промежуточную БД, проверяют ссылочную целостность данных в промежуточной БД и при отрицательном результате проверки формируют запрос на замену данных и обеспечивают замену некорректных данных, повторно осуществляют указанную проверку и при положительном результате передают данные в основную БД. Для проверки корректности выполненной репликации формируют хэш-суммы соответствующих записей в основных БД главной и периферийной компьютерных систем.
Способ может характеризоваться тем, что хранилище обменных файлов содержит каталоги обмена по числу периферийных компьютерных систем, в каждом из которых сформированы:
каталог файлов подтверждения, обработанных корректно;
каталог файлов подтверждения, обработанных некорректно;
каталог архива обработанных файлов подтверждения;
каталог файлов данных и файлов подтверждения, готовых к передаче в узел назначения;
каталог файлов, отправленных в узел назначения, для которых еще не пришло подтверждение о доставке и не превышено время ожидания подтверждения, и файлов, еще не отправленных в узел назначения;
каталог файлов, которые были переданы и загружены в БД узла назначения, о чем пришло подтверждение;
каталог архива переданных корректно файлов;
каталог файлов, которые были переданы корректно, но не были загружены в БД узла назначения, о чем пришло подтверждение;
каталог переданных файлов, для которых в течение длительного времени не пришло подтверждение о загрузке в БД узла назначения;
каталог файлов данных и файлов подтверждения, принятых из узла назначения и готовых к загрузке в БД или анализу;
каталог файлов, принятых из узла назначения и корректно загруженных в БД;
каталог архива принятых и загруженных файлов;
каталог файлов, принятых из узла назначения, но не загруженных в БД.
Способ может характеризоваться тем, что передачу обменных файлов проводят по FTP-протоколу, а также тем, что передачу обменных файлов проводят на машиночитаемом носителе.
Система для репликации данных между главной и периферийными компьютерными системами, содержащими основные и промежуточные БД средства для обмена данными между БД главной и БД периферийной компьютерных систем через промежуточные БД средства для проверки корректности выполненного обмена и средства управления БД, характеризуется тем, что каждая компьютерная система дополнительно содержит хранилище обменных файлов, средства выгрузки экспортируемых данных из основной БД в хранилище, средства загрузки импортируемых данных из хранилища в промежуточную БД и поддержки целостности информации, средства контроля получения пересылаемой информации, средства проверки ссылочной целостности записей, находящихся в буферных таблицах промежуточной БД, средства формирования хэш-таблицы, средства проверки синхронности записей в парах хэш-таблиц БД главной и периферийной компьютерных систем и формирования запросов на выгрузку необходимых записей из БД, а также средства для управления упомянутыми средствами и их периодической активации.
Тем самым патентуемый способ репликации и система для его реализации обеспечивают гарантированную доставку данных при обмене по каналам связи, проверку их корректности и целостности при размещении в промежуточных БД, проверку содержимого главной и периферийных БД на предмет идентичности. В результате этого снижается нагрузка на основные БД и повышается быстродействие системы.
Сущность изобретений поясняется на чертежах, где:
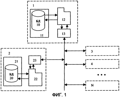
на фиг.1 показана структурная схема системы репликации для N-узлов;
на фиг.2 – блок-схема системы репликации для двух узлов;
на фиг.3 – структурная схема каталогов хранилища;
на фиг.4 – алгоритм функционирования способа репликации.
Способ состоит в выполнении процедур программы обеспечения репликации информации (программы репликации) на комплексах центральной (главной) компьютерной системы, далее – главный узел 1, и периферийных компьютерных систем (далее – периферийный узел 2,3,4,…N). Каждый из узлов состоит из базы данных (БД) 10,20…N, размещенной на сервере БД 11,21…N, хранилища 12,22…N обменных файлов и сервера 13, 23,…N, обеспечивающего обмен информацией (фиг.1). Для передачи данных применяется, как правило, протокол FTP, но может использоваться и перенос файлов на сменных носителях.
Система является децентрализованной, т.е. вся необходимая для работы конкретного узла информация хранится в БД на его локальном сервере. В процессе обмена информацией между узлами происходит репликация – дублирование необходимой части этой информации на серверах других узлов. Хранилища 13,23…N играют роль промежуточных звеньев между БД разных узлов, а также представляют собой архивы реплицируемых данных. Основные функции программы репликации:
– выгрузка данных из базы данных в хранилище обменных файлов;
– передача данных по сети в сжатом и зашифрованном виде;
– проверка полноты и корректности полученных данных;
– загрузка данных в базу данных;
– формирование сообщений для дальнейшего управления процессом репликации.
Программа репликации предназначена для управления процессом передачи данных между базами данных. Базы данных могут находиться под управлением различных систем управления базами данных (СУБД). Допускается использовать различные СУБД, причем взаимодействие с ними является защищенным, поскольку обмен данными производится в зашифрованном виде, и не напрямую, а через вспомогательный файловый протокол.
На фиг.2 представлена блок-схема системы репликации в процессе передачи данных между главным узлом 1 и периферийным узлом 2, которая включает ряд согласованно работающих элементов. Их выполнение и функционирование для главного и периферийного узлов одинаково.
Средство 14 (24) обеспечивает выгрузку экспортируемых данных из БД 10 (20). Каждая из БД состоит из основной БД 101 (201) и промежуточной БД 102 (202). Основная и промежуточная БД находятся на одном сервере под управлением одной СУБД.
Средство 15 (25) предназначено для загрузки импортируемых данных из хранилища 12 (22) в промежуточную БД 102 (202) и осуществляет поддержку целостности информации, поступившей из периферийного узла 2, в основной БД 101 главного узла 1.
Средство 16 (26) осуществляет контроль получения пересылаемой информации в хранилище 12 (22) и, при необходимости, инициирует повторную передачу данных.
Средство 17 (27) осуществляет проверку ссылочной целостности записей, находящихся в промежуточной БД 101 (201), и, в случае обнаружения ошибок, запрашивает из БД 20 периферийного узла записи, необходимые для обеспечения ссылочной целостности.
Средство 18 (28) предназначено для считывания из БД 10 (20) записи реплицируемых таблиц и заполнения на основе этих данных хэш-таблицы, которая используется для поиска несоответствий в парах аналогичных таблиц периферийного узла 2 и главного узла 1.
Средство 19 (29) предназначено для проверки с помощью хэш-таблицы идентичности записей в парах аналогичных таблиц БД 10 (20) периферийного узла 2 и главного узла 1 и, в случае обнаружения несоответствий, формирования запросов на выгрузку необходимых записей из БД 10 (20).
Каталог хранилища 12 (как и 22) создается на жестком диске компьютера (сервера или рабочей станции), на котором выполняется программа репликации. Хранилище состоит из каталогов обмена по числу N узлов, обменивающихся информацией с текущим узлом.
На фиг.3 представлена структурная схема каталога обмена хранилища. Назначение каталога обмена состоит в хранении информации, передаваемой и получаемой от узла, с которым осуществляется обмен. Каждый каталог в хранилище состоит из нескольких логических каталогов для размещения файлов, имеющих следующее название и назначение (на фиг.3 приведена, например, схема каталога в хранилище 12 главного узла 1):
– “Обработанные корректно файлы подтверждения” (CONFIRM_INFORMATION_ARCHIVE) – файлы подтверждения, обработанные подсистемой обмена данными (п.12.01);
– “Обработанные с ошибкой файлы подтверждения” (CONFIRM_INFORMATION_TRASH) – файлы подтверждения, которые подсистема обмена данными не смогла обработать корректно (п.12.02);
– “Архив обработанных файлов подтверждения” (CONFIRM_INFORMATION_STORAGE) – файлы подтверждения, перемещенные в архив после истечения заданного срока нахождения в каталоге CONFIRM_INFORMATION_ARCHIVE (п.12.03);
– “Ждут подтверждения приема” (EXPORT_WAIT_CONFIRM) – файлы, отосланные в узел назначения, для которых еще не пришло подтверждение о доставке и не превышено время ожидания подтверждения, и файлы, еще не отправленные в узел назначения (п.12.05);
– “Переданные корректно” (EXPORT_CONFIRM_ARCHIVE) – файлы, которые были переданы и загружены в БД узла назначения, о чем пришло подтверждение (п.12.06);
– “Архив переданных корректно файлов” (EXPORT_CONFIRM_STORAGE) (п.12.07) – переданные корректно файлы, перемещенные в архив после истечения заданного срока нахождения в каталоге EXPORT_CONFIRM_ARCHIVE;
– “Переданные, но не загруженные” (EXPORT_CONFIRM_TRASH) – файлы, которые были переданы корректно, но по каким-либо причинам не были загружены в БД узла назначения, о чем пришло подтверждение (п.12.08);
– “Переданные, но нет подтверждения” (EXPORT_CONFIRM_EXPIRED) – файлы, которые были переданы, но для которых в течение длительного времени не пришло подтверждение о загрузке в БД узла назначения (п.12.09);
– “Принятые и загруженные” (IMPORT_ARCHIVE) – файлы, принятые из узла назначения и успешно загруженные в БД (п.12.11);
– “Архив принятых и загруженных файлов” (IMPORT_ARCHIVE_STORAGE) – принятые и загруженные файлы, перемещенные в архив после истечения заданного срока нахождения в каталоге IMPORT_ARCHIVE_STORAGE (п.12.12);
– “Принятые и незагруженные” (IMPORT_TRASH_STORAGE) – файлы, принятые из узла назначения, но по каким-либо причинам не загруженные в БД (п.12.13).
Каждое из подчиненных средств входит в состав программы репликации, но работает условно-независимо от других и выполняет только свою задачу – некоторую элементарную операцию. Процесс репликации обеспечивается за счет периодической активации этих средств. Активация компонента может осуществляться программой репликации, также компоненты могут активировать друг друга в соответствии с настройками системы репликации.
– данные успешно загружены в промежуточную БД;
– данные не загружены в промежуточную БД (произошла ошибка).
Помимо этого, с помощью средства 15 осуществляется поддержка целостности информации, поступившей из периферийных узлов 2,3,4…N, в БД 10 главного узла. Информация, поступившая из периферийных узлов в процессе репликации, вносится в ПБД 102 главного узла. Все данные из ПБД 102, удовлетворяющие критерию ссылочной целостности, загружаются в таблицы назначения основной БД 101, с которыми в главном узле осуществляется дальнейшая работа.
Средство 16 контролирует получение экспортируемой информации узлом назначения. Контроль осуществляется с помощью файлов подтверждения, включаемых в реплицируемые пакеты данных. Средство 16 анализирует полученные узлом пакеты подтверждения и по их информации определяет состояние данных, ранее переданных в узел назначения. Возможны следующие ситуации:
– ранее переданные данные успешно получены и загружены в БД узла назначения (пришло подтверждение);
– ранее переданные данные успешно получены, но не загружены в БД (пришло подтверждение);
– подтверждение обработки ранее переданных данных не пришло в течение длительного времени.
Если файлы подтверждения по-прежнему не будут поступать из узла назначения, то повторная пересылка осуществляется еще несколько раз. Промежутки времени между пересылками и количество пересылок определяются конфигурационными параметрами подсистемы репликации. Если через заданное количество попыток подтверждение по-прежнему не поступит от узла назначения, то попытки пересылки прекращаются, а файлы данных будут перемещены в каталог EXPORT_CONFIRM_EXPIRED (п.12.09).
Средство 17 осуществляет проверку ссылочной целостности записей, находящихся в ПБД 102 главного узла. Проверка ссылочной целостности записей предусматривает проверку наличия и корректности ссылок на идентификаторы записей в основной и промежуточной БД. В случае обнаружения ошибок данное средство формирует запрос на получение необходимых для обеспечения ссылочной целостности записей из БД 20 периферийного узла.
Средство 19 анализирует записи хэш-таблицы, поступившие из периферийных узлов. При этом производится сравнение сведений о диапазоне записей, поступивших из периферийных узлов, с диапазоном записей в соответствующей таблице БД главного узла. Если обнаруживается несинхронность записей хэш-таблиц, соответствующих диапазонов записей таблиц БД главного узла и периферийного узла, то средство 19 вносит необходимые изменения в БД главного узла, чтобы обеспечить передачу записей рассматриваемого диапазона из периферийного узла.
Конечным результатом работы всех элементов системы являются:
– подготовка экспортируемых данных к передаче;
– загрузка полученных импортируемых данных в БД;
– создание архива реплицируемых файлов.
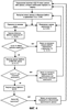
Собственно способ репликации информации и функционирование системы в целом производится в соответствии с блок-схемами фиг.1-3 и алгоритмом, приведенным на фиг.4.
Способ начинается с определения наличия новых данных либо данных, которые необходимо передать по запросу (реплицируемая информация). Средство 14 (24,…N) программы репликации, в соответствии с предустановленным расписанием, производит выгрузку новых данных из БД и формирование обменных файлов в хранилище.
При установлении сеанса связи между узлами, например главным узлом 1 и периферийным узлом 2, готовые к передаче данные экспортируются из хранилища 12 в хранилище 22 узла назначения. В свою очередь, из хранилища 22 узла назначения готовые к приему данные считываются в хранилище 12 текущего узла. Принятые из узла 2 данные из хранилища 12 загружаются в основную БД 101. Аналогичный процесс (загрузка переданных из главного узла данных) происходит в периферийном узле 2. Текущий узел и узел назначения определяются единственно тем, кто был инициатором соединения: это может быть как главный, так и периферийный узел.
Одновременно с экспортом реплицируемых данных проводится анализ корректности переданных файлов и при выявленной некорректности формируется запрос на повторную передачу файлов. Если файлы переданы корректно, проводится загрузка данных файлов в промежуточную БД (102 или 202).
Далее, средством 17 (27) проводится проверка ссылочной целостности. При ее нарушении средство 17 (27) формирует запрос на повторную передачу данных, необходимых для обеспечения ссылочной целостности. При положительном результате проверки проводится загрузка данных файлов в основную БД узла, в рассмотренном случае – БД 101.
На последнем этапе осуществляется проверка идентичности записей данных в БД 10 и БД 20. Эта проверка осуществляется при работе средств 18 (28) и 19 (29). При обнаружении неидентичности записей текущего узла и узла назначения производится повторная передача данных.
Прием и передача данных в другие N узлов системы могут осуществляться по меньшей мере двумя способами: посредством FTP-соединений, которые устанавливают с главным узлом другие узлы, или с помощью машиночитаемых сменных носителей (средства 13, 23).
При первом способе обмена какой-либо узел системы устанавливает с главным узлом FTP-соединение, в ходе которого осуществляется прием и отправка данных (импорт и экспорт). Для реализации этого механизма в главном узле должен быть настроен FTP-сервер. Соответственно требуется наличие постоянно активного Интернет-соединения с узлами, с которыми осуществляется обмен данными. Для этой цели удобно использовать подключение к Интернету через локальную сеть (LAN). Этот способ наиболее эффективен, так как обеспечивает наибольшую скорость обмена информацией.
Формула изобретения
1. Способ репликации данных между главной и периферийными компьютерными системами, содержащими основные и промежуточные базы данных (БД), состоящий в
контроле наличия данных для репликации для главной и каждой из периферийных систем,
последующем обмене этими данными между БД главной и БД периферийной компьютерных систем через промежуточные БД и проверке корректности выполненной репликации,
отличающийся тем, что
в процессе обмена реплицируемыми данными между БД главной и БД периферийной компьютерных систем формируют обменные файлы, которые помещают в хранилища обменных файлов каждой из компьютерных систем, выполненных с возможностью хранения и выборки обменных файлов, проверки корректности содержащихся в них данных, формирования и выполнения запросов на замену некорректных данных,
проводят пересылку обменных файлов между главной и периферийной системами,
проверяют корректность принятых файлов и в случае их некорректности обеспечивают повторную пересылку обменных файлов из хранилища, далее данные из принятых файлов передают в промежуточную БД, проверяют ссылочную целостность данных в промежуточной БД, и при отрицательном результате проверки формируют запрос на замену данных и обеспечивают замену некорректных данных, повторно осуществляют указанную проверку и при положительном результате передают данные в основную БД,
причем для проверки корректности выполненной репликации формируют хэш-суммы соответствующих записей в основных БД главной и периферийной компьютерных систем.
2. Способ по п.1, отличающийся тем, что хранилище обменных файлов содержит каталоги обмена по числу периферийных компьютерных систем, в каждом из которых сформированы
каталог файлов подтверждения, обработанных корректно;
каталог файлов подтверждения, обработанных некорректно;
каталог архива обработанных файлов подтверждения;
каталог файлов данных и файлов подтверждения, готовых к передаче в узел назначения;
каталог файлов, отправленных в узел назначения, для которых еще не пришло подтверждение о доставке и не превышено время ожидания подтверждения, и файлов, еще не отправленных в узел назначения;
каталог файлов, которые были переданы и загружены в БД узла назначения, о чем пришло подтверждение;
каталог архива переданных корректно файлов;
каталог файлов, которые были переданы корректно, но не были загружены в БД узла назначения, о чем пришло подтверждение;
каталог переданных файлов, для которых в течение длительного времени не пришло подтверждение о загрузке в БД узла назначения;
каталог файлов данных и файлов подтверждения, принятых из узла назначения и готовых к загрузке в БД или анализу;
каталог файлов, принятых из узла назначения и корректно загруженных в БД;
каталог архива принятых и загруженных файлов;
каталог файлов, принятых из узла назначения, но не загруженных в БД.
3. Способ по п.1, отличающийся тем, что передачу обменных файлов проводят по FTP-протоколу.
4. Способ по п.1, отличающийся тем, что передачу обменных файлов проводят на машиночитаемом носителе.
5. Система для репликации данных между главной и периферийными компьютерными системами, содержащими основные и промежуточные БД средства для обмена данными между БД главной и БД периферийной компьютерных систем через промежуточные БД, средства для проверки корректности выполненного обмена и средства управления БД,
отличающаяся тем, что
каждая компьютерная система дополнительно содержит хранилище обменных файлов,
средства выгрузки экспортируемых данных из основной БД в хранилище,
средства загрузки импортируемых данных из хранилища в промежуточную БД и поддержки целостности информации,
средства контроля получения пересылаемой информации,
средства проверки ссылочной целостности записей, находящихся в буферных таблицах промежуточной БД,
средства формирования хэш-таблицы,
средства проверки синхронности записей в парах хэш-таблиц БД главной и периферийной компьютерных систем и формирования запросов на выгрузку необходимых записей из БД,
средства для управления упомянутыми средствами и их периодической активации.
РИСУНКИ
PC4A – Регистрация договора об уступке патента СССР или патента Российской Федерации на изобретение
Прежний патентообладатель:
ТОПР Михаил (US)
(73) Патентообладатель:
МФМ-ЭН УАЙ, ЛТД (US)
Договор № РД0040249 зарегистрирован 28.08.2008
Извещение опубликовано: 10.10.2008 БИ: 28/2008
|