|
|
(21), (22) Заявка: 2006110000/09, 28.03.2006
(24) Дата начала отсчета срока действия патента:
28.03.2006
(46) Опубликовано: 20.01.2008
(56) Список документов, цитированных в отчете о поиске:
RU 2255353 C1, 27.06.2005. RU 2117960 C1, 20.08.1998. RU 2099739 C1, 20.12.1997. RU 2114444 C1, 27.06.1998. EP 0381038 A, 08.08.1990. US 6118402 A, 12.09.2000. US 4568940 A, 04.02.1986.
Адрес для переписки:
623409, Свердловская обл., г. Каменск-Уральский, ул. Пионерская, 8, ОАО “УПКБ “Деталь”
|
(72) Автор(ы):
Адодин Виктор Михайлович (RU), Валов Сергей Вениаминович (RU), Васин Александр Акимович (RU), Киреев Сергей Николаевич (RU), Нестеров Юрий Григорьевич (RU), Пономарев Леонид Иванович (RU), Семухин Владимир Федорович (RU)
(73) Патентообладатель(и):
ОАО “Уральское проектно-конструкторское бюро “Деталь” (RU)
|
(54) РАДИОЛОКАЦИОННАЯ СТАНЦИЯ
(57) Реферат:
Изобретение относится к комбинированным радиолокационным системам, работающим на летательных аппаратах в активном и пассивном режимах, предназначенным для обнаружения сигналов морских надводных целей и источников радиоизлучений в широком радиочастотном диапазоне, выбора целей на сопровождение и выдачи их координат в систему управления наведением ЛА в условиях естественных, организованных активных и пассивных помех. Техническим результатом является снижение погрешности РЛС при слежении и измерении координат отражающих и излучающих целей. Заявленная цель в активном режиме достигается за счет когерентной межпериодной обработки сигнала и моноимпульсного определения рассогласования оси антенной системы с направлением на цель, а в пассивном режиме при слежении за источником радиоизлучения рассогласование оси антенной системы с направлением на цель определяется псевдомоноимпульсным амплитудным способом. 6 ил.
Предлагаемое изобретение относится к комбинированным радиолокационным системам (РЛС), работающим на летательных аппаратах (ЛА) в активном и пассивном режимах, предназначенным для обнаружения отраженных сигналов целей и источников излучений в широком радиочастотном диапазоне, выбора целей на сопровождение и выдачи их координат в систему управления наведением ЛА на цель в условиях естественных, организованных активных и пассивных помех.
Основными проблемами РЛС наведения ЛА на цель являются обеспечение точности, информативности и помехозащищенности в условиях естественных, организованных активных и пассивных помех. К числу мер, направленных на повышение помехозащищенности, относятся применение сложных зондирующих сигналов, перестройка по случайному закону частоты повторения и внутриимпульсной модуляции, доплеровская фильтрация. Данные меры повышают помехозащищенность, но не всегда гарантируют от разрушения структуры отраженного сигнала, когда выделить его на фоне организованных помех, соответственно, обеспечить систему управления информацией о текущих координатах цели становится невозможным. Более информативны РЛС, в которых кроме активного канала, измеряющего координаты цели по отраженному сигналу, имеется пассивный канал, позволяющий наводить ЛА на альтернативные цели – источники радиоизлучений (источник шумовых помех или РЛС обнаружения и целеуказания противника), используя при этом единое с активным каналом оборудование. Примерами РЛС, обеспечивающими потребителя информацией о координатах целей в активном и пассивном режимах, являются известные РЛС.
В РЛС наряду с активным каналом реализован пассивный широкополосный канал, который в условиях подавления активного канала обеспечивает возможность пеленгации источника излучения с выходом на совмещенный индикатор, отображающий как информацию о целях, обнаруженных активным каналом, так и информацию о частоте и азимуте источника излучения помехи. В указанной РЛС при работе в активном режиме излучается сложный фазоманипулированный сигнал, который после отражения принимается однолучевой сканирующей антенной, проходит через циркулятор на приемник, оцифровывается и сжимается в согласованном фильтре. Временные положения сигналов, превышающих порог обнаружения, фиксируются и в дальнейшем выводятся на обобщенный дисплей (телевизионный экран со строчной разверткой). Параллельно активному каналу работает пассивный широкополосный канал, подключенный к общей узконаправленной антенне. В пассивном канале сигнал узконаправленной антенны поступает на N канальных полосовых фильтров, перекрывающих широкую полосу частот и работающих параллельно. Обнаружение сигнала в каждом канальном фильтре производится аналогичными схемами, состоящими из последовательно соединенных квадратичного детектора и компаратора, выполняющего функцию порогового обнаружителя сигнала. Считывание сигналов обнаружения в канальных фильтрах (номеров частот, на которых обнаружены сигналы источников излучения) производится при нахождении источника излучения в главном лепестке направленной ДНА (превышении сигнала направленной антенны над сигналом не направленной антенны). Информация как о частоте обнаруженных источников излучения, так и дальности до обнаруженных активным каналом целей преобразуется в форму, обеспечивающую их наблюдение на обобщенном дисплее с телевизионной разверткой в координатах частота – азимут и дальность – азимут соответственно.
Недостатком устройства является то, что в данной РЛС измерение углового положения цели в активном и пассивном каналах возможно только в режиме сканирования узконаправленной ДНА по положению центра тяжести пачки принятых сигналов. При этом после разведки противником параметров сканирования однолучевой ДНА активный канал РЛС становится уязвим для инверсной помехи. Скорость сканирования в данной РЛС невелика, так как для достижения требуемой вероятности обнаружения начала и конца пачки сигнала (либо отраженного, либо источника излучения), приемлемой точности измерения углового положения цели требуется, чтоб огибающая пачки сигналов цели была «описана» достаточно подробно достаточно большим числом сигналов (N>6), попавших в главный лепесток сканирующей ДНА. В пассивном режиме измеряются только частота и угловое положение источников излучения, что не позволяет дополнительно классифицировать источник излучения, уточнить его значимость и предпочтительность нацеливания ЛА на другой, более приоритетный. Габаритно-массовые характеристики РЛС достаточно велики, так как для перекрытия большого диапазона частот используется большое число параллельно работающих пассивных каналов. Погрешность измерения угла пассивным каналом относительно велика, так как форма и ширина ДНА зависят от несущей частоты источника излучения и направления визирования, а время формирования одиночного отсчета ограничено скоростью сканирования, даже в условиях сопровождения.
Моноимпульсная РЛС 1 работает в активном и пассивном режимах. Перед работой в активном режиме определяется частотный канал, наиболее свободный от активных помех. Работа в активном режиме производится в выбранном диапазоне до тех пор, пока есть возможность сопровождать цель (различать ее на фоне помех). Пассивные каналы работают на N частотах параллельно и при обнаружении источника излучения определяют моноимпульсным суммарно-разностным преобразованием их пеленг относительно равносигнального направления. Для селекции сигналов, принимаемых по главному лепестку моноимпульсной антенны, используется канал ненаправленной антенны (канал OMNI). Сигнал направленной антенны бракуется и не используется в дальнейшем, если его величина меньше сигнала OMNI. РЛС разрешает сигналы от двух источников активной помехи, совпадающих по времени, и выдает их угловые координаты. Критерием обнаружения одного или двух источников активной помехи при работе в главном лепестке направленной ДНА является нахождение соотношения Im( / ) в пределах
0,3>Im( / )>0,2
Так как оценка углового положения целей и источников излучения производится моноимпульсным методом в пределах всей пеленгационной характеристики антенны, то погрешность измерения угла меньше, чем в однолучевых РЛС, ибо не требуется наблюдения достаточно большого числа отраженных сигналов для одиночной оценки центра тяжести огибающей, вызванного сканированием ДНА.
Недостатком этой РЛС является недостаточная информативность о сигналах источников излучений, так как она определяет только диапазон частот, наименее загруженный помехами, и угловое положение источников активных помех в относительно небольшом диапазоне перестройки несущей частоты активного канала.
Более информативна судовая РЛС. Она работает в одном из трех режимов: активном, пассивном и активно-пассивном, обеспечивает обнаружение и измерение координат надводных кораблей по отраженному от них сигналу и по их собственному излучению, сопровождает выбранные цели. В активном режиме излучается один из возможных сигналов:
– внутриимпульсная частотная модуляция отсутствует, длительность импульса перестраивается в зависимости от измеряемой дальности, мощность излучения изменяется;
– квазинепрерывный ЛЧМ-сигнал, перестраиваемый по несущей частоте от импульса к импульсу.
РЛС в активном режиме измеряет дальность, радиальную скорость, угловое положение, радиолокационный размер и курс цели. Для селекции цели и измерения ее координат используются данные о скорости и курсе, углов качки судна-носителя РЛС. Результаты измерения мощности отраженного сигнала и размера цели используются для классификации большой – малый корабль.
В пассивном режиме производится последовательный поиск сигналов по азимуту и параллельный по частоте в 4-х диапазонах. Измеряются несущая частота, длительность импульса, период повторения и период обзора источников излучения – по ним классифицируется источник излучения и его носитель, необходимые для выбора приоритетной цели на сопровождение и наведения на нее ЛА.
Имеются две антенные системы. Остронаправленные медленно вращающиеся антенны используются в активном режиме и пассивном режиме в 3-х диапазонах частот при сопровождении целей. Слабонаправленные быстровращающиеся антенны, каждая из которых рассчитана на свой частотный диапазон, используются только в пассивном режиме.
Недостатком РЛС является то, что в активном и каждом частотном диапазоне пассивного режима используются только однолучевые ДНА, поэтому в режимах поиска и сопровождения цели антенная система сканирует, это позволяет противнику в активном режиме поставить РЛС эффективную инверсную или уводящую по углу помеху, огибающая которой согласована с шириной ДНА и периодом сканирования. Погрешность слежения и измерения угла при заданных габаритах антенной системы, потенциале связи и времени накопления сигнала для однолучевых систем выше, чем в моноимпульсных суммарно-разностных системах за счет меньшего числа накапливаемых сигналов и нестабильности нуля дискриминационной характеристики.
В качестве прототипа используется РЛС, описанная в RU 2255353. Данная РЛС на первом этапе работает в пассивном режиме с целью выявления источников излучения и оценок их угловых координат. Антенная система пассивного канала состоит из М однолучевых антенн, каждая из которых работает в своем частотном диапазоне. С каждой антенны пассивного канала сигнал поступает через УВЧ на блок многоканальной частотной селекции, где усиливается, фильтруется и поступает через блок многоканальных детекторов и блок многоканальных видеоусилителей в блок обнаружения. Для обнаруженных сигналов запоминаются частота, соответствующая максимальному сигналу, и максимальная амплитуда. После обнаружения сигнала источника излучения РЛС переходит в активный режим, при этом работа пассивного канала может продолжаться. По результатам оценки мощности обнаруженного входного сигнала выставляется мощность излучения РЛС в активном режиме.
Для активного канала используется отдельная антенная система. Работа в активном режиме производится ФМ-сигналом с перестройкой несущей от импульса к импульсу, скважности и длительности зондирующего сигнала. По логике работы сначала производится работа с длительностью зондирующего сигнала, обеспечивающего просмотр сцены с минимальной рабочей дальности с минимальной длительностью подымпульса при скважности 4. При обнаружении отраженного сигнала мощность зондирующего сигнала уменьшается до уровня, обеспечивающего допустимое соотношение сигнал/шум. При необходимости работы на больших просматриваемых дальностях мощность зондирующего сигнала увеличивают до достижения необходимого соотношения сигнал/шум. Прием каждого отраженного сигнала производится с учетом его несущей частоты и доплеровского смещения, зависящего от скорости носителя и угла визирования. Сжатые сигналы некогерентно накапливаются. Полоса видеоусилителя в зависимости от длительности подымпульса кода ФМ перестраивается. Цели, являющиеся источниками излучений, сопровождаются в основном в пассивном режиме.
Недостатком РЛС является то, что в ней во всех режимах используются однолучевые ДНА, поэтому при поиске и сопровождении целей антенная система сканирует, это позволяет противнику в активном режиме поставить РЛС ЛА эффективную инверсную и уводящую по углу помеху. Некогерентный способ межпериодной обработки принимаемого сигнала не позволяет повысить разрешающую способность РЛС по углу, снизить мощность излучаемого сигнала, обеспечить допустимое соотношение сигнал/фон в широком диапазоне углов визирования, отделить сигнал цели от помех типа облака дипольных отражателей (ОДО) и надувных уголковых отражателей (НУО); в пассивном режиме не измеряются параметры сигнала РЛС противника, что не позволяет повысить достоверность выбора цели на автосопровождение и помехозащищенность при наведении на нее ЛА. Время, необходимое на оценку углового положения точечной цели, достаточно велико, так как для нее требуется длина реализации огибающей сигнала цели по углу не менее ширины ДНА. Погрешность измерения углового положения источников излучения в пассивном режиме достаточно высока, ибо определяется не только нестабильностью нуля углового дискриминатора в зависимости от направления визирования, но и модуляцией огибающей входного сигнала, вызванной сканированием ДНА источника излучения.
Технической задачей предлагаемого изобретения является снижение погрешности РЛС при слежении и измерении координат отражающих и излучающих целей за счет когерентной межпериодной обработки сигнала и моноимпульсного определения рассогласования оси антенной системы с направлением на цель в активном режиме и псевдомоноимпульсного амплитудного определения рассогласования оси антенной системы с направлением на источник излучения в пассивном режиме с обеспечением высокой скорости поиска цели по углу и помехозащищенности при допустимых для наводимого ЛА габаритно-массовых характеристиках.
Поставленная цель – повышение точности комбинированной РЛС, работающей в активном и пассивном режимах, достигается тем, что в устройстве, описанном в [4], содержащем последовательно соединенные синхронизатор, передатчик, антенный переключатель и антенную систему, приемник отраженного сигнала и приемник радиоизлучений, первый и второй каналы которого содержат вторые УВЧ и третьи видеоусилители, третий выход антенного переключателя соединен с первым (сигнальным) входом приемника отраженного сигнала, содержащего одноканальный второй видеоусилитель, последовательно соединенные одноканальные первый УВЧ, третий смеситель и УПЧ, гетеродинный вход третьего смесителя является четвертым входом приемника отраженного сигнала, соединенного со вторым выходом передатчика, введены блок опорных частот, последовательно соединенные формирователь модуляции сигнала, формирователь опорного сигнала и бортовая цифровая вычислительная машина (БЦВМ), первый высокочастотный коммутатор, выход которого соединен со вторым (вторым сигнальным) входом приемника отраженного сигнала, последовательно соединенные синтезатор частот и формирователь сетки гетеродинных частот, первый и второй выходы которого соединены с третьим и четвертым входами приемника излучений соответственно, при этом первый и второй выходы приемника отраженного сигнала соединены с пятым и шестым входами БЦВМ соответственно, третий выход блока опорных частот соединен с первым входом формирователя опорного сигнала и третьим входом приемника отраженного сигнала, выход формирователя модуляции сигнала соединен с третьим входом передатчика, второй выход блока опорных частот соединен с одноименным входом синхронизатора, первый и второй выходы которого соединены с одноименными входами формирователя модуляции сигнала, второй и четвертый четырехфидерные выходы антенной системы соединены с вторым и первым четырехфидерными входами приемника излучений соответственно, третий выход синхронизатора соединен с пятым входом приемника отраженного сигнала, третий и пятый выходы антенной системы соединены с первым и вторым входами первого высокочастотного коммутатора, четвертый выход синхронизатора соединен с седьмым входом БЦВМ, третий и четвертый входы которого соединены с первым и вторым выходами приемника излучений соответственно, первый выход синтезатора частот соединен с входом блока опорных частот, первый выход которого соединен с первым входом передатчика, первый вход-выход БЦВМ через управляющую шину соединен с входом синтезатора частот, вторым входом формирователя сетки гетеродинных частот, пятым входом приемника излучений, третьим входом первого высокочастотного коммутатора, шестым входом-выходом антенной системы, четвертым входом передатчика и первым входом синхронизатора, второй вход-выход БЦВМ является входом-выходом РЛС, через который производится информационный обмен с бортовой системой управления, в приемник отраженного сигнала введен второй канал, аналогичный первому, при этом сам приемник отраженного сигнала, второй видеоусилитель, первый УВЧ, третий смеситель и УПЧ становятся двухканальными, третий двухканальный полосовой фильтр, первый и второй выходы которого соединены с одноименными входами первого двухканального УВЧ, двухканальный четвертый смеситель и двухканальный четвертый полосовой фильтр, при этом первый и второй выходы двухканального УПЧ, через последовательно соединенные четвертый двухканальный смеситель и двухканальный четвертый полосовой фильтр подключены к одноименным входам двухканального второго видеоусилителя, второй выход первого двухканального УВЧ соединен с одноименным входом третьего двухканального смесителя, второй выход которого соединен с одноименным входом двухканального УПЧ, первый и второй входы третьего полосового фильтра являются одноименными (сигнальными) входами приемника отраженного сигнала, третий вход двухканального УПЧ является пятым входом (входом АРУ) приемника отраженного сигнала, третий вход четвертого смесителя является одноименным входом (входом второго гетеродинного сигнала) приемника отраженного сигнала, первый и второй выходы второго видеоусилителя являются одноименными выходами приемника отраженного сигнала, в каждый (первый и второй) канал приемника радиоизлучений, вводится последовательно включенные второй высокочастотный коммутатор и преселектор, выход которого соединен с входом второго УВЧ, последовательно соединенные аттенюатор и пятый смеситель, выход которого соединен с входом третьего видеоусилителя, при этом выход второго УВЧ соединен со вторым входом аттенюатора, пятые управляющие входы вторых высокочастотных коммутаторов и первые аттенюаторов соединены шиной с пятым управляющим входом приемника излучений, первые (гетеродинные) входы пятых смесителей (смесителей первого и второго каналов приема) соединены с третьим и четвертым (гетеродинными) входами приемника излучений соответственно, первый четырехфидерный вход (вход первого канала приема) которого соединен с четырьмя входами (с первого по четвертый) второго высокочастотного коммутатора первого канала, второй четырехфидерный вход приемника излучений (вход второго канала приема) соединен с четырьмя входами (с первого по четвертый) второго высокочастотного коммутатора второго канала, выходы третьих видеоусилителей первого и второго каналов приемника излучений являются первым и вторым выходами приемника излучений соответственно.
Сущность предлагаемого изобретения поясняется дальнейшим описанием и чертежами, на которых представлены:
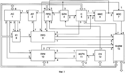
фиг.1 – структурная схема РЛС,
фиг.2 – структурная схема антенной системы,
фиг.3 – структурная схема передатчика,
фиг.4 – структурная схема формирователя опорного сигнала,
фиг.5 – структурная схема приемника отраженного сигнала,
фиг.6 – структурная схема приемника излучений.
На фиг.1 приняты следующие обозначения:
1 – антенная система (АС), структурная схема которой представлена на фиг.2;
2 – антенный переключатель (АП), выполняемый в виде ферритового Y-циркулятора;
3 – передатчик (ПРД), структурная схема которого представлена на фиг.3;
4 – блок опорных частот (БОЧ), выполняемый по схеме умножителей частоты с применением петель цифровых схем фазовой автоподстройки частоты (ФАПЧ) [5, с.220, рис.5.1];
5 – синхронизатор (С), представляющий совокупность преобразователей код-период и код-длительность и цифроаналоговых преобразователей;
6 – формирователь модуляции сигнала (ФМС), представляющий генератор промежуточной частоты, управляемый напряжением по частоте;
7 – формирователь опорного сигнала (ФОС), структурная схема которого представлена на фиг.4;
8 – первый высокочастотный коммутатор (К1);
9 – приемник отраженного сигнала (ПРО), структурная схема которого представлена на фиг.5;
10 – приемник радиоизлучений (ПРИ), структурная схема которого представлена на фиг.6;
11 – формирователь сетки гетеродинных частот (ФСГЧ), вариантом формирователя может быть совокупность управляемых кодом умножителей частоты, каждый из которых выполнен с помощью цифровой петли ФАПЧ [5, с.260, рис.6.23];
12 – синтезатор частот (СЧ) – вариантом синтезатора частоты может быть микросхема типа AD 9854 фирмы Analog Devices;
13 – бортовая цифровая вычислительная машина (БЦВМ) – вариантом БЦВМ может быть вычислительная машина, описанная в [8].
В схеме РЛС на фиг.1 последовательно соединены синхронизатор 5, передатчик 3, антенный переключатель 2 и антенная система 1, последовательно соединены формирователь модуляции сигнала 6, формирователь опорного сигнала 7 и БЦВМ 13, последовательно соединены синтезатор частот 12 и формирователь сетки гетеродинных частот 11, первый и второй выходы которого соединены с третьим и четвертым входами приемника излучений 10 соответственно, третий и пятый выходы антенной системы 1 соединены с первым и вторым входами первого высокочастотного коммутатора 8 соответственно, выход первого высокочастотного коммутатора 8 соединен со вторым входом приемника отраженного сигнала 9, первый и второй выходы которого соединены с пятыми и шестым входами БЦВМ 13 соответственно, третий выход антенного переключателя 2 соединен с первым входом приемника отраженного сигнала 9, четвертый вход которого соединен со вторым выходом передатчика 3, третий выход блока опорных частот 4 соединен с первым входом формирователя опорного сигнала 7 и третьим входом приемника отраженного сигнала 9, выход формирователя модуляции сигнала 6 соединен с третьим входом передатчика 3, первый вход которого соединен с одноименным выходом блока опорных частот 4, второй выход блока опорных частот 4 соединен с одноименным входом синхронизатора 5, первый и второй выходы которого соединены с одноименными входами формирователя модуляции сигнала 6, второй и четвертый выходы антенной системы 1 соединены со вторым и первым входами приемника излучений 10 соответственно, третий выход синхронизатора 5 соединен с пятым входом приемника отраженного сигнала 9, четвертый выход синхронизатора 5 соединен с седьмым входом БЦВМ 13, третий и четвертый входы которого соединены с первым и вторым выходами приемника излучений 10 соответственно, первый выход синтезатора частот 12 соединен с входом блока опорных частот 4, первый вход-выход БЦВМ 13 через управляющую шину соединен с входом синтезатора частот 12, вторым входом формирователя сетки гетеродинных частот 11, пятым входом приемника излучений 10, третьим входом первого высокочастотного коммутатора 8, шестым входом-выходом антенной системы 1, четвертым входом передатчика 3 и первым входом синхронизатора 5, второй вход-выход БЦВМ 13 является входом-выходом РЛС, через который производится информационный обмен с бортовой системой управления.
На фиг.2 приняты следующие обозначения:
14 – параболическое зеркало;
15 – гиростабилизатор (ГС);
161…164 – облучатели первого канала (первого диапазона частот) приема;
171…174 – облучатели второго канала (второго диапазона частот) приема;
18 – твистрефлектор;
19 – суммарно-разностный преобразователь (СРП).
Антенная система 1, изображенная на фиг.2, содержит параболическое зеркало 14, подвижное зеркало (твистрефлектор) 18, механически соединенное с платформой гиростабилизатора 15, первые четыре облучателя 161…164 антенной системы 1 образуют ее второй выход и соединены с одноименными входами-выходами суммарно-разностного преобразователя 19, пятый, шестой и седьмой выходы которого являются первым, третьим и пятым выходами антенной системы 1 соответственно, вторые четыре облучателя 171…174 антенной системы 1 образуют четвертый выход антенной системы 1, информационный вход-выход гиростабилизатора 15 является шестым входом-выходом антенной системы 1.
На фиг.3 приняты следующие обозначения:
20 – умножитель частоты (УмЧ);
21 – направленный ответвитель (НО);
22 – первый смеситель (СМ1);
23 – первый полосовой фильтр (ПФ1);
24 – усилитель мощности (УМ).
В схеме передатчика, изображенного на фиг.3, последовательно соединены умножитель частоты 20, направленный ответвитель 21, первый смеситель 22, первый полосовой фильтр 23 и усилитель мощности 24, вход умножителя частоты 20 является первым входом передатчика 3, второй выход направленного ответвителя 21 является вторым выходом передатчика 3, первый вход первого смесителя 22 является третьим входом передатчика 3, второй вход усилителя мощности 24 является четвертым входом передатчика 3, второй вход передатчика 3 соединен со вторым входом первого полосового фильтра 23 и третьим входом усилителя мощности 24, выход которого является выходом передатчика 3.
На фиг.4 приняты следующие обозначения:
25 – второй смеситель (СМ2);
26 – второй полосовой фильтр (ПФ2);
27 – первый видеоусилитель (ВУ1).
На схеме формирователя опорного сигнала 7, изображенного на фиг.4, выход второго смесителя 25 через последовательно соединенные второй полосовой фильтр 26 и первый видеоусилитель 27 соединен с выходом формирователя опорного сигнала 7, первый и второй входы второго смесителя 25 являются одноименными входами формирователя опорного сигнала 7.
На фиг.5 приняты следующие обозначения:
28 – третий двухканальный полосовой фильтр (ПФ3);
29 – первый двухканальный усилитель высокой частоты (УВЧ1);
30 – третий двухканальный смеситель (СМ3);
31 – двухканальный усилитель промежуточной частоты (УПЧ);
32 – четвертый двухканальный смеситель (СМ4);
33 – четвертый двухканальный полосовой фильтр (ПФ4);
34 – второй двухканальный видеоусилитель (ВУ2).
На схеме приемника отраженного сигнала 9, изображенного на фиг.5, первый и второй входы третьего двухканального полосового фильтра 28 через последовательно соединенные первый двухканальный усилитель высокой частоты 29, третий смеситель 30, УПЧ 31, четвертый смеситель 32, четвертый полосовой фильтр 33, соединены с одноименными входами второго двухканального видеоусилителя 34, первый и второй выходы которого являются одноименными выходами приемника отраженного сигнала 9, первый и второй входы третьего двухканального полосового фильтра 28 являются одноименными входами приемника отраженного сигнала 9, третий вход четвертого двухканального смесителя 32 является третьим входом приемника отраженного сигнала 9, третий вход третьего двухканального смесителя 30 является четвертым входом приемника отраженного сигнала 9, третий вход двухканального УПЧ 31 является пятым входом приемника отраженного сигнала 9.
На фиг.6 приняты следующие обозначения:
351 и 352 – вторые высокочастотные коммутаторы (K21 и К22) соответственно, коммутаторы могут быть построены на базе СВЧ переключателей НМС 232LP4 [7];
361 и 362 – преселекторы (ПС1 и ПС2) соответственно;
371 и 372 – вторые усилители высокой частоты (УBЧ21 и УВЧ22) соответственно;
381 и 382 – аттенюаторы (AT1 и АТ2) соответственно, вариантом построения управляемого аттенюатора может быть СВЧ аттенюатор HMC 425LP3 [6];
391 и 392 – пятые смесители (CM51 и СМ52) соответственно;
401 и 402– третьи видеоусилители (ВУЗ1 и ВУЗ2) соответственно.
На схеме приемника излучений 10, изображенного на фиг.6, первый четырехфидерный вход приемника излучений 10 соединен с первыми четырьмя входами коммутатора 351, выход которого через последовательно соединенные преселектор 361, второй УBЧ21 371, аттенюатор 381, пятый смеситель 391, третий видеоусилитель 401 соединен с первым выходом приемника излучений 10, второй четырехфидерный вход приемника излучений 10 соединен с первыми четырьмя входами коммутатора 352, выход которого через последовательно соединенные преселектор 362, второй УВЧ22 372, аттенюатор 382, пятый смеситель 392, третий видеоусилитель 402 соединен со вторым выходом приемника излучений 10, пятый вход приемника излучений 10 с помощью управляющей шины соединен с пятыми входами коммутаторов 351 и 352, первыми входами аттенюаторов 381 и 382, первый вход пятого смесителя 391 является третьим входом приемника излучений 10, первый вход пятого смесителя 392 является четвертым входом приемника излучений 10.
В соответствии со схемой на фиг.1 предлагаемая РЛС работает следующим образом. Из системы управления полетом ЛА на второй вход БЦВМ 13 приходит команда включения и полетное задание с указанием априорного сектора по дальности и углу, в котором находится цель, и ее данные для выбора, захвата и последующего наведения на нее ЛА. БЦВМ 13 после этого по программе проводит операции по подготовке работы РЛС в пассивном режиме. При этом БЦВМ 13 с первого входа-выхода через шину управления выдает на четвертый вход передатчика 3, изображенного на фиг.3, команду, отключающую питание выходного усилителя мощности 24, вводит через шестой вход антенной системы 1, изображенной на фиг.2, сигналы управления угловой скоростью оси визирования антенной системы по азимуту и углу места, поступающие на гиростабилизатор 15, с помощью которого ось визирования антенной системы 1 направляется в требуемое начало сектора сканирования. Текущее положение оси антенной системы по углу места и азимуту ( , ) выдаются на БЦВМ 13 по ее запросу с 6 выхода. При достижении заданного начала сектора сканирования ( 0, 0) БЦВМ 13 через гиростабилизатор 15 останавливает ось антенной системы 1. Далее БЦВМ 13 продолжает операции по подготовке к работе РЛС в пассивном режиме, при этом через управляющую шину с первого входа-выхода на управляющий вход синтезатора частоты 12 вводит коды параметров частот на i-х выходах (начальные значения частоты Sio, крутизны перестройки частоты Qio и периода сканирования Тio), на второй вход формирователя сетки гетеродинных частот 11 вводятся коды Kj умножения входной частоты для получения двух выходных, на пятый вход приемника излучений 10 вводит адреса горизонтально расположенных лучей антенной системы 1, сигналы которых усиливаются и после преобразования на видеочастоту выводятся на его выходы 1 и 2. Текущие частоты на выходах формирователя сетки гетеродинных частот 11 определяются выражением:
fsj=Kj·Fсч2=Kj(S20+Q20(t-qT20))f ,
где Fсч2 – частота сигнала на втором выходе синтезатора частоты 12,
f – дискрет установки выходных частот синтезатора частоты 12,
q – номер цикла сканирования по частоте,
j – номер выхода формирователя сетки частот 11.
Частоты fsj поступают на двухканальный приемник излучений 10 в качестве гетеродинных в верхнем (первом) и нижнем (втором) каналах приема соответственно.
После подготовительных операций БЦВМ 13 включает режим М-кратного секторного сканирования антенной системы 1 по азимуту в заданном угловом секторе, для чего вводит в гиростабилизатор 15 антенной системы 1 управляющие сигналы по знаку и скорости сканирования.
Перестройкой азимутального положения антенной системы 1 и частот настройки приемника излучений 10 производится поиск сигнала источника излучений в двух широких диапазонах частот для всех положений антенной системы 1 априорно заданного сектора поиска по углу.
Сигналы источников излучений в зависимости от диапазона частот принимаются либо антеннами 16, либо 17 и поступают на первый и второй входы приемника излучений 10 соответственно. В приемнике излучения 10, изображенном на фиг.6, принимаемые сигналы поступают на вторые высокочастотные коммутаторы 351 и 352, управляемые БЦВМ 13, через которые сигналы с антенн 161 и 171 поступают в соответствующий первый или второй канал приемника излучений 10. В каналах производится селекция принимаемых сигналов по двум неперекрывающимся диапазонам частот с помощью преселекторов 36, усиление во вторых усилителях высокой частоты 37, регулировка амплитуды с помощью управляемых от БЦВМ 13 аттенюаторов 38, обеспечивающая линейный режим приема сигналов в требуемом динамическом диапазоне, перенос на нулевую частоту с помощью пятых смесителей 39 и усиление в третьих видеоусилителях 40 до уровня, достаточного для оцифровки по третьему и четвертому аналоговым входам БЦВМ 13. В БЦВМ 13 на каждом m-м цикле сканирования по углу производит пороговое обнаружение сигналов в верхнем и нижнем диапазонах приема с записью признака обнаружения Пnpm=П(Fn, npm)=1 и амплитуды Unpm=U(Fn, npm) n-ного источника сигнала в координатах (Fn, npm) – текущего азимутального направления npm и несущей частоты Fn сигнала. Частота Fn определяется по частоте настройки гетеродина при обнаружении сигнала, равной

В соответствии с алгоритмом работы РЛС, реализуемой программным обеспечением БЦВМ 13, при обнаружении n-го сигнала БЦВМ 13 продолжает сканирование ДНА по азимуту, снимает сканирование гетеродинных частот (поиск частоты источника излучения), измеряет период Тn и длительность n обнаруженного на частоте Fn сигнала.
При амплитуде входного сигнала Unpm=U(Fn, npm) меньше порога обнаружения БЦВМ 13 устанавливает Пnpm=П(Fn, npm)=0; возобновляет поиск сигнала по частоте и продолжает М-кратное секторное сканирование по углу. По окончании М-кратного секторного сканирования по углу БЦВМ 13 по результатам записей вычисляет азимутальную координату каждого n-го обнаруженного источника излучения:

где Пn – число сканирований из М, на которых был обнаружен сигнал n-го источника излучения;
 см – смещение оси 161 (171) луча антенной системы относительно равносигнального направления в азимутальной плоскости.
При Пn меньше порога n-й сигнал считается ложным и исключается из дальнейшего рассмотрения.
По результатам статистики М записей параметров обнаруженных источников излучения БЦВМ 13 определяет:
– область несущих частот активного канала, наименее загруженную помехами,
– координаты РЛС противника и их параметры (несущие частоты, период и длительность сигналов);
– гипотезу принадлежности одного из обнаруженных источников излучения заданной цели (используются априорные данные о местоположении целей и база данных о параметрах источников излучения целей),
– приоритетную цель для последующего уточнения координат, сопровождения и наведения на нее ЛА, учитывая данные полетного задания и результаты пассивной разведки.
После этого БЦВМ 13:
– принимает решение о работе по приоритетной цели либо в пассивном режиме, либо в активном в диапазоне частот, наименее загруженном помехами,
– выдает по шине управления расчетные параметры настройки антенной системы 1 на направление выбранной приоритетной цели ( ц, ц).
Далее, если принято решение о работе активным каналом, БЦВМ 13 проводит расчеты и выдает с первого входа-выхода через шину управления параметры настроек:
– на синхронизатор 5 – параметры импульса амплитудной модуляции зондирующих импульсов, формируемого на втором выходе (периода повторения Ти и длительности и в зависимости от априорного коридора дальностей, в котором может находиться цель), значение исходного кода сигнала АРУ, транслируемого через цифроаналоговый преобразователь на пятый вход приемника отраженных сигналов 9 (зависит от дальности, на которой априорно может находиться цель), случайный код внутриимпульсной частотной манипуляции зондирующего сигнала, транслируемый через цифроаналоговый преобразователь на первый вход формирователя модуляции сигнала 6,
– на синтезатор частоты 12 – код S1 частоты, формируемый на его первом выходе Fсч1=S1f и определяющий несущую частоту зондирующего сигнала.
На синхронизатор 5 со второго выхода блока опорных частот 4 приходит кварцованная частота РБОЧ2, используемая для формирования на втором выходе импульса амплитудной модуляции цифровым способом. Данный импульс поступает на второй вход передатчика 3 и формирователь модуляции сигнала 6, где модулирует длительность формируемых ими сигналов.
В блоке опорных частот 4 путем умножения входной частоты FСЧ1 и сдвига получают частоты:
FБОЧ1=N1FСЧ1+fсм,
FБОЧ2=N2FСЧ1,
FБОЧ3=N3FСЧ1=fг2,
где fсм – частота смещения (частота внутреннего генератора блока опорных частот 4);
N1, N2 и N3 – целые числа;
FБОЧ2 – кварцованная частота, используемая синхронизатором 5 при формировании импульса амплитудной модуляции;
FБОЧ3=fг2 – вторая гетеродинная частота, равная промежуточной частоте приемника отраженных сигналов, поступает с третьего выхода блока опорных частот 4 на третий вход приемника отраженных сигналов 9.
Аналоговый сигнал внутриимпульсной частотной манипуляции, соответствующий коду, полученному от БЦВМ 13, с первого выхода синхронизатора 5 поступает на одноименный вход формирователя модуляции сигнала 6, на выходе которого на промежуточной частоте формируется импульс, манипулированный по частоте, поступающий в передатчик 3 для переноса его модуляции на несущую.
После подготовительных операций, описанных выше, по шине управления с первого входа-выхода БЦВМ 13 на передатчик 3, изображенный на фиг.3, приходит команда, включающая питание выходного усилителя мощности 24, соответственно, излучение зондирующих импульсов. На первый вход умножителя частоты 20 с блока опорных частот 4 приходит сигнал с частотой FБОЧ1. После ее умножения в Кнес раз выходная частота умножителя частот 20 равна fг1=KнесfБОЧ1 – первой гетеродинной частоте приемника отраженных сигналов 9. Выходной сигнал умножителя частоты 20 через направленный ответвитель 21 поступает на первый смеситель 22, где смешивается с частотно-манипулированным импульсом, приходящим с формирователя модуляции сигнала 6. Выходной сигнал первого смесителя 22 через первый полосовой фильтр 23 проходит на выходной усилитель мощности 24, являющийся выходным устройством передатчика 3. Частота настройки первого полосового фильтра 23 (его затухание на несущей частоте) управляется импульсом амплитудной модуляции, приходящим с синхронизатора 5 на второй вход первого полосового фильтра 23, при этом в паузах между зондирующими импульсами его затухание максимально, обеспечивая подавление непрерывного паразитного сигнала на выходе усилителя мощности 24 до допустимого уровня. Сигнал с выхода направленного ответвителя 21 с частотой fг1 через второй выход передатчика 3 поступает на четвертый (вход первого гетеродина) вход приемника отраженного сигнала 9. Выходной сигнал передатчика 3, сформированный усилителем мощности 24, через антенный переключатель 2 поступает на первый вход-выход антенной системы 1, структурная схема которой приведена на фиг.2, а далее через суммарно-разностный преобразователь 19 на горизонтально расположенные облучатели 161 и 163 двухзеркальной антенны Кассегрена и излучается в направлении ( ц, ц), установленном гиростабилизатором 15 по управляющим сигналам БЦВМ 13. Отраженный сигнал принимается четырьмя лучами антенн 16 и с облучателей 161…164 поступает на суммарно-разностный преобразователь 19, где преобразуется в суммарный (первый выход антенной системы) и два разностных (угломестный U и азимутальный U ) сигнала (третий и пятый выходы антенной системы 1 соответственно). Один из разностных сигналов через первый высокочастотный коммутатор 8, управляемый БЦВМ 13, поступает на второй вход приемника отраженных сигналов 9. На первый вход этого же приемника 9 с первого входа-выхода антенной системы 1 через антенный переключатель 2 приходит суммарный отраженный сигнал. Приемник отраженного сигнала 9 двухканальный, его структурная схема приведена на фиг.5. Отраженные суммарные и разностные сигналы последовательно через двухканальные третий полосовой фильтр 28 и первый усилитель высокой частоты 29 поступают на двухканальный третий смеситель 30, где преобразуются на промежуточную частоту fпр=fг2, усиливаются в двухканальном УПЧ 31, переносятся на видеочастоту в четвертом двухканальном смесителе 32, фильтруются в двухканальном четвертом полосовом фильтре 33 и после усиления во втором двухканальном видеоусилителе 34 поступают на выход приемника отраженного сигнала 9. Сигнал первого гетеродина приходит на третий вход третьего смесителя 30 с передатчика 3, сигнал второго гетеродина приходит на третий вход четвертого смесителя 32 с блока опорных частот 4. Управление уровнем усиления сигналов в приемнике 9 производится БЦВМ 13 через синхронизатор 5 сигналом АРУ, приходящим на третий вход двухканального УПЧ 31. Выходные суммарные и разностные видеосигналы приемника отраженного сигнала 9 поступают на пятый и шестой аналоговые входы БЦВМ 13, где оцифровываются, запоминаются и обрабатываются. В результате обработки производятся многоканальная по дальности и доплеровской частоте согласованная фильтрация сигналов и последующее пороговое обнаружение сигналов. Особенностью внутрипериодной согласованной фильтрации является то, что в каждом периоде в качестве опорного используется сигнал с выхода формирователя модуляции сигнала 6, прошедший через формирователь опорного сигнала 7 на восьмой аналоговый вход БЦВМ 13, оцифрованный и запомненный. Структурная схема формирователя опорного сигнала 7 приведена на фиг.4. Здесь частотно-манипулированный сигнал промежуточной частоты поступает на второй вход второго смесителя 25, где с помощью второго гетеродинного сигнала переносится на нулевую частоту, далее последовательно фильтруется вторым полосовым фильтром 26 и усиливается первым видеоусилителем 27, являющимся выходным устройством формирователя опорного канала 7. Для обнаруженных в априорном диапазоне дальность-угол сигналов БЦВМ 13 с целью селекции сигналов цели от сигналов пассивных помех проводит измерение ширины спектра обнаруженного сигнала. Сравнение измеренной полосы спектра сигнала с расчетными порогами позволяет отделить сигнал цели от сигналов, отраженных ОДО и НУО, для множества рабочих ситуаций. Сигнал, соответствующий признакам заданной цели (находится в заданном априорном диапазоне дальность-угол, ширина спектра близка к ширине спектра назначенной цели, является носителем РЛС с параметрами, близкими к параметрам в базе данных назначенной цели, геометрические размеры близки к размерам назначенной цели, мощность отраженного сигнала соответствует ЭПР назначенной цели и т.д.), далее захватывается и сопровождается фильтром Калмана с использованием моноимпульсного оценивания сигнала ошибки по углу. Отслеживаются углы места и азимута ( ц, ц), дальность до цели и радиальная скорость цели (Rц, Vц), угловые скорости линии визирования, по углу места и азимуту ( ,  ).
В процессе работы активного канала для повышения помехозащищенности РЛС несущая частота каждой пачки зондирующего сигнала перестраивается по случайному закону. Для этого БЦВМ 13 с периодом пачки (определяется требуемым угловым (частотным) разрешением) вводит на управляющий вход синтезатора частоты 12 случайный код S2.
Если активная помеха подавляет активный канал (уровень сигнала в нерабочем диапазоне дальностей оказывается больше порога), РЛС переходит в пассивный режим с поиском, захватом и автосопровождением источника помехи по сигналу ошибки по углу, определяемому моноимпульсным способом.
Если в соответствии с полетным заданием целью является источник излучения, то после пассивной разведки, выбора приоритетной цели и установки оси антенной системы на выбранную цель с координатами ( ц, ц) дальнейшая работа РЛС производится в пассивном режиме на несущей частоте источника излучений Fц псевдомоноимпульсным амплитудным способом. При этом БЦВМ 13 с первого входа-выхода через управляющую шину вводит на управляющие входы синтезатора частоты 12 и формирователя сетки гетеродинных частот 11 соответствующие коды S10, Q10=0, Т10, K1 и K2, определяющие значения частот fs1 и fs2 на выходе формирователя сетки гетеродинных частот 11 и обеспечивающие прием сигнала с требуемой частотой Fц. Кроме того, БЦВМ 13 через соответствующий второй высокочастотный коммутатор 35 производит в зависимости от частотного диапазона Fц манипуляцию принимаемых сигналов с азимутальных 161 и 163 (171 и 173) или угломестных 162 и 164 (172 и 174) пересекающихся ДНА и приходящих на вход приемника излучений 10. После преобразования и усиления манипулированных по направлению приема сигналов в приемнике излучения 10 в БЦВМ 13 производится их оцифровка с записью либо амплитуд манипулированных по азимуту сигналов U1(Fц, ц) и U3(Fц, ц) либо по углу места U2(Fц, ц) и U4(Fц, ц). По результатам записи при {U1(Fц, ц)+U3(Fц, ц)} больше порога обнаружения БЦВМ 13 производит оценку отклонения азимута  и угла места  наблюдаемой цели от равносигнального направления (РСН) в соответствии с выражениями:


где аз(Fц) и ум(Fц) – крутизна азимутальной и угломестной пеленгационной характеристик на частоте сигнала Fц соответственно.
Сигналы ошибки  и  используются для управления РСН пассивного канала на источник излучения при автосопровождении его по углу фильтром Калмана.
Измеряемые координаты цели ( ц, ц,  ,  , Rц, VR) при работе активным каналом или ( ц, ц,  ,  ) при работе пассивным каналом выдаются БЦВМ 13 в систему управления ЛА по отдельной информационной шине, подключенной к ее второму выходу.
Логика работы РЛС может быть в соответствии с полетным заданием изменена на чисто пассивный или активный режим, в том числе с перестройкой несущей частоты от импульса к импульсу, что обеспечивается возможностями синтеза частот сигнала в синтезаторе частоты 12 на современной элементной базе.
Преимуществом предлагаемой РЛС перед прототипом является более высокая точность и помехозащищенность в активном режиме за счет применения моноимпульсной обработки сигнала и когерентной фильтрации сигнала, обеспечивающей как повышение соотношения сигнал/фон, так и разрешающую способность по углу, селекцию полезного сигнала от пассивных помех. Погрешность измерения угловых координат источников излучений РЛС в пассивном режиме также ниже, чем в прототипе при сопровождении, так как время накопления не ограничивается временем нахождения цели в пределах ширины сканирующей ДНА. Когерентный режим работы активного канала обеспечивает снижение необходимой мощности излучения, повышение помехозащищенности и углового разрешения. По сравнению с прототипом в предлагаемой РЛС обеспечивается измерение дополнительных параметров сигнала источников излучений (периода повторения и длительности), что позволяет повысить достоверность выбора цели на автосопровождение.
Пользуясь сведениями, представленными в материалах заявки, предлагаемую РЛС можно изготовить в производстве, используя известные материалы, элементы, узлы и технологию, применять для обнаружения и измерения надводных и береговых целей и измерения их координат, что доказывает промышленную применимость изобретения.
В соответствии с материалами заявки был изготовлен опытный образец устройства, испытания которого подтвердили достижение указанного технического эффекта.
Формула изобретения
Радиолокационная станция (РЛС), содержащая последовательно соединенные синхронизатор, передатчик, антенный переключатель и антенную систему, приемник отраженного сигнала и приемник радиоизлучений, отличающаяся тем, что в нее введены блок опорных частот, последовательно соединенные формирователь модуляции сигнала, формирователь опорного сигнала и бортовая цифровая вычислительная машина (БЦВМ), первый высокочастотный коммутатор, выход которого соединен со вторым (вторым сигнальным) входом приемника отраженного сигнала, последовательно соединенные синтезатор частот и формирователь сетки гетеродинных частот, первый и второй выходы которого соединены с третьим и четвертым входом приемника радиоизлучений соответственно, при этом первый и второй выходы приемника отраженного сигнала соединены с пятым и шестым входами БЦВМ соответственно, третий выход блока опорных частот соединен с первым входом формирователя опорного сигнала и третьим входом приемника отраженного сигнала, выход формирователя модуляции сигнала соединен с третьим входом передатчика, второй выход блока опорных частот соединен с одноименным входом синхронизатора, первый и второй выходы которого соединены с одноименными входами формирователя модуляции сигнала, второй и четвертый четырехфидерные выходы антенной системы соединены со вторым и первым четырехфидерными входами приемника радиоизлучений соответственно, третий выход синхронизатора соединен с пятым входом приемника отраженного сигнала, третий и пятый выходы антенной системы соединены с первым и вторым входами первого высокочастотного коммутатора, четвертый выход синхронизатора соединен с седьмым входом БЦВМ, третий и четвертый входы которого соединены с первым и вторым выходами приемника радиоизлучений соответственно, первый выход синтезатора частот соединен с входом блока опорных частот, первый выход которого соединен с первым входом передатчика, первый вход-выход БЦВМ через управляющую шину соединен с входом синтезатора частот, вторым входом формирователя сетки гетеродинных частот, пятым входом приемника радиоизлучений, третьим входом первого высокочастотного коммутатора, шестым входом-выходом антенной системы, четвертым входом передатчика и первым входом синхронизатора, второй вход-выход БЦВМ является входом-выходом РЛС, через который производится информационный обмен с бортовой системой управления, третий выход антенного переключателя соединен с первым (сигнальным) входом приемника отраженного сигнала, при этом приемник отраженного сигнала выполнен двухканальным и состоит из двухканальных третьего полосового фильтра, первого усилителя высокой частоты (УВЧ), третьего смесителя, усилителя промежуточной частоты (УПЧ), четвертого смесителя, четвертого полосового фильтра и второго видеоусилителя, при этом первый и второй выходы третьего полосового фильтра соединены с одноименными входами первого двухканального УВЧ, при этом первый и второй выходы двухканального УПЧ, через последовательно соединенные четвертый двухканальный смеситель и двухканальный четвертый полосовой фильтр подключены к одноименным входам двухканального второго видеоусилителя, второй выход первого двухканального УВЧ соединен с одноименным входом третьего двухканального смесителя, второй выход которого соединен с одноименным входом двухканального УПЧ, первый и второй входы третьего полосового фильтра являются одноименными (сигнальными) входами приемника отраженного сигнала, третий вход двухканального УПЧ является пятым входом (входом автоматической регулировки усиления) приемника отраженного сигнала, третий вход четвертого смесителя является одноименным входом (входом второго гетеродинного сигнала) приемника отраженного сигнала, первый и второй выходы второго видеоусилителя являются одноименными выходами приемника отраженного сигнала, гетеродинный вход третьего смесителя является четвертым входом приемника отраженного сигнала, соединенного со вторым выходом передатчика, при этом приемник радиоизлучений выполнен двухканальным, первый и второй каналы которого содержат вторые УВЧ и третьи видеоусилители, последовательно включенные второй высокочастотный коммутатор и преселектор, выход которого соединен с входом второго УВЧ, последовательно соединенные аттенюатор и пятый смеситель, выход которого соединен с входом третьего видеоусилителя, при этом выход второго УВЧ соединен со вторым входом аттенюатора, пятые управляющие входы вторых высокочастотных коммутаторов и первые аттенюаторов соединены шиной с пятым управляющим входом приемника радиоизлучений, первые (гетеродинные) входы пятых смесителей (смесителей первого и второго каналов приема) соединены с третьим и четвертым (гетеродинными) входами приемника радиоизлучений соответственно, первый четырехфидерный вход (вход первого канала приема) которого соединен с четырьмя входами (с первого по четвертый) второго высокочастотного коммутатора первого канала, второй четырехфидерный вход приемника радиоизлучений (вход второго канала приема) соединен с четырьмя входами (с первого по четвертый) второго высокочастотного коммутатора второго канала, выходы третьих видеоусилителей первого и второго каналов приемника радиоизлучений являются первым и вторым выходами приемника радиоизлучений соответственно, при этом БЦВМ по результатам статистики записей параметров обнаруженных источников радиоизлучений определяет область несущих частот активного канала, наименее загруженную помехами, координаты РЛС противника и их параметры (несущие частоты, период и длительность сигналов), гипотезу принадлежности одного из обнаруженных источников радиоизлучения заданной цели (используются априорные данные о местоположении целей и база данных о параметрах источников радиоизлучений целей), приоритетную цель для последующего уточнения координат, сопровождения и наведения на нее летательного аппарата, учитывая данные полетного задания.
РИСУНКИ
|
|