|
(21), (22) Заявка: 2006125684/28, 17.07.2006
(24) Дата начала отсчета срока действия патента:
17.07.2006
(46) Опубликовано: 20.01.2008
(56) Список документов, цитированных в отчете о поиске:
SU 1224753 A, 15.04.1986. SU 602888 A, 15.04.1978. RU 2073252 С1, 10.02.1997. JP 56-48559 А, 01.05.1981. US 6181140 А, 30.01.2001.
Адрес для переписки:
614000, г.Пермь, ул. Куйбышева, 38-17, Н.П. Воробьевой
|
(72) Автор(ы):
Раскин Аркадий Яковлевич (RU), Раскина Евгения Аркадьевна (RU)
(73) Патентообладатель(и):
Раскин Аркадий Яковлевич (RU), Раскина Евгения Аркадьевна (RU)
|
(54) СПОСОБ ОПРЕДЕЛЕНИЯ РАССТОЯНИЯ ДО МЕСТА ОБРЫВА КАБЕЛЯ ПРОВОДОВ ЛИНИИ ЭЛЕКТРОСВЯЗИ
(57) Реферат:
Изобретение относится к контролю линий электросвязи. Технический результат: повышение оперативности реагирования на факты нарушения целостности кабеля и его хищения за счет указания в кратчайшие сроки точного места нарушения кабеля без привлечения измерительного персонала. Сущность: расчет электрической емкости осуществляют по меньшей мере на одной паре проводов кабеля длиной L, выбранной в качестве контрольной, входящий конец которой замыкают на резистор. Предварительно осуществляют градуировку контрольной пары проводов путем их разрыва при отключении резистора, замера величины электрической емкости разорванного провода контрольной пары Спр и вычисления величины погонной электрической емкости Спогон=Спр/L. Осуществляют постоянный контроль величины электрического тока в контрольной паре. В случае уменьшения тока ниже заданной величины производят замеры начального и конечного напряжений на контрольной паре проводов, время заряда электрической емкости на исходящем конце кабеля и расчет остаточной электрической емкости уцелевшего участка контрольной пары проводов от исходящего конца кабеля Сост. Расстояние до места обрыва кабеля определяют делением Сост на Спогон. 1 ил.
Изобретение относится к способам определения местоположения повреждений в кабелях, линиях передачи или в сетях, а именно – в кабелях проводной электросвязи, и может использоваться для обнаружения в кратчайшие сроки местоположения нарушителя.
Известен способ определения расстояния до места обрыва многожильного кабеля, согласно которому на одну из жил проверяемого кабеля подают напряжение низкой частоты и измеряют электродвижущую силу, наведенную в другой жиле, по величине которой оценивают расстояние до места обрыва [патент РФ № 2073252, G01R 31/08, 1997].
Однако известный метод является неавтоматизированным и может использоваться для получения информации о месте обрыва в ходе проведения аварийно-восстановительных работ, поэтому не позволяет в считанные секунды получать информацию о факте намеренного нарушения целостности кабеля и принимать соответствующие меры. Данный способ предназначен для планового устранения неисправностей, но не для борьбы с хищением.
Наиболее близким к заявляемому является способ измерения расстояния до места обрыва кабеля, основанный на непосредственном измерении времени разряда емкости кабеля. Метод подразумевает наличие одной неисправной жилы и как минимум одной исправной, к которой осуществляется подключение измерительного прибора, после чего сравнивают данные, полученные от исправной и неисправной жил. Однако данный способ неосуществим в том случае, когда происходит нарушение целостности всех жил кабеля (кабель разрушен полностью). Способ является неавтоматизированным и относится к аварийно-восстановительным работам, поэтому не позволяет осуществлять оперативное реагирование на факт нарушения целостности кабеля и его хищения [патент РФ № 1224753, G01R 31/08, 1986 г.].
Техническая задача, которую решает данное изобретение, заключается в повышении оперативности реагирования на факты нарушения целостности кабеля и его хищения за счет указания в кратчайшие сроки точного места нарушения кабеля без привлечения измерительного персонала.
Сущность изобретения заключается в том, что в способе определения расстояния до места обрыва кабеля проводов линии электросвязи путем расчета величины электрической емкости проводов кабеля с исходящим концом, расположенным на одном объекте, и входящим концом, расположенным на другом объекте, согласно изобретению, расчет электрической емкости осуществляют по меньшей мере на одной паре проводов кабеля длиной L, выбранной в качестве контрольной, входящий конец которой замыкают на резистор, при этом предварительно осуществляют градуировку контрольной пары проводов путем их разрыва при отключении резистора, замера величины электрической емкости разорванного провода контрольной пары Спр и вычисления величины погонной электрической емкости Спогон=Спр/L, затем осуществляют постоянный контроль величины электрического тока в контрольной паре, а в случае уменьшения тока ниже заданной величины производят замеры начального и конечного напряжений на контрольной паре проводов, время заряда электрической емкости на исходящем конце кабеля и расчет остаточной электрической емкости уцелевшего участка контрольной пары проводов от исходящего конца кабеля Сост, а расстояние до места обрыва кабеля определяют делением Сост на Спогон.
Способ позволяет в диспетчерском центре в режиме реального времени осуществлять контроль целостности кабеля и по показаниям измерительных устройств практически мгновенно указывать на место обрыва кабеля, а следовательно, и проводить мероприятия по задержанию нарушителя.
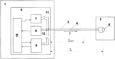
Устройство, реализующее заявляемый способ представлено на чертеже.
Между двумя объектами электросвязи 1 и 2 расположен многожильный кабель с парными витыми проводами (не показан), в котором одна из пар проводов 3, 4 выделена в качестве контрольной. Эта контрольная пара проводов 3, 4 на исходящем конце кабеля подключена к измерительному устройству 5 объекта 1, а на входящем конце кабеля пара 3, 4 соединена резистором 6 с известным сопротивлением, размещенным на объекте 2.
Измерительное устройство 5 включает узел задания постоянного тока 7, узел контроля постоянного тока 8, узел измерения электрической емкости 9 и узел обработки информации 10, выполненной в виде микроконтроллера, а также переключателей 11 и 12, предназначенных для подключения к контрольной паре 3, 4 либо узла контроля постоянного тока 8, либо узла измерения электрической емкости 9.
Узел 9 выполнен с возможностью замера начального и конечного напряжений на контрольной паре проводов 3, 4 и времени заряда электрической емкости на исходящем конце кабеля.
Узел обработки информации 10 выполнен с возможностью расчета остаточной электрической емкости уцелевшего участка Сост контрольной пары проводов 3,4 и величины Lост.
Способ осуществляется следующим образом.
Контроль магистрального кабеля заранее известной длины L, расположенного между автоматической телефонной станцией (АТС) и распределительным шкафом (на 5-7 жилых домов) осуществляется в автоматическом режиме по показаниям измерительных устройств, подключенных к исходящему концу контрольной пары 3, 4 проводов магистрального кабеля. Эта пара выделяется из N пар кабельных проводов, специально соединена через резистор 6 и служит только для контрольных целей.
Предварительно проводят градуировку контрольной пары 3, 4 проводов, т.е. определение величины электрической емкости провода, приходящейся на единицу длины провода (погонную электрическую емкость Спогон). Для чего намеренно разрывают контрольную пару 3, 4 при отключении резистора 6, замеряют величину электрической емкости разорванного провода контрольной пары Спр и вычисляют величину погонной электрической емкости Спогон=Спр/L.
Затем с помощью узла 8 осуществляют постоянный контроль величины электрического тока I в контрольной паре 3,4. В случае уменьшения тока I ниже заданной величины Iзад узел обработки информации 10 фиксирует состояние «обрыв» по сигналу, поступающему с узла 8, отключает узел 8 и подключает узел измерения остаточной электрической емкости 9.
Расчет остаточной электрической емкости уцелевшего участка контрольной пары проводов от исходящего конца кабеля Сост осуществляет узел обработки информации 10 по следующей формуле:
Сост=t/Rзар×lg(1-U1/U0),
где U0 – начальное напряжение на контрольной паре,
U1 – конечное напряжение на контрольной паре;
t – время заряда электрической емкости Сост от U0 до U1;
Rзар – сопротивление резистора известной величины, через который происходит заряд электрической емкости Сост;
lg – значок десятичного логарифма.
Расстояние до места обрыва Lост вычисляют делением Сост на Спогон.
Формула изобретения
Способ определения расстояния до места обрыва кабеля электросвязи путем расчета величины электрической емкости проводов кабеля с исходящим концом, расположенным на одном объекте, и входящим концом, расположенным на другом объекте, отличающийся тем, что расчет электрической емкости осуществляют по меньшей мере на одной паре проводов кабеля длиной L, выбранной в качестве контрольной, входящий конец которой замыкают на резистор, при этом предварительно осуществляют градуировку контрольной пары проводов путем их разрыва при отключении резистора, замера величины электрической емкости разорванного провода контрольной пары Спр и вычисления величины погонной электрической емкости Спогон=Спр/L, затем осуществляют постоянный контроль величины электрического тока в контрольной паре, а в случае уменьшения тока ниже заданной величины производят замеры начального и конечного напряжений на контрольной паре проводов, время заряда электрической емкости на исходящем конце кабеля и расчет остаточной электрической емкости уцелевшего участка контрольной пары проводов от исходящего конца кабеля Сост, а расстояние до места обрыва кабеля определяют делением Сост на Спогон.
РИСУНКИ
MM4A – Досрочное прекращение действия патента СССР или патента Российской Федерации на изобретение из-за неуплаты в установленный срок пошлины за поддержание патента в силе
Дата прекращения действия патента: 18.07.2009
Извещение опубликовано: 20.06.2010 БИ: 17/2010
NF4A – Восстановление действия патента СССР или патента Российской Федерации на изобретение
Дата, с которой действие патента восстановлено: 10.07.2010
Извещение опубликовано: 10.07.2010 БИ: 19/2010
|