|
|
(21), (22) Заявка: 2002124801/06, 17.09.2002
(24) Дата начала отсчета срока действия патента:
17.09.2002
(30) Конвенционный приоритет:
18.09.2001 IT MI2001A001949
(43) Дата публикации заявки: 10.04.2004
(46) Опубликовано: 20.01.2008
(56) Список документов, цитированных в отчете о поиске:
RU 2000458 C1, 07.09.1993. RU 2033546 C1, 08.10.1991. SU 1776846 A1, 23.11.1992. SU 1767205 A, 07.10.1992. DE 3515825 A, 14.11.1985. GB 1460675 A, 06.01.1977.
Адрес для переписки:
129010, Москва, ул. Б.Спасская, 25, стр.3, ООО “Юридическая фирма Городисский и Партнеры”, пат.пов. Г.Б. Егоровой, рег.№ 513
|
(72) Автор(ы):
МИЛИАНИ Алессио (IT), СЕГАТО Фабио (IT), БЕННАТИ Лаура (IT)
(73) Патентообладатель(и):
НУОВО ПИНЬОНЕ ХОЛДИНГ С.П.А. (IT)
|
(54) ПРЕДОХРАНИТЕЛЬНОЕ УСТРОЙСТВО ДЛЯ ПРОМЫВОЧНОЙ СИСТЕМЫ ДЛЯ ИНЖЕКТОРОВ НА ЖИДКОМ ТОПЛИВЕ В ГАЗОВЫХ ТУРБИНАХ
(57) Реферат:
Предохранительное устройство предназначено для промывочной системы для горелок на жидком топливе в газовых турбинах, снабженных отдельными инжекторами для сжигания жидкого топлива или газообразного топлива. Промывочная система используется, когда используется газообразное топливо, и содержит питающую трубу для промывочного газа, коллектор, который распределяет жидкое топливо в горелки, и сливную трубу для слива осажденной жидкости. В питающую трубу встроен закрытый резервуар, в котором выполнены отверстия для впускной трубы, для выпускной трубы для промывочного газа, для сливной трубы и для по меньшей мере, двух датчиков уровня жидкости. Такое выполнение устройства позволит повысить его надежность, упростить его и понизить его стоимость. 9 з.п. ф-лы, 2 ил.
Настоящее изобретение относится к предохранительному устройству для промывочной системы для инжекторов на жидком топливе в газовых турбинах.
Как известно, газовые турбины содержат компрессор, в котором сжимается воздух, принимаемый из окружающей среды.
Этот сжатый воздух проходит в серию камер сгорания, которые содержат одну или более горелок, в каждую из которых инжектор подает топливо, которое смешивается с воздухом для формирования смеси воздуха и топлива, которая должна сгорать.
Впоследствии газообразные продукты сгорания подаются в турбину, которая преобразует теплосодержание газов, сгоревших в камере сгорания, в механическую энергию, доступную для пользователя.
В частности, существуют газовые турбины, которые работают на “двойном топливе”, то есть с двумя типами топлива, другими словами, с жидким и газообразным.
В этом случае турбины снабжены отдельными инжекторами для сжигания соответственно газообразного и жидкого топлива.
Когда турбина работает на газообразном топливе, инжектор жидкого топлива не питается и, таким образом, необходимо промывать инжекторы, которые не используются, потоком инертного газа или воздуха. Это осуществляется для предотвращения всасывания смесей воздуха и топлива или газообразных продуктов сгорания в случаях, когда нет надлежащего уплотнения до (по ходу потока) инжектора.
В дополнение к этому, непрерывная промывка дает выгодный эффект охлаждения инжекторов и устраняет любые остаточные следы жидкого топлива, которые могли бы вызвать проблемы. Если фактически жидкое топливо остается внутри горелки, оно может обугливаться, вызывая эффект создания высокой температуры и, таким образом, блокирования впрыскивающих отверстий инжекторов.
Преимущественно, непрерывная промывка горелок может осуществляться воздухом, поступающим из выхода осевого компрессора турбины, с использованием перепада давлений между выходом компрессора и внутренним пространством камеры сгорания. В связи с этим известна “пассивная” промывка, поскольку используется падение давления в камере сгорания.
Кроме того, система для такой промывки должна снабжаться защитным устройством для того, чтобы, когда в горелку подается жидкое топливо, последнее не могло протекать назад по каналу подачи промывочного воздуха в выпускной резервуар компрессора с риском самовоспламенения и, в результате, серьезного структурного повреждения турбины.
В настоящее время производятся системы с использованием запорного клапана в линии подачи воздуха, по которой питается коллектор, который распределяет воздух в разные горелки.
Каждая труба, которая соединяет коллектор для воздуха с разными горелками, в таком случае снабжена дополнительным запорным клапаном, при этом в самой нижней точке коллектора расположен сливной клапан, который соединен с внешней системой накопления сливаемых материалов.
Когда турбина работает на газообразном топливе, запорный клапан в линии подачи воздуха в коллектор и запорные клапаны на горелках открыты, таким образом допуская промывку горелок. Будет понятно, что в этом случае сливной клапан остается закрытым.
С другой стороны, когда горелка питается жидким топливом, запорный клапан в линии подачи воздуха, который для упрощения будет также называться питающим клапаном, и другие запорные клапаны закрыты, таким образом обеспечивая физическое отделение промывочного воздуха, поступающего от осевого компрессора, от жидкого топлива, которое подается к инжекторам.
В этом случае сливной клапан открыт. Благодаря этому при любом просачивании жидкого топлива, вызванного повреждением или недостаточным уплотнением клапана, оно накапливается в коллекторе и выпускается через сливную систему. Эта система может быть также снабжена визуальной контрольной лампой или сигнальным средством другого типа для подачи сигнала о протечке.
Однако, если бы в системе такого типа произошли существенные протечки жидкого топлива, было бы невозможно гарантировать адекватную защиту от риска опасного самовоспламенения.
Задачей настоящего изобретения, таким образом, является устранение указанных выше недостатков и, в частности, получение предохранительного устройства для промывочной системы инжекторов на жидком топливе в газовых турбинах, которое дает возможность эффективно отображать наличие протечек непосредственно на панели управления газовой турбины.
Другой задачей настоящего изобретения является получение предохранительного устройства для промывочной системы инжекторов на жидком топливе в газовых турбинах, которое отличается высокой степенью надежности, простоты и функциональности и имеет относительно низкую стоимость.
Эта и другие задачи, соответствующие настоящему изобретению, решены благодаря получению предохранительного устройства для промывочной системы для горелок на жидком топливе в газовых турбинах, снабженных отдельными инжекторами для сжигания жидкого топлива или газообразного топлива, причем промывочная система используется, когда используется газообразное топливо, и содержит питающую трубу для промывочного газа, коллектор, который распределяет жидкое топливо в горелки, и сливную трубу для выпуска любой осажденной жидкости, в котором в питающую трубу встроен закрытый резервуар, в котором выполнены отверстия как для впускной трубы, так и для выпускной трубы для промывочного газа, для сливной трубы и для, по меньшей мере, двух датчиков уровня жидкости. Предпочтительно отверстия для датчиков уровня расположены на разных высотах над отверстием для сливной трубы, а резервуар имеет цилиндрическую форму, расположен с вертикальной ориентацией его оси и закрыт на обоих концах нижней поверхностью, в которой закреплена сливная труба, и верхней поверхностью. Причем отверстия для впускной трубы и для выпускной трубы выполнены в верхней поверхности или в цилиндрической поверхности резервуара, и отверстия для датчиков уровня выполнены в цилиндрической поверхности резервуара.
Предпочтительно на впускной трубе, снаружи от резервуара, расположен первый запорный клапан, а на выпускной трубе, снаружи от резервуара, расположен второй запорный клапан, а на сливной трубе, снаружи от резервуара, расположен третий запорный клапан, причем указанные клапаны приводятся в действие по командам, выдаваемым панелью управления газовой турбины, которой также обрабатывается информация, полученная от датчиков уровня. Внутри верхней поверхности резервуара расположена плоская разделительная перегородка, которая разделяет верхнюю область резервуара на две части. Отверстие впускной трубы расположено против перегородки, тогда как отверстие выпускной трубы расположено в части верхней области резервуара, противоположной той, в которой выполнено отверстие для трубы. Датчик уровня расположен непосредственно под нижним концом разделительной перегородки, а датчик расположен над вторым датчиком. Промывочный газ может являться инертным газом или воздухом, поступающим от осевого компрессора газовой турбины. При этом избыточные жидкости состоят из конденсата и/или жидкого топлива.
Преимущественно, это предохранительное устройство для промывочной системы для инжекторов на жидком топливе в газовых турбинах обеспечивает накопление протекших материалов или конденсата внутри последнего независимо от системы далее по ходу потока.
Характеристики и преимущества предохранительного устройства, соответствующего настоящему изобретению, для промывочной системы для инжекторов на жидком топливе в газовых турбинах будут понятнее при ознакомлении с нижеследующим описанием, данным в качестве не вносящего ограничений примера со ссылками на прилагаемые схематичные чертежи, на которых:
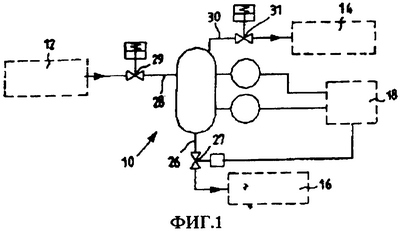
фиг.1 изображает функциональную схему предохранительного устройства, соответствующего настоящему изобретению, для промывочной системы для инжекторов на жидком топливе в газовых турбинах; и
фиг.2 изображает вид сечения резервуара, содержащегося в предохранительном устройстве, показанном на фиг.1.
На фигурах показано предохранительное устройство для промывочной системы для инжекторов на жидком топливе в газовых турбинах, которое обозначено в целом номером 10.
Устройство содержит резервуар 20, который, в примере, показанном на фиг.2, имеет цилиндрическую форму, расположен с вертикальной ориентацией его оси и закрыт с двух концов нижней изогнутой поверхностью 22 и верхней изогнутой поверхностью 24.
Нижняя поверхность 22 снабжена отверстием для сливной трубы 26.
В боковой поверхности резервуара 20 выполнено отверстие для впускной трубы 28 для воздуха, а в верхней поверхности 24 или с боковым смещением в резервуаре 20 выполнено отверстие для выпускной трубы 30 для воздуха.
Также в боковой поверхности резервуара 20 выполнены два отверстия на разной высоте для датчика 32 нижнего уровня и для датчика 34 верхнего уровня, которые соединены с панелью 18 управления турбины.
Внутри верхней изогнутой поверхности 24 резервуара 20 расположена плоская разделительная перегородка 36, которая разделяет верхнюю область резервуара 20 на две части.
Впускная труба 28 закреплена против перегородки 36, а выпускная труба 30 закреплена в верхней области резервуара 20, который относительно перегородки 36 находится на ее обратной стороне относительно области, в которую входит труба 28.
Предпочтительно, верхний датчик 34 расположен непосредственно под нижним концом разделительной перегородки 36.
Как можно видеть на фиг.1, на впускной трубе 28, расположенной снаружи от резервуара 20, расположен первый запорный клапан 29 для промывочного воздуха, поступающего от осевого компрессора 12 газовой турбины, а на выпускной трубе 30, также расположенной снаружи от резервуара 20, расположен второй запорный клапан 31 для коллектора 14, соединенного с инжекторами на жидком топливе газовой турбины.
Наконец, на сливной трубе 26, расположенной снаружи от резервуара 20, расположен третий клапан 27 для сливной системы 16.
Работа предохранительного устройства для промывочной системы, соответствующего настоящему изобретению, для инжекторов на жидком топливе в газовых турбинах будет понятна при ознакомлении с нижеследующим описанием, данным со ссылками на фигуры, и кратко состоит в следующем.
Два запорных клапана 29 и 31 расположены в линии подачи промывочного воздуха, которая питает коллектор 14 для промывки инжекторов на жидком топливе.
Между этими двумя запорными клапанами 29 и 31 расположен резервуар 20 для накопления любых сливаемых материалов и выпуска их в накопительную систему 16 при помощи сливного клапана 27.
Жидкость может накапливаться изнутри резервуара 20 как в случае просачивания жидкого топлива, так и когда происходит постепенное накопление конденсата, вызванное влажностью воздуха.
Два датчика 32 и 34 уровня, которые расположены на двух разных уровнях, определяют момент накопления жидкости и передают информацию на панель 18 управления турбины.
В ходе промывки горелок, если нижний датчик 32 обозначает наличие жидкости, которой может быть жидкое топливо или конденсат, сливной клапан 27 открывается по команде от панели 18 управления на необходимый период времени, необходимый для опустошения резервуара 20.
Если это событие возникает повторно в течение заданного периода времени, это означает, что происходит существенная утечка жидкого топлива, и турбину останавливают командой с пульта 18 управления.
Если, с другой стороны, наличие жидкости отображает верхний датчик 34, это означает, что резервуар 20 почти целиком заполнен, и панель 18 управления подает команду на аварийную остановку турбины.
С другой стороны, если активная промывка не осуществляется, то есть, если запорные клапаны 29 и 31 закрыты, а сливной клапан 27 открыт, резервуар 20 будет постоянно соединен со сливной накопительной системой 16. В этом состоянии невозможен сбор конденсата или жидкого топлива, если не происходит существенная утечка топлива.
Для защиты турбины в последнем случае, если, когда активная промывка не осуществляется, один из двух датчиков 32 и 34 отображает повышение уровня внутри резервуара 20, турбину немедленно останавливают по команде с пульта 18 управления.
Наконец, надлежащие особенности конструкции, такие как наличие разделительной перегородки 36 в резервуаре 20 и расположение отверстий для впускной 28 и выпускной 30 труб в противоположных положениях относительно разделительной перегородки 36, предотвращают способность жидкости подниматься во впускную трубу 28 за счет эффекта капиллярности.
Приведенное описание поясняет характеристики и соответствующие преимущества предохранительного устройства, которое является объектом настоящего изобретения, для промывочной системы для инжекторов на жидком топливе в газовых турбинах.
В этом отношении следует отметить, что предложенный вариант осуществления изобретения обеспечивает защиту от любых протечек жидкого топлива как в небольшом количестве, когда просочившиеся жидкости сливаются в сливную накопительную систему, так и в большом количестве, когда неисправность сразу обнаруживается панелью управления, и турбину останавливают.
Кроме того, характеристики конструкции резервуара обеспечивают накопление просочившихся жидкостей или конденсата внутри последнего независимо от характеристик промывочной системы дальше по ходу потока, что должно обеспечиваться просто непрерывным уклоном в направлении самого резервуара.
Другим преимуществом устройства является его способность отображать наличие протечки автоматически, непосредственно на панели управления турбины, что позволяет предпринять наиболее надлежащие корректирующие или предупредительные действия.
Наконец, расположение двух датчиков на разных уровнях также обеспечивает применение управляющей логики для работы датчиков. Например, если только верхний датчик отображает наличие жидкости, это означает, что по меньшей мере один из двух датчиков не функционирует должным образом.
Наконец, очевидно, что в таким образом сконструированное предохранительное устройство для промывочной системы для инжекторов на жидком топливе в газовых турбинах могут быть внесены многие модификации и изменения, которые входят в объем изобретения; кроме того, все детали могут быть заменены технически эквивалентными элементами. На практике могут использоваться любые материалы, формы и размеры в соответствии с техническими требованиями.
Объем изобретения, таким образом, ограничен прилагаемой формулой изобретения.
Формула изобретения
1. Предохранительное устройство для промывочной системы для инжекторов на жидком топливе в газовых турбинах, снабженных отдельными инжекторами для сжигания жидкого топлива или газообразного топлива, указанная промывочная система используется, когда используется газообразное топливо, и содержит питающую трубу (28, 30) для промывочного газа, коллектор (14), который распределяет жидкое топливо в горелки, и сливную трубу (26) для выпуска любой осажденной жидкости, отличающееся тем, что в питающую трубу (28, 30) встроен закрытый резервуар (20), в котором выполнены отверстия как для впускной трубы (28), так и для выпускной трубы (30) для промывочного газа, для сливной трубы (26) и для, по меньшей мере, двух датчиков (32, 34) уровня жидкости.
2. Устройство по п.1, отличающееся тем, что отверстия для датчиков (32, 34) уровня расположены на разных высотах над отверстием для сливной трубы (26).
3. Устройство по п.1, отличающееся тем, что резервуар (20) имеет цилиндрическую форму, расположен с вертикальной ориентацией его оси и закрыт на обоих концах нижней поверхностью (22), в которой закреплена сливная труба (26), и верхней поверхностью (24), причем отверстия для впускной трубы (28) и для выпускной трубы (30) выполнены в верхней поверхности (24) или в цилиндрической поверхности резервуара (20), и отверстия для датчиков (32, 34) уровня выполнены в цилиндрической поверхности резервуара (20).
4. Устройство по п.1, отличающееся тем, что на впускной трубе (28) снаружи от резервуара (20) расположен первый запорный клапан (29), а на выпускной трубе (30) снаружи от резервуара (20) расположен второй запорный клапан (31), на сливной трубе (26) снаружи от резервуара (20) расположен третий запорный клапан (27), причем указанные клапаны приводятся в действие по командам, выдаваемым панелью (18) управления газовой турбины, которой также обрабатывается информация, полученная от датчиков (32, 34) уровня.
5. Устройство по п.1, отличающееся тем, что внутри верхней поверхности (24) резервуара (20) расположена плоская разделительная перегородка (36), которая разделяет верхнюю область резервуара (20) на две части.
6. Устройство по п.5, отличающееся тем, что отверстие впускной трубы (28) расположено против перегородки (36) тогда, как отверстие выпускной трубы (30) расположено в части верхней области резервуара (20), противоположной той, в которой выполнено отверстие для трубы (28).
7. Устройство по п.6, отличающееся тем, что датчик (34) уровня расположен непосредственно под нижним концом разделительной перегородки (36), а датчик (34) расположен над вторым датчиком (32).
8. Устройство по п.1, отличающееся тем, что промывочный газ является инертным газом.
9. Устройство по п.1, отличающееся тем, что промывочный газ является воздухом, поступающим от осевого компрессора (12) газовой турбины.
10. Устройство по п.1, отличающееся тем, что избыточные жидкости состоят из конденсата и/или жидкого топлива.
РИСУНКИ
|
|