|
(21), (22) Заявка: 2005107152/06, 14.03.2005
(24) Дата начала отсчета срока действия патента:
14.03.2005
(43) Дата публикации заявки: 20.08.2006
(46) Опубликовано: 20.01.2008
(56) Список документов, цитированных в отчете о поиске:
RU 2230204 C2, 10.06.2004. EP 0843074 A1, 20.05.1998. WO 93/03257 A1, 18.02.1993. US 3667876 A, 06.06.1972. PL 168649 В1, 29.11.1993. SU 385058 A, 29.05.1973. RU 94037457 A1, 20.08.1996. RU 2155272 С1, 27.08.2000.
Адрес для переписки:
429068, Чувашская Республика, Ядринский р-н, с. Советское, В.В.Ильину
|
(72) Автор(ы):
Ильин Валерий Васильевич (RU)
(73) Патентообладатель(и):
Ильин Валерий Васильевич (RU)
|
(54) КАССЕТНЫЙ МОДУЛЬ ДВС (КМ ДВС) “ЧУВАШИЯ”
(57) Реферат:
Изобретение относится к двигателестроению, в частности к системе кассетных энергоустановок и к созданию конструкции кассетного модуля двигателя внутреннего сгорания. Технический результат заключается в возможности упрощения конструкции, а также в повышении эффективности и надежности кассетного модуля ДВС. Согласно изобретению кассетный модуль ДВС включает в себя три кулачковых диска, замкнутых по их периметрам в один цилиндр, два крайних из которых являются неподвижными и вместе с цилиндром составляют блок-цилиндр. Между крайними неподвижными кулачковыми дисками размещен промежуточный подвижный кулачковый диск, установленный на приводном валу и совершающий в качестве поршня возвратно-поступательное движение от одного до другого крайнего кулачкового диска вдоль общей оси и вращательное движение вокруг общей оси, копируя своими кулачками, расположенными с обеих его сторон, профили кулачков крайних кулачковых дисков. При этом кулачки промежуточного кулачкового диска и впадины между кулачками крайних кулачковых дисков образуют рабочие камеры, в которых происходит чередование тактов рабочего цикла ДВС. 1 з.п. ф-лы, 4 ил.
Изобретение относится к двигателестроению, в частности к системе кассетных энергоустановок (СКЭ) и к созданию конструкции кассетного модуля (КМ) двигателя внутреннего сгорания (ДВС).
Известна система кассетной энергоустановки, имеющая модульные блоки, выбранная в качестве наиболее близкого аналога (см. патент РФ №2046972, МПК F02D 17/02, опубл. 27.10.1995).
Недостатками данной системы являются низкие эффективность и надежность, невозможность варьирования эффективной мощностью системы в зависимости от изменения нагрузки, способом включения или выключения некоторой составной части системы в работу.
Задачей изобретения является:
– упрощение конструкции КМ ДВС, имеющего высокую эффективность и надежность;
– обеспечение возможности варьирования эффективной мощностью системы кассетных энергоустановок СКЭ, способом включения или выключения некоторой составной части системы в работу;
– создание варианта конструкции модуля, позволяющего применение различных видов рабочей смеси на разных этапах одного такта рабочий ход.
Согласно изобретению КМ ДВС включает в себя три кулачковых диска, замкнутых по их периметрам в один цилиндр, два крайних из которых являются неподвижными и вместе с цилиндром составляют блок-цилиндр. Между крайними неподвижными кулачковыми дисками размещен промежуточный подвижный кулачковый диск, установленный на приводном валу и совершающий в качестве поршня возвратно-поступательное движение от одного до другого крайнего кулачкового диска вдоль общей оси и вращательное движение вокруг общей оси, копируя своими кулачками, расположенными с обеих его сторон, профили кулачков крайних кулачковых дисков. При этом кулачки промежуточного кулачкового диска и впадины между кулачками крайних кулачковых дисков образуют рабочие камеры, в которых происходит восполняющее чередование 4-х тактов рабочего цикла ДВС. Промежуточный кулачковый диск либо жестко закреплен на приводном валу, либо установлен на нем подвижно на шлицах, а на крайних кулачковых дисках поочередно выполнены компрессионные кулачки и газораспределительные кулачки с впускными и выпускными окнами на обеих сторонах. Кулачковые диски могут быть выполнены как с равными, так и с неравными сторонами. При этом выполнение кулачков с неравными сторонами обеспечивает протекание рабочего цикла с неравными периодами тактов, в котором период такта рабочий ход увеличен для возможности применения различных видов рабочей смеси на разных этапах одного рабочего хода.
Изобретение поясняется чертежами, на которых изображено:
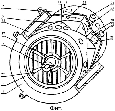
на фиг.1 – общий вид КМ ДВС;
на фиг.2 – продольный и поперечный разрезы КМ ДВС;
на фиг.3 – развертка кулачковых дисков с равными сторонами;
на фиг.4 – развертка кулачковых дисков с неравными сторонами.
В основе конструкции КМ ДВС лежат левый 1 и правый 2 крайние неподвижные кулачковые диски (КНКД) и промежуточный подвижный кулачковый диск-поршень (ППКД) 3, замкнутые в блок-цилиндр 4, который вместе с правым и левым КНКД 1 и 2 составляет единый блок с рубашкой охлаждения. Внутри этого блока совершает сложное (вращательное вокруг общей оси и возвратно-поступательное вдоль общей оси между левым и правым КНКД) движение ППКД 3. При совершении своего сложного движения ППКД 3 своими радиально расположенными с обеих сторон диска кулачками поочередно копирует аналогичные профили кулачков то на одном, то на другом КНКД, преодолевая критические точки соприкосновения вершин кулачков (мертвые точки) благодаря имеющемуся моменту инерции ППКД. ППКД 3 в зависимости от технических требований, может быть установлен на вал 5 подвижно – на шлицах или неподвижно – жестко с помощью ступицы 6 вала и ступицы 7 подвижного диска-поршня 3 ППКД.
Рабочий цикл КМ ДВС совершается следующим образом.
При запуске двигателя приходит в сложное движение ППКД 3 в направлении, указанном стрелкой (см. фиг.3).
По ходу движения ППКД 3 во впадины (рабочие камеры) 8, 9, 10, 11, образованные между компрессионными кулачками 12 ППКД 3, начинают входить и выходить компрессионные 13 и специальные газораспределительные 14 кулачки левого КНКД и правого КНКД. Газораспределительные кулачки 14 выполнены с впускными и выпускными окнами с обеих сторон ближе к вершине.
При входе компрессионного кулачка в рабочую камеру происходит сжатие рабочей смеси, при выходе – рабочий ход.
При уходе компрессионного кулачка из рабочей камеры и последующем заходе в нее газораспределительного кулачка происходит выпуск отработавших газов, а при выходе – впуск рабочей смеси.
Так как одноименные такты рабочего цикла чередуются на левом и правом полюсах (см. фиг.3,а и 3,б) ППКД, то непрерывность рабочего цикла обеспечивается восполнением недостающих тактов за счет тактов, происходящих на противоположном полюсе.
Компрессия в рабочих камерах обеспечивается на наружном диаметре ППКД 3 в сопряжении с блоком (гильзой 15) фигурным (см. фиг.2) компрессионным кольцом, а на внутреннем диаметре в сопряжении ППКД 3 со ступицей 16 КНКД фигурным малым кольцом 17 (см. фиг.2).
Рабочие поверхности 18, 19 (см. фиг.3,б) выполнены сменными, как и гильза цилиндра 15 (см. фиг.2).
Изменение (регулировка) эксплуатационных зазоров между кулачками дисков возможно при регулировке расстояния между неподвижными дисками, прокладками 20 (см. фиг.2).
Работа системы газораспределения осуществляется через впускные 21, 22 и выпускные 23, 24 окна и каналы.
Вместо контактных свечей зажигания 25, 26 (см. фиг.3) возможна установка форсунок (см. фиг.4).
Системы смазки и охлаждения комбинированные, имеют вентилятор 27, радиатор 28 (см. фиг.4) и перепускные клапаны 29, 30, 31, перепускающие масло из полости 32 в полость 33 при возвратно-поступательном движении стакана (гильзы) 34 ППКД 3 относительно входящей-выходящей из него ступицы 16 левого КНКД 1. Каналы 35 обеспечивают охлаждение, каналы 36 – смазку системы. Ступица 6 вала 5 связана со ступицей 7 ППКД и приводит его.
В карбюраторном исполнении КМ ДВС система зажигания выполнена контактно-искровой, обеспечивающей воспламенение смеси при проскакивании искры между контактами 25 и 26 (см. фиг.3), находящимися в цепи генератора высокого напряжения 37 на ступице вентилятора 27 (см. фиг.1). При дизельном исполнении КМ ДВС зажигание обеспечивается самовоспламенением в камерах сгорания 38 (см. фиг.1).
На фиг.4 показан вариант выполнения КМ ДВС с ППКД 3, имеющим кулачки с неравными сторонами S1, S2, в связи с чем периоды тактов рабочего цикла получаются неравными, что позволяет увеличить такт рабочий ход и разделить его на несколько самостоятельных этапов с использованием одних и тех же или разных рабочих смесей, образуемых одними и теми же 39 или разными 40 механизмами.
КМ ДВС упрощают передачу крутящего момента на сложные комбинированные машины, такие как комбайны и т.п., улучшают устойчивость машин снижением места расположения центра тяжести машины.
Формула изобретения
1. Кассетный модуль ДВС, включающий в себя три кулачковых диска, замкнутых по их периметрам в один цилиндр, два крайних из которых являются неподвижными и вместе с цилиндром составляют блок-цилиндр, промежуточный кулачковый диск установлен на приводном валу и совершает в качестве поршня возвратно-поступательное движение от одного до другого крайнего кулачкового диска вдоль общей оси и вращательное движение вокруг общей оси, копируя своими кулачками, расположенными с обеих его сторон, профили кулачков крайних кулачковых дисков, при этом кулачки промежуточного кулачкового диска и впадины между кулачками крайних кулачковых дисков образуют рабочие камеры, в которых происходит восполняющее чередование четырёх тактов рабочего цикла ДВС, отличающийся тем, что промежуточный кулачковый диск либо жестко закреплен на приводном валу, либо установлен на нем подвижно на шлицах, а на крайних кулачковых дисках поочередно выполнены компрессионные кулачки и газораспределительные кулачки с впускными и выпускными окнами на обеих сторонах.
2. Кассетный модуль ДВС по п.1, отличающийся тем, что кулачковые диски выполнены с кулачками, имеющими неравные стороны, обеспечивающие протекание рабочего цикла с неравными периодами тактов, в котором период такта рабочий ход увеличен для возможности применения различных видов рабочей смеси на разных этапах одного рабочего хода.
РИСУНКИ
MM4A – Досрочное прекращение действия патента СССР или патента Российской Федерации на изобретение из-за неуплаты в установленный срок пошлины за поддержание патента в силе
Извещение опубликовано: 27.04.2009 БИ: 12/2009
|