|
|
(21), (22) Заявка: 2006120015/06, 08.06.2006
(24) Дата начала отсчета срока действия патента:
08.06.2006
(46) Опубликовано: 20.01.2008
(56) Список документов, цитированных в отчете о поиске:
RU 2148174 C1, 27.04.2000. SU 1747722 A1, 15.07.1996. SU 1781442 A1, 15.09.1999. SU 1694941 A1, 30.11.1991. GB 2152592 А, 07.08.1985. DE 2532850 А, 10.02.1997.
Адрес для переписки:
109507, Москва, ул. Ферганская, 25, ОАО “ВНИИАЭС”, генеральному директору Г.В. Аркадову
|
(72) Автор(ы):
Чаховский Владимир Михайлович (RU), Сопленков Константин Иванович (RU), Воронин Александр Леонидович (RU), Беркович Виктор Мозесович (RU), Крушельницкий Виктор Николаевич (RU), Копытов Илья Игоревич (RU), Давлетбаев Разим Ильгамович (RU)
(73) Патентообладатель(и):
Открытое акционерное общество “Всероссийский научно-исследовательский институт по эксплуатации атомных электростанций” (ВНИИАЭС) (RU)
|
(54) СПОСОБ РАБОТЫ ТЕПЛОВОЙ ЭЛЕКТРИЧЕСКОЙ СТАНЦИИ
(57) Реферат:
Изобретение относится к теплоэнергетике. В периоды снижения электрической нагрузки тепловой электрической станции осуществляют повышенный отбор пара из отборов турбины, которым нагревают резервный запас высокотемпературного теплоносителя (ВТТ) до температуры 250-300°С, а в периоды повышения электрической нагрузки (часы “пик”) разделяют поток обратной сетевой воды на два параллельных потока, первый из которых, включающий 10-30% обратной сетевой воды, нагревают при давлении 4,0-8,6 МПа до температуры 250-300°С, затем смешивают со вторым потоком и подают при помощи инжектора-смесителя в сетевые подогреватели турбин, причем в качестве активной жидкости инжектора используют обратную сетевую воду первого потока и в качестве пассивной жидкости – сетевую воду второго потока. Изобретение обеспечивает, в дополнение к повышению эффективности и маневренности станций, снижение расходных характеристик перекачивающих насосов, уменьшение габаритов теплообменных аппаратов и снижение капитальных затрат на сооружение. 2 з.п. ф-лы, 1 ил.
Изобретение относится к теплоэнергетике и может быть использовано на тепловых и атомных электростанциях.
Известна схема угольной тепловой электростанции (ТЭС) с косвенным аккумулированием питательной воды, состоящая из паросилового контура турбоустановки, масляного аккумулирующего контура и контура пиковой турбины в виде надстройки к основной паротурбинной установке (см. Г.Бекман, П.Гилли “Тепловое аккумулирование энергии”, издательство “МИР”, 1987, стр.233, рис.7.16.). Схема указанной ТЭС и реализуемый ею метод позволяют устранить жесткую зависимость одновременного производства тепловой и электрической нагрузки, смягчить напряженность в покрытии пиковых нагрузок. Однако основным недостатком известной схемы и реализуемого ею метода является сложная технология эксплуатации, обусловленная наличием дополнительных контуров пиковой турбины и масляного аккумулятора, что в случаях длительного отключения приводит к сложности запуска их в работу, а также к значительному увеличению затрат станции на их сооружение.
Известен способ работы тепловой электрической станции, содержащий теплофикационную турбину с отопительными отборами пара, к которой подключены сетевые подогреватели, водогрейный котел, включенный в трубопроводы теплосети, сетевые насосы. В указанном способе поступающая от потребителя вода разделяется на два параллельных потока, один из которых нагревается в базовом режиме в сетевых подогревателях, а другой – в пиковом режиме в водогрейном котле, причем потоки сетевой воды перед подачей потребителю смешивают (см. авт. свид. СССР 2148174, МПК 7 F01К 17/02 от 15.12.1998). Известный способ позволяет повысить надежность и экономичность работы тепловой станции, однако не позволяет повысить маневренность и эффективность электростанции в режимах регулирования графика электрических и тепловых нагрузок. Кроме того, реализация способа сопряжена с использованием ряда перекачивающих насосов, которые потребляют значительное количество электроэнергии.
Указанный способ, как наиболее близкий по своей технической сути к предложенному, выбран в качестве прототипа.
Предлагаемым изобретением решаются задачи:
– снижение капитальных затрат на сооружение системы аккумулирования тепловой энергии (САТЭ);
– снижение расходных характеристик перекачивающих насосов, уменьшение габаритов теплообменных аппаратов и трубопроводов контура САТЭ.
Для достижения указанных задач предлагается способ работы тепловой электрической станции, по которому поступающую от потребителей обратную сетевую воду разделяют на два параллельных потока, по крайней мере один из которых нагревают, после чего потоки смешивают; причем в периоды снижения электрической нагрузки нагревают паром из отборов турбин резервный запас высокотемпературного теплоносителя (ВТТ) до температуры 250-300°С, а при повышении электрической нагрузки выделяют в качестве первого потока 10-30% обратной сетевой воды, нагревают ее при давлении 4,0-8,6 МПа до температуры 250-300°С горячим ВТТ, после чего при помощи инжектора-смесителя, в котором в качестве активной жидкости используют нагретый под давлением первый поток обратной сетевой воды и в качестве пассивной жидкости – второй поток, смешивают оба потока и подают полученную смесь в сетевые подогреватели турбин.
Целесообразно также использовать в качестве ВТТ силиконовое масло или синтетический теплоноситель, преимущественно марок “Термолан” или “Даутерм”.
Отличительными признаками предлагаемого способа по сравнению с прототипом является то, что в периоды снижения электрической нагрузки нагревают паром из отборов турбин резервный запас высокотемпературного теплоносителя до температуры 250-300°С, а в периоды повышения электрической нагрузки выделяют в качестве первого потока 10-30% обратной сетевой воды, нагревают ее при давлении 4,0-8,6 МПа до температуры 250-300°С горячим ВТТ, после чего при помощи инжектора-смесителя, в котором в качестве активной жидкости используют нагретый под давлением первый поток обратной сетевой воды и в качестве пассивной жидкости – второй поток, смешивают оба потока и подают полученную смесь в сетевые подогреватели турбин.
Отборы пара турбины с температурой 250-300°С, осуществляемые в периоды снижения электрической нагрузки, обеспечивают интенсивный подогрев силиконового или синтетического теплоносителя, который в указанных пределах сохраняет свою стабильность и не подвергается коксованию или разложению.
Нагревание выделенного потока обратной сетевой воды горячим ВТТ до температуры 250-300°С осуществляется без кипения воды, поскольку происходит при давлении 4,0-8,6 МПа.
В итоге часть обратной сетевой воды (первый поток) с температурой 250-300°С и давлением 4,0-8,6 МПа используется в инжекторе-смесителе в качестве активной жидкости, тогда как остальная сетевая вода (второй поток) используется в качестве пассивной жидкости.
Соотношение расходов потоков, на которые делится обратная сетевая вода, определяется условиями получения необходимой температуры сетевой воды на выходе из инжектора-смесителя, которую поддерживают в зависимости от температуры наружного воздуха по температурному графику теплосети.
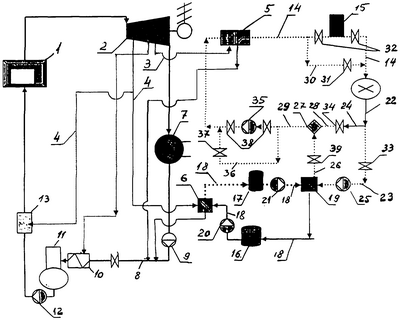
Предлагаемый способ рассматривается на примере работы тепловой электрической станции, принципиальная схема которой приведена на чертеже.
Тепловая электрическая станция содержит: парогенератор 1; паротурбинную установку 2 с отборами пара 3 и 4, подключенными соответственно к штатному подогревателю сетевой воды 5 (к его входу по греющей среде) и подогревателю высокотемпературного теплоносителя 6 (к его входу по греющей среде); конденсатор 7 паротурбинной установки 2 с трактом 8 подачи конденсата конденсатным насосом 9 через подогреватели 10 низкого давления (ПНД) в деаэратор 11 и далее питательным насосом 12 через подогреватели 13 высокого давления (ПВД) в парогенератор 1; трубопровод 14 сетевой воды, в рассечки которого установлены штатный подогреватель сетевой воды 5 и водогрейный котел 15. Тепловая электрическая станция также снабжена тепловым аккумулятором, содержащим емкости для хранения холодного 16 и горячего 17 высокотемпературного теплоносителя (ВТТ), соединенные между собой теплообменно-аккумулирующим контуром 18, включающим проточную часть (по нагреваемой среде) подогревателя ВТТ 6, проточную часть (по греющей среде) высокотемпературного подогревателя 19 обратной сетевой воды, циркуляционные насосы холодного 20 и горячего 21 ВТТ. Циркуляционный насос 20 холодного ВТТ соединен своим всасывающим коллектором с емкостью 16 для хранения холодного ВТТ, а своим напорным коллектором – с входом (по нагреваемой среде) подогревателя ВТТ 6, выход которого (по нагреваемой среде) соединен с емкостью 17 для хранения горячего ВТТ. Циркуляционный насос горячего ВТТ 21 соединен своим всасывающим коллектором с емкостью 17 для хранения горячего ВТТ, а своим напорным коллектором – с входом (по греющей среде) высокотемпературного подогревателя 19 обратной сетевой воды, выход которого (по греющей среде) соединен с емкостью 16 для хранения холодного ВТТ. Тепловая электрическая станция содержит также трубопровод 22 обратной сетевой воды с двумя параллельными ветвями обратной сетевой воды (ОСВ) 23 и 24, первая из которых 23 снабжена высоконапорным насосом ОСВ 25, подключенным своим напорным коллектором к входу (по нагреваемой среде) высокотемпературного подогревателя ОСВ 19, выход которого (по нагреваемой среде) соединен с насосной линией (линией подачи активной жидкости) 26 инжектора-смесителя 27, включенного во вторую параллельную ветвь ОСВ 24 так, что его эжектируемая линия (линия подачи пассивной жидкости) 28 и напорная 29 линия обеспечивают подключение второй параллельной ветви ОСВ 24 к входу (по нагреваемой среде) штатного подогревателя сетевой воды 5. В свою очередь выход (по греющей среде) штатного подогревателя сетевой воды 5 соединен с трактом 8 подачи конденсата (через ПНД 6) в деаэратор 11 и далее (через ПВД 13) в парогенератор 1.
Для подключения и отключения водогрейного котла 15 он снабжен байпасным трубопроводом 30 и запорно-регулирующими задвижками 31 и 32, первая из которых размещена на байпасном участке трубопровода 30, а остальные – на байпасируемом участке трубопровода.
Для изменения значений расхода по двум ветвям ОСВ 23, 24 используют соответственно запорно-регулирующие задвижки 33, 34.
Главный насос ОСВ 35 соединен своим напорным коллектором со входом (по нагреваемой среде) штатного подогревателя 5 сетевой воды, а его всасывающий коллектор – с напорной линией 29 инжектора-смесителя 27. Главный насос ОСВ 35 используется в режимах отпуска теплоты потребителям из отборов турбины, а в часы “пик” – в режиме разрядки аккумулятора теплоты он может быть отключен. Для управления работой главного насоса ОСВ 35, его включения и выключения, он снабжен байпасным трубопроводом 36 и запорно-регулирующими задвижками 37, 38, первая из которых размещена на байпасном участке трубопровода 36, а остальные – на байпасируемом участке трубопровода.
Для упрощения запуска и управления работой инжектора-смесителя 27 используется запорно-регулирующая задвижка 39, которая устанавливается в насосной линии 26 инжектора-смесителя 27.
Реализация предложенного способа осуществляется при работе приведенной станции следующим образом.
В периоды снижения электрической нагрузки электростанции (обычно в ночные часы) осуществляют повышенный отбор пара из отборов 3, 4 турбины 2, который используют для нагрева высокотемпературного теплоносителя (ВТТ) в нагревателе ВТТ 6 и сетевой воды в штатном подогревателе 5. Периоды снижения нагрузки станции являются временем зарядки теплового аккумулятора, когда холодный ВТТ (примерно с температурой 60-80°С) из емкости 16 для хранения холодного ВТТ подают при помощи циркуляционного насоса 20 холодного ВТТ на подогреватель ВТТ 6. После подогрева ВТТ его запасают в емкости 17 для хранения горячего ВТТ. Конденсат отбираемого пара после подогревателей возвращают в основной тракт 8 питательной воды.
В периоды повышения электрической нагрузки электростанции (в часы “пик”) накопленный горячий ВТТ из емкости для его хранения 17 подают циркуляционным насосом 21 на вход (по греющей среде) высокотемпературного подогревателя ОСВ 19, выход которого (по греющей среде) соединен с емкостью 16 для хранения холодного ВТТ. С другой стороны на вход (по нагреваемой среде) высокотемпературного подогревателя 19 ОСВ подают с помощью высоконапорного насоса 25 (под давлением 4,0-8,6 МПа) только часть потока обратной сетевой воды (10-30%). Конкретное количество ОСВ, подаваемой высоконапорным насосом 25, зависит от температуры наружного воздуха, режима работы высокотемпературного подогревателя ОСВ 19, температурного графика теплосети.
Нагретую под давлением воду (что исключает ее вскипание при температурах 250-300°С) подают в насосную линию 26 инжектора-смесителя 27, где она используется в качестве активной жидкости. Остальной поток обратной сетевой воды направляют в эжектируемую линию 28 инжектора-смесителя 29, где она используется в качестве пассивной жидкости. Смешиваясь в инжекторе-смесителе 27, оба потока 23, 24 обратной сетевой воды приобретают общую температуру, предусмотренную температурным графиком отпуска теплоты, и поступают на вход (по нагреваемой среде) штатного подогревателя 5 сетевой воды по байпасному трубопроводу 36 (или по основному тракту главного насоса 35 ОСВ, что обеспечивается перекрытием трубопровода 36 запорно-регулирующей задвижкой 37 при открытых запорно-регулирующих задвижках 38).
Прошедшую через штатный подогреватель 5 сетевую воду подают (через или минуя водогрейный котел 15) во внешнюю теплосеть 14. Поскольку сетевая вода поступает в штатный подогреватель 5 уже нагретой, то отборы пара 3 автоматически запираются и расход пара через проточную часть турбины 2 возрастает, что обуславливает увеличение мощности турбоустановки, так как теплофикационная турбина в этом случае работает как конденсационная турбина.
Благодаря нагреванию части сетевой воды под давлением до температуры высокотемпературного теплоносителя создаются условия осуществления интенсивного теплообмена сред, что существенно уменьшает габариты теплообменных аппаратов и трубопроводов контура системы аккумулирования тепловой энергии. Это и обуславливает снижение затрат на их сооружение. Кроме того, использование совместно с системой аккумулирования тепла таких средств подачи сетевой воды, как инжекторы, позволяет “утилизировать” избыточное давление среды (при котором ранее осуществляют ее высокотемпературный нагрев), что обеспечивает снижение расходных характеристик перекачивающих насосов.
Формула изобретения
1. Способ работы тепловой электрической станции, по которому поступающую от потребителей обратную сетевую воду разделяют на два параллельных потока, по крайней мере один из которых нагревают, после чего потоки смешивают и поддерживают температуру сетевой воды в зависимости от температуры наружного воздуха по температурному графику теплосети, отличающийся тем, что в периоды снижения электрической нагрузки нагревают паром из отборов турбин резервный запас высокотемпературного теплоносителя (ВТТ) до температуры 250-300°С, а в периоды повышения электрической нагрузки выделяют в качестве первого потока 10-30% обратной сетевой воды, нагревают ее при давлении 4,0-8,6 МПа до температуры 250-300°С горячим ВТТ, после чего при помощи инжектора-смесителя, в котором в качестве активной жидкости используют нагретый под давлением первый поток обратной сетевой воды и в качестве пассивной жидкости – второй поток, смешивают оба потока обратной сетевой воды и подают полученную смесь в сетевые подогреватели турбин.
2. Способ работы тепловой электрической станции по п.1, отличающийся тем, что в качестве ВТТ используют силиконовое масло.
3. Способ работы тепловой электрической станции по п.1, отличающийся тем, что в качестве ВТТ используют синтетический теплоноситель, преимущественно “Термолан” или “Даутерм”.
РИСУНКИ
|
|