|
|
(21), (22) Заявка: 2006102700/11, 31.01.2006
(24) Дата начала отсчета срока действия патента:
31.01.2006
(43) Дата публикации заявки: 20.08.2007
(46) Опубликовано: 20.01.2008
(56) Список документов, цитированных в отчете о поиске:
RU 2242420 С2, 20.12.2004. RU 2004116481 A, 10.01.2005. RU 2232709 С2, 20.07.2004. US 5730305 A, 24.03.1998. RU 95111291 A1, 10.06.1997.
Адрес для переписки:
105064, Москва, а/я 380, НПП “ЭГО”, И.Г. Федорову
|
(72) Автор(ы):
Затравкин Михаил Иванович (RU), Каминский Леонид Станиславович (RU), Маш Дмитрий Матвеевич (RU), Пятницкий Игорь Андреевич (RU), Спицын Михаил Иванович (RU), Фёдоров Игорь Германович (RU), Червяков Анатолий Петрович (RU)
(73) Патентообладатель(и):
Общество с ограниченной ответственностью “Научно-производственное предприятие “ЭГО” (RU)
|
(54) СПОСОБ И УСТРОЙСТВО ЗАЩИТЫ ГРУЗОПОДЪЕМНОЙ МАШИНЫ С ТЕЛЕСКОПИЧЕСКОЙ СТРЕЛОЙ
(57) Реферат:
Изобретение относится к подъемно-транспортному машиностроению, а именно к устройствам защиты строительных грузоподъемных машин. Способ заключается в том, что базовым блоком обработки данных путем последовательного опроса сигналов первого комплекса датчиков, а также путем передачи через барабан с токоведущим кольцом на контроллер технических средств выдвигаемой части команд на подключение технических средств и приема информации второго комплекса датчиков производится отключение приводов механизмов грузоподъемной машины, когда фактические показатели работы превысят допустимые значения. Предусмотрено подключение токоведущего кольца барабана через орган включения габаритного фонаря одной клеммы источника напряжения питания, вторая клемма которого соединена с металлоконструкцией грузоподъемной машины. Техническим результатом является расширение функциональных возможностей защиты грузоподъемной машины, обеспечивающей удобство и надежность передачи команд на селективное подключение технических средств, расположенных на выдвигаемой части, и приема информации от расположенных там датчиков. 2 н. и 5 з.п. ф-лы, 2 ил.
Изобретение относится к подъемно-транспортному машиностроению, а именно к устройствам управления грузоподъемными машинами, но с наибольшим эффектом может быть использовано для защиты от перегрузки, столкновений с препятствиями, опасного напряжения ЛЭП и недопустимых взаимных перемещений оборудования крана с телескопической стрелой, а также на других машинах (например, с шарнирно-сочлененными стрелами), где требуется дистанционная передача энергии, управляющих и информационных сигналов при ограничении выделенных для этого линий.
Известно устройство защиты стрелового крана, содержащее датчики нагрузки, угла наклона и длины стрелы, угла поворота платформы и высоты подъема крюка и блока управления, обеспечивающие защиту крана от перегрузки и столкновений с препятствиями (в том числе линиями электропередач) [Строительные и дорожные машины №4, 1994 г., стр.14-17].
Недостатком этого устройства, реализующего защиту крана по положению кранового оборудования (координатам), является отсутствие контроля за препятствиями во время технологического цикла записи допустимых координат, т.е. взаимного положения крана и препятствий (в том числе линий электропередач (ЛЭП)), что связано с необходимостью манипуляций крановым оборудованием и передачей сигналов о положении оборудования с подвижных частей крана (телескопируемой секции стрелы).
Известно устройство защиты строительного крана с телескопической стрелой, в котором посредством телемеханической передачи через барабан и металлический трос осуществляется связь между группой приборов и средств, установленных на поворотной платформе крана, и группой приборов и средств, установленных на выдвигаемых секциях стрелы; по той же линии связи производится передача напряжения питания на энергозависимые цепи приборов и средств и блока телемеханической передачи [заявка 95111291/11 (019395) от 30.05.95 с решением о выдаче патента на изобретение от 12.03.97].
Недостатком такого устройства является отсутствие разделения цепей при подключении напряжения питания к приборам, установленным на выдвигаемых секциях стрелы. В результате этого, например, в транспортном состоянии крана, когда габаритный фонарь должен быть засвечен, напряжение питания подается также на остальные приборы, функционирование которых должно происходить только во время работы крановой установки.
Целью изобретения является расширение функциональных возможностей способа защиты грузоподъемной машины, обеспечивающего удобство и надежность передачи команд на селективное подключение технических средств, расположенных на выдвигаемой части, и приема информации от расположенных там датчиков.
Цель достигается тем, что для достижения удобства и надежности передачи команд на селективное подключение технических средств, расположенных на выдвигаемой части, и приема информации от расположенных там датчиков способом защиты грузоподъемной машины с телескопической стрелой от перегрузки, столкновений с препятствиями, опасного напряжения ЛЭП и недопустимых взаимных перемещений оборудования, заключающимся в том, что базовым блоком обработки данных, расположенным в кабине грузоподъемной машины и содержащим первый вычислитель, первое запоминающее устройство и индикатор параметров, путем последовательного опроса сигналов первого комплекса датчиков, расположенных на стационарной части грузоподъемной машины, а также путем передачи через барабан с токоведущим кольцом и расположенный на выдвигаемой части грузоподъемной машины (например, оголовке стрелы) контроллер технических средств выдвигаемой части, содержащий второй вычислитель и второе запоминающее устройство, команд на подключение технических средств и приема информации второго комплекса датчиков, расположенных на выдвигаемой части, производится отключение приводов механизмов грузоподъемной машины, когда фактические показатели работы превысят допустимые значения, предусмотрено
подключение токоведущего кольца барабана через расположенный в кабине водителя орган включения габаритного фонаря одной клеммы источника напряжения питания, вторая клемма которого соединена с металлоконструкцией грузоподъемной машины,
установка дополнительно в базовом блоке обработки данных и в контроллере технических средств выдвигаемой части соответственно первого и второго приемопередатчиков последовательной передачи информации, первые входы/выходы которых подключены к первому и второму вычислителям соответственно базового блока обработки данных и контроллера технических средств выдвигаемой части, а вторые гальванически изолированные входы/выходы подключены к токоведущему кольцу,
подключение к первому вычислителю дополнительного контроллера (или создание подпрограммы базового блока обработки данных) органов включения устройств на выдвигаемой части (например, оголовке стрелы), к которому подключены органы включения устройств на выдвигаемой части и выход дополнительного блока контроля напряжения питания, вход которого подключен к первому выходу расположенного в кабине грузоподъемной машины органа включения устройства, выполняемого в соответствии с предлагаемым способом, к которому подключены также шины питания всех блоков и первого комплекса датчиков устройства,
подключение второго выхода органа включения устройства к токоведущему кольцу, а входа органа включения устройства к источнику напряжения питания,
подключение выхода второго приемопередатчика последовательной передачи информации к входу блока контроля подключения, выход которого подключен к первому входу блока выдержки времени, второй вход которого подключен к токоведущему кольцу, а выход подключен к входу блока подключения напряжения питания, выход которого подключен к одной шине питания контроллера технических средств выдвигаемой части и второго комплекса датчиков контроля параметров, тогда как вторая шина питания соединена с металлоконструкцией грузоподъемной машины, причем
выход блока подключения напряжения питания подсоединяется к входу инвертора, выход которого подключается к первому входу логической схемы «И», второй вход которой подключается к токоведущему кольцу, а выход подключается к первому входу логической схемы «ИЛИ», второй вход которой подключается к выходу второго вычислителя, к которому также подключается вход первого усилителя, выход которого подключается к фаре, а выход логической схемы «ИЛИ» подключается к входу второго усилителя, выход которого подключается к габаритному фонарю.
Другой целью является обеспечение надежной дистанционной передачи команд на селективное подключение блоков системы, расположенных на выдвигаемой части грузоподъемной машины, и приема от них информационных сигналов.
Цель достигается тем, что устройство защиты грузоподъемной машины с телескопической стрелой от перегрузки, столкновений с препятствиями, опасного напряжения ЛЭП и недопустимых взаимных перемещений оборудования, содержащее расположенные на стационарной части грузоподъемной машины
барабан с токоведущим кольцом, к которому через орган включения габаритного фонаря, расположенный в кабине водителя, подключен источник напряжения питания,
первый комплекс датчиков контроля параметров оборудования грузоподъемной машины, подключенных к базовому блоку обработки данных, который содержит первый вычислитель, первое запоминающее устройство и индикатор параметров, расположен в кабине грузоподъемной машины и через орган включения устройства подключен к одной клемме источника напряжения питания, вторая клемма которого соединена с металлоконструкцией грузоподъемной машины,
расположенные на выдвигаемой части (например, оголовке стрелы) габаритный фонарь, фару и второй комплекс датчиков контроля параметров, которые подключены к контроллеру технических средств выдвигаемой части, содержащий второй вычислитель и второе запоминающее устройство,
дополнительно в базовом блоке обработки данных содержит первый приемопередатчик последовательной передачи информации, первый вход/выход которого подключен к первому вычислителю, а второй гальванически изолированный вход/выход подключен к токоведущему кольцу, и подключенный к первому вычислителю контроллер (или подпрограмму базового блока обработки данных) органов включения устройств на выдвигаемой части, к которому подключены органы включения устройств на выдвигаемой части стрелы и выход блока контроля напряжения питания, вход которого подключен к первому выходу органа включения устройства, к которому подключены также шины питания всех блоков и первого комплекса датчиков устройства, при этом
второй выход органа включения устройства подключен к токоведущему кольцу, а вход органа включения устройства подключен к источнику напряжения питания,
контроллер технических средств выдвигаемой части дополнительно содержит второй приемопередатчик последовательной передачи информации, первый вход/выход которого подключен к второму вычислителю, второй гальванически изолированный вход/выход подключен к токоведущему кольцу, а выход подключен к входу блока контроля подключения, выход которого подключен к первому входу блока выдержки времени, второй вход которого подключен к токоведущему кольцу, а выход подключен к первому входу блока подключения напряжения питания, выход которого подключен к одной шине питания контроллера технических средств выдвигаемой части и второго комплекса датчиков контроля параметров, тогда как вторая шина питания соединена с металлоконструкцией грузоподъемной машины; при этом
выход блока подключения напряжения питания подключен к входу инвертора, выход которого подключен к первому входу логической схемы «И», второй вход которой подключен к токоведущему кольцу, а выход подключен к первому входу логической схемы «ИЛИ», второй вход которой подключен к выходу второго вычислителя, который также подключен к входу первого усилителя, выход которого подключен к фаре, а выход логической схемы «ИЛИ» подключен к входу второго усилителя, выход которого подключен к габаритному фонарю.
Следующей целью является устройство реализации гальванически развязанных входов/выходов приемопередатчиков последовательной передачи информации.
Цель достигается тем, что в устройстве вторые гальванически изолированные входы/выходы первого и второго приемопередатчиков последовательной передачи информации могут быть выполнены посредством трансформаторной или емкостной связи или посредством оптического излучения.
Дополнительной целью является осуществление для дальнейшего повышения надежности передачи информации в соответствии с CAN-протоколом.
Цель достигается тем, что способом предусмотрено для замыкания электрической цепи передачи энергии (питания) и сигналов на выдвигаемую часть (например, оголовок стрелы) использовать не металлоконструкцию (масса) грузоподъемной машины, а дополнительные провода, подключаемые к дополнительным токоведущим кольцам барабана.
Цель также достигается тем, что в устройстве барабан снабжен дополнительным токоведущим кольцом, а вторая клемма источника напряжения питания и вторая шина питания технических средств оголовка стрелы изолированы от металлоконструкции грузоподъемной машины и подключены к дополнительному (второму) токоведущему кольцу барабана.
Другой дополнительной целью является использование для упрощения схемотехнических решений устройства вспомогательных токоведущих колец.
Цель достигается тем, что в устройстве барабан снабжен дополнительным токоведущим кольцом, к которому подключены вторые входы/выходы первого и второго приемопередатчиков последовательной передачи информации.
Цель также достигается тем, что в варианте устройства барабан снабжен дополнительным токоведущим кольцом, к которому подключены вторые входы/выходы первого и второго приемопередатчиков последовательной передачи информации, и вторым дополнительным токоведущим кольцом, а вторая клемма источника напряжения питания и вторая шина питания технических средств оголовка стрелы изолированы от металлоконструкции грузоподъемной машины и подключены к второму дополнительному токоведущему кольцу барабана.
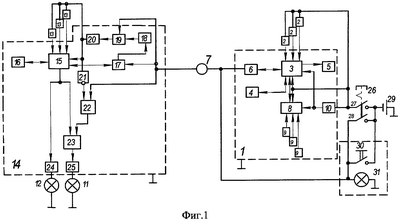
На фиг.1 представлена функциональная схема устройства.
На фиг.2 представлен вариант схемы логики для управления включением габаритного фонаря.
Предлагаемый способ предназначен для обеспечения возможности дистанционного включения и выключения каждого технического средства, находящегося на выдвигаемой части (например, оголовке стрелы), независимо друг от друга и в любом сочетании:
– во время движения по дорогам должен быть включен габаритный фонарь (из кабины водителя) при отключенном устройстве защиты;
– во время работы крановой установки, когда требуется обеспечение безопасности, должны быть включены фара и приборы безопасности, а при определенных условиях и габаритный фонарь; для этого должна быть обеспечена передача команд на выдвигаемую часть и прием информации оттуда техническими средствами устройства защиты, включаемыми из кабины грузоподъемной машины.
Включение каждого технического средства из кабины грузоподъемной машины должно производиться устройством защиты по линии последовательной передачи информации (мультиплексной линии).
Для функционирования системы безопасности должна быть обеспечена связь между цифровым блоком обработки данных и датчиками.
Устройство (фиг.1) содержит расположенный в кабине грузоподъемной машины базовый блок обработки данных 1 и первый комплекс датчиков 2 (нагрузки, длины и угла наклона стрелы, угла поворота платформы), установленных на стационарном оборудовании грузоподъемной машины. Базовый цифровой блок обработки данных 1 содержит в своем составе первый вычислитель 3, первое запоминающее устройство с программой работы 4 и индикатор параметров 5, и в соответствии с предлагаемым устройством блок 1 дополнен первым приемопередатчиком последовательной передачи информации 6, первый вход/выход которого подключен к первому вычислителю 3, а второй гальванически изолированный вход/выход подключен к токоведущему кольцу 7, и подключенным к первому вычислителю контроллером (или подпрограмму базового блока обработки данных) органов включения устройств на выдвигаемой части 8, к которому подключены органы включения устройств на выдвигаемой части стрелы 9 и выход блока контроля напряжения питания 10.
Датчики 2 и цифровой блок обработки данных 1 обеспечивают функционирование системы безопасности, защищая кран от перегрузки и недопустимых перемещений его оборудования.
На выдвигаемой части (например, оголовке стрелы) расположен габаритный фонарь 11, фара 12 и второй комплекс датчиков контроля параметров 13, которые подключены к контроллеру технических средств выдвигаемой части 14, который содержит второй вычислитель 15 и второе запоминающее устройство 16.
В соответствии с предлагаемым устройством контроллер технических средств выдвигаемой части 14 содержит второй приемопередатчик последовательной передачи информации 17, первый вход/выход которого подключен к второму вычислителю 15, второй гальванически изолированный вход/выход подключен к токоведущему кольцу 7, а выход подключен к входу блока контроля подключения 18, выход которого подключен к первому входу блока выдержки времени 19, второй вход которого подключен к токоведущему кольцу 7, а выход подключен к входу блока подключения напряжения питания 20.
Контроллер технических средств выдвигаемой части 14 дополнительно содержит схему логики для управления включением габаритного фонаря 11 при отключении напряжения питания остальных устройств выдвигаемой части. Схема логики включает в себя инвертор 21, выход которого подключен к первому входу логической схемы «И» 22, второй вход которой подключен к токоведущему кольцу 7, а выход подключен к первому входу логической схемы «ИЛИ» 23, второй вход которой подключен к выходу второго вычислителя 15.
Выход второго вычислителя 15 подключен к входу первого усилителя 24, выход которого подключен к фаре 12, а выход логической схемы «ИЛИ» 23 подключен к входу второго усилителя 25, выход которого подключен к габаритному фонарю 11.
Устройство дополнено органом включения устройства 26 на два направления: первый выход 27 подключен к шинам питания блока 1 и первого комплекса датчиков 2 устройства, второй выход 28 подключен к токоведущему кольцу 7, а вход к источнику напряжения питания 29.
На фиг.1 показаны также находящийся в кабине водителя тумблер 30 включения габаритного фонаря в транспортном состоянии грузоподъемной машины и сигнальная лампа 31 этого включения.
Вычислители 3 и 15 и включенные в состав вычислителей мультиплексоры, АЦП, ОЗУ, запоминающие устройства 4 и 16, а также не показанные на фиг.1 интерфейсные устройства представляют собой стандартный набор микросхем, обеспечивающий работу базового блока обработки данных 1 и контроллера 14. Индикатор 5, как правило цифровой, может быть выполнен на базе светодиодных, люминесцентных или жидкокристаллических элементов.
Комплексы датчиков 2 и 13 включают в себя как датчики собственно устройства защиты (нагрузки, длины и угла наклона стрелы, поворота и наклона платформы и др.), так и штатные датчики грузоподъемной машины (например, датчик давления масла в двигателе, входящий в комплекс 2, или выключатель подъема крюка, входящий в комплекс 13).
Токоведущее кольцо 7 с токосъемником устанавливаются на подпружиненном барабане с намотанным на него тросом, один конец которого соединяется с выдвигаемой частью (оголовком стрелы).
Контроллер органов включения устройств на выдвигаемой части 8 в качестве устройства ввода/вывода для вычислителя 3 управляется подпрограммой, записанной в запоминающем устройстве 4, и служит для контроля органов включения устройств на выдвигаемой части стрелы 9, в качестве которых могут быть тумблеры, кнопки, переключатели различных видов.
Блок контроля напряжения питания 10 является электрическим устройством (схемой), изменяющим свое состояние при подключении к нему напряжения.
Габаритный фонарь 11 и фара 12 являются штатными приборами грузоподъемной машины.
Первый 6 и второй 17 приемопередатчики представляют собой стандартные схемы последовательной передачи информации или могут быть включены в состав вычислителей 3 и 15. Во всех случаях один из их вводов/выводов должен быть дополнен схемой гальванической развязки (трансформаторной, емкостной, оптической) для подключения информационного канала передачи команд и данных к линии питания (к токоведущему кольцу).
Блок контроля подключения 18 представляет собой логическую схему, изменяющую свое состояние в зависимости от наличия или отсутствия кодовых командных сигналов от базового блока обработки данных 1.
Блок выдержки времени 19 представляет собой устройство (электрическую схему или электрический элемент), увеличивающее время действия сигнала блока контроля подключения 18 на заданную величину.
Блок подключения напряжения питания 20 представляет собой электрическую схему источника питания, подключаемого по сигналу базового блока обработки данных 1.
Вариант схемы логики для управления включением габаритного фонаря при отключении напряжения питания остальных устройств выдвигаемой части представлен на фиг.2. Для наглядности схема представлена в релейном исполнении, хотя может быть выполнена на транзисторах, микросхемах или быть составной частью вычислителя 15.
Схема включает в себя конденсатор 32, выполняющий функцию блока выдержки времени 19 на фиг.1, к которому последовательно подключено реле 33, замыкающий контакт которого подключен в цепь питания контроллера технических средств выдвигаемой части 14, а размыкающий контакт подключен в цепь питания габаритного фонаря 11.
К блоку подключения напряжения питания 20 подключено реле 34, замыкающий контакт которого подключен в цепь питания контроллера технических средств выдвигаемой части 14 параллельно замыкающему контакту реле 33, а размыкающий контакт подключен в цепь питания габаритного фонаря 11 последовательно с контактом реле 33.
Усилитель 25 подключен в цепь питания габаритного фонаря 11 контактами 33 и 34.
Устройство работает следующим образом.
Когда грузоподъемная машина находится в транспортном состоянии и требуется включение габаритного фонаря, водитель переключает тумблер 30 и подает напряжение через токоведущее кольцо 7 на выдвигаемую часть (оголовок стрелы), о чем сигнализирует лампа 31. Напряжение на время, определяемое блоком выдержки времени 19, блоком подключения напряжения питания 20 (фиг.1) подается на контроллер технических средств выдвигаемой части 14. В течение этого времени производится проверка наличия кодовых командных и информационных сигналов. Если кодовые сигналы отсутствуют, блок 20 снимает напряжение с контроллера 14.
При этом так как в транспортном состоянии устройство защиты органом 26 не подключено и сигналы от базового блока обработки данных 1 на контроллер технических средств выдвигаемой части 14 не поступают, то на выходе блока подключения напряжения питания 20 после выдержки, определяемой блоком 19, напряжение отсутствует (логический «0»), на выходе инвертора 21 – логическая «1» и поданное напряжение питания (логическая «1») через схемы «И» 22 и «ИЛИ» 23 передается на усилитель 25, засвечивая габаритный фонарь 11. Контроллер 14 и датчики 13 остаются обесточенными.
Когда грузоподъемная машина находится в рабочем состоянии, устройство защиты органом 26 подключается и передает сигналы обмена информацией от базового блока обработки данных 1 на контроллер технических средств выдвигаемой части 14, то по цепи приемопередатчик последовательной передачи информации 17, блок контроля подключения 18, блок выдержки времени 19 включается блок подключения напряжения питания 20, создавая напряжение питания на контроллере 14 и датчиках 13.
Габаритный фонарь 11 при этом, а также другие приборы, включаются по сигналам органов 9 в результате передачи информации на контроллер 14. Включение производится сигналами вычислителя 15. При этом габаритный фонарь 11 подключается через схему «ИЛИ» 23.
В иллюстративном варианте (фиг.2) при подаче напряжения через токоведущее кольцо 7 на время заряда конденсатора 32 включается реле 33, замыкающий контакт которого подключает цепь питания контроллера технических средств выдвигаемой части 14. При этом, если устройство защиты подключено, то блок подключения напряжения питания 20 подключает реле 34, которое создает напряжение питания на контроллере 14 даже после отключения реле 33.
Габаритный фонарь 11 при этом включается по сигналу усилителя 25. При отключенном устройстве защиты габаритный фонарь 11 получает питание непосредственно от источника питания через токоведущее кольцо 7, когда размыкающие контакты реле 33 и 34 замкнуты.
Формула изобретения
1. Способ защиты грузоподъемной машины с телескопической стрелой от перегрузки, столкновений с препятствиями, опасного напряжения ЛЭП и недопустимых взаимных перемещений оборудования, заключающийся в том, что базовым блоком обработки данных, расположенным в кабине грузоподъемной машины и содержащим первый вычислитель, первое запоминающее устройство и индикатор параметров, путем последовательного опроса сигналов первого комплекса датчиков, расположенных на стационарной части грузоподъемной машины, а также путем передачи через барабан с токоведущим кольцом и расположенный на выдвигаемой части грузоподъемной машины, например оголовке стрелы, контроллер технических средств выдвигаемой части, содержащий второй вычислитель и второе запоминающее устройство, команд на подключение технических средств и приема информации второго комплекса датчиков, расположенных на выдвигаемой части, производится отключение приводов механизмов грузоподъемной машины, когда фактические показатели работы превысят допустимые значения, отличающийся тем, что предусмотрены подключение токоведущего кольца барабана через расположенный в кабине водителя орган включения габаритного фонаря одной клеммы источника напряжения питания, вторая клемма которого соединена с металлоконструкцией грузоподъемной машины, установка дополнительно в базовом блоке обработки данных и в контроллере технических средств выдвигаемой части соответственно первого и второго приемопередатчиков последовательной передачи информации, первые входы/выходы которых подключены к первому и второму вычислителям соответственно базового блока обработки данных и контроллера технических средств выдвигаемой части, а вторые гальванически изолированные входы/выходы подключены к токоведущему кольцу, подключение к первому вычислителю дополнительного контроллера органов включения устройств на выдвигаемой части, например, оголовке стрелы, или подключение подпрограммы базового блока обработки данных органов включения устройств на выдвигаемой части, например оголовке стрелы, к которым подключены органы включения устройств на выдвигаемой части и выход блока контроля напряжения питания, вход которого подключен к первому выходу расположенного в кабине грузоподъемной машины органа включения устройства, к которому подключены шины питания базового блока обработки данных и первого комплекса датчиков устройства, подключение второго выхода органа включения устройства к токоведущему кольцу, а входа органа включения устройства к источнику напряжения питания, подключение выхода второго приемопередатчика последовательной передачи информации к входу блока контроля подключения, выход которого подключен к первому входу блока выдержки времени, второй вход которого подключен к токоведущему кольцу, а выход подключен к входу блока подключения напряжения питания, выход которого подключен к одной шине питания контроллера технических средств выдвигаемой части и второго комплекса датчиков контроля параметров, тогда как вторая шина питания соединена с металлоконструкцией грузоподъемной машины, причем выход блока подключения напряжения питания подсоединяется к входу инвертора, выход которого подключается к первому входу логической схемы И, второй вход которой подключается к токоведущему кольцу, а выход подключается к первому входу логической схемы ИЛИ, второй вход которой подключается к выходу второго вычислителя, к которому также подключается вход первого усилителя, выход которого подключается к фаре, а выход логической схемы ИЛИ подключается к входу второго усилителя, выход которого подключается к габаритному фонарю.
2. Способ по п.1, отличающийся тем, что для замыкания электрической цепи передачи питания и сигналов на выдвигаемую часть, например оголовок стрелы, используется не металлоконструкция грузоподъемной машины, а дополнительные провода, подключаемые к дополнительным токоведущим кольцам барабана.
3. Устройство защиты грузоподъемной машины с телескопической стрелой от перегрузки, столкновений с препятствиями, опасного напряжения ЛЭП и недопустимых взаимных перемещений оборудования, содержащее расположенные на стационарной части грузоподъемной машины барабан с токоведущим кольцом, к которому через орган включения габаритного фонаря, расположенный в кабине водителя, подключен источник напряжения питания, расположенные в кабине грузоподъемной машины и через орган включения устройства, подключенные к одной клемме источника напряжения питания первый комплекс датчиков контроля параметров оборудования грузоподъемной машины, подключенных к базовому блоку обработки данных, который содержит первый вычислитель, первое запоминающее устройство и индикатор параметров, вторая клемма источника напряжения питания соединена с металлоконструкцией грузоподъемной машины, расположенные на выдвигаемой части, например, оголовке стрелы, габаритный фонарь, фару и второй комплекс датчиков контроля параметров, которые подключены к контроллеру технических средств выдвигаемой части, содержащий второй вычислитель и второе запоминающее устройство, отличающееся тем, что базовый блок обработки данных дополнительно содержит первый приемопередатчик последовательной передачи информации, первый вход/выход которого подключен к первому вычислителю, а второй гальванически изолированный вход/выход подключен к токоведущему кольцу, и подключенный к первому вычислителю дополнительный контроллер органов включения устройств на выдвигаемой части или подключенную подпрограмму базового блока обработки данных органов включения устройств на выдвигаемой части, к которым подключены органы включения устройств на выдвигаемой части стрелы и выход блока контроля напряжения питания, вход которого подключен к первому выходу органа включения устройства, к которому подключены шины питания базового блока обработки данных и первого комплекса датчиков устройства, второй выход органа включения устройства подключен к токоведущему кольцу, а вход органа включения устройства подключен к источнику напряжения питания, контроллер технических средств выдвигаемой части дополнительно содержит второй приемопередатчик последовательной передачи информации, первый вход/выход которого подключен к второму вычислителю, второй гальванически изолированный вход/выход подключен к токоведущему кольцу, а выход подключен к входу блока контроля подключения, выход которого подключен к первому входу блока выдержки времени, второй вход которого подключен к токоведущему кольцу, а выход подключен к первому входу блока подключения напряжения питания, выход которого подключен к одной шине питания контроллера технических средств выдвигаемой части и второго комплекса датчиков контроля параметров, тогда как вторая шина питания соединена с металлоконструкцией грузоподъемной машины, при этом выход блока подключения напряжения питания подключен к входу инвертора, выход которого подключен к первому входу логической схемы И, второй вход которой подключен к токоведущему кольцу, а выход подключен к первому входу логической схемы ИЛИ, второй вход которой подключен к выходу второго вычислителя, который также подключен к входу первого усилителя, выход которого подключен к фаре, а выход логической схемы ИЛИ подключен к входу второго усилителя, выход которого подключен к габаритному фонарю.
4. Устройство по п.3, отличающееся тем, что вторые гальванически изолированные входы/выходы первого и второго приемопередатчиков последовательной передачи информации могут быть выполнены посредством трансформаторной, или емкостной, или оптической связи.
5. Устройство по п.3, отличающееся тем, что барабан снабжен дополнительным токоведущим кольцом, а вторая клемма источника напряжения питания и вторая шина питания технических средств оголовка стрелы изолированы от металлоконструкции грузоподъемной машины и подключены к дополнительному токоведущему кольцу барабана.
6. Устройство по п.3, отличающееся тем, что барабан снабжен дополнительным токоведущим кольцом, к которому подключены вторые входы/выходы первого и второго приемопередатчиков последовательной передачи информации.
7. Устройство по п.3, отличающееся тем, что барабан снабжен дополнительным токоведущим кольцом, к которому подключены вторые входы/выходы первого и второго приемопередатчиков последовательной передачи информации, и вторым дополнительным токоведущим кольцом, а вторая клемма источника напряжения питания и вторая шина питания технических средств оголовка стрелы изолированы от металлоконструкции грузоподъемной машины и подключены к второму дополнительному токоведущему кольцу барабана.
РИСУНКИ
|
|