|
|
(21), (22) Заявка: 2006123082/12, 29.06.2006
(24) Дата начала отсчета срока действия патента:
29.06.2006
(46) Опубликовано: 20.01.2008
(56) Список документов, цитированных в отчете о поиске:
RU 2241598 C1, 10.12.2004. RU 2277363 C1, 10.06.2006. US 3525504 A, 25.08.1988. RU 2137369 C1, 20.09.1999. EP 0168276 A1, 07.11.1974. US 4748031 A, 31.05.1988. US 4618499 A, 21.10.1986.
Адрес для переписки:
180014, г.Псков, ул. Новгородская, 5, ОАО “ЮНАЙТЕД БЕЙКЕРС-Псков”, техническому директору М.П. Бекетову
|
(72) Автор(ы):
Окулич-Казарин Евгений Геннадьевич (RU), Остриков Александр Николаевич (RU), Рудометкин Александр Сергеевич (RU), Глухов Максим Алексеевич (RU)
(73) Патентообладатель(и):
Закрытое акционерное общество “ЮНАЙТЕД БЕЙКЕРС”
|
(54) ЭКСТРУДЕР
(57) Реферат:
Изобретение относится к оборудованию для экструзионной обработки пищевых продуктов и может быть использовано для производства экструдированных пищевых продуктов, а также в других отраслях промышленности, применяющих экструзию. Экструдер содержит корпус, формующую головку, шнек, распределитель и трубки для ввода рецептурных компонентов. Распределитель установлен в формующей головке и разделяет ее на независимые друг от друга параллельные зоны. На входе в каждую зону установлены решетки с трубками для ввода рецептурных компонентов. Выходные отверстия трубок направлены в сторону движения расплава экструдата. В каждой из зон установлены стационарные турбулизаторы потока. На выходе из каждой зоны установлены фильеры различной конфигурации. Изобретение позволяет расширить технологические возможности экструдера, снизить затраты на его эксплуатацию. 3 ил.
Изобретение относится к оборудованию для экструзионной обработки пищевых продуктов и может быть использовано для производства экструдированных пищевых продуктов, а также в других отраслях промышленности, применяющих экструзию.
Известна конструкция матрицы экструдера, позволяющая получать продукт в виде трубочки с начинкой. Экструдированный продукт выходит из машины в виде трубки, а начинку подают в матрицу насосом и заполняют трубку экструдата непосредственно перед вспучиванием [Эйнгор, М.Б. Технология производства кондитерских изделий с использованием экструзионной техники / М.Б.Эйнгор, М.Л.Парцуф, С.Н.Павловецкая, А.С.Овчинникова. – М.: АгроНИИТЭИПП. Сер. Кондитерская пром-сть. Вып.6. – 1987. – 32 с.].
Известен экструдер для переработки термопластичных материалов, содержащий корпус, цилиндроконический дорн, формующую головку, полый шнек с резьбой для крепления дорна, при этом полый шнек содержит трубку для подачи начинки и распределитель с каналами, насажанный на нее и контактирующий с торцевой поверхностью шнека, а дорн снабжен распределительной системой каналов в цилиндрической и конической частях, диаметр которых уменьшается по ходу движения продукта, причем на поверхности конической части имеются чередующиеся канавки и выступы дугообразной формы, в выступах располагаются выходные отверстия каналов, соединяющие внутреннюю часть дорна с его наружной поверхностью [Пат. РФ № 2241598, В29С 47/12, 47/20, 10.12.2004, Бюл. № 34].
Недостатками известной конструкции экструдера являются техническая сложность изготовления полого шнека, недостаточное перемешивание вводимого компонента с расплавом экструдата, необходимость использования насоса высокого давления для подвода начинки из-за противодавления расплава экструдата, невозможность одновременно производить на одном экструдере продукты разного состава и различной формы.
Технической задачей изобретения является расширение области применения и технологических возможностей экструдера, снижение затрат на его эксплуатацию, а также расширение ассортимента выпускаемой продукции на этом оборудовании.
Поставленная задача достигается тем, что в экструдере, содержащем корпус, формующую головку, шнек, распределитель, трубки для ввода рецептурных компонентов, новым является то, что распределитель установлен в формующей головке и разделяет ее на независимые друг от друга параллельные зоны, на входе в каждую зону установлены решетки с трубками для ввода рецептурных компонентов, причем выходные отверстия трубок направлены в сторону движения расплава экструдата, в каждой из зон установлены стационарные турбулизаторы потока, а на выходе из каждой зоны установлены фильеры различной конфигурации.
Технический результат представленной конструкции заключается в получении на основе одного экструдера одновременно продукции разного состава и различной формы и размера благодаря независимым друг от друга областям смешивания, применении нагнетающих насосов меньшей мощности благодаря установке понижающих давление расплава решеток и направленности питающих трубок в сторону выхода продукта из экструдера, улучшении перемешивания вводимых компонентов с расплавом экструдата благодаря стационарным турбулизаторам.
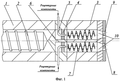
На фиг.1 представлен общий вид экструдера с предлагаемым устройством формующей головки, на фиг.2 – объемное изображение формующей головки, на фиг.3 – делитель потока расплава.
Экструдер состоит из корпуса 1, шнека 2, решеток 4, формующей головки 3, делителя потока 6, который разделяет пространство формующей головки 3 на зоны 10, подающих трубок 5, стационарных турбулизаторов 7 и матрицы 8 с фильерами 9.
Экструдер работает следующим образом. С помощью привода (на фиг.1 и фиг.2 не показан) шнек приводится во вращение.
Исходный продукт через загрузочное отверстие (на фиг.1 и фиг.2 не показано) поступает в зону загрузки винтового канала шнека 2 и увлекается им за счет разницы сил трения между продуктом и стенками корпуса и винтового канала, одновременно постепенно уплотняясь при этом.
После обработки в экструдере продукт выдавливается шнеком 2 из корпуса 1, разделяется делителем потока 6 на несколько, например четыре, независимых друг от друга зоны 10 и проходит через решетки 4, вызывающие снижение давления расплава экструдата за собой.
В каждую из зон 10 с помощью насосов (на фиг.1 и фиг.2 не показаны) вводится через трубки 5 необходимые рецептурные компоненты. Подающие трубки 5 проходят через центральные отверстия в решетках 4 и загнуты в сторону выхода продукта из формующей головки. Причем в каждую зону 10 может подаваться какой-либо определенный компонент, не зависящий от компонентов, подающихся в остальные области. Это позволяет получать на одном экструдере одновременно продукцию разнообразного состава. Например, при использовании вводимым красящих компонентов возможно одновременно получать продукт различных цветов.
Благодаря установке решеток 4 и тому, что подающие трубки 5 загнуты в сторону выхода продукта из формующей головки, т.е. они направлены вдоль потока расплава экструдата, возможна подача рецептурных компонентов под меньшим давлением, чем давление, которое требовалось бы при отсутствии решеток 4 и направленности трубок 5 вдоль потока расплава экструдата в сторону выхода продукта из формующей головки. Это снижает затраты на эксплуатацию насосов, а также позволяет подавать в формующую головку рецептурные компоненты, чувствительные к повышенному давлению.
На выходе из каждой зоны 10 могут устанавливаться фильеры разнообразных конфигураций. Это позволяет получать на одном экструдере одновременно продукцию различной формы и размера.
После ввода рецептурных компонентов в зоны 10 установлены стационарные турбулизаторы 7, обтекая которые, поток расплава экструдата тщательно перемешивается с введенным ранее через трубки 5 рецептурным компонентом благодаря приобретаемому турбулентному типу течения. Стационарные турбулизаторы 7 могут иметь различную конфигурацию в зависимости от характеристик перерабатываемого продукта. Смесительные компоненты 7 могут быть выполнены в виде одинарных или двойных спиралей (как показано на фиг.1 и фиг.2), диафрагм, кулачков, полуперегородок, чередующихся правых и левых винтовых элементов, штифтов, штырей и других смесительных элементов разнообразной конструкции.
После тщательного перемешивания расплава экструдата с введенным рецептурным компонентом продукт выдавливается через фильеры 9 матрицы 8. В результате получается продукт с необходимыми характеристиками.
Таким образом, использование изобретения позволяет:
– существенно расширить область применения и технологические возможности экструдера за счет независимых смесительных областей;
– снизить затраты на эксплуатацию оборудования;
– получать продукты, обогащенные микронутриентами и биологически активными веществами без потери их биологической ценности.
Формула изобретения
Экструдер, содержащий корпус, формующую головку, шнек, распределитель, трубки для ввода рецептурных компонентов, отличающийся тем, что распределитель установлен в формующей головке и разделяет ее на независимые друг от друга параллельные зоны, на входе в каждую зону установлены решетки с трубками для ввода рецептурных компонентов, причем выходные отверстия трубок направлены в сторону движения расплава экструдата, в каждой из зон установлены стационарные турбулизаторы потока, а на выходе из каждой зоны установлены фильеры различной конфигурации.
РИСУНКИ
|
|