|
|
(21), (22) Заявка: 2006102101/09, 25.01.2006
(24) Дата начала отсчета срока действия патента:
25.01.2006
(43) Дата публикации заявки: 20.08.2007
(46) Опубликовано: 10.01.2008
(56) Список документов, цитированных в отчете о поиске:
SU 58858 A1, 01.01.1941. SU 43928 А1, 31.08.1935. SU 371855 А1, 25.02.1975. ЕР 1478187 А2, 17.11.2004.
Адрес для переписки:
362015, РСО-Алания, г. Владикавказ, ул. Тургеневская, 24, кв.2, Г.К.Пиранишвили
|
(72) Автор(ы):
Пиранишвили Георгий Константинович (RU)
(73) Патентообладатель(и):
Пиранишвили Георгий Константинович (RU)
|
(54) СПОСОБ ПЕРЕДАЧИ ТЕЛЕВИЗИОННЫХ СИГНАЛОВ
(57) Реферат:
Изобретение относится к технике телевидения, в частности к передаче телевизионных сигналов. Технический результат – повышение дальности передачи достигается за счет переноса спектра телевизионного сигнала из области ультракоротких волн в область коротких волн спектра электромагнитных колебаний смесительной лампой, с последующим усилением выходного сигнала усилительной лампой. 1 ил.
Изобретение относится к области радиотехники и применяется для передачи телевизионных сигналов на значительно удаленные расстояния через искусственные и естественные препятствия без применения ретрансляционных устройств и искусственных спутников земли.
Основным недостатком в современной передаче телевизионных сигналов является то, что она осуществляется только на ультракоротких электромагнитных волнах, в диапазоне частот 48-622 МГц, распространяющихся только по прямой видимости, наподобие световых лучей, поэтому они не могут преодолеть на пути своего распространения естественные и искусственные преграды, превосходящие по своим размерам высоту телевизионной передающей антенны.
Помимо этого недостатка телевизионные сигналы при распространении в пространстве испытывают более значительное затухание, чем радиоволны, по которым происходит обычная радиосвязь. Поэтому зона уверенного приема телевизионных сигналов весьма ограничена и при высоте передающей антенны 500 м она достигает 150-180 км [см. Ю.Н.Пчелькин, В.Т.Свиридов, Электроника сверхвысоких частот, /стр.70, 1981 г.]. Для того чтобы увеличить дальность передачи телевизионных сигналов необходимо ставить до оконечного усилительного пункта для их приема промежуточные усилительные пункты, т.е. ретрансляторы. А чтобы охватить большую зону приема телевизионных сигналов на поверхности земли, для этого запускается на орбиту земли искусственный спутник-ретранслятор, передающий из космоса телевизионные сигналы, которые принимаются на земле специальными параболическими антеннами. Таким образом, аппаратура и установки, применяющиеся для передачи телевизионных сигналов, по устройству очень сложны и экономически очень дороги, если даже не учитывать здесь эксплуатационные расходы на техническое их содержание и обслуживание.
Целью настоящего изобретения является увеличение дальности передачи телевизионных сигналов и преодоление ими искусственных и естественных преград без применения ретрансляционных устройств и искусственных спутников земли.
Данная цель достигается тем, что электромагнитные ультракороткие волны, модулированные сигналами изображения и звукового сопровождения, поступают на один из входов электронной смесительной лампы, а на другой вход лампы – электромагнитная волна, частотой преобразующей ультракороткие электромагнитные волны в короткие электромагнитные волны, с последующим выходом их после усиления оконечной электронной лампой через антенну в эфир.
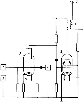
На чертеже приведена принципиальная электрическая схема преобразователя ультракоротких воли.
Преобразователь ультракоротких волн состоит из блока ультракоротких электромагнитных волн 1; блока сигнального изображения и звукового сопровождения 2; смесительной электронной лампы 3; блока генератора электрических колебаний 4; оконечной усилительной лампы 5; согласующего трансформатора 6; антенны 7.
Способ передачи телевизионных сигналов действует следующим образом. В левую часть на сетку смесительной лампы 3 с блока 1 подается ультракороткая электромагнитная волна, модулированная из блока 2, сигналами изображения и звукового сопровождения, а на правую часть сетки лампы 3 из блока 4 поступает электрическое колебание, частотой преобразующее электромагнитную ультракороткую волну в электромагнитную короткую волну. После этого преобразованная электромагнитная волна поступает в оконечный усилитель электронной лампы 5, имеющей выход через согласующий трансформатор 6 на антенну 7, излучающий в эфир электромагнитные короткие волны.
Формула изобретения
Способ передачи телевизионных сигналов, осуществляемый электромагнитными ультракороткими волнами, отличающийся тем, что электромагнитные ультракороткие волны, модулированные сигналами изображения и звукового сопровождения, поступают на один из входов электронной смесительной лампы, а на другой вход лампы – электромагнитная волна частотой, преобразующей электромагнитные ультракороткие волны в короткие электромагнитные волны с последующим выходом их на оконечную усилительную электронную лампу и через антенну в эфир.
РИСУНКИ
|
|