|
(21), (22) Заявка: 2006126336/09, 21.07.2006
(24) Дата начала отсчета срока действия патента:
21.07.2006
(46) Опубликовано: 10.01.2008
(56) Список документов, цитированных в отчете о поиске:
Спутниковая связь и вещание, под ред. КАНТОРА Л.Я., Москва, Радио и связь, 1997, рис.15.1, с.419. RU 2253946 C1, 10.06.2005. RU 2117392 C1, 10.08.1998. US 4872015 A, 03.10.1989. WO 88/01454 A1, 25.02.1988.
Адрес для переписки:
141006, Московская обл., г. Мытищи-6, 16 ЦНИИИ МО РФ, Зам. начальника института по научной работе А.А. Степанову
|
(72) Автор(ы):
Николаенко Владимир Макарович (RU), Степанов Александр Александрович (RU), Вергелис Николай Иванович (RU), Николаенко Олег Владимирович (RU), Рагзин Геннадий Маркович (RU), Югай Владимир Валентинович (RU), Рубанский Владимир Алексеевич (RU), Ступин Александр Николаевич (RU), Ланевская Тамара Афанасьевна (RU)
(73) Патентообладатель(и):
16 Центральный научно-исследовательский испытательный институт Министерства обороны Российской Федерации (RU)
|
(54) АБОНЕНТСКАЯ СТАНЦИЯ СПУТНИКОВОЙ СВЯЗИ
(57) Реферат:
Изобретение относится к радиоэлектронным системам связи с использованием радиоизлучения при размещении станции в наземном мобильном объекте и может быть использовано в качестве абонентской станции системы спутниковой связи с многостанционным доступом при кодовом разделении каналов (МДКР). Технический результат состоит в повышении помехозащищенности и пропускной способности станции, обеспечении гибкости и оперативности связи в сетях многостанционного доступа с синхронным методом кодового разделения каналов в режиме предоставления каналов по требованию. Для этого в абонентскую станцию введены полосовой фильтр, блок радиомодема широкополосных сигналов (ШПС), контроллер унифицированных интерфейсов, блок контроллера предоставления каналов по требованию (ПКТ), пульт управления станцией, блок абонентских интерфейсов (БАИ), блок контроля излучения, блок проверки работы станции «на себя», система управления антенной, блок ввода линий с подключенными к нему линиями для выдачи (приема) цифровых каналов по стандартному стыку, линиями для выдачи (приема) каналов по стыку RS-232 и линиями для выдачи (приема) каналов АТС. 4 з.п. ф-лы, 4 ил.
Изобретение относится к радиоэлектронным системам связи с использованием радиоизлучения при размещении станции в наземном мобильном объекте и может быть использовано в качестве абонентской станции системы спутниковой связи с многостанционным доступом при кодовом разделении каналов (МДКР).
Известны абонентские станции спутниковой связи, включающие в свой состав антенную систему, опорно-поворотное устройство, устройство разделения трактов приема и передачи, малошумящий усилитель, устройства преобразования частоты приемного тракта и передающего тракта, усилители промежуточной частоты, усилитель мощности, блок модуляторов-демодуляторов и оконечную аппаратуру каналообразования [1, 2].
Известные станции функционируют в системе многостанционного доступа с частотным разделением каналов (МДЧР), в которой для работы сети связи при использовании полной мощности передатчика ретранслятора требуется выделение значительного частотного ресурса из-за необходимости использования неравномерной расстановки частот в ретрансляторе для борьбы с комбинационными помехами, возникающими на нелинейности. Комбинационные помехи в ретрансляторе можно существенно снизить за счет выбора линейного участка амплитудной характеристики ретранслятора, что приводит к снижению мощности передатчика ретранслятора на 3-5 дБ. При этом пропускная способность сети снизится в два-три раза.
Реализация принципа работы станций с предоставлением каналов по требованию (ПКТ) в сети МДЧР приводит к существенному усложнению станций.
В целом система МДЧР и соответственно станции, построенные по такому принципу, обладают низкой помехозащищенностью, пониженной пропускной способностью и гибкостью организации связи.
Из известных абонентских станций спутниковой связи наиболее близкой по технической сущности является абонентская станция, структурная схема которой приведена в [3].
Известная абонентская станция спутниковой связи (рис.15.1, с.419) содержит антенную систему, систему наведения антенны, дуплексер, малошумящий усилитель, преобразователь частоты приема, демодулятор, модулятор, преобразователь частоты передачи, усилитель мощности, каналообразующую аппаратуру и управляющий процессор.
Большинство абонентских станций спутниковой связи, включая и станцию прототипа, имеющих указанный состав и построенных по приведенной структуре, используют частотное разделение каналов и имеют ограниченные возможности по пропускной способности за счет низких скоростей передачи информации. Помехозащищенность от преднамеренных и случайных помех радиоканала таких станций также оказывается низкой. Возможности по организации связи в сети МДЧР с ПКТ существенно ограничены.
Это приводит к ограничению их применения в современных системах спутниковой связи.
Целью настоящего изобретения является повышение помехозащищенности и пропускной способности станции, обеспечение гибкости и оперативности связи в сетях многостанционного доступа с синхронным методом кодового разделения каналов в режиме предоставления каналов по требованию, построенных с использованием предлагаемых абонентских станций спутниковой связи, обеспечивающих работу различного типа оконечного оборудования.
Поставленная цель достигается тем, что в абонентскую станцию спутниковой связи, содержащую антенну, вход которой соединен с управляющим выходом опорно-поворотного устройства, последовательно соединенные малошумящий усилитель и радиоприемник, последовательно соединенные блок радиопередатчика и усилитель мощности, выход которого соединен со входом антенны, введены полосовой фильтр, обеспечивающий защиту входа тракта приема от сверхвысокочастотных сигналов своего передатчика, блок радиомодема широкополосных сигналов (ШПС), контроллер унифицированного интерфейса, блок контроллера предоставления каналов по требованию (ПКТ), пульт управления станцией, блок проверки работы станции «на себя», блок контроля излучения, систему управления антенной, блок абонентских интерфейсов, блок ввода линий с подключенными к нему линиями для выдачи (приема) цифровых каналов по стандартному стыку, линиями для выдачи (приема) каналов по стыку RS-232 и линиями для выдачи (приема) каналов автоматической телефонной связи, причем выход антенны через полосовой фильтр соединен со входом малошумящего усилителя, выход радиоприемника соединен со входом блока радиомодема широкополосных сигналов, входы-выходы которого соединены с первыми входами-выходами контроллера унифицированного интерфейса, вторые входы-выходы которого по высокоскоростному стыку RS-485 соединены с первыми входами-выходами блока контроллера ПКТ, вторые входы-выходы которого по стыку RS-232 соединены с входами-выходами пульта управления станцией, третьи входы-выходы блока контроллера ПКТ соединены с третьими входами-выходами контроллера унифицированного интерфейса, четвертые входы-выходы которого соединены с первыми входами-выходами блока проверки работы станции «на себя», вторые входы-выходы которого соединены с четвертыми входами-выходами блока контроллера ПКТ, пятые входы-выходы которого посредством параллельного порта соединены с первыми входами-выходами блока абонентских интерфейсов, вторые входы-выходы которого по стыку CAN ТТЛ соединены с шестыми входами-выходами блока контроллера ПКТ, третьи входы-выходы цифровых каналов по стандартному стыку блока абонентских интерфейсов соединены с первыми станционными входами-выходами блока ввода линий, вторые станционные входы-выходы которого по стыку RS-232 соединены с четвертыми входами-выходами блока абонентских интерфейсов, пятые входы-выходы каналов которого по стыку автоматической телефонной связи соединены с третьими станционными входами-выходами блока ввода линий, выход блока радиомодема ШПС соединен со входом блока радиопередатчика, управляющий вход которого соединен с управляющим выходом контроллера унифицированного интерфейса, дополнительный выход блока радиопередатчика соединен с управляющим входом блока проверки работы станции «на себя», выход которого через блок контроля излучения соединен с дополнительным входом излучателя антенны, третьи входы-выходы блока проверки работы станции «на себя» соединены с входами-выходами радиоприемника, первые управляющие входы-выходы контроллера унифицированных интерфейсов соединены со входами-выходами системы управления антенной, выходы которой соединены со входами опорно-поворотного устройства, выход блока радиомодема ШПС, по которому передаются сигналы наведения и автосопровождения антенны, соединен с управляющим входом системы управления антенной, вторые управляющие входы-выходы контроллера унифицированных интерфейсов соединены со входами-выходами усилителя мощности.
Сопоставительный анализ с прототипом показывает, что заявляемая абонентская станция спутниковой связи отличается наличием новых блоков: полосового фильтра, блока радиомодема широкополосных сигналов (ШПС), контроллера унифицированного интерфейса, блока контроллера предоставления каналов по требованию (ПКТ), пульта управления станцией, блока абонентских интерфейсов (БАИ), блока контроля излучения, блока проверки работы станции «на себя», системы управления антенной, блока ввода линий с подключенными к нему линиями для выдачи (приема) цифровых каналов по стандартному стыку С 1-ФЛ-БИ, линиями для выдачи (приема) каналов по стыку RS-232 и линиями для выдачи (приема) каналов автоматической телефонной связи, а также изменениями связей между известными элементами схемы.
Таким образом, заявляемая абонентская станция спутниковой связи соответствует критерию изобретения «новизна».
Сравнение заявляемого решения с другими техническими решениями показывает, что введение новых блоков и изменение связей с остальными элементами схемы способствует проявлению новых свойств абонентской станции спутниковой связи, приводит к повышению помехозащищенности каналов связи, пропускной способности станции и обеспечению гибкости организации связи при использованием таких станций и расширению функциональных возможностей за счет обеспечения работы предлагаемой абонентской станции в различных сетях связи с разными системами многостанционного доступа с кодовым и частотно-кодовым разделением каналов.
Это позволяет сделать вывод о соответствии технического решения критерию «существенные отличия».
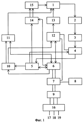
На фиг.1 представлена структурная схема абонентской станции спутниковой связи, на фиг.2 приведена структурная схема блока радиомодема широкополосных сигналов (ШПС), на фиг.3 показаны схемы блока контроллера предоставления каналов по требованию (ПКТ) и пульта управления станцией, а на фиг.4 приведена структурная схема блока абонентских интерфейсов (БАИ).
Абонентская станция спутниковой связи (фиг.1) содержит антенну 1, полосовой фильтр 2, малошумящий усилитель 3, радиоприемник 4, блок 5 радиомодема широкополосных сигналов (ШПС), контроллер унифицированного интерфейса 6, блок контроллера предоставления каналов по требованию (ПКТ) 7, пульт управления (ПУ) станцией 8, блок абонентских интерфейсов (БАИ) 9, блок радиопередатчика 10, усилитель мощности 11, блок проверки работы станции «на себя» 12, блок контроля излучения 13, систему управления антенной 14, опорно-поворотное устройство 15, блок 16 ввода линий, линии 17 для выдачи (приема) цифровых каналов по стандартному стыку согласно ГОСТ 27232-87 (например, по стандартному стыку С1-ФЛ-БИ), линии 18 для выдачи (приема) каналов по стыку RS-232 и линии 19 для выдачи (приема) каналов автоматической телефонной связи.
Блок радиомодема 5 широкополосных сигналов (фиг.2) содержит формирователь 20 опорной частоты (ФОЧ), аналого-цифровой квадратурный преобразователь 21 частоты (АЦКП), цифровой коррелятор 22, устройство поиска и обнаружения синхронизации 23, блок памяти 24, первый 25 декодер Витерби (ДКВ), второй 26 декодер Витерби, двухканальный демодулятор 27 широкополосных сигналов (ШПС), декодер 28 относительной фазовой телеграфии (ОФТ), формирователь 29 сигналов наведения антенны и сигналов автосопровождения антенны, узел информационного обмена 30, кодер 31 относительной фазовой телеграфии (ОФТ), двухканальный модулятор 32 широкополосных сигналов (ШПС), формирователь 33 псевдослучайных последовательностей вызова, отбоя и общей синхронизации (ПСП ВО/ОС), формирователь 34 псевдослучайных последовательностей информационного канала (ПСП ИП).
Контроллер 7 предоставления каналов по требованию (ПКТ) (фиг.3) содержит шинные формирователи 35, контроллер 36 обмена с блоком радиомодема, контроллер 37 канала управления CAN и микропроцессор 38, а пульт управления 8 станцией содержит преобразователь 39 стыка уровня ТТЛ в стык RS-232, микроконтроллер 40, индикатор 41 (табло индикации или дисплей) и цифровую клавиатуру 42.
Блок 9 абонентских интерфейсов (БАИ) (фиг.4) содержит PIC процессор 43, ADSP процессор 44, блок 45 флэш памяти, программируемый преобразователь стыка 46, интерфейс 47 стандартного стыка цифровых каналов, интерфейс 48 стыка RS-232, интерфейс 49 стыка каналов автоматической телефонной связи (АТС), вокодер 50 и кодек 51.
Выход антенны 1 через полосовой фильтр 2 соединен со входом малошумящего усилителя (МШУ) 3, выход которого соединен с СВЧ входом радиоприемника 4. Выход радиоприемника 4 соединен со входом блока 5 радиомодема широкополосных сигналов (ШПС), на который с выхода радиоприемника 4 поступают сигналы второй промежуточной частоты (ПЧ-2) приема 70 МГц. Входы-выходы блока 5 радиомодема ШПС соединены с первыми входами-выходами контроллера 6 унифицированных интерфейсов (КУИ), вторые входы-выходы которого посредством высокоскоростного стыка RS-485 подключены к первым входам-выходам блока 7 контроллера предоставления каналов по требованию (ПКТ) потребителю, вторые входы-выходы которого посредством стыка RS-232 соединены со входами-выходами пульта управления 8 станцией.
Один выход блока 5 радиомодема ШПС, по которому передается сигнал частоты 10 МГц опорного генератора приема, соединен с управляющим входом радиоприемника 4.
Управляющий выход блока 5 радиомодема ШПС, по которому передаются сигналы наведения и автосопровождения антенны 1, соединен со входом системы управления 14 антенной 1.
Третьи входы-выходы блока 7 контроллера ПКТ соединены с третьими входами-выходами контроллера 6 унифицированных интерфейсов, четвертые входы-выходы которого соединены с первыми входами-выходами блока 12 проверки работы станции «на себя», вторые входы-выходы которого посредством CAN интерфейса соединены с четвертыми входами-выходами блока 7 контроллера ПКТ. Пятые входы-выходы блока 7 контроллера ПКТ посредством последовательного порта соединены с первыми входами-выходами блока 9 абонентских интерфейсов (БАИ), вторые входы-выходы которого посредством CAN интерфейса соединены с шестыми входами-выходами блока 7 контроллера ПКТ.
Третьи входы-выходы (входы-выходы цифровых каналов) блока 9 абонентских интерфейсов посредством стандартного стыка соединены с первыми станционными входами-выходами блока 16 ввода линий, вторые станционные входы-выходы которого посредством стыка RS-232 соединены с четвертыми входами-выходами блока 9 абонентских интерфейсов, пятые входы-выходы (входы-выходы каналов автоматической телефонной связи) которого соединены с третьими станционными входами-выходами блока 16 ввода линий.
Второй выход блока 5 радиомодема ШПС, по которому передается сигнал второй промежуточной частоты 70 МГц передачи, соединен со входом блока 10 радиопередатчика, управляющий вход которого соединен с управляющим выходом контроллера 6 унифицированных интерфейсов. Выход блока 10 радиопередатчика соединен со входом усилителя мощности 11, выход которого соединен со входом антенны 1.
Дополнительный выход блока 10 радиопередатчика соединен со входом блока 12 проверки работы станции «на себя», выход которого через блок 13 контроля излучения соединен с дополнительным входом антенны 1.
Первые управляющие входы-выходы контроллера 6 унифицированных интерфейсов соединены с входами-выходами системы управления 14 антенной 1, выходы которой соединены с входами опорно-поворотного устройства 15. Третьи входы-выходы блока 12 проверки работы станции «на себя» соединены с входами-выходами радиоприемника 4, а вторые управляющие входы-выходы контроллера 6 унифицированных интерфейсов соединены с входами-выходами усилителя мощности 11.
К первым, вторым и третьим линейным входам-выходам блока 16 ввода линий подключены соответственно линии 17 для выдачи (приема) цифровых каналов по стандартному стыку, линии 18 для выдачи (приема) каналов по стыку RS-232 и линии 19 для выдачи (приема) каналов автоматической телефонной связи.
Входы-выходы формирователя 20 опорной частоты (ФОЧ) блока радиомодема 5 широкополосных сигналов соединены с первыми входами-выходами аналого-цифрового квадратурного преобразователя 21 частоты (АЦКП), вторые входы-выходы которого соединены с первыми входами-выходами цифрового коррелятора 22, вторые входы-выходы которого соединены с первыми входами-выходами устройства поиска и обнаружения синхронизации 23. Вторые входы-выходы устройства поиска и обнаружения синхронизации через блок памяти 24 подключены к третьим входам-выходам цифрового коррелятора 22, первые и вторые информационные входы-выходы которого подключены к информационным входам-выходам соответственно первого 25 и второго 26 декодеров Витерби (ДКВ). Третьи и четвертые входы-выходы устройства поиска и обнаружения синхронизации 23 подключены ко входам-выходам соответственно первого 25 и второго 26 декодеров Витерби, а второй вход-выход второго 26 декодера Витерби соединен с первым входом-выходом декодера относительной фазовой телеграфии (ОФТ) 28, второй вход-выход которого соединен с информационным входом-выходом двухканального демодулятора ШПС 27, первый и второй управляющие входы которого подключены к управляющим выходам соответственно первого 25 и второго 26 декодеров Витерби. Входы-выходы канала общей синхронизации двухканального демодулятора 27 широкополосных сигналов соединены с входами-выходами узла 30 интерфейсного обмена, информационный вход-выход которого соединен со вторым входом-выходом первого 25 декодера Витерби. Пятый вход-выход устройства 23 поиска и обнаружения синхронизации соединен с входом-выходом формирователя 33 псевдослучайных последовательностей вызова и отбоя (ПСП ВО/ОС), управляющий выход которого соединен с первым управляющим входом двухканального модулятора 32 ШПС, второй управляющий вход которого соединен с управляющим выходом формирователя 34 псевдослучайных информационных последовательностей (ПСП ИК), вход-выход которого соединен с шестым входом-выходом устройства поиска и обнаружения синхронизации 23. Выход формирователя 29 сигналов наведения антенны и автосопровождения антенны соединен со входом двухканального демодулятора 27 широкополосных сигналов (ШПС), а третий вход-выход второго 26 декодера Витерби соединен со входом-выходом кодера 31 ОФТ, выход которого соединен со входом двухканального модулятора 32 ШПС. При этом вход формирователя 20 опорной частоты является входом блока 5 радиомодема широкополосных сигналов, входами-выходами которого являются входы-выходы формирователя 29 сигналов наведения антенны и автосопровождения антенны и узла 30 интерфейсного обмена, выход двухканального модулятора ШПС 32 является выходом блока 5 радиомодема широкополосных сигналов, управляющим выходом которого является выход формирователя 20 опорной частоты.
Входы-выходы шинных формирователей 35 блока контроллера 7 предоставления каналов по требованию (ПКТ) по входам-выходам соединены с первыми входами-выходами контроллера 36 обмена с блоком радиомодема. Вторые входы-выходы контроллера 36 обмена соединены с первыми входами-выходами контроллера 37 канала управления CAN и подключены к первым входам-выходам микропроцессора 38, вторые входы-выходы которого являются входами-выходами блока 7 контроллера предоставления каналов по требованию и посредством стыка RS-232 соединены со вторыми входами-выходами преобразователя 39 стыка уровня ТТЛ в стык RS-232 пульта управления 8 станцией. При этом вход-выход шинных формирователей 35 является первым входом-выходом блока 7 контроллера предоставления каналов по требованию, вторыми входами-выходами которого являются вторые входы-выходы микропроцессора 38, третьи входы-выходы которого являются третьими входами-выходами блока 7 контроллера предоставления каналов по требованию, четвертыми входами-выходами которого являются входы-выходы CAN-интерфейса контроллера CAN 37.
Первые входы-выходы преобразователя 39 стыка уровня ТТЛ в стык RS-232 соединены с первыми входами-выходами микроконтроллера 40, вторые входы-выходы которого соединены с входами-выходами цифровой клавиатуры 42, а управляющие входы-выходы микроконтроллера 40 подключены к управляющим входам-выходам индикатора 41 (табло индикации или дисплея). При этом вторые входы-выходы преобразователя 39 стыка RS-232 в уровень ТТЛ являются входами-выходами по стыку RS-232 пульта 8 управления станцией.
Вход PIC процессора 43 блока 9 абонентских интерфейсов (фиг.4) соединен с выходом программируемого преобразователя 46 стыка, вход которого соединен с выходом ADSP процессора 44, первый вход-выход которого посредством параллельного порта соединен с входом-выходом PIC процессора 43. Второй вход-выход ADSP процессора 44 посредством шины адреса соединен с первым входом-выходом блока 45 флэш памяти, второй вход-выход которого посредством шины данных соединен с третьим входом-выходом ADSP процессора 44. Четвертый вход-выход посредством шины адреса и пятый вход-выход посредством шины данных ADSP процессора 44 подключены соответственно к первому и второму входам-выходам программируемого преобразователя 46 стыка, а шестой вход-выход ADSP процессора 44 посредством последовательного порта соединен с первым входом-выходом вокодера 50. Третий вход-выход программируемого преобразователя 46 стыка посредством стандартного стыка цифровых каналов в уровне ТТЛ соединен с первым входом-выходом модуля интерфейса 47 стандартного стыка цифровых каналов, четвертый вход-выход программируемого преобразователя 46 стыка посредством стыка RS-232 ТТЛ соединен с первым входом-выходом интерфейса 48 RS-232, управляющий вход по стыку RS-232 которого соединен с выходом программируемого преобразователя 46 стыка, сигнальный вход по стыку RS-232 которого соединен с выходом модуля 48 интерфейса RS-232. Второй сигнальный выход «Режим «Абонент»/«АТС» программируемого преобразователя 46 стыка соединен с сигнальным входом модуля 49 интерфейса канала АТС, первый управляющий вход «Управление режимом АТС» которого соединен со вторым управляющим выходом программируемого преобразователя 46 стыка, третий управляющий выход «Управление режимом «Абонент» которого соединен со вторым управляющим входом модуля 49 интерфейса канала АТС, а сигнальный выход «Готовность кадра» вокодера 50 соединен со вторым сигнальным входом программируемого преобразователя 46 стыка, сигнальный выход которого соединен со входом вокодера 50, второй вход-выход которого посредством последовательного порта соединен со входом-выходом кодека 51, вход-выход голосового тракта которого соединен с соответствующим входом-выходом модуля 49 интерфейса канала АТС, при этом вторые входы-выходы параллельного порта PIC процессора 43 являются первыми входами-выходами блока 9 абонентских интерфейсов, вторыми входами-выходами которого являются входы-выходы CAN ТТЛ PIC процессора 43, третьими, четвертыми и пятыми входами-выходами блока 9 абонентских интерфейсов являются соответственно вторые входы-выходы модуля 47 интерфейса стандартного стыка цифровых каналов, вторые входы-выходы модуля 48 интерфейса RS-232 и входы-выходы модуля 49 интерфейса канала АТС.
Антенна 1 состоит из зеркала, имеющего диаметр 1,2 м, и облучающей системы.
Полосовой фильтр 2 предназначен для защиты приемного тракта станции от СВЧ-сигналов своего передатчика.
Малошумящий усилитель 3, построенный по известным современным технологиям, предназначен для выделения и предварительного усиления принятого СВЧ-сигнала. В качестве такого блока может быть использован также параметрический усилитель с бесшумным преобразованием энергии колебаний определенной частоты.
Радиоприемник 4 включает в свой состав перестраиваемый полосовой фильтр для разделения сигналов отдельных ВЧ-стволов, преобразователи и усилители промежуточной частоты.
Блок 5 радиомодема широкополосных сигналов (ШПС) является базовым блоком станции и обеспечивает реализацию принципов системы многостанционного доступа на основе синхронного метода кодового разделения каналов в ретрансляторе. Он включает в свой состав формирователь 20 опорной частоты (ФОЧ), аналого-цифровой квадратурный преобразователь 21 частоты (АЦКП), коррелятор 22, устройство поиска и обнаружения синхронизации 23, блок 24 памяти, первый 25 декодер Витерби (ДКВ), второй 26 декодер Витерби, двухканальный демодулятор 27 широкополосных сигналов (ШПС), декодер 28 относительной фазовой телеграфии (ОФТ), формирователь сигналов наведения антенны и автосопровождения антенны 29, узел информационного обмена 30, кодер 31 ОФТ, двухканальный модулятор 32 широкополосных сигналов (ШПС), формирователь 33 псевдослучайных последовательностей вызова, отбоя и общей синхронизации (ПСП ВО/ОС), формирователь 34 псевдослучайных информационных последовательностей (ПСП ИП).
Работа блока 5 радиомодема ШПС сигналов происходит следующим образом.
Входной аналоговый широкополосный сигнал от радиоприемника 4 на второй промежуточной частоте 70 МГц поступает на устройство радиочастотной обработки (УРО), построенной по принципу аналого-цифрового квадратурного преобразования (АКЦП), и служит для преобразования входного радиочастотного сигнала в цифровую форму, необходимую для работы цифрового коррелятора.
Устройство радиочастотной обработки состоит из формирователя 20 опорных частот (ФОЧ) и аналого-цифрового квадратурного преобразователя 21 частоты. Блок 20 служит для формирования двух опорных сигналов на частоте 70 МГц, сдвинутых относительно друг друга на 90°. Один сигнал используется для формирования тактовой частоты, другой – для формирования частоты срабатывания блока 21. Опорный сигнал 10 МГц для формирователя опорной частоты (ФОЧ) является внешним и формируется в радиоприемнике 4.
В задачи преобразователя 21 входят преобразование ШПС сигнала в цифровой сигнал, синфазная составляющая (I) и квадратурная составляющая (Q), которые поступают на цифровой пятиканальный коррелятор 22 Аналого-цифровой квадратурный преобразователь 21 состоит из коммутатора входных сигналов, полосового фильтра, двух усилителей-преобразователей и двух АЦП. Входной коммутатор служит для переключения режимов работы и контроля, при котором производится внутренний контроль работоспособности блока 5 радиомодема ШПС.
Устройство поиска и обнаружения синхронизации 23 совместно с формирователем 33 псевдослучайных последовательностей общей синхронизации (ГПСП ОС) и формирователем 34 псевдослучайных информационных последовательностей (ГПСП ИП) обеспечивают формирование опорных сигналов псевдослучайных последовательностей при поиске и слежении за принимаемым сигналом цифровым коррелятором 22, управление поиском, вхождением в синхронизм и слежением за сигналом в пятиканальном варианте, формирование опорных сигналов синусной и косинусной составляющих последовательностей (ФОС COS, ФОС SIN) для коррелятора 22, формирование синусной и косинусной составляющих псевдослучайных последовательностей (псевдослучайная информационная последовательность ПСП ИП, имеющая единую структуру с псевдослучайной последовательностью синхронизации сети ПСПCC» псевдослучайная последовательность канала общей синхронизации ПСП ОС, ПСП абонентской станции) и управление поиском и вхождением в синхронизм.
Блок контроллера 7 предоставления каналов по требованию (ПКТ) содержит шинные формирователи 35, контроллер 36 обмена с блоком радиомодема ШПС, контроллер 37 канала CAN и микропроцессор PC 38.
Блок 7 контроллера ПКТ указанного состава предназначен для обеспечения стыковки в режиме ПКТ цифровых потоков абонентов вторичных сетей с цифровым потоком спутникового канала. Блок 7 контроллера ПКТ реализует следующие функции:
загружает программные модули;
производит самотестирование блока ПКТ и пульта управления станцией 8, взаимодействие программно-аппаратных средств в канале управления блока 5 радиомодема ШПС;
принимает исходящие вызовы в режиме предоставления канала по требованию от абонентов вторичных сетей через блок 9 БАИ;
организует и выводит на индикатор пульта управления станцией 8 меню для корректировки режимных параметров станции;
принимает от блока 5 радиомодема ШПС информацию как основного, так и вспомогательного каналов и также их такты;
передает в блок БАИ 9 информацию и такты, принятые от блока 5 радиомодема;
передает в блок 5 радиомодема ШПС информацию и такты цифрового потока, принятого от блока БАИ 9;
принимает входящие вызовы (в режиме предоставления канала по требованию), поступившие в блок 5 радиомодема от центральной станции;
включает/отключает передатчик и регулирует уровень выходной мощности усилителя мощности;
формирует адресные номера исходящей и входящей связи и передает их в блок 5 радиомодема ШПС;
записывает и хранит во флэш-памяти 38 пульта управления 8 станцией справочник абонентов сети МДКР;
стыкует цифровой поток спутникового канала связи блока 5 радиомодема, работающего в режиме предоставления канала по требованию, с цифровым потоком вторичных сетей.
Пульт управления станцией 8 по функциям относится к блоку 7 контроллера ПКТ. Основными узлами пульта управления 8 являются микроконтроллер PIC 39, преобразователь 40 стыка ТТЛ/RS-232, индикатор 41 и цифровая клавиатура 42. Передняя панель пульта управления 8 имеет четырехстрочный индикатор.
Кроме того, в блоке 7 контроллера ПКТ заложены функции, которые позволяют передавать в радиоканал один из трех абонентских канала вторичных сетей с присвоенным им приоритетом и осуществлять взаимодействие с блоком БАИ 9 через CAN интерфейс.
Блок 9 абонентских интерфейсов (БАИ) используется в качестве цифрового устройства сопряжения физических стыков оконечной аппаратуры вторичных сетей со спутниковым каналом блока 5 радиомодема ШПС в режиме предоставления канала по требованию.
Для обеспечения сопряжения блок БАИ 9 включает в себя следующие узлы:
модуль интерфейса с РПУ, обеспечивающий речевой обмен абонента АТС при вокодерной передаче речи со скоростью 2,4; 4,8; 9,6 кбит/с;
интерфейс передачи данных RS-232 со скоростью передачи данных до 19,2 кбит/с, к которому подключается внешняя персональная электронная вычислительная машина (ПЭВМ) или Hayes совместимый модем;
интерфейс цифрового канала стыка С1-ФЛ-БИ для дуплексной телефонной связи;
PIC процессор, поддерживающий взаимодействие с блоком 7 контроллера ПКТ через параллельный интерфейс LPT или последовательный CAN-интерфейс;
ADSP процессор с флэш-памятью, обеспечивающий программную работу программируемого преобразователя стыка по обработке абонентских цифровых сигналов.
Блок БАИ 9 обслуживает пользовательские интерфейсы независимо друг от друга, то есть осуществляет параллельное обслуживание.
Со стороны блока 7 контроллера ГОСТ обслуживание последовательное. Блок БАИ 9 передает и принимает цифровой поток один за другим, то есть осуществляет последовательное обслуживание.
Основным режимом блока БАИ 9 является полуавтоматический, обслуживание приоритетное. В первую очередь производится обеспечение служебной связи, затем организация дуплексной телефонной (конфиденциальной) связи, после нее идет обслуживание ТЛФ связи и в последнюю очередь производится передача данных (ПД). Приоритет может меняться по командам с блока 7 контроллера ПКТ.
Блок радиопередатчика 10 предназначен для формирования сверхвысокочастотного сигнала с заданными параметрами и его усиления до требуемого уровня. Блок радиопередатчика 10 относится к частотообразующим устройствам станции, работает в режиме линейного преобразования и по совокупности параметров обеспечивает сигнальное сопряжение передающего тракта с блоком 5 радиомодема ШПС сигналов.
Входящий в его состав преобразователь сигналов 345/70 осуществляет преобразование сигнала ПЧ-1 (345±5) МГц в сигнал ПЧ-2 частотой 70 МГц. Для этого используется сигнал подставки от 270 до 280 МГц с шагом 10 кГц. Схема формирования подставки построена по принципу цифровой автоподстройки частоты генератора с прямым делением частоты, а преобразователь сигналов 70/700 МГц осуществляет обратное преобразование сигнала частотой (70±3) МГц в сигнал частотой от 675 до 700 МГц.
Блок генератора сдвига блока 12 проверки формирует частотную подставку Fопор=600 МГц, с помощью которой осуществляется перенос сигнала из диапазона передачи в диапазон приема. С выхода блока генератора сдвига сигнал поступает на контрольный излучатель для проверки работы станции в режиме «на себя».
Управление блоком осуществляется по восьмиразрядной шине данных контроллера унифицированного интерфейса 6 от системы управления станции.
Блок 12 проверки работы станции «на себя» содержит переключатель диапазона, генератор сдвига частот, обеспечивающий перенос спектра тракта передачи в область частот приемника для организации «шлейфа» при проведении проверки работы станции «на себя».
Блок 13 контроля излучения содержит переключатель, эквивалент антенны и контрольный излучатель.
Система управления антенной 14 содержит блок ручного управления антенной, контроллер, блок коммутации и индикации. Она предназначена для наведения антенны на ретранслятор (РТР), размещаемый на искусственном спутнике Земли (ИСЗ) или космическом аппарате (КА), в ручном режиме и в режиме автосопровождения (АС).
Ручное наведение антенны осуществляется с помощью входящего в состав станции индикатора настройки на максимум сигнала. После наведения антенны на максимум принимаемого сигнала от РТР КА в ручном режиме включается режим «Автосопровождение». Режим «Автосопровождение» осуществляется совместно с помощью пульта управления 8 станцией, блока 7 контроллера ПКТ и системы управления антенной 14. Необходимый режим работы устанавливается на пульте управления 8 станцией.
Индикатор настройки на максимум сигнала относится к цифровым устройствам и предназначен для начального наведения антенны абонентской станции спутниковой связи на ретранслятор (спутник). Он используется на начальной стадии настройки направления антенны станции 1. На вход индикатора поступает цифровой сигнал в кодах, который затем с помощью цифроаналогового преобразователя (ЦАП) преобразуется в аналоговый сигнал, который передается далее на шкалу микроамперметра типа М4248-0-100 мкА-2,5 В.
Контроллер является автономным CAN контроллером системы управления антенной (СУА). Взаимодействие с блоком 7 контроллера ПКТ, в котором реализованы основные функции программно-аппаратных средств в системе управления станции, осуществляется через трехпроводный последовательный CAN-интерфейс.
Контроллер осуществляет управление антенной 1 после первоначального ручного наведения антенны 1 с помощью индикатора настройки по максимуму сигнала.
По сигналу наведения антенны (СНА), сформированному блоком 5 радиомодема ШПС, сигнал в цифровой форме через CAN контроллер блока 7 контроллера ПКТ поступает на контроллер системы управления антенной и с помощью следящих систем по азимуту и углу места обеспечивает автоматическую настройку диаграммы направленности (ДН) антенны 1 в направлении, обеспечивающем максимум сигнала на выходе блока радиоприемника 4, соответствующего параметрам E/No=9 дБ при Рош 10-5 в информационной полосе.
Контроллер блока системы СУА передает в блок 7 контроллера ПКТ слово «состояние АФУ».
Наряду с функциями системы управления антенной (СУА) контроллер системы СУА с помощью клавиатуры пульта управления 8 станцией включает и выключает передатчик в блоке 10 радиопередатчика станции.
Передатчик управляется следующим образом. Команды Вкл. ПРД/Откл. ПРД передаются в контроллер системы СУА через последовательный интерфейс CAN. В контроллере последовательный код преобразуется в параллельный и передается на блок платы коммутации и индикации, которая через порт управления СВЧ-прибором выполняет команды, передавая в параллельном коде подтверждение выполнения команды параллельного кода. Контроллер системы СУА вновь преобразует сигнал в последовательный код и через CAN интерфейс передает его в блок 7 контроллера ПКТ.
Взаимодействие оператора станции с системой управления станцией осуществляется через цифровую клавиатуру 42 (ввод команд) и индикатор 41 пульта управления 8 станцией, отображающий режимные параметры станции.
Основные функции системы управления антенной реализованы в контроллере СУА, разработанном на основе контроллера M167-1C, поддерживающего обмен по CAN интерфейсу.
Автосопровождение антенны по принятому блоком 5 радиомодема ШПС сигналу осуществляется по цифровому сигналу «Автосопровождение», сформированному приемником блока 5 радиомодема ШПС из канала общей синхронизации (канал ОС).
Поскольку блок 5 радиомодема ШПС взаимодействует с блоком 7 контроллера ПКТ через контроллер 6 унифицированного интерфейса, блок 7 контроллера ПКТ, получив сигнал по каналу интерфейса RS-485, передает его по каналу интерфейса CAN.
Основное отличие принципов построения системы управления станции, работающей в системе многостанционного доступа с кодовым разделением каналов, от СУ существующих абонентских станций спутниковой связи, работающих в системе с МДЧР, следующее:
организация сеанса связи между двумя предлагаемыми абонентскими станциями не требует ввода СХОС, содержащего большое количество параметров;
процесс организации дуплексного канала связи осуществляется автоматически с момента поступления вызова от оконечной аппаратуры по любому из абонентских интерфейсов.
Программы системы управления станции хранятся во флэш-памяти блока контроллера ПКТ, блока радиомодема ШПС и блока абонентских интерфейсов (БАИ).
Опорно-поворотное устройство 15 для точного наведения антенны 1 на искусственный спутник Земли имеет электросиловой привод, включающий в свой состав электромеханизм азимута и электромеханизм угла места.
В станции предусмотрены процедуры установления связи с предоставлением каналов по требованию (ПКТ) между абонентами как в автоматическом режиме (основной режим), так и в полуавтоматическом режиме, через оператора станции.
Процедуры установления связи с ПКТ имеют ряд особенностей, а именно:
станция должна устанавливать соединение по спутниковому каналу через центральную станцию сети МДКР. Соединение «точка – точка» в данном случае не эффективно, так как используется возможность использования частотного ресурса на основе кодового разделения каналов;
процедура установления связи с ПКТ требует для своей реализации служебной части сообщения, циркулирующей во вторичной сети: заявки на предоставление канала, адреса абонента или корреспондента, вид передаваемой информации, категорию срочности (приоритет) и т.д.
Таким образом, коммутационная и интерфейсная часть станции, обеспечивающая ввод/вывод данных, должна обеспечивать предоставление каналов по требованию на основе реализации протоколов межсетевого взаимодействия.
Сопряжение сетей осуществляется на физическом уровне.
В предлагаемой абонентской станции многостанционный доступ к ретранслятору (РТР), размещаемому на космическом аппарате (КА), в системе с кодовым разделением каналов осуществляется на основе блока 5 радиомодема ШПС сигнала, который отожествляется с радиоканалом.
Для организации межсетевого взаимодействия используется блок 7 контроллера предоставления каналов по требованию (ПКТ), который выполняет следующие функции:
осуществляет прием вызывных и адресных сигналов от блока абонентских интерфейсов (БАИ);
осуществляет синхронизацию пакетов цифровых последовательностей, информационных сигналов, поступающих на абонентские интерфейсы блока БАИ от оконечной аппаратуры узла связи или цифровой последовательности спутникового канала в режиме ПКТ и передает информационные пакеты в блок БАИ;
осуществляет прием информации канала управления центральной станции спутниковой системы с кодовым разделением каналов через канал вызова/отбоя во временных окнах, сформированных каналом общей синхронизации «СОС», «СОМ»;
формирование пакетов запросной или ответной информации на центральную станцию на предоставление канала по требованию: вызов абонента, квитанция на вызов, квитанция на отбой;
взаимодействие блока контроллера ПКТ с блоком радиомодема ШПС осуществляется через контроллер унифицированного интерфейса (КУИ);
взаимодействие блока контроллера ГОСТ с блоком абонентских интерфейсов (БАИ) осуществляется через CAN – интерфейс;
управление вводом/выводом информации с клавиатуры и индикация с отображением на четырехстрочном индикаторе вида соединения, другой служебной информации.
Абонентская станция спутниковой связи работает следующим образом.
Общий алгоритм работы предлагаемой абонентской станции спутниковой связи заключается в следующем.
В передающей части абонентской станции осуществляется формирование информационного широкополосного сигнала (ШПС), излучаемого антенной следующим образом.
Информация от источника сообщения с любой из линий 17, 18 или 19 через блок 16 ввода линий, блок 9 абонентских интерфейсов, блок 7 контроллера предоставления каналов по требованию и контроллер 6 унифицированного интерфейса поступает в модулятор блока 5 радиомодема ШПС. В блоке 5 радиомодема сигнал манипулируется по фазе по закону псевдослучайной последовательности, формируемой блоками 33 и 34. Сформированный сигнал ШПС усиливается и переносится в необходимый диапазон частот в блоке 10 радиопередатчика и через антенну 1 излучается в эфир на ретранслятор.
На приеме излучаемый с борта ретранслятора информационный ШПС сигнал принимается антенной 1 абонентской станции и через полосовой фильтр 2, малошумящий усилитель 3, радиоприемник 4 поступает в приемную часть блока 5 радиомодема ШПС. В приемнике блока 5 радиомодема ШПС осуществляется корреляционная обработка принятого сигнала с использованием генераторов псевдослучайных последовательностей (ГПСП). Свернутый сигнал демодулируется и через контроллер 6 унифицированного интерфейса, блок 7 контроллера ПКТ, блок 9 абонентских интерфейсов и блок 16 ввода линий поступает по одной из линий 17, 18 или 19 к получателю информации.
Управление сетью осуществляется центральной станцией, т.е. в сети реализуется принцип ГОСТ с централизованным управлением.
Для организации синхронной сети МДКР центральная станция начинает излучать сигнал общей синхронизации и сама его обнаруживает и под него синхронизируется по частоте и задержке.
После обнаружения сигнала центральная станция переходит на прием запросных сообщений в канале вызова/отбоя (ВО), излучаемых абонентскими станциями синхронно сигналу общей синхронизации (ОС).
Абонентская станция при вхождении в систему связи сначала осуществляет поиск сигнала ОС в полосе ±7,5 кГц по несущей частоте 70 МГц путем перестройки частоты синтезатора 140 МГц, общего для приемника и передатчика радиомодема ШПС, по пяти градациям. После обнаружения сигнала ОС измеренное в блоке радиоприемника смещение сигнала ОС относительно собственного сигнала по тактовой частоте вводится с обратным знаком в формирователь тактовой частоты блока радиопередатчика для компенсации имеющегося рассогласования и включается режим слежения по тактам сигнала центральной станции (ЦС). Из принятого сигнала ОС ПРМ радиомодема выделяет сигнал полусекундного кадра – метку времени (СОМ).
По команде «Передать данные в канал ВО», поступающей с системы управления станцией, блок радиомодема ШПС включает свой передатчик и передает на борт ретранслятора свою псевдослучайную последовательность (ПСП) без наложения информации, а блок радиоприемника начинает ее поиск. При обнаружении своего сигнала блок радиомодема ШПС переходит в режим коррекции несущей частоты передатчика под принимаемый сигнал ОС путем изменения несущей передачи блока радиомодема ШПС.
После подстройки несущей и тактовой частоты передатчика под сигнал ОС осуществляется синхронизация передатчика по кадрам с каналом ОС. Для этого на псевдослучайной последовательности системы синхронизации (ПСПсс) абонентская станция начинает передачу каждые 0,5 с метки времени в виде n-элементной М-последовательности (например, n=127 элементам) (получаем 127-элементную М-последовательность), обнаруживает ее и подстраивает на передачу таким образом, чтобы она совпала с меткой времени канала на ОС в приемнике абонентской станции. Затем в закрепленном за ней окне абонентская станция (АС), меняя ПСПсс на ПСП ВО, передает запрос на центральную станцию на предоставление канала связи, ожидая при этом в канале ОС квитанцию о приеме запроса в свой адрес. При отсутствии ее вызов повторяется до поступления команды с системы управления станцией «Включение передачи информационного канала (ИК)» или «Прекратить передачу в канале ВО».
Информацию канала ОС анализирует система управления и в зависимости от ее содержания вырабатывает команды на управление блоком радиомодема ШПС. Получив квитанцию от ЦС на сигнале ОС о приеме запроса и соединении с вызываемым абонентом, система управления станции выдает на блок радиомодема ШПС абонентской станции команду «Включение передачи ИК», по которой на псевдослучайную последовательность синхронизации станции (ПСПCC) накладывается информация абонента, принимая при этом информацию от вызванного абонента на его ПСП, которая определяется номером его адреса.
По окончании связи абонент – абонент система управления посылает в блок радиомодема ШПС команду «Выключение передачи ИК», по которой блок радиомодема ШПС переходит в режим передачи на ПСПCC без информации с заменой ее в момент закрепленного окна на ПСП ВО для передачи сигнала отбоя на центральную станцию. Работа в этом режиме продолжается до поступления команды от системы управления станцией «Прекратить передачу в канале ВО».
При работе станции на прием в первом диапазоне частот (от 3440 до 3900 МГц) и втором диапазоне частот (от 7900 до 8400 МГц) принятый антенной 1 сигнал через полосовой фильтр 2, обеспечивающий защиту приемного тракта от сигналов своего передатчика, поступает на малошумящий усилитель 3, с выхода МШУ 3 усиленный сигнал поступает в радиоприемник 4 для дальнейшей его обработки.
Радиоприемник 4 осуществляет фильтрацию, конвертирование спектра сигналов радиолинии вниз (от 3440 до 3900 МГц для первого диапазона или от 7900 до 8400 МГц для второго диапазона частот) со сжатием спектра в полосу промежуточной частоты ПЧ-1 (345±5) МГц, усиление сигналов, преобразование принятого спектра сигналов на промежуточную частоту (ПЧ-1), фильтрацию и усиление сигнала промежуточной частоты до необходимого уровня.
Преобразование сигналов в радиоприемнике 4 осуществляется гетеродинным методом. Сигнал с определенной полосой частот, например 5 МГц или 10 МГц (ширина полосы системы с кодовым разделением каналов МДКР, выделенная в стволах с прямой ретрансляцией космическим аппаратом рабочего диапазона от 7490 до 7540 МГц). Далее усиленный сигнал из полосы частот ПЧ-1, равной (345±5) МГц, преобразуется во вторую промежуточную частоту (ПЧ-2) 70 МГц и поступает на вход блока 5 радиомодема широкополосных сигналов (ШПС).
Блок радиомодема 5 осуществляет прием и обработку ШПС сигнала по алгоритму, принятому для модема с кодовым разделением каналов.
Отметим, что до блока радиомодема 5 приемный тракт предлагаемой абонентской станции спутниковой связи является одноканальным.
Блок радиомодема 5 в абонентской станции организует два канала: канал вызова/отбоя (ВО) и канал общей синхронизации (канал ОС). Абонентская станция спутниковой связи по каналу вызова/отбоя (ВО) связана с каналом общей синхронизации (канал ОС) центральной станции сети многостанционного доступа с кодовым разделением каналов (МДКР).
Центральная станция через канал общей синхронизации (ОС) обеспечивает соединение (прямое вхождение в связь на выделенных данных) между двумя аналогичными абонентскими станциями спутниковой связи.
Дуплексный цифровой информационный канал (ИК) между абонентскими станциями в режиме приема зависит от вида передаваемой информации и работает на одной из скоростей 1,2; 2,4; 4,8; 9,6; 16,0 кбит/с и его можно считать прозрачным.
Для вывода информации из радиоканала и передачи ее на блок 9 абонентских интерфейсов (БАИ) симплексный прозрачный канал реструктуризируется. Блок 5 радиомодема формирует тактовые импульсы, по которым осуществляется вывод информации на блок 9 абонентских интерфейсов (БАИ).
Блок 9 БАИ, используя тактовую частоту и тактовые импульсы реструктуризированного канала, преобразует цифровой информационный поток в информацию соответствующего стыка абонентского интерфейса, то есть канал оконечной аппаратуры (ОА) вторичной сети.
При работе станции на передачу оконечная аппаратура потребителя через одну из линий 17, 18 или 19 для выдачи (приема) каналов, подключенных к блоку ввода линий 16, и соответствующий интерфейс блока абонентских интерфейсов посылает запрос на предоставление спутникового канала связи.
Блок 9 БАИ анализирует запрос и посылает его в блок 7 контроллера ПКТ. Блок 7 контроллера ПКТ по приоритету, установленному в сети спутниковой связи системы многостанционного доступа с кодовым разделением каналов (МДКР), должен представить канал связи абоненту, имеющему высший приоритет. Остальные абоненты на обслуживание станцией не ставятся. Для этого блок 9 БАИ через соответствующий интерфейс выдает сообщение. Код сообщения имеет вид КАНАЛ ЗАНЯТ.
Блок 7 контроллера ПКТ формирует запрос исходящей связи, в котором содержится адрес вызываемой станции, и передает запрос на предоставление спутникового канала связи в блок 5 радиомодема ШПС сигналов для выполнения функции кодового разделения каналов.
Блок 5 радиомодема формирует исходящий вызов для передачи его по каналу вызова/отбоя (ВО) на центральную (базовую) станцию сети МДКР.
Исходящий вызов, сформированный блоком 5 радиомодема ШПС, представляет собой широкополосный сигнал псевдослучайной последовательности ПСП ВО. Центральная частота данного спектра составляет 70 МГц. Выходной сигнал на передачу блока 5 радиомодема ШПС занимает полосу в 6 МГц.
Для передачи данного сигнала он должен быть перенесен в диапазон передачи. Перенос спектра ШПС сигнала с центральной частоты 70 МГц на несущую частоту передачи осуществляется поэтапно.
На первом этапе сигнал передачи с частотой (70±3) МГц поступает на вход блока 10 радиопередатчика, где с помощью синтезатора частоты на передачу конвертируется в сигнал диапазона частот от 675 до 700 МГц.
Таки образом, выходной сигнал на передачу от 675 до 700 МГц блока 5 радиомодема является входным сигналом для передающего тракта.
Далее сигнал ШПС в полосе от 675 до 700 МГц с определенным уровнем поступает на вход смесителя блока радиопередатчика, на другой вход которого поступают частотные подставки от синтезатора частоты.
В зависимости от выделенного участка в частотном диапазоне ретранслятора космического аппарата спектр высокочастотного сигнала, имеющего полосу 6 МГц, переносится без изменения полосы в частотный интервал диапазона передачи. Далее сигнал поступает на предварительный усилитель блока радиопередатчика 10, который усиливает сигнал также до определенного уровня и с его выхода предварительно усиленный сигнал передачи поступает на усилитель мощности 11.
Сигнал передачи в полосе 6 МГц первого (от 5725 до 6225 МГц) или второго (от 7900 до 8400 МГц) диапазона частот с выхода усилителя мощности 11 поступает на вход антенны 1.
Информационный сигнал передачи с уровнем выходной мощности поступает на усилитель мощности 11, который усиливает его и передает в антенну 1. В антенне сигнал усиливается и излучается ею в эфир.
Отметим, что вид передаваемой информации и скорости передачи информации, влияющей на энергетику радиолинии, проявляются только при информационном обмене между аналогичными абонентскими станциями спутниковой связи сети МДКР.
При установлении соединения между указанными станциями энергетика радиолинии соответствует скорости передачи 4,8 кбит.
Для выравнивания энергетики в передающем тракте предусмотрена регулировка выходной мощности станции. Регулировка уровня выходной мощности 11 осуществляется по входу усилителя мощности.
Последовательность операций, выполняемых блоком 5 радиомодема сигналов ШПС для вхождения в синхронизм при установке дуплексного канала с вызываемой станцией следующая.
Поскольку станция является абонентской в сети спутниковой связи радиального типа, являющейся синхронной системой, то кодовое разделение абонентских станций в центральной станции сети осуществляется путем временного смещения псевдослучайной последовательности (ПСП) каждой абонентской станции относительно ПСП канала общей синхронизации. При этом ПСП в каждом последующем канале сдвинута на 90° относительно предыдущей ПСП и в принципе для формирования ПСП абонентских станций может быть использована структура ПСП канала общей синхронизации.
После включения абонентской станции блок 5 радиомодема ШПС осуществляет прием сигналов на второй промежуточной частоте 70 МГц, передаваемых центральной станцией в канале управления (канал общей синхронизации) и ведет подстройку под этот сигнал собственной системы синхронизации по несущей, тактам и циклам.
Абонентская станция может перейти к передаче информации центральной станции, для чего формируется ПСП структуры данной станции, содержащие номера вызывающей и вызываемой станций в сети МДКР. Передача осуществляется по каналу вызова/отбоя (ВО).
Сигнал вызова/отбоя от абонентской станции поступает на блок радиомодема сигналов ШПС центральной станции синхронно с сигналом общей синхронизации, поэтому отсутствует необходимость его поиска. Несущие от разных абонентских станций приходят на одной несущей, но в разных фазах (сигналы ортогональны). В каждом кадре передаваемой информации имеется защитный интервал, на котором несущая не манипулировала.
Момент захвата кольцом ФАЛ демодулятора неманипулированной несущей частоты завершает фазирование частот передатчика и приемника радиомодема.
Для установления дуплексной связи между двумя абонентскими станциями центральная станция (ЦС) через канал управления также устанавливает дуплексный канал с вызываемой станцией. После чего предоставляет канал в свободном окне канала вызова/отбоя (ВО) для обмена квитанциями об установлении соединения между вызывающей и вызываемой станциями.
Гибкость использования ресурсов сети проявляется в том, что в процессе соединения абонентская станция занимает временные окна канала ВО только на время предоставления канала. Если станция не передает информацию, то канал занимается графиком связи других абонентских станций.
В режиме дуплексной связи между абонентскими станциями центральная станция регулирует нагрузку спутникового канала, работающего в режиме прямой ретрансляции, передавая абонентским станциям команды на регулировку мощности излучения. При работе в сети МДКР предлагаемая абонентская станция через программно-аппаратные средства осуществляет автоматическую регулировку излучаемой мощности по каналу ЦС-АРУ ПРД.
Постоянное обновление соединений осуществляется в реальном масштабе времени и полностью автоматизировано.
Обмен речевой информацией при вокодерной передаче речи в режиме автоматической телефонной связи «ТЛФ-АТС».
Основные функции двухпроводного интерфейса SLIC, встроенного в вокодер:
при исходящем вызове – определить момент поднятия трубки и выдать абоненту сигнал (гудок) разрешения набора номера вызываемой абонентской станции;
принять от абонента АТС номер вызываемой абонентской станции сети спутниковой связи и транслировать его в блок 7 контроллера ПКТ для передачи по каналу вызов/отбой блока радиомодема ШПС на центральную станцию.
Длинные и короткие гудки телефонных аппаратов, подключенных к станции, характеризуют прохождение вызова абонента сети МДКР.
В процессе установления связи данный интерфейс блока БАИ 9 должен принимать тональный сигнал, длинный гудок, короткий гудок, набор номера телефона АТС абонентской станции и преобразовывать его в цифровой поток для передачи в блок контроллера ПКТ, который передает его в формате принятого для передачи в канал управления блока радиомодема ШПС, то есть в канал вызов/отбой (ВО) совместно с их тактами.
Интервал разговора между корреспондентами при вокодерной передаче речи со скоростями 2400, 4800 и 9600 бит/с должен составить примерно 3 минуты (оптимальный с точки зрения параметров графика связи организуемого абонентской станцией).
Контроль параметров станции осуществляется автоматически и совмещен с информационным обменом.
Для оперативного отображения текущего состояния оборудования абонентской станции используется строка дисплея и восемь индикаторов на блоке 7 контроллера ПКТ. При этом при работающем усилителе мощности светится индикатор «УМ». Если усилитель мощности включен и в норме, то индикатор «УМ» будет светиться постоянно при наличии канала связи. Если же усилитель не в норме или отсутствует канал связи, то индикатор «УМ» будет мигать.
При работе станции «на себя» и включении режима «шлейф» светится индикатор ШЛЕЙФ, а индикатор «Апп. норма» светится, если нет ни одного сигнала неисправности от всех приборов станции, опрашиваемых блоком контроллера ГОСТ.
При получении абонентской станцией входящего вызова загорается индикатор «Вх. вызов», а при установлении оператором исходящего соединения включается индикатор «Исх. вызов».
Техническая эффективность предлагаемой абонентской станции спутниковой связи заключается в обеспечении требуемой помехозащищенности, надежности, пропускной способности станции, гибкости и оперативности организации связи в сетях многостанционного доступа с синхронным методом кодового разделения каналов в режиме предоставления каналов по требованию при обеспечении работы различного типа оконечного оборудования данных с требуемыми приоритетами.
При этом повышение надежности работы станции обеспечивается за счет того, что в предлагаемой абонентской станции передача информации осуществляется с использованием широкополосных сигналов, за счет чего снижается спектральная плотность мощности излучаемых и принимаемых сигналов. Это приводит к улучшению электромагнитной совместимости и снижению влияния своего передатчика на приемный тракт станции за счет включения в тракт приема полосового фильтра, а также осуществления компенсации узкополосных помех. В результате обеспечивается требуемая помехозащищенность радиолинии и надежность работы абонентской станции.
Повышение пропускной способности достигается за счет реализации синхронного кодового уплотнения, режима ГОСТ при централизованном управлении от ЦС. При этом обязательным условием работы АС в сети является получение разрешения работы от ЦС (прописка АС в сети, аналогичное получению SIM карты или же пароля).
Кроме того, в абонентской станции используется постоянно действующая система контроля и сигнализации о всех процессах установления соединения и ведения переговоров (передачи информации), сигнализации о включении аппаратуры или оконечного прибора в конкретный канал связи и ее режимах работы, по какому каналу и в каком режиме ведется связь, какой вид связи обеспечивается в данный момент времени.
Улучшение энергетики радиолинии достигается за счет улучшения соотношения сигнал/шум при приеме на малые антенны и использовании широкополосных сигналов.
В предлагаемом изобретении достигнуто также расширение функциональных возможностей за счет обеспечения работы абонентской станции в различных сетях связи с разными системами многостанционного доступа с кодовым и частотно-кодовым разделением каналов.
Изготовлены образцы предлагаемой абонентской станции спутниковой связи, которые прошли государственные испытания и показали надежную работу. Результаты испытаний подтвердили правильность технических решений, их технический и экономический эффект. Наработка на отказ станции составила порядка 5000 часов и выросла более чем в три раза, а пропускная способность увеличилась не менее чем в два раза за счет увеличения скорости передачи.
Источники информации
1. SU, авторское свидетельство №1072274 кл. Н04В 7/185, 1984.
2. RU, патент №2117392 кл. Н04В 7/185, 1998.
3. Спутниковая связь и вещание: Справочник. – 3-е изд., перераб и доп. / В.А.Бартенев, Г.В.Болотов, В.Л.Быков и др.; Под ред. Л.Я.Кантора. М.: Радио и связь, 1997, рис.15.1 с.419 (прототип).
Формула изобретения
1. Абонентская станция спутниковой связи, содержащая антенну, вход которой соединен с управляющим выходом опорно-поворотного устройства, последовательно соединенные малошумящий усилитель и радиоприемник, последовательно соединенные блок радиопередатчика и усилитель мощности, выход которого соединен со входом антенны, отличающаяся тем, что в нее введены полосовой фильтр, обеспечивающий защиту входа тракта приема от сверхвысокочастотных сигналов своего передатчика, блок радиомодема широкополосных сигналов (ШПС), контроллер унифицированного интерфейса, блок контроллера предоставления каналов по требованию (ПКТ), пульт управления станцией, блок проверки работы станции «на себя», блок контроля излучения, система управления антенной, блок абонентских интерфейсов, блок ввода линий с подключенными к нему линиями для выдачи (приема) цифровых каналов по стандартному стыку, линиями для выдачи (приема) каналов по стыку RS-232 и линиями для выдачи (приема) каналов автоматической телефонной связи, причем выход антенны через полосовой фильтр соединен со входом малошумящего усилителя, выход радиоприемника соединен со входом блока радиомодема широкополосных сигналов, входы-выходы которого соединены с первыми входами-выходами контроллера унифицированного интерфейса, вторые входы-выходы которого по высокоскоростному стыку RS-485 соединены с первыми входами-выходами блока контроллера ПКТ, вторые входы-выходы которого по стыку RS-232 соединены с входами-выходами пульта управления станцией, третьи входы-выходы блока контроллера ПКТ соединены с третьими входами-выходами контроллера унифицированного интерфейса, четвертые входы-выходы которого соединены с первыми входами-выходами блока проверки работы станции «на себя», вторые входы-выходы которого соединены с четвертыми входами-выходами блока контроллера ПКТ, пятые входы-выходы которого посредством параллельного порта соединены с первыми входами-выходами блока абонентских интерфейсов, вторые входы-выходы которого по стыку CAN ТТЛ соединены с шестыми входами-выходами блока контроллера ПКТ, третьи входы-выходы цифровых каналов по стандартному стыку блока абонентских интерфейсов соединены с первыми станционными входами-выходами блока ввода линий, вторые станционные входы-выходы которого по стыку RS-232 соединены с четвертыми входами-выходами блока абонентских интерфейсов, пятые входы-выходы каналов которого по стыку автоматической телефонной связи соединены с третьими станционными входами-выходами блока ввода линий, выход блока радиомодема ШПС соединен со входом блока радиопередатчика, управляющий вход которого соединен с управляющим выходом контроллера унифицированного интерфейса, дополнительный выход блока радиопередатчика соединен с управляющим входом блока проверки работы станции «на себя», выход которого через блок контроля излучения соединен с дополнительным входом излучателя антенны, третьи входы-выходы блока проверки работы станции «на себя» соединены с входами-выходами радиоприемника, первые управляющие входы-выходы контроллера унифицированных интерфейсов соединены со входами-выходами системы управления антенной, выходы которой соединены со входами опорно-поворотного устройства, выход блока радиомодема ШПС, по которому передаются сигналы наведения и автосопровождения антенны, соединен с управляющим входом системы управления антенной, вторые управляющие входы-выходы контроллера унифицированных интерфейсов соединены со входами-выходами усилителя мощности.
2. Абонентская станция по п.1, отличающаяся тем, что блок радиомодема широкополосных сигналов содержит последовательно соединенные по входу-выходу формирователь опорной частоты, аналого-цифровой квадратурный преобразователь частоты, цифровой коррелятор и устройство поиска и обнаружения синхронизации, а также содержит блок памяти, первый декодер Витерби, второй декодер Витерби, двухканальный демодулятор широкополосных сигналов, декодер относительной фазовой телеграфии (ОФТ), формирователь сигналов наведения антенны и автосопровождения антенны, узел информационного обмена, кодер относительной фазовой телеграфии (ОФТ), двухканальный модулятор широкополосных сигналов, формирователь псевдослучайных последовательностей вызова, отбоя и общей синхронизации, формирователь псевдослучайных информационных последовательностей, причем третьи входы-выходы цифрового коррелятора через блок памяти подключены ко вторым входам-выходам устройства поиска и обнаружения синхронизации, третьи и четвертые входы-выходы которого подключены ко входам-выходам соответственно первого и второго декодеров Витерби, а первые и вторые информационные входы-выходы цифрового коррелятора подключены к информационным входам-выходам соответственно первого и второго декодеров Витерби, второй вход-выход второго декодера Витерби соединен с входом-выходом декодера ОФТ, второй вход-выход которого соединен с информационным входом-выходом двухканального демодулятора ШПС, первый и второй управляющие входы которого подключены к управляющим выходам соответственно первого и второго декодеров Витерби, входы-выходы канала общей синхронизации двухканального демодулятора широкополосных сигналов соединены с входами-выходами узла интерфейсного обмена, информационный вход-выход которого соединен со вторым входом-выходом первого декодеров Витерби, пятый вход-выход устройства поиска и обнаружения синхронизации соединен с входом-выходом формирователя псевдослучайных последовательностей вызова и отбоя, управляющий выход которого соединен с первым управляющим входом двухканального модулятора ШПС, второй управляющий вход которого соединен с управляющим выходом формирователя псевдослучайных информационных последовательностей, вход-выход которого соединен с шестым входом-выходом устройства поиска и обнаружения синхронизации, выход формирователя сигналов наведения антенны и автосопровождения антенны соединен со входом двухканального демодулятора ШПС, третий вход-выход второго декодера Витерби соединен со входом кодера ОФТ, выход которого соединен со входом двухканального модулятора ШПС, при этом вход формирователя опорной частоты является входом блока радиомодема широкополосных сигналов, входами-выходами которого являются входы-выходы формирователя сигналов наведения антенны и автосопровождения антенны и узла интерфейсного обмена, выход двухканального модулятора ШПС является выходом блока радиомодема широкополосных сигналов, управляющим выходом которого является выход формирователя опорной частоты.
3. Абонентская станция по п.1, отличающаяся тем, что блок контроллера предоставления каналов по требованию (ПКТ) содержит шинные формирователи, контроллер обмена с блоком радиомодема ШПС, контроллер канала CAN и микропроцессор, причем вход-выход шинных формирователей соединен с первым входом-выходом контроллера обмена с блоком радиомодема ШПС, второй вход-выход которого соединен с входом-выходом контроллера канала CAN и первым входом-выходом микропроцессора, при этом вход-выход шинных формирователей является первым входом-выходом блока контроллера предоставления каналов по требованию, вторыми входами-выходами которого являются вторые входы-выходы микропроцессора, третьи входы-выходы которого являются третьими входами-выходами блока контроллера предоставления каналов по требованию, четвертыми входами-выходами которого являются входы-выходы CAN-интерфейса контроллера CAN.
4. Абонентская станция по п.1, отличающаяся тем, что пульт управления станцией содержит преобразователь стыка RS-232 в уровень ТТЛ, микроконтроллер, индикатор (табло индикации) и цифровую клавиатуру, причем первые входы-выходы преобразователя стыка в уровень ТТЛ соединены с первыми входами-выходами микроконтроллера, управляющие выходы которого соединены со входами индикатора (табло индикации), вторые входы-выходы микроконтроллера соединены с входами-выходами цифровой клавиатуры, при этом вторые входы-выходы преобразователя стыка RS-232 в уровень ТТЛ являются входами-выходами по стыку RS-232 пульта управления станцией.
5. Абонентская станция по п.1, отличающаяся тем, что блок абонентских интерфейсов содержит PIC процессор, ADSP процессор, блок флэш памяти, программируемый преобразователь стыка, интерфейс цифровых каналов стандартного стыка, интерфейс стыка RS-232, интерфейс стыка канала автоматической телефонной связи, вокодер и кодек, причем вход PIC процессора соединен с выходом программируемого преобразователя стыка, вход которого соединен с выходом ADSP процессора, первый вход-выход которого посредством параллельного порта соединен с входом-выходом PIC процессора, второй вход-выход ADSP процессора посредством шины адреса соединен с первым входом-выходом блока флэш памяти, второй вход-выход которого посредством шины данных соединен с третьим входом-выходом ADSP процессора, четвертый вход-выход посредством шины адреса и пятый вход-выход посредством шины данных которого подключены соответственно к первому и второму входам-выходам программируемого преобразователя стыка, шестой вход-выход ADSP процессора посредством последовательного порта соединен с первым входом-выходом вокодера, третий вход-выход программируемого преобразователя стыка посредством стандартного стыка цифровых каналов в уровне ТТЛ соединен с первым входом-выходом интерфейса стандартного стыка цифровых каналов, четвертый вход-выход программируемого преобразователя стыка посредством стыка RS-232 ТТЛ соединен с первым входом-выходом интерфейса RS-232, управляющий вход по стыку RS-232 которого соединен с выходом программируемого преобразователя стыка, сигнальный вход по стыку RS-232 которого соединен с выходом интерфейса RS-232, второй сигнальный выход «Режим «Абонент»/«АТС» программируемого преобразователя стыка соединен с сигнальным входом интерфейса канала АТС, первый управляющий вход «Управление режимом АТС» которого соединен со вторым управляющим выходом программируемого преобразователя стыка, третий управляющий выход «Управление режимом «Абонент» которого соединен со вторым управляющим входом интерфейса канала АТС, сигнальный выход «Готовность кадра» вокодера соединен со вторым сигнальным входом программируемого преобразователя стыка, сигнальный выход которого соединен со входом вокодера, второй вход-выход которого посредством последовательного порта соединен со входом-выходом кодека, вход-выход голосового тракта которого соединен с соответствующим входом-выходом интерфейса канала АТС, при этом вторые входы-выходы параллельного порта PIC процессора являются первыми входами-выходами блока абонентских интерфейсов, вторыми входами-выходами которого являются входы-выходы CAN ТТЛ PIC процессора, третьими, четвертыми и пятыми входами-выходами блока абонентских интерфейсов являются соответственно вторые входы-выходы интерфейса стандартного стыка цифровых каналов, вторые входы-выходы интерфейса RS-232 и входы-выходы интерфейса канала АТС.
РИСУНКИ
|