|
|
(21), (22) Заявка: 2006100071/09, 11.01.2006
(24) Дата начала отсчета срока действия патента:
11.01.2006
(43) Дата публикации заявки: 27.07.2007
(46) Опубликовано: 10.01.2008
(56) Список документов, цитированных в отчете о поиске:
SU 1224960 А, 15.04.1986. US 3624536, 30.11.1971. GB 880475, 25.10.1961. JP 58-62907 A, 14.04.1983.
Адрес для переписки:
111123, Москва, ул. Плеханова, 6, ФГУП “ГМЗ “Салют”, Директору В.А. Панину
|
(72) Автор(ы):
Гилюк Валерий Иванович (RU), Шафро Борис Исаакович (RU)
(73) Патентообладатель(и):
Федеральное государственное унитарное предприятие “Государственный московский завод “Салют” (RU)
|
(54) УСИЛИТЕЛЬ ПРОМЕЖУТОЧНОЙ ЧАСТОТЫ
(57) Реферат:
Изобретение относится к радиотехнике, а именно к усилителям промежуточной частоты. Предназначено для использования в качестве предварительного усилителя промежуточной частоты радиоприемных устройств радиоэлектронной аппаратуры и может быть использовано, в частности, в преобразователях частоты. Технический результат заключается в обеспечении независимости значения входного сопротивления усилителя промежуточной частоты от значения сопротивления нагрузки и от действия дестабилизирующих факторов, расширении полосы рабочих частот, увеличении динамического диапазона при одновременной реализации малого коэффициента шума усилителя. Усилитель промежуточной частоты содержит первый, второй, третий, четвертый резисторы (4, 5, 10, 11), первый и второй конденсаторы (6, 7), первый и второй транзисторы (8, 9). 2 ил.
Изобретение относится к радиотехнике, а именно к усилителям промежуточной частоты. Предназначено для использования в качестве предварительного усилителя промежуточной частоты радиоприемных устройств радиоэлектронной аппаратуры и может быть использовано, в частности, в преобразователях частоты, содержащих двойные балансные смесители радиоприемных устройств с фазовым подавлением частот зеркального канала.
К предварительным усилителям промежуточной частоты предъявляются требования обеспечения заданных коэффициента шума, коэффициента усиления и динамического диапазона в рабочей полосе частот. В двойных балансных смесителях радиоприемных устройств с фазовым подавлением частот зеркального канала, с целью обеспечения широкополосности и малых потерь, используются фазовые контуры для функционирования которых требуется, чтобы сопротивление их нагрузки, т.е. входное сопротивление предварительного усилителя промежуточной частоты, было с достаточной степенью точности равно заданному и не зависело ни от сопротивления нагрузки предварительного усилителя промежуточной частоты, ни от действия дестабилизирующих факторов.
Известен усилитель (Патент США №3624536, кл. Н03F 3/60, 1971 г.), который позволяет обеспечить все требуемые параметры усилителя, кроме входного сопротивления, которое с высокой точностью повторяет значение сопротивления его нагрузки.
В широкополосном усилителе (Авторское свидетельство СССР №1224960, кл. Н03F 1/34, 13.07.84) обеспечивается более широкая полоса пропускания по сравнению с указанным выше усилителем. Данный усилитель является наиболее близким аналогом (прототипом) заявляемого изобретения.
Задачей, на решение которой направленно изобретение, является расширение арсенала технических средств указанного назначения, с одновременным улучшением его эксплуатационных характеристик.
Техническими результатами при реализации изобретения являются, в частности, обеспечение практически независимости значения входного сопротивления усилителя промежуточной частоты от значения сопротивления нагрузки и от действия дестабилизирующих факторов, расширение полосы рабочих частот, увеличение динамического диапазона при одновременной реализации малого коэффициента шума усилителя.
Влияние на достижение указанных технических результатов оказывают нижеприведенные отличительные признаки.
Усилитель промежуточной частоты содержит инвертирующий усилитель и два трансформатора. В отличие от прототипа содержит дополнительно первый, второй, третий, четвертый резисторы, первый и второй конденсаторы, первый и второй транзисторы. При этом точка соединения второго вывода второй обмотки первого трансформатора с первым выводом второй обмотки второго трансформатора является входом, а точка соединения вторых выводов второго резистора и второго конденсатора является выходом усилителя промежуточной частоты. Первый вывод второй обмотки первого трансформатора подключен к выводу базы первого транзистора, а первый вывод первой обмотки первого трансформатора соединен с первым выводом третьего резистора и подключен к выводу коллектора первого транзистора, второй вывод третьего резистора соединен с первым выводом первого конденсатора и подключен к выводу базы второго транзистора. Первые выводы первого и второго резисторов и второго конденсатора соединены вместе и подключены к выводу эмиттера второго транзистора. Первый вывод четвертого резистора соединен с выводом коллектора второго транзистора, вторые выводы первого резистора и первого конденсатора соединены вместе и подключены к первому выводу первой обмотки второго трансформатора, второй вывод первой обмотки первого трансформатора соединен со вторым выводом четвертого резистора и подключен к источнику питания. Вторые выводы первой и второй обмоток второго трансформатора и вывод эмиттера первого транзистора подключены к корпусу.
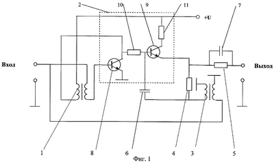
На фиг.1 приведена эквивалентная схема усилителя промежуточной частоты, на фиг.2 приведена принципиальная схема усилителя промежуточной частоты.
Усилитель состоит из следующих элементов в порядке, показанном на фиг.1, трансформаторов 1 и 3, инвертирующего усилителя 2, резисторов 4, 5, 10, 11 и конденсаторов 6 и 7.
Усилитель 2 состоит из следующих элементов в порядке, показанном на фиг.1, транзисторов 8 и 9, резисторов 10, 11.
Усилитель 2 представляет собой двухкаскадный усилитель, выполненный на транзисторах 8 и 9 по схеме общий эмиттер – общий коллектор. Благодаря тому, что коэффициент передачи по напряжению второго каскада усилителя близок к единице, точка включения вторичной обмотки трансформатора 1 изменена по сравнению с прототипом и перенесена в цепь коллектора транзистора 6. Такое включение обмотки трансформатора 1, не изменяя коэффициента передачи усилителя и его входного сопротивления, повышает устойчивость усилителя. Резистор 4 является внутренней нагрузкой цепи обратной связи усилителя.
Трансформатор 1 и трансформатор 3, включенный в цепь обратной связи через резистор 4, создают параллельно-последовательную отрицательную обратную связь, в результате действия которой, коэффициент передачи и входное сопротивление усилителя промежуточной частоты начинают зависеть только от параметров трансформаторов 1 и 3 и значения сопротивления резистора 4, а выходное сопротивление усилителя промежуточной частоты становится равно значению сопротивления резистора 5, расширяется динамический диапазон усилителя, и, кроме того, благодаря малым потерям в цепи отрицательной обратной связи на входе усилителя, коэффициент шума усилителя промежуточной частоты близок к коэффициенту шума транзистора 8.
Резисторы 10 и 11 повышают устойчивость усилителя.
Конденсатор 6 уменьшает неравномерность амплитудно-частотной характеристики усилителя промежуточной частоты в верхней части диапазона рабочих частот, вызванную влиянием индуктивностей рассеяния трансформаторов.
Конденсатор 7 уменьшает коэффициент стоячей волны по напряжению выхода усилителя промежуточной частоты в верхней части диапазона рабочих частот.
На фиг.2 приведена принципиальная схема усилителя промежуточной частоты. Она отличается от эквивалентной схемы фиг.1 наличием дополнительных элементов цепей смещения транзисторов усилителя по постоянному току – резисторов 18, 19, 21, 22, блокировочных конденсаторов 14, 15, 16, 17 и разделительных конденсаторов 12, 13. Резистор внутренней нагрузки цепи обратной связи усилителя состоит из двух резисторов 20 и 21. Постоянное напряжение с эмиттера транзистора 9 через цепь, состоящую из делителя, выполненного на резисторах 20 и 21, резистора 19, обмоток трансформаторов 1 и 3, поступает на базу транзистора 8. В результате чего весь усилитель получается охвачен глубокой отрицательной обратной связью по постоянному току, обеспечивающей высокую стабильность режимов транзисторов.
Формула изобретения
Усилитель промежуточной частоты, содержащий инвертирующий усилитель и два трансформатора, отличающийся тем, что содержит дополнительно первый, второй, третий, четвертый резисторы, первый и второй конденсаторы, первый и второй транзисторы, при этом точка соединения второго вывода второй обмотки первого трансформатора с первым выводом второй обмотки второго трансформатора является входом, а точка соединения вторых выводов второго резистора и второго конденсатора является выходом усилителя промежуточной частоты, первый вывод второй обмотки первого трансформатора подключен к выводу базы первого транзистора, а первый вывод первой обмотки первого трансформатора соединен с первым выводом третьего резистора и подключен к выводу коллектора первого транзистора, второй вывод третьего резистора соединен с первым выводом первого конденсатора и подключен к выводу базы второго транзистора, а первые выводы первого и второго резисторов и второго конденсатора соединены вместе и подключены к выводу эмиттера второго транзистора, первый вывод четвертого резистора соединен с выводом коллектора второго транзистора, вторые выводы первого резистора и первого конденсатора соединены вместе и подключены к первому выводу первой обмотки второго трансформатора, второй вывод первой обмотки первого трансформатора соединен со вторым выводом четвертого резистора и подключен к источнику питания, вторые выводы первой и второй обмоток второго трансформатора и вывод эмиттера первого транзистора подключены к корпусу.
РИСУНКИ
MM4A – Досрочное прекращение действия патента СССР или патента Российской Федерации на изобретение из-за неуплаты в установленный срок пошлины за поддержание патента в силе
Дата прекращения действия патента: 12.01.2008
Извещение опубликовано: 20.04.2009 БИ: 11/2009
NF4A – Восстановление действия патента СССР или патента Российской Федерации на изобретение
Дата, с которой действие патента восстановлено: 20.04.2009
Извещение опубликовано: 20.04.2009 БИ: 11/2009
Прежний патентообладатель:
Федеральное государственное унитарное предприятие “Государственный московский завод “Салют”
(73) Патентообладатель:
Открытое акционерное общество “Научно-производственное предприятие “Салют”
Договор № РП0000883 зарегистрирован 13.07.2010
Извещение опубликовано: 20.08.2010 БИ: 23/2010
|
|