|
|
(21), (22) Заявка: 2006118211/09, 26.05.2006
(24) Дата начала отсчета срока действия патента:
26.05.2006
(46) Опубликовано: 10.01.2008
(56) Список документов, цитированных в отчете о поиске:
RU 2172419 C1, 20.08.2001. RU 2195763 C1, 27.12.2002. SU 1467732 A1, 23.03.1989. SU 1758260 A1, 30.08.1992. GB 1048383 A, 16.11.1966. US 6325142 B1, 04.12.2001. WO 98/46871 A1, 22.10.1998.
Адрес для переписки:
198097, Санкт-Петербург, ул. Трефолева, 2В, Энергомаш, патентно-лицензионного бюро
|
(72) Автор(ы):
Новожилкин Александр Владленович (RU), Пушкарев Александр Дмитриевич (RU)
(73) Патентообладатель(и):
Открытое Акционерное Общество “Энергомашкорпорация” (RU)
|
(54) СПОСОБ УПРАВЛЕНИЯ ОДНОВАЛЬНОЙ ТУРБОГЕНЕРАТОРНОЙ УСТАНОВКОЙ СО СТАТИЧЕСКИМ ПРЕОБРАЗОВАТЕЛЕМ ЧАСТОТЫ (ВАРИАНТЫ)
(57) Реферат:
Изобретение относится к системам управления турбогенераторными одновальными установками, используемыми для производства тепловой и электрической энергии, а именно турбогенераторными одновальными установками с тиристорным преобразователем частоты (ТПЧ). В способе управления одновальной турбогенераторной установкой со статическим преобразователем частоты по каждому управляемому параметру формируют при помощи регулятора параметра управляющие сигналы, сравнивают значения этих сигналов, выбирают сигнал с наименьшим значением, осуществляют этим выходным сигналом регулирование исполнительного органа объекта, формируют дополнительный управляющий сигнал на основе близости к предельно допустимым значениям, по крайней мере, одного параметра, используемого при формировании выходного сигнала управления подачей топлива, и, по крайней мере, одного параметра, не используемого при формировании выходного сигнала управления подачей топлива, упомянутый дополнительный управляющий сигнал подают на регулятор активной мощности и систему управления статическим преобразователем частоты для снижения по заданному закону мощности, выдаваемой статическим преобразователем в электрическую сеть, и вывода параметров из зоны близости к предельно допустимым значениям. Техническим результатом является возможность стабильной продолжительной работы в общей или параллельной электрической сети с выдачей мощности через ТПЧ на режимах, близких к предельным для одновального газотурбинного привода. При работе одновальной турбогенераторной установки в автономном режиме дополнительный управляющий сигнал используют для уменьшения нагрузки путем управления выключателями нагрузки низких приоритетов и вывода параметров из зоны близости к предельно допустимым значениям. 2 н. и 4 з.п. ф-лы, 1 ил.
Изобретение относится к системам управления турбогенераторными одновальными установками, используемыми для производства тепловой и электрической энергии, а именно турбогенераторными одновальными установками со статическим преобразователем частоты. В таких системах турбогенератор выдает напряжение с частотой, превышающей промышленную. Это напряжение выпрямляется и преобразуется к необходимому потребителю виду статическим преобразователем частоты. Такая схема позволяет делать более компактные генераторы, но появляются некоторые особенности в системе управления, так как турбогенератор оказывается оторванным от промышленной сети энергоснабжения: единственной его нагрузкой выступает статический преобразователь, изменяющий момент на его валу. Таким образом, даже при работе на электрическую сеть бесконечной мощности у системы управления турбогенераторной установкой со статическим преобразователем частоты сохраняется задача поддержания частоты вращения генератора, как при работе в автономной электрической сети. Как известно, перегруз обычного турбогенератора в автономной сети приводит к снижению частоты вращения с последующим срабатыванием защит и отключением от сети. Перегруз одновальной турбогенераторной установки приводит к резкому снижению вырабатываемой мощности и выходу на ограничение по температуре за турбиной из-за снижения оборотов турбокомпрессора. Таким образом основными задачами системы управления одновальной турбогенераторной установкой является поддержание частоты вращения и предотвращение перегрузки газотурбинного привода.
Известен способ управления одновальной газотурбинной установкой, применяемой в том числе на электростанции, включающий формирование по каждому управляемому параметру при помощи регулятора параметра управляющих сигналов, сравнение значений этих сигналов, выбор сигнала с наименьшим значением и осуществление этим выходным сигналом управления исполнительным механизмом подачи топлива (Патент РФ №2172419, опубл. 2001.08.20 – прототип для первого и второго вариантов). Номинальное значение частоты вращения вала турбогенератора в способе по прототипу поддерживается регулятором частоты вращения, который сравнивает заданное и фактическое значение частоты вращения и формирует управляющее воздействие на исполнительный механизмом подачи топлива. В формировании этого управляющего воздействия участвуют также ограничители температуры газов за турбиной, давления за компрессором и т.п. Общими с прототипом и для первого, и для второго варианта являются признаки «формирование по каждому управляемому параметру при помощи регулятора параметра управляющих сигналов, сравнение значений этих сигналов, выбор сигнала с наименьшим значением и осуществление этим выходным сигналом управления исполнительным механизмом подачи топлива».
Способ по прототипу не позволяет обеспечить устойчивую работу одновальной газотурбинной установки, включающей компрессор, газовую турбину и электрический генератор, с выдачей мощности в электрическую сеть через статический (тиристорный) преобразователь частоты (далее ТПЧ) на режимах, близких к предельным для газотурбинного привода. Если заданное значение мощности с учетом мощности, затраченной на вращение компрессора, превысит максимальную при данных параметрах воздуха на входе в привод и состоянии привода мощность турбины, начнется снижение частоты вращения вала газотурбинного привода. Номинальное значение частоты вращения турбогенератора поддерживается регулятором частоты вращения, который сравнивает заданное и фактическое значение частоты вращения и формирует управляющее воздействие на дозатор топлива в привод. В формировании этого управляющего воздействия участвуют также ограничители температуры газов за турбиной, давления за компрессором и т.п.
При снижении частоты регулятор частоты вращения вала вырабатывает положительный сигнал, пытаясь увеличить подачу топлива, что приведет к необратимому вступлению в работу ограничителей – их выход будет направлен на уменьшение подачи топлива, что приведет к дальнейшему уменьшению частоты вращения, расхода воздуха через компрессор и, соответственно, мощности на валу турбины. В конечном итоге это приводит к останову установки.
Техническим результатом заявляемого изобретения по первому варианту является возможность стабильной продолжительной работы в общей или параллельной электрической сети с выдачей мощности через ТПЧ на режимах, близких к предельным для одновального газотурбинного привода.
Техническим результатом заявляемого изобретения по второму варианту является возможность стабильной продолжительной работы на автономную электрическую сеть с выдачей мощности через ТПЧ на режимах, близких к предельным для одновального газотурбинного привода для обеспечения основных категорий потребителей.
Технический результат в первом варианте заявляемого решения достигается тем, что в способе управления одновальной турбогенераторной установкой со статическим преобразователем частоты, в котором по каждому управляемому параметру формируют при помощи регулятора параметра управляющие сигналы, сравнивают значения этих сигналов, выбирают сигнал с наименьшим значением, осуществляют этим выходным сигналом регулирование исполнительного органа объекта, согласно изобретению формируют дополнительный управляющий сигнал на основе близости к предельно допустимым значениям, по крайней мере, одного параметра, используемого при формировании выходного сигнала управления подачей топлива, и, по крайней мере, одного параметра, не используемого при формировании выходного сигнала управления подачей топлива, названный дополнительный управляющий сигнал подают на регулятор активной мощности и систему управления статическим преобразователем частоты для снижения по заданному закону мощности, выдаваемой статическим преобразователем в электрическую сеть, и вывода параметров из зоны близости к предельно допустимым значениям.
В качестве параметров, управляющих подачей топлива, выбирают, например, частоту вращения, температуру газов за турбиной и давление за компрессором, а для формирования дополнительного управляющего сигнала выбирают температуру газов за турбиной, давление за компрессором, положение исполнительного механизма подачи топлива в камеру сгорания газотурбинного привода, активную электрическую мощность.
Во втором варианте заявляемого решения – при работе одновальной турбогенераторной установки в автономном режиме технический результат достигается тем, что в способе управления турбогенераторной установкой со статическим преобразователем частоты, заключающемся в том, что по каждому управляемому параметру формируют при помощи регулятора параметра управляющие сигналы, сравнивают значения этих сигналов, выбирают сигнал с наименьшим значением, осуществляют этим выходным сигналом управление подачей топлива, согласно изобретению формируют дополнительный управляющий сигнал на основе близости к предельно допустимым значениям, по крайней мере, одного параметра, используемого при формировании выходного сигнала управления подачей топлива, и, по крайней мере, одного параметра, не используемого при формировании выходного сигнала управления подачей топлива, названный дополнительный управляющий сигнал используют для уменьшения нагрузки путем управления выключателями нагрузки низких приоритетов и вывода параметров из зоны близости к предельно допустимым значениям.
В качестве параметров, управляющих подачей топлива, выбирают частоту вращения, температуру газов за турбиной и давление за компрессором, а для формирования дополнительного управляющего сигнала выбирают температуру газов за турбиной, давление за компрессором, положение исполнительного механизма подачи топлива в камеру сгорания газотурбинного привода, активную электрическую мощность.
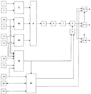
Заявляемые варианты могут быть реализованы в устройстве управления одновальной турбогенераторной установкой со статическим преобразователем частоты, схема которого представлена на чертеже, где показаны:
1. Датчик частоты вращения
2. Задатчик частоты вращения
3. Регулятор частоты вращения вала
4. Селектор минимума
5. Интегратор
6. Газотурбинный привод
7. Генератор
8. Тиристорный преобразователь частоты (ТПЧ)
9. Система управления ТПЧ
10. Датчик температуры газов
11. Задатчик температуры газов
12. Ограничитель температуры газов
13. Датчик давления за компрессором
14. Задатчик давления за компрессором
15. Ограничитель давления за компрессором
16. Датчик положения дозатора
17. Блок расчета максимальной электрической мощности
18. Блок формирования сигнала «Предельный режим»
19. Измеритель активной электрической мощности
20. Задатчик активной электрической мощности
21. Регулятор активной мощности энергоустановки
22. Задатчик типа сети
23. Система выключателей нагрузки с приоритетами от 1 (высший) до n.
Устройство содержит датчик частоты вращения 1, подключенный к первому входу регулятора частоты вращения вала турбогенератора 3, второй вход которого подключен к задатчику частоты вращения 2, датчик температуры газов 10, подключенный к первому входу ограничителя температуры газов 12, второй вход которого подключен к задатчику температуры газов 11, датчик давления за компрессором 13, подключенный к первому входу ограничителя давления за компрессором 15, второй вход которого подключен к задатчику давления за компрессором 14, селектор минимального сигнала 4, первый вход которого соединен с выходом регулятора частоты вращения 3, второй ход – с выходом ограничителя температуры газов 12, третий вход – с выходом ограничителя давления за компрессором 15, а выход соединен со входом интегратора 5, выход которого подается на газатурбинный привод 6, вращающий генератор 7, передающий выработанную электроэнергию на силовой вход ТПЧ 8, управляющий вход которого соединен с выходом системы управления ТПЧ 9, а выход – с системой выключателей нагрузки 23-1, 23-2, … 23-n, блок формирования сигнала «Предельный режим» 18, первые два входа которого соединены с датчиком температуры газов 10 и задатчиком температуры газов 11, третий и четвертый входы соединены с датчиком давления за компрессором 13 и задатчиком давления за компрессором 14 соответственно, пятый вход соединен с датчиком положения дозирующего органа 16, шестой вход соединен с блоком 17 расчета максимальной электрической мощности, седьмой вход – с измерителем активной электрической мощности 19, а выход соединен с первым входом системы управления ТПЧ 9 и первым входом регулятора активной мощности 21, на второй вход которого подается сигнал с измерителя активной электрической мощности 19, третий вход соединен с задатчиком активной электрической мощности 20, а четвертый вход соединен с задатчиком типа сети 22, первый выход регулятора активной мощности 21 соединен со вторым управляющим входом системы управления ТПЧ 9, а второй – с первыми управляющими входами выключателей нагрузки 23, вторые управляющие входы которых соединены с выключателями нагрузки более низкого приоритета.
Устройство работает следующим образом. Регулятор частоты вращения 3 и ограничители температуры газа 12 и давления за компрессором 15 на основании измеряемой информации и уставок, определяемых задатчиками, формируют сигналы, пропорциональные необходимым приращениям топлива, из которых селектор минимума 4 выбирает минимальный и отправляет его на интегратор 5, рассчитывающий сигнал, пропорциональный текущему расходу топлива. Настройками регулятора и ограничителей добиваются того, чтобы выходы ограничителей не мешали регулированию частоты вращения на большей части диапазона возможной мощности газотурбинного привода. Рассчитанный интегратором 5 сигнал поступает на газотурбинный привод 6, где реализуется в виде конкретного положения дозирующего органа. Генератор 7, раскрученный газотурбинным приводом 6, отдает выработанную энергию на силовой вход ТПЧ 8, где она преобразуется к другой частоте для выдачи в сеть потребителю через систему выключателей нагрузки 23. Количество энергии, отбираемой от генератора, а следовательно, и момент на валу генератора определяется системой управления ТПЧ 9, которая, при отсутствии сигнала «Предельный режим» (дополнительный управляющий сигнал на основе близости к предельно допустимым значениям) с выхода блока его формирования 18, выполняет все требования задатчика активной мощности 20. При появлении сигнала «Предельный режим» на первом управляющем входе системы управления ТПЧ 9 последняя блокирует команды задатчика 20 на увеличение активной мощности. Блок формирования сигнала «Предельный режим» 18 постоянно отслеживает положение параметров ограничения 10 и 13 относительно их предельных значений 11 и 14 соответственно, и, при входе значения параметров в некоторую зону близости к этим ограничениям, формирует сигнал «Предельный режим». Аналогично анализируется положение дозатора 16 относительно полного его раскрыва (100%) и значение активной мощности 19 относительно рассчитанного значения максимальной электрической мощности, поступающего из блока 17. Вход любого контролируемого сигнала в зону близости или превышение величины, заданной задатчиком, является условием формирования сигнала «Предельный режим». Снятие сигнала «Предельный режим» производится, когда все контролируемые блоком 18 параметры становятся меньше значения
(U-dU-g),
где U – предельное значение параметра, заданное задатчиком;
dU – величина зоны близости к предельному значению параметра, при работе в которой происходит резкое увеличение вероятности перехвата управления ограничителем (для параметров, участвующих в регулировании, эта зона может быть определена по примерному равенству выходов регулятора частоты 3 и ограничителей 12 и 15), для положения дозатора 16 эта зона может быть определена исходя из допустимых колебаний давления газового (топлива должно хватить при минимальном допустимом давлении – максимальном раскрытии дозирующего органа), dU можно положить равным нулю для анализа величины вырабатываемой мощности (вырабатывать сигнал «Предельный режим» по факту превышения расчетного значения блока 17);
g – гистерезис по контролируемому параметру, учитывающий дребезг системы измерения и позволяющий исключить соответствующий дребезг при формировании сигнала «Предельный режим». Регулятор активной мощности 21 при отсутствии сигнала «Автономная сеть» от задатчика типа сети 22 имеет цель передать системе управления ТПЧ 9 от задатчика активной мощности 20 (оператор, система управления более высокого уровня) информацию о необходимости изменения выдаваемой в сеть электрической мощности. Информация об этих изменениях передается по первому выходу регулятора 21 в виде плавной развертки во времени новой уставки задатчика относительно предыдущего значения или дискретными командами «больше»/«меньше», определяющими достаточно малые изменения выдаваемой в сеть мощности. При поступлении на первый вход регулятора активной мощности 21 сигнала «Предельный режим» от блока 18 регулятор 21 начинает выдавать команды на плавное снижение выдаваемой мощности на второй управляющий вход системы управления ТПЧ 9. При снятии сигнала «Предельный режим» с регулятора 21 снимаются команды на снижение выдаваемой мощности со второго управляющего входа системы управления ТПЧ 9 и текущее значение активной мощности переписывается регулятором 21 на задатчик 20, чем достигается отсутствие периодического качания вырабатываемой мощности в пределах гистерезиса параметра, участвующего в формировании блоком 18 сигнала «Предельный режим».
Регулятор активной мощности 21 при наличии сигнала «Автономная сеть» от задатчика типа сети 22, используя первый свой выход, имеет возможность корректировать частоту автономной сети, транслируя на второй управляющий вход системы управления ТПЧ 9 сигналы задатчика 20 больше/меньше (от оператора, системы управления более высокого уровня). При поступлении на первый вход регулятора активной мощности 21 сигнала «Предельный режим» от блока 18 и сигнала «Автономная сеть» от задатчика типа сети 22 регулятор 21 активизирует второй выход, выдавая на него последовательность коротких управляющих импульсов, поступающих на систему выключателей нагрузки 23. При этом выключатель 23-n низшего приоритета нагрузки отключается по первому импульсу, выключатель 23-(n-1) – по второму (дополнительное разрешение поступает после отключения выключателя 23-n) и так далее, до снижения нагрузки до уровня, при котором сигнал «Предельный режим» перестает формироваться (снимается).
Таким образом, по описанному выше способу управления одновальной турбогенераторной установкой, работающей с ТПЧ, в общей или параллельной сети можно выводить установку на режимы, близкие к ограничениям, и обеспечивать на этих режимах длительную и устойчивую работу благодаря плавному изменению величины мощности, выдаваемой в электрическую сеть, а при выходе на эти ограничения в автономной сети – оперативно отключать второстепенных потребителей для бесперебойного обеспечения электроэнергией основных.
Формула изобретения
1. Способ управления одновальной турбогенераторной установкой со статическим преобразователем частоты, заключающийся в том, что по каждому управляемому параметру формируют при помощи регулятора параметра управляющие сигналы, сравнивают значения этих сигналов, выбирают сигнал с наименьшим значением, осуществляют этим выходным сигналом управление подачей топлива, отличающийся тем, что формируют дополнительный управляющий сигнал на основе близости к предельно допустимым значениям, по крайней мере, одного параметра, используемого при формировании выходного сигнала управления подачей топлива, и, по крайней мере, одного параметра, не используемого при формировании выходного сигнала управления подачей топлива, названный дополнительный управляющий сигнал подают на регулятор активной мощности и систему управления статическим преобразователем частоты для снижения по заданному закону мощности, выдаваемой статическим преобразователем в электрическую сеть, и вывода параметров из зоны близости к предельно допустимым значениям.
2. Способ по п.1, отличающийся тем, что в качестве параметров, управляющих подачей топлива, выбирают частоту вращения, температуру газов за турбиной и давление за компрессором, а для формирования дополнительного управляющего сигнала выбирают температуру газов за турбиной, давление за компрессором, положение исполнительного механизма подачи топлива в камеру сгорания газотурбинного привода, активную электрическую мощность.
3. Способ по п.2, отличающийся тем, что по каждой зоне близости параметров к их предельным значениям вводят зоны гистерезиса, обуславливающие прекращение формирования дополнительного управляющего сигнала при меньших на величину гистерезиса значениях параметров, чем в начале его формирования.
4. Способ по п.3, отличающийся тем, что вводят ограничение на величину мгновенного увеличения мощности, выдаваемой статическим преобразователем в электрическую сеть.
5. Способ управления автономной одновальной турбогенераторной установкой со статическим преобразователем частоты, заключающийся в том, что по каждому управляемому параметру формируют при помощи регулятора параметра управляющие сигналы, сравнивают значения этих сигналов, выбирают сигнал с наименьшим значением, осуществляют этим выходным сигналом управление подачей топлива, отличающийся тем, что формируют дополнительный управляющий сигнал на основе близости к предельно допустимым значениям, по крайней мере, одного параметра, используемого при формировании выходного сигнала управления подачей топлива, и, по крайней мере, одного параметра, не используемого при формировании выходного сигнала управления подачей топлива, названный дополнительный управляющий сигнал используют для снижения нагрузки путем управления выключателями нагрузки низких приоритетов и вывода параметров из зоны близости к предельно допустимым значениям.
6. Способ по п.5, отличающийся тем, что в качестве параметров, управляющих подачей топлива, выбирают частоту вращения, температуру газов за турбиной и давление за компрессором, а для формирования дополнительного управляющего сигнала выбирают температуру газов за турбиной, давление за компрессором, положение исполнительного механизма подачи топлива в камеру сгорания газотурбинного привода, активную электрическую мощность.
РИСУНКИ
|
|