|
|
(21), (22) Заявка: 2006133821/09, 22.09.2006
(24) Дата начала отсчета срока действия патента:
22.09.2006
(46) Опубликовано: 10.01.2008
(56) Список документов, цитированных в отчете о поиске:
ЗЛОЧЕВСКИЙ B.C., Системы электроснабжения пассажирских самолетов, Москва, Машиностроение, 1971, с.58, 75. RU 2257657 C1, 27.07.2005. RU 2273945 С1, 10.04.2006. SU 1757022 A1, 23.08.1992. ЕР 0220492, 06.05.1987.
Адрес для переписки:
105318, Москва, ул. Ибрагимова, 29, ОАО “АКБ “ЯКОРЬ”, Зам. Ген. директора М.Ф. Ходунову
|
(72) Автор(ы):
Левин Александр Владимирович (RU), Лаптев Николай Николаевич (RU), Лившиц Эмиль Яковлевич (RU), Пузанов Виктор Геннадьевич (RU), Харитонов Сергей Александрович (RU), Юхнин Марк Миронович (RU)
(73) Патентообладатель(и):
ОТКРЫТОЕ АКЦИОНЕРНОЕ ОБЩЕСТВО “АГРЕГАТНОЕ КОНСТРУКТОРСКОЕ БЮРО “ЯКОРЬ” (RU), Левин Александр Владимирович (RU), Лаптев Николай Николаевич (RU), Лившиц Эмиль Яковлевич (RU), Пузанов Виктор Геннадьевич (RU), Харитонов Сергей Александрович (RU), Юхнин Марк Миронович (RU)
|
(54) СИСТЕМА ЭЛЕКТРОПИТАНИЯ
(57) Реферат:
Изобретение относится к электротехнике и может быть использовано при проектировании систем электроснабжения функциональных узлов летательных аппаратов. Технический результат заключается в повышении надежности бесперебойного энергоснабжения потребителей высоковольтным напряжением переменного тока. Для этого устройство выполнено в виде двух идентичных каналов электроснабжения потребителей высоковольтным напряжением переменного тока. Каждый из каналов включает в себя установленный на валу авиадвигателя 1 (2) генератор переменного тока 3 (4), выходом соединенный с входом основного управляемого выпрямителя 5 (6) и входом дополнительного управляемого выпрямителя 14 (13) противоположного канала, выход которого подсоединен к входу соответствующего регулируемого инвертора 7 (8). При отказе авиадвигателя одного из каналов электропитание потребителей электроэнергии происходит от генератора переменного тока противоположного канала. При работе авиадвигателя в режиме авторотации на выходных выводах основного выпрямителя этого канала формируется аварийное низковольтное напряжение постоянного тока ±27 В. 1 ил.
Изобретение относится к области электротехники, в частности средствам обеспечения бесперебойного питания электрооборудования, используемого в функциональных системах летательных аппаратов.
Известны системы электропитания, выполненные в виде двух каналов преобразования, каждый из которых содержит установленный на валу авиадвигателя электрогенератор, выходом соединенный с преобразователем частоты [1]. Обеспечение бесперебойного электропитания потребителей напряжением переменного тока при аварийных режимах работы авиадвигателей осуществляется при помощи их переключения с выхода одного (неработающего) канала на другой. Однако при перекоммутации каналов нарушается непрерывность электропитания нагрузки, которая усугубляется переходными процессами установления фаз напряжения переменного тока. Для обеспечения заданных энергетических параметров нагрузки мощность инвертора каждого из каналов должна быть удвоена, что значительно ухудшает массогабаритные показатели всей системы. Кроме того, в случае отказа одного из авиадвигателей для энергоснабжения потребителей постоянным напряжением ±27 В используются вспомогательные источники аварийного электропитания, что также ведет к усложнению устройства и ухудшению его массогабаритных показателей.
Наиболее близкой к данному изобретению является система электропитания [2], содержащая два канала электроснабжения, каждый из которых выполнен в виде установленного на валу авиадвигателя генератора переменного тока, выходом соединенного с входом основного управляемого выпрямителя. Выходные выводы основного выпрямителя соединены с входом регулируемого инвертора, выходы которого предназначены для подключения потребителей напряжения переменного тока. Данному устройству присущи все вышеописанные недостатки, а именно: недостаточная надежность обеспечения бесперебойного энергоснабжения потребителя и плохие массогабаритные показатели.
Техническим результатом, которого можно достичь при использовании данного изобретения, является повышение надежности бесперебойного энергоснабжения потребителей высоковольтным напряжением переменного тока, а также улучшение массогабаритных показателей за счет снижения мощности инверторов в каждом из каналов энергоснабжения и упрощения процесса формирования постоянного напряжения ±27 В.
Технический результат достигается за счет того, что в системе электропитания, содержащей два идентичных канала электроснабжения, каждый из которых включает в себя установленный на валу авиадвигателя генератор переменного тока, выходом соединенный с входом основного управляемого выпрямителя, выходные выводы которого связаны с входом регулируемого инвертора, выходы которого предназначены для подключения потребителей высоковольтного напряжения переменного тока [2], в каждом из каналов вход регулируемого инвертора подключен к выходу дополнительного управляемого выпрямителя, вход которого соединен с выходом генератора переменного тока противоположного канала, а указанная связь выходных выводов основного управляемого выпрямителя с входом регулируемого инвертора осуществлена через нормально замкнутые первые контакты, при этом выходные выводы основного управляемого выпрямителя соединены также через нормально разомкнутые вторые контакты с дополнительными выходными выводами, предназначенными для подключения потребителей низковольтного напряжения постоянного тока, а блок управления первыми и вторыми контактами выполнен обеспечивающим при поступлении сигнала аварии размыкание первых контактов и последующее за ним замыкание вторых контактов.
Известна система электропитания функциональных узлов летательных аппаратов, содержащая генератор переменного тока, связанный с валом авиадвигателя, и статический преобразователь частоты, предназначенный для питания потребителей высоким напряжением переменного тока в штатном режиме и низким напряжением постоянного тока – в режиме авторотации (Заявка №2004101719, Н02J 9/06, 2004). Процесс формирования постоянного напряжения основан на использовании имеющихся в схеме функциональных узлов и не требует усложнения схемы. Однако в известном устройстве постоянное напряжение формируют на дополнительных выводах имеющегося в схеме преобразователя частоты, а в данном изобретении – одного из выпрямителей, поэтому известное решение не может служить препятствием при анализе на соответствие критерию «изобретательский уровень».
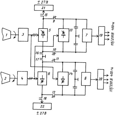
На чертеже представлена функциональная схема системы электропитания.
Устройство выполнено в виде двух идентичных каналов электроснабжения, каждый из которых состоит из установленного на валу авиадвигателя 1, (2), генератора переменного тока 3, (4), выходом соединенного с входом основного управляемого выпрямителя 5, (6). Выходные выводы основного выпрямителя 5, (6) соединены с входом регулируемого инвертора 7, (8) через нормально замкнутые первые контакты 9 и 10, (11 и 12). Входы регулируемых инверторов 7, 8 подключены также к выходам дополнительных управляемых выпрямителей 13, 14, входы которых соединены с выходами генераторов переменного тока 4, 3 противоположных каналов. Выходные выводы основных выпрямителей 3, 4 соединены также через нормально разомкнутые вторые контакты 15, 16 и 17, 18 с дополнительными выходными выводами, предназначенными для подключения потребителей низковольтного напряжения постоянного тока. Выходные выводы управляемых инверторов и основных выпрямителей могут присоединяться к потребителям напряжения переменного и постоянного тока через распределительные устройства 19, 20 и 21, 22.
Устройство работает следующим образом.
Нерегулируемые магнитоэлектрические генераторы 3 и 4, связанные с валами авиадвигателей 1 и 2, формируют на выходе переменные напряжения нестабильной частоты, пропорциональные оборотам двигателей. Эти напряжения выпрямляются основными управляемыми выпрямителями 5, 6 и поступают на входы регулируемых транзисторных инверторов 7, 8, которые формируют трехфазное напряжение (115/220 В, 400 Гц), передающееся на центральные распределительные устройства переменного тока 20, 21 бортов летательного аппарата.
Для обеспечения гарантированного бесперебойного питания потребителей электроэнергии к входам инверторов 11, 12 подсоединены дополнительные управляемые выпрямители 14, 15, соединенные с генераторами 3, 4 противоположных каналов. В штатном режиме в каждом из каналов основный 5 (6) и дополнительный 14 (15) выпрямители работают одновременно, но отдает мощность тот из них, чье напряжение в данный момент времени больше.
При аварии в одном из авиадвигателей, например первом, напряжение на выходе генератора 3 снижается до весьма малой величины (определяемой оборотами авторотатации двигателя 1) и соответственно уменьшается напряжение на выходе выпрямителей 5 и 14, связанных с этим генератором. Однако на выходе выпрямителей 6 и 13 противоположного канала напряжение остается в норме, и работа обоих инверторов 7 и 8 не нарушается, т.е. сбои в электроснабжении потребителей напряжения переменного тока отсутствуют. Аналогично протекают процессы при выходе из строя двигателя 2 другого канала, когда запираются выпрямители 6 и 13, а инверторы питаются от выпрямителей 5 и 14.
При работе авиадвигателя в режиме авторотации его рабочие обороты составляют около 10% от номинальных, при этом напряжение на выходе связанного с ним генератора также снижается до 10% от номинального. При переходе в данный режим, например, двигателя 1 первого канала, напряжение на выходе генератора 3 и, следовательно, выпрямителя 5 тоже снижается. Выпрямитель 5 запирается высоким напряжением выпрямителя 13, который продолжает питаться от генератора 4, работающего в нормальном режиме. На шинах распределительных устройств 19 и 20 обоих каналов формируется напряжение переменного тока, т.к. оба инвертора 7 и 8 питаются от одного генератора 4.
В режиме авторотации возможно обеспечение потребителей постоянным напряжением (±27 В). Для этого (при аварии, например, двигателя 1) блок управления (по сигналу аварии) размыкает первые контакты 9 и 10, а затем замыкает контакты 15 и 16. В результате чего основной выпрямитель 5 подключается к сети потребителей напряжения постоянного тока 21. Регулирование напряжения постоянного тока осуществляется тем же выпрямителем 5, при этом дополнительный управляемый выпрямитель 13 продолжает работать в прежнем режиме, питая инвертор 7.
Таким образом, как при отказе, так и при работе в режиме авторотации одного из авиадвигателей, устройство позволяет обеспечить бесперебойное электропитание всех потребителей переменным напряжением. Особенно важно то, что для формирования аварийного питания не требуется введения в схему дополнительных источников постоянного напряжения, т.к. для этой цели используется энергия генератора, работающего от двигателя в режиме авторотации.
Гарантированная возможность бесперебойного электропитания потребителей как в штатном режиме, так и в режиме аварии авиадвигателя при хороших массогабаритных показателях делают данное устройство наиболее предпочтительным при проектировании систем электроснабжения для летательных аппаратов.
Источники информации
1. В.С.Злочевский «Системы электроснабжения пассажирских самолетов», М.: Машиностроение, 1971 г., с.58.
2. Там же, с.75.
Формула изобретения
Система электропитания, содержащая два идентичных канала электроснабжения, каждый из которых включает в себя установленный на валу авиадвигателя генератор переменного тока, выходом соединенный с входом основного управляемого выпрямителя, выходные выводы которого связаны с входом регулируемого инвертора, выходы которого предназначены для подключения потребителей высоковольтного напряжения переменного тока, отличающаяся тем, что в каждом из каналов вход регулируемого инвертора подключен к выходу дополнительного управляемого выпрямителя, вход которого соединен с выходом генератора переменного тока противоположного канала электроснабжения, а указанная связь выходных выводов основного управляемого выпрямителя с входом регулируемого инвертора осуществлена через нормально замкнутые первые контакты, при этом выходные выводы основного управляемого выпрямителя соединены также через нормально разомкнутые вторые контакты с дополнительными выходными выводами, предназначенными для подключения потребителей низковольтного напряжения постоянного тока, а блок управления первыми и вторыми контактами выполнен обеспечивающим при поступлении сигнала аварии размыкание первых контактов и последующее за ним замыкание вторых контактов.
РИСУНКИ
|
|