|
|
(21), (22) Заявка: 2006128731/09, 07.08.2006
(24) Дата начала отсчета срока действия патента:
07.08.2006
(46) Опубликовано: 10.01.2008
(56) Список документов, цитированных в отчете о поиске:
RU 44894 U1, 27.03.2005. SU 877709 A, 21.12.1981. US 393276 A, 13.01.1976.
Адрес для переписки:
346410, Ростовская обл., г. Новочеркасск, п/о 10, а/я 23, ЗАО “ИРИС”, Генеральному директору А.П. Темиреву
|
(72) Автор(ы):
Федоров Андрей Евгеньевич (RU), Кротенко Алексей Васильевич (RU), Пжилуский Антон Анатольевич (RU), Васильев Владимир Алексеевич (RU), Птах Геннадий Константинович (RU), Лозицкий Олег Евгеньевич (RU), Луговец Владимир Адольфович (RU), Цветков Алексей Александрович (RU), Ляпидов Константин Станиславович (RU)
(73) Патентообладатель(и):
Закрытое акционерное общество “ИРИС” (RU), Федеральное государственное унитарное предприятие “Производственно-конструкторское предприятие “ИРИС” (RU)
|
(54) ДВУХКАСКАДНЫЙ ПРЕОБРАЗОВАТЕЛЬ НАПРЯЖЕНИЯ С ИНТЕЛЛЕКТУАЛЬНОЙ ЗАЩИТОЙ ОТ РЕЖИМОВ ПЕРЕГРУЗКИ И ТОКОВ КОРОТКИХ ЗАМЫКАНИЙ
(57) Реферат:
Изобретение относится к области электротехники, в частности к преобразователям напряжения, состоящим из последовательно соединенных модуля двухканального преобразования напряжения постоянного тока (Direct Current) в напряжение постоянного тока, получающего питание от основной и резервной сети напряжения постоянного тока, с гальванической развязкой входных и выходных цепей преобразователя (модуль DC/DC – первый каскад двухкаскадного преобразователя) и модуля одноканального преобразования напряжения постоянного тока в напряжение переменного синусоидального тока Alternating Current (модуль DC/AC – второй каскад двухкаскадного преобразователя) с аппаратно-программной защитой от режимов перегрузки и токов коротких замыканий. Изобретение может быть использовано для бесперебойного электропитания высокостабильным напряжением переменного синусоидального тока ответственных потребителей различных объектов (подвижных и стационарных) промышленного и военного назначения с динамически изменяющейся нагрузкой. В предлагаемом преобразователе напряжения за счет двух каскадов преобразования напряжения обеспечивается технический результат – полная независимость качественных показателей выходного напряжения на нагрузке от параметров питающих сетей, реализован контроль температуры силового оборудования преобразователя и защита силового оборудования от перегрева, обеспечивается повышение надежности работы схемы аппаратной защиты от токов коротких замыканий, достигнута селективность и интеллектуальность комплекса защит (защита от режимов длительной перегрузки, защита от перегрева, защита от токов коротких замыканий), имеется возможность местного и дистанционного контроля за работой преобразователя, обеспечена надежная защита силовых цепей преобразователя от воздействия импульсных высоковольтных перенапряжений и, как следствие, достигается повышение эффективности работы преобразователя в целом для обеспечения максимально возможной безотказности электропитания ответственной нагрузки. Предлагаемые технические решения практически реализованы в модуле преобразования напряжения типа М300-230В, входящем в состав агрегата бесперебойного питания АБП-Л и серийно выпускаемого ФГУП «ПКП «ИРИС». 3 з.п. ф-лы, 2 ил.
Изобретение относится к области электротехники, в частности к преобразователям напряжения, состоящим из последовательно соединенных модуля двухканального преобразования напряжения постоянного тока (Direct Current) в напряжение постоянного тока, получающего питание от основной и резервной сети напряжения постоянного тока, с гальванической развязкой входных и выходных цепей преобразователя (модуль DC/DC – первый каскад двухкаскадного преобразователя) и модуля одноканального преобразования напряжения постоянного тока в напряжение переменного синусоидального тока Alternating Current (модуль DC/AC – второй каскад двухкаскадного преобразователя) с аппаратно-программной защитой от режимов перегрузки и токов коротких замыканий. Изобретение может быть использовано для бесперебойного электропитания высокостабильным напряжением переменного синусоидального тока ответственных потребителей различных объектов (подвижных и стационарных) промышленного и военного назначения с динамически изменяющейся нагрузкой.
Известен преобразователь (агрегат бесперебойного питания) напряжения постоянного тока питающей сети в напряжение постоянного тока, необходимое для бесперебойного электропитания ответственных потребителей, состоящий из основного канала преобразования напряжения, содержащего инвертор, трансформатор и выпрямитель, подключаемый к нагрузке, и резервного канала, содержащего аккумуляторную батарею или аналогичный канал преобразования напряжения, включаемые в работу при выходе из строя основного канала посредством переключателей («Электропитание». Научно-технический сборник. М.: «Ассоциация разработчиков, изготовителей и потребителей средств электропитания», Выпуск 4, 2002. – стр.29-35).
Недостатком данного агрегата бесперебойного питания является то, что время, необходимое на переключение с основного на резервное питание, значительно больше, чем допустимый перерыв в электропитании для ответственных потребителей.
Известен преобразователь напряжения постоянного тока в напряжение переменного синусоидального тока с применением микроконтроллеров семейства PIC (А.П.Темирев, А.Е.Федоров, А.В.Кротенко. «Электропитание». Научно-технический сборник. М.: «Ассоциация разработчиков, изготовителей и потребителей средств электропитания». Выпуск 5, 2005. – стр.96-102).
Недостатками данного преобразователя напряжения являются невозможность работать от двух питающих сетей, ограниченные возможности защит от токов перегрузки и коротких замыканий, а также невозможность поддерживать высокостабильное выходное напряжение переменного тока при резких колебаниях в питающей сети постоянного тока (зависимость выходного напряжения на нагрузке от параметров питающей сети).
Наиболее близким по технической сущности заявляемому решению является преобразователь напряжения постоянного тока с фильтрами импульсно-коммутационных перенапряжений и встроенным микроконтроллером (положительное решение РОСПАТЕНТА от 14.04.2006 по заявке №2005125255/09 от 09.08.2005). Преобразователь напряжения состоит из первого инвертора, питающегося от основной сети через фильтр импульсно-коммутационных перенапряжений основной сети и подключенного через последовательно соединенные первый датчик тока, первый трансформатор и первый выпрямитель к нагрузке, второго инвертора, питающегося от резервной сети через фильтр импульсно-коммутационных перенапряжений резервной сети и соединенного со вторым датчиком тока; первого компаратора, второго компаратора, первого блока драйверов силовых ключей, второго блока драйверов силовых ключей, первой схемы блокировки, второй схемы блокировки, первого аналого-цифрового преобразователя, первого микроконтроллера, первых часов реального времени, первой памяти энергонезависимой, блока питания от основной сети, блока питания от резервной сети, первый выход первого микроконтроллера подключен через второй блок драйверов силовых ключей ко второму входу второго инвертора, второй выход первого микроконтроллера подключен через первый блок драйверов силовых ключей ко второму входу первого инвертора, первый вход первого микроконтроллера подключен к выходу второго блока драйверов силовых ключей, второй вход – к выходу первого блока драйверов силовых ключей, третий вход – к выходу первого аналого-цифрового преобразователя, четвертый вход – к выходу первой памяти энергонезависимой, пятый выход – к выходу первых часов реального времени, выход первого компаратора подключен ко входу первой схемы блокировки, выход второго компаратора подключен ко входу второй схемы блокировки.
Недостатком преобразователя по прототипу является следующее.
В преобразователе не осуществляется контроль температуры и не предусмотрена защита силового оборудования от перегрева. Срабатывание защиты от токов перегрузки и токов коротких замыканий приводит к однозначному отключению преобразователя, что является совершенно недопустимым для ряда ответственных потребителей. Кроме этого, в режиме короткого замыкания преобразователя схемы блокировки сигналов управления инвертором обеспечивают блокирование (принудительное подключение к корпусу с нулевым потенциалом) относительно мощных выходных сигналов блоков драйверов силовых ключей, что является весьма нежелательным и может послужить причиной выхода их из строя. Отсутствует возможность местного и дистанционного контроля за работой преобразователя. Для работы фильтра импульсно-коммутационных перенапряжений основной и резервной сети требуется использование датчика напряжения с гальванической развязкой.
Задачей изобретения является обеспечение полной независимости качественных показателей выходного напряжения на нагрузке от параметров питающих сетей, осуществление контроля температуры силового оборудования преобразователя и защиты силового оборудования от перегрева, повышение надежности работы схемы аппаратной защиты от токов коротких замыканий, придание комплексу защит (защита от режимов длительной перегрузки, защита от перегрева, защита от токов коротких замыканий), реализованных в преобразователе, свойств селективности и интеллектуальности, обеспечение возможности местного и дистанционного контроля за работой преобразователя, совершенствование схемы фильтра импульсно-коммутационных перенапряжений основной и резервной сети, повышение эффективности работы преобразователя в целом для достижения максимально возможной безотказности электропитания ответственной нагрузки.
Поставленная задача решается тем, что в двухкаскадный преобразователь напряжения с интеллектуальной защитой от режимов перегрузки и токов коротких замыканий, состоящий из первого инвертора, питающегося от основной сети через фильтр импульсно-коммутационных перенапряжений основной сети и подключенного через последовательно соединенные первый датчик тока, первый трансформатор и первый выпрямитель к нагрузке; второго инвертора, питающегося от резервной сети через фильтр импульсно-коммутационных перенапряжений резервной сети и соединенного со вторым датчиком тока; первого компаратора, второго компаратора, первого блока драйверов силовых ключей, второго блока драйверов силовых ключей, первой схемы блокировки, второй схемы блокировки, первого аналого-цифрового преобразователя, первого микроконтроллера, первых часов реального времени, первой памяти энергонезависимой, блока питания от основной сети, блока питания от резервной сети, у которого первый выход первого микроконтроллера подключен через второй блок драйверов силовых ключей ко второму входу второго инвертора, второй выход первого микроконтроллера подключен через первый блок драйверов силовых ключей ко второму входу первого инвертора, первый вход первого микроконтроллера подключен к выходу второго блока драйверов силовых ключей, второй вход – к выходу первого блока драйверов силовых ключей, третий вход – к выходу первого аналого-цифрового преобразователя, четвертый вход – к выходу первой памяти энергонезависимой, пятый выход – к выходу первых часов реального времени, выход первого компаратора подключен ко входу первой схемы блокировки, выход второго компаратора подключен ко входу второй схемы блокировки, блок питания с гальванической развязкой от основной сети подключен к выходу фильтра импульсно-коммутационных перенапряжений основной сети, блок питания с гальванической развязкой от резервной сети подключен к выходу фильтра импульсно-коммутационных перенапряжений резервной сети, введены второй трансформатор, второй выпрямитель, первый, второй и третий фильтры; третий, четвертый и пятый датчики тока; третий инвертор, первый, второй, третий и четвертый датчики напряжения; третий компаратор, третий блок драйверов силовых ключей, третья схема блокировки, второй аналого-цифровой преобразователь, адаптер интерфейсной шины, второй микроконтроллер, первый и второй модули дискретного ввода-вывода, первый и второй датчики температуры, вторые часы реального времени, вторая память энергонезависимая, интерфейсный канал, интерфейсная шина, пульт контроля и управления и внешняя система управления; между выходом первого выпрямителя и нагрузкой включены первый фильтр, третий датчик тока, третий инвертор, третий фильтр, пятый датчик тока, причем первый выход второго датчика тока через последовательно соединенные второй трансформатор, второй выпрямитель, второй фильтр, четвертый датчик тока подключен ко входу третьего инвертора, к первому входу первого аналого-цифрового преобразователя подключен второй выход первого датчика тока, ко второму – выход первого датчика напряжения, к третьему – выход второго датчика напряжения, к четвертому – второй выход второго датчика тока, к пятому – второй выход третьего датчика тока, к шестому – выход третьего датчика напряжения, к седьмому – второй выход четвертого датчика напряжения; между первым выходом первого микроконтроллера и вторым блоком драйверов силовых ключей включена вторая схема блокировки, между вторым выходом первого микроконтроллера и первым блоком драйверов силовых ключей включена первая схема блокировки, к шестому входу первого микроконтроллера подключен первый датчик температуры, к входу-выходу первого микроконтроллера подключен первый вход-выход первого модуля дискретного ввода-вывода, первый микроконтроллер через интерфейсный канал подключен ко второму микроконтроллеру, третий выход третьего датчика тока подключен ко входу первого компаратора, третий выход четвертого датчика тока подключен ко входу второго компаратора; к первому входу второго аналого-цифрового преобразователя подключен второй выход пятого датчика тока, ко второму через четвертый датчик напряжения подключен первый выход пятого датчика тока; выход второго микроконтроллера через последовательно соединенные третью схему блокировки и третий блок драйверов силовых ключей подключен ко второму входу третьего инвертора, третий выход пятого датчика тока через третий компаратор подключен ко второму входу третьей схемы блокировки; к первому входу второго микроконтроллера подключен выход третьего блока драйверов силовых ключей, ко второму – выход второго аналого-цифрового преобразователя, к третьему – выход второй памяти энергонезависимой, к четвертому – выход вторых часов реального времени, к пятому – выход второго датчика температуры; первый вход-выход второго микроконтроллера через адаптер интерфейса и интерфейсную шину подключен к внешней системе управления, второй вход-выход второго микроконтроллера подключен к первому входу-выходу второго модуля дискретного ввода-вывода; первый вход-выход пульта контроля и управления подключен ко второму входу-выходу первого модуля дискретного ввода-вывода, второй – ко второму входу-выходу второго модуля дискретного ввода-вывода; выходы блока питания с гальванической развязкой от основной сети и блока питания с гальванической развязкой от резервной сети объединены между собой и подключены ко входам питания фильтров импульсно-коммутационных перенапряжений основной и резервной сетей, первого, второго и третьего инверторов, первого, второго, третьего, четвертого и пятого датчиков тока, первого, второго, третьего и четвертого датчиков напряжения, первого, второго и третьего компараторов, первого, второго и третьего блоков драйверов силовых ключей, первой, второй и третьей схем блокировки, первого и второго аналого-цифрового преобразователей, первого и второго микроконтроллеров, первого и второго модулей дискретного ввода-вывода, первого и второго датчиков температуры, адаптера интерфейса и пульта контроля и управления.
Кроме этого, в двухкаскадном преобразователе напряжения с интеллектуальной защитой от режимов перегрузки и токов коротких замыканий фильтры импульсно-коммутационных перенапряжений основной и резервной сетей содержат последовательно соединенные индуктивность, выходной электролитический конденсатор и узел активного подавления импульсно-коммутационных перенапряжений, состоящий из параллельно включенных биполярного транзистора с изолированным затвором и резистора, а также датчик входного напряжения и схему управления биполярным транзистором с изолированным затвором, состоящую из последовательно соединенных компаратора и блока драйверов биполярного транзистора с изолированным затвором, причем к первому входу компаратора подключено напряжение от датчика входного напряжения, а ко второму входу – опорное напряжение от делителя напряжения из двух резисторов, подключенных соответственно к блокам питания от основной и резервной сети.
Кроме этого, в двухкаскадном преобразователе напряжения с интеллектуальной защитой от режимов перегрузки и токов коротких замыканий первый микроконтроллер выполнен с возможностью автоматического перехода при аварии основной сети на питание от резервной сети и возврат к питанию от основной сети при восстановлении основной сети и отключении резервной сети, формирования управляющих воздействий на первый и второй инверторы с целью стабилизации напряжения постоянного тока на выходе первого каскада преобразователя (первые выходы третьего и четвертого датчиков тока) при нахождении уровня напряжения основной или резервной сети в допустимом интервале значений напряжения, защиты от длительных режимов перегрузок по току при сохранении функционирования преобразователя с ограниченной мощностью до окончания режима перегрузки, защиты от токов коротких замыканий в силовом оборудовании преобразователя путем перехода в режим ограничения мощности преобразователя с дальнейшим отключением преобразователя по истечении заданного промежутка времени в случае, если режим короткого замыкания не прекратился, защиты от превышения температуры силового оборудования первого каскада преобразователя выше допустимой, информационного обмена с вторым микроконтроллером для скоординированного управления работой преобразователя.
Кроме этого, в двухкаскадном преобразователе напряжения с интеллектуальной защитой от режимов перегрузки и токов коротких замыканий второй микроконтроллер выполнен с возможностью управления третьим инвертором с целью формирования высокостабильного напряжения синусоидального переменного тока на нагрузке, защиты от длительных режимов перегрузок по току при сохранении функционирования преобразователя с ограниченной мощностью до окончания режима перегрузки, защиты от токов коротких замыканий в силовом оборудовании преобразователя и во внешних цепях (кабельная сеть и нагрузка) путем перехода в режим ограничения мощности преобразователя с дальнейшим отключением преобразователя по истечении заданного промежутка времени в случае, если режим короткого замыкания не прекратился, защиты от превышения температуры силового оборудования второго каскада преобразователя выше допустимой, информационного обмена с первым микроконтроллером для скоординированного управления работой преобразователя, информационного обмена с внешней системой управления для информирования о состоянии преобразователя.
Сущность изобретения состоит в том, что в предлагаемом преобразователе напряжения за счет двух каскадов преобразования напряжения обеспечивается полная независимость качественных показателей выходного напряжения на нагрузке от параметров питающих сетей, реализован контроль температуры силового оборудования преобразователя и защита силового оборудования от перегрева, обеспечивается повышение надежности работы схемы аппаратной защиты от токов коротких замыканий, достигнута селективность и интеллектуальность комплекса защит (защита от режимов длительной перегрузки, защита от перегрева, защита от токов коротких замыканий), имеется возможность местного и дистанционного контроля за работой преобразователя, обеспечена надежная защита силовых цепей преобразователя от воздействия импульсных высоковольтных перенапряжений и, как следствие, достигается повышение эффективности работы преобразователя в целом для обеспечения максимально возможной безотказности электропитания ответственной нагрузки.
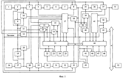
На фиг.1 представлена структурная схема двухкаскадного преобразователя напряжения с интеллектуальной защитой от режимов перегрузки и токов коротких замыканий.
Преобразователь содержит первый инвертор 3, питающийся от основной сети 1 через фильтр импульсно-коммутационных перенапряжений основной сети 2 и подключенный через последовательно соединенные первый датчик тока 4, первый трансформатор 5 и первый выпрямитель 6 к нагрузке 51, второй инвертор 28, питающийся от резервной сети 26 через фильтр импульсно-коммутационных перенапряжений резервной сети 27 и соединенный со вторым датчиком тока 29, первый компаратор 11, второй компаратор 12, первый блок драйверов силовых ключей 15, второй блок драйверов силовых ключей 13, первую схему блокировки 16, вторую схему блокировки 14, первый аналого-цифровой преобразователь 17, первый микроконтроллер 21, первые часы реального времени 24, первую память энергонезависимую 25, блок питания с гальванической развязкой от основной сети 9, блок питания с гальванической развязкой от резервной сети 19, первый выход первого микроконтроллера 21 подключен через второй блок драйверов силовых ключей 13 ко второму входу второго инвертора 28, второй выход первого микроконтроллера 21 подключен через первый блок драйверов силовых ключей 15 ко второму входу первого инвертора 3, первый вход первого микроконтроллера 21 подключен к выходу второго блока драйверов силовых ключей 13, второй вход – к выходу первого блока драйверов силовых ключей 15, третий вход – к выходу первого аналого-цифрового преобразователя 17, четвертый вход – к выходу первой памяти энергонезависимой 25, пятый выход – к выходу первых часов реального времени 24, выход первого компаратора 12 подключен ко входу первой схемы блокировки 16, выход второго компаратора 11 подключен ко входу второй схемы блокировки 14, блок питания с гальванической развязкой от основной сети 9 подключен к выходу фильтра импульсно-коммутационных перенапряжений основной сети 2, блок питания с гальванической развязкой от резервной сети 19 подключен к выходу фильтра импульсно-коммутационных перенапряжений резервной сети 27, между выходом первого выпрямителя 6 и нагрузкой 51 включены первый фильтр 7, третий датчик тока 8, третий инвертор 35, третий фильтр 36, пятый датчик тока 37, первый выход второго датчика тока 29 через последовательно соединенные второй трансформатор 30, второй выпрямитель 31, второй фильтр 32, четвертый датчик тока 33 подключен ко входу третьего инвертора 35, к первому входу первого аналого-цифрового преобразователя 17 подключен второй выход первого датчика тока 4, ко второму – выход первого датчика напряжения 10, к третьему – выход второго датчика напряжения 20, к четвертому – второй выход второго датчика тока 29, к пятому – второй выход третьего датчика тока 8, к шестому – выход третьего датчика напряжения 18, к седьмому – второй выход четвертого датчика напряжения 33, между первым выходом первого микроконтроллера 21 и вторым блоком драйверов силовых ключей 13 включена вторая схема блокировки 14, между вторым выходом первого микроконтроллера 21 и первым блоком драйверов силовых ключей 15 включена первая схема блокировки 16, к шестому входу первого микроконтроллера 21 подключен первый датчик температуры 23, к входу-выходу первого микроконтроллера 21 подключен первый вход-выход первого модуль дискретного ввода-вывода 22, первый микроконтроллер 21 через интерфейсный канал 34 подключен ко второму микроконтроллеру 44, третий выход третьего датчика тока 8 подключен ко входу первого компаратора 12, третий выход четвертого датчика тока 33 подключен ко входу второго компаратора 11, к первому входу второго аналого-цифрового преобразователя 41 подключен второй выход пятого датчика тока 37, ко второму – через четвертый датчик напряжения 42 первый выход пятого датчика тока 37, выход второго микроконтроллера 44 через последовательно соединенные третью схему блокировки 40 и третий блок драйверов силовых ключей 39 подключен ко второму входу третьего инвертора 35, третий выход пятого датчика тока 37 через третий компаратор 38 подключен ко второму входу третьей схемы блокировки 40, к первому входу второго микроконтроллера 44 подключен выход третьего блока драйверов силовых ключей 39, ко второму – выход второго аналого-цифрового преобразователя 41, к третьему – выход второй памяти энергонезависимой 48, к четвертому – выход вторых часов реального времени 47, к пятому – выход второго датчика температуры 46, первый вход-выход второго микроконтроллера 44 через адаптер интерфейса 43 и интерфейсную шину 50 подключен к внешней системе управления 52, второй вход-выход второго микроконтроллера 44 подключен к первому входу-выходу второго модуля дискретного ввода-вывода 45, первый вход-выход пульта контроля и управления 49 подключен ко второму входу-выходу первого модуля дискретного ввода-вывода 22, второй – ко второму входу-выходу второго модуля дискретного ввода-вывода 45, выходы блока питания с гальванической развязкой от основной сети 9 и блока питания с гальванической развязкой от резервной сети 19 объединены между собой и подключены ко входам питания фильтра импульсно-коммутационных перенапряжений основной сети 2, фильтра импульсно-коммутационных перенапряжений резервной сети 27, первого 3, второго 28 и третьего 35 инверторов, первого 4, второго 29, третьего 8, четвертого 33 и пятого 37 датчиков тока, первого 10, второго 20, третьего 18 и четвертого 42 датчиков напряжения, первого 12, второго 11 и третьего 38 компараторов, первого 15, второго 13 и третьего 39 блоков драйверов силовых ключей, первой 16, второй 14 и третьей 40 схем блокировки, первого 17 и второго 41 аналого-цифровых преобразователей, первого 21 и второго 44 микроконтроллеров, первого 22 и второго 45 модулей дискретного ввода-вывода, первого 23 и второго 46 датчиков температуры, адаптера интерфейса 43 и пульта контроля и управления 49.
На фиг.2 представлена структурная схема фильтра импульсно-коммутационных перенапряжений основной 2 (фиг.1) и резервной 27 (фиг.1) сети.
Фильтр содержит последовательно соединенные индуктивность 54, выходной электролитический конденсатор 55 и узел активного подавления импульсно-коммутационных перенапряжений 56, состоящий из параллельно включенных биполярного транзистора с изолированным затвором и резистора, а также датчик входного напряжения 53 и схему управления биполярным транзистором с изолированным затвором, состоящую из последовательно соединенных компаратора 59 и блока драйверов биполярного транзистора с изолированным затвором 60, причем к первому входу компаратора 59 подключено напряжение от датчика входного напряжения 53, а ко второму входу – опорное напряжение от делителя напряжения из двух резисторов 57 и 58, подключенных соответственно к блокам питания с гальванической развязкой от основной 9 (фиг.1) и резервной 19 (фиг.1) сети.
Предлагаемый преобразователь работает следующим образом. Напряжение питания основной сети 1 (фиг.1) через фильтр импульсно-коммутационных перенапряжений основной сети 2 подается на инвертор 3, где оно преобразуется в переменное напряжение и подается на первичную обмотку трансформатора 5. Со вторичной обмотки трансформатора 5 напряжение поступает на выпрямитель 6, фильтр 7, инвертор 35, где оно преобразуется в переменное напряжение и подается на фильтр 36 и на нагрузку 51. При питании от резервной сети 26 напряжение питания через фильтр импульсно-коммутационных перенапряжений резервной сети 27 подается на инвертор 28, где оно преобразуется в переменное напряжение и подается на первичную обмотку трансформатора 30. Со вторичной обмотки трансформатора 30 напряжение поступает на выпрямитель 31, фильтр 32, а далее, как и в случае питания от основной сети 1, на инвертор 35, где оно преобразуется в переменное напряжение и подается на фильтр 36 и на нагрузку 51.
Кроме этого, напряжение питания основной сети 1 через фильтр импульсно-коммутационных перенапряжений основной сети 2 поступает на блок питания с гальванической развязкой от основной сети 9, напряжение питания резервной сети 26 через фильтр импульсно-коммутационных перенапряжений резервной сети 27 поступает на блок питания с гальванической развязкой от резервной сети 19. Напряжения питания, формируемые блоком питания с гальванической развязкой от основной сети 9 и блоком питания с гальванической развязкой от резервной сети 19, объединяются и поступают на входы питания следующих компонентов преобразователя: фильтра импульсно-коммутационных перенапряжений основной сети 2, фильтра импульсно-коммутационных перенапряжений резервной сети 27, первого 3, второго 28 и третьего 35 инверторов, первого 4, второго 29, третьего 8, четвертого 33 и пятого 37 датчиков тока, первого 10, второго 20, третьего 18 и четвертого 42 датчиков напряжения, первого 12, второго 11 и третьего 38 компаратора, первого 15, второго 13 и третьего 39 блоков драйверов силовых ключей, первой 16, второй 14 и третьей 40 схем блокировки, первого 17 и второго 41 аналого-цифровых преобразователей, первого 21 и второго 44 микроконтроллеров, первого 22 и второго 45 модулей дискретного ввода-вывода, первого 23 и второго 46 датчиков температуры, адаптера интерфейса 43 и пульта контроля и управления 49.
При этом на выходе блока питания с гальванической развязкой от основной сети 9 и блока питания с гальванической развязкой от резервной сети 19 напряжения, необходимые для питания вышеуказанных компонентов преобразователя, присутствуют, если поступает питание хотя бы от одной сети (основной сети 1 или резервной сети 26). Таким образом в предлагаемом преобразователе система управления может функционировать (обеспечивать управление инверторами) до тех пор, пока сохранено электропитание хотя бы от одной сети.
Сетевое напряжение, поступающее на фильтр импульсно-коммутационных перенапряжений основной сети 2 (фиг.1) и фильтр импульсно-коммутационных перенапряжений резервной сети 27 (фиг.1) сглаживается Г-образными индуктивно-емкостными фильтрами 54, 55 (фиг.2). Импульсно-коммутационные перенапряжения, поступающие по сети от датчика входного напряжения 53 (фиг.2) и имеющие амплитуду выше опорного напряжения от делителя напряжения из двух резисторов 57 и 58 (фиг.2), «выявляются» компаратором 59 (фиг.2). Компаратор 59 (фиг.2) с помощью блока драйверов биполярного транзистора с изолированным затвором 60 (фиг.2) управляет работой узла активного подавления импульсно-коммутационных перенапряжений 55, не «пропуская» (шунтируя) импульсы перенапряжений на выход фильтров импульсно-коммутационных перенапряжений основной 2 и резервной 27 сетей (фиг.1). В качестве датчика входного напряжения 53 (фиг.2) может быть использован датчик без гальванической развязки, например простейший (а следовательно, надежный) резистивный делитель напряжения.
Система управления первым каскадом преобразователя реализована на базе первого микроконтроллера 21 и является аппаратно-программной системой с программами, установленными в первой памяти энергонезависимой 25. После включения преобразователя происходит загрузка программ в оперативную память первого микроконтроллера 21 системы управления первым каскадом преобразователя. Для обеспечения возможности контроля значения напряжений на входе первого 3 и второго 28 инверторов и значения напряжения на выходе первого каскада преобразователя в состав системы управления включен аналого-цифровой преобразователь 21, первый 10, второй 20 и третий 18 датчики напряжения. Для оптимизации управления первым каскадом преобразователя с учетом выходных токов в состав системы управления включены первый 4, второй 29, третий 8 и четвертый 33 датчики тока. Для формирования управляющих воздействий на первый 3 и второй 28 инверторы в состав системы управления включен первый 15 и второй 13 блоки драйверов силовых ключей.
Система управления первым каскадом преобразователя обеспечивает выполнение следующих функций:
– опрос значения напряжения на входе первого инвертора 3 – напряжения основной сети 1 (на входе второго инвертора 28 – напряжения резервной сети 26);
– определение нахождения уровня напряжения основной сети 1 (резервной сети 26) в допустимом интервале значений напряжений;
– опрос значения тока на выходе первого 3 и второго 28 инвертора;
– опрос значения тока на выходе первого каскада преобразователя;
– формирование управляющих воздействий на первый инвертор 3 (второй инвертор 28) для стабилизации выходных параметров первого каскада преобразователя при нахождении уровня напряжения основной сети 1 (резервной сети 26) в допустимом интервале значений напряжений;
– при выходе уровня напряжения основной сети 1 из допустимого интервала значений напряжения выключает первый инвертор 3 и включает второй инвертор 28;
– при восстановлении уровня напряжения основной сети 1 в допустимом интервале значений напряжений производит выключение второго инвертора 28 и включение первого инвертора 3;
– информационный обмен со вторым микроконтроллером 44 для скоординированного управления преобразователем.
Система управления вторым каскадом преобразователя реализована на базе второго микроконтроллера 44 и является аппаратно-программной системой с программами, установленными в первой памяти энергонезависимой 48. После включения преобразователя происходит загрузка программ в оперативную память первого микроконтроллера 41 системы управления вторым каскадом преобразователя. Для обеспечения возможности контроля значения напряжений на нагрузке 51 в состав системы управления включен аналого-цифровой преобразователь 41 и четвертый датчик напряжения 42. Для оптимизации управления вторым каскадом преобразователя с учетом выходного тока в состав системы управления включен пятый датчик тока 37. Для формирования управляющих воздействий на третий инвертор 35 в состав системы управления включен третий блок драйверов силовых ключей 39.
Система управления вторым каскадом преобразователя обеспечивает выполнение следующих функций:
– опрос значения напряжения на нагрузке 51;
– опрос значения тока на выходе второго каскада преобразователя (на нагрузке 51);
– формирование управляющих воздействий на третий инвертор 35 для стабилизации выходных параметров второго каскада преобразователя (на нагрузке 51);
– информационный обмен с первым микроконтроллером 21 для скоординированного управления преобразователем;
– информационный обмен по интерфейсу 50 с внешней системой управления 52;
– информационный обмен по интерфейсу 50 со вторым микроконтроллером 44 второго, третьего,… и n-го (на фиг.1 не показаны) двухкаскадных преобразователей напряжения с интеллектуальной защитой от режимов перегрузки и токов коротких замыканий (преобразователей, аналогичных по исполнению и, например, входящих в состав многомодульного агрегата бесперебойного питания) при необходимости обеспечения параллельной работы первого, второго, третьего,… и n-го двухкаскадных преобразователей напряжения на единую динамически изменяющуюся в широком диапазоне мощностей нагрузку.
Для реализации комплекса защит преобразователя в состав систем управления первым и вторым каскадами преобразователя дополнительно включены первый 12, второй 11 и третий 38 компараторы, первая 16, вторая 14 и третья 40 схемы блокировки, первый 23 и второй 46 датчики температуры.
При повреждении силового оборудования первого или второго каскада преобразователя, повреждении нагрузки 51 (или питающих ее кабелей) и возникновении короткого замыкания возрастает ток на выходе первого или второго каскада преобразователя; третий 8, четвертый 33 или пятый 37 датчики тока формируют контрольный сигнал, поступающий на первый 12, второй 11 или третий 38 компараторы. Первый 12, второй 11 или третий 38 компаратор вырабатывает управляющий сигнал для первой 16, второй 14 или третей 40 схемы блокировки. Первая 16, вторая 14 или третья 40 схема блокировки производит блокировку маломощного сигнала управления для первого 15, второго 13 или третьего 39 блока драйверов силовых ключей, формируемого первым 21 или вторым 44 микроконтроллером, обеспечивая быстродействующую аппаратную защиту преобразователя от токов короткого замыкания. Первый 15, второй 13 или третий 39 блок драйверов силовых ключей, «потеряв» управляющие сигналы, вырабатывает контрольный сигнал, который поступает в первый 21 или второй 44 микроконтроллер. Получив данный контрольный сигнал, первый 21 или второй 44 микроконтроллер переходит в режим управления инверторами с ограничением по мощности. Причем сигналы управления от первого 21 или второго 44 микроконтроллера на первый 15, второй 13 или третий 39 блок драйверов силовых ключей «пропускаются» первой 16, второй 14 или третьей 40 схемой блокировки только при уменьшении тока на выходе первого или второго каскада преобразователя до допустимого значения. Только в случае если контрольный сигнал от первого 15, второго 13 или третьего 39 блока драйверов силовых ключей сохраняется в течение заданного промежутка времени, первый 21 или второй 44 микроконтроллер отключает управление преобразователем и переходит в режим ожидания внешних команд.
При возникновении режима перегрузки, определяемого по контрольным сигналам от первого 4, второго 29, третьего 8, четвертого 33 и пятого 37 датчиков тока, первый 21 или второй 44 микроконтроллер немедленно переходит в режим управления инверторами с ограничением по мощности. Уточнив значение температуры силового оборудования по контрольным сигналам от первого 23 и второго 46 датчиков температуры, первый 21 или второй 44 микроконтроллер определяет прогнозное время, в течение которого может продолжаться режим управления инверторами с ограничением по мощности. Если режим перегрузки не прекратится по истечении этого времени или в случае если температура силового оборудования превысит предельно допустимое значение, первый 21 или второй 44 микроконтроллер отключают управление преобразователем и переходят в режим ожидания внешних команд.
Для обеспечения возможности контроля и управления работой преобразователя предусмотрен пульт контроля и управления 49 (встроен в корпус преобразователя), подключенный к первому 22 и второму 45 модулям дискретного ввода-вывода, а также адаптер интерфейса 50, обеспечивающий удаленное подключение к внешней системе управления 52.
Промышленная применимость изобретения определяется тем, что предлагаемый преобразователь может быть изготовлен в соответствии с приведенным описанием и чертежами на базе известных комплектующих изделий и технологического оборудования и использован для электропитания разнообразных объектов. Интерфейсный канал может быть выполнен на базе интерфейса RS-232 и RS-485. Интерфейсная шина может быть выполнена на базе интерфейса CAN и MIL-STD1553В.
Предлагаемые технические решения практически реализованы в модуле преобразования напряжения типа МЗ00-230В, входящем в состав агрегата бесперебойного питания АБП-Л и серийно выпускаемого ФГУП «ПКП «ИРИС».
Таким образом, предлагаемый преобразователь обладает повышенной устойчивостью к воздействию импульсно-коммутационных помех, проникающих в питающей сети, имеет интеллектуальную защиту силового оборудования преобразователя от режимов перегрузки и токов коротких замыканий, имеет широкие функциональные возможности и обеспечивает максимально возможную безотказность электропитания ответственных потребителей.
На основании вышеизложенного и по результатам проведенного нами патентно-информационного поиска считаем, что предлагаемый двухкаскадный преобразователь напряжения с интеллектуальной защитой от режимов перегрузки и токов коротких замыканий отвечает критериям «новизна», «изобретательский уровень» и может быть защищен патентом Российской Федерации на изобретение.
Формула изобретения
1. Двухкаскадный преобразователь напряжения с интеллектуальной защитой от режимов перегрузки и токов коротких замыканий, состоящий из первого инвертора, питающегося от основной сети через фильтр импульсно-коммутационных перенапряжений основной сети и подключенного через последовательно соединенные первый датчик тока, первый трансформатор и первый выпрямитель к нагрузке; второго инвертора, питающегося от резервной сети через фильтр импульсно-коммутационных перенапряжений резервной сети и соединенного со вторым датчиком тока; первого компаратора, второго компаратора, первого блока драйверов силовых ключей, второго блока драйверов силовых ключей, первой схемы блокировки, второй схемы блокировки, первого аналого-цифрового преобразователя, первого микроконтроллера, первых часов реального времени, первой памяти энергонезависимой, блока питания от основной сети, блока питания от резервной сети, у которого первый выход первого микроконтроллера подключен через второй блок драйверов силовых ключей ко второму входу второго инвертора, второй выход первого микроконтроллера подключен через первый блок драйверов силовых ключей ко второму входу первого инвертора, первый вход первого микроконтроллера подключен к выходу второго блока драйверов силовых ключей, второй вход – к выходу первого блока драйверов силовых ключей, третий вход – к выходу первого аналого-цифрового преобразователя, четвертый вход – к выходу первой памяти энергонезависимой, пятый выход – к выходу первых часов реального времени, выход первого компаратора подключен ко входу первой схемы блокировки, выход второго компаратора подключен ко входу второй схемы блокировки, блок питания с гальванической развязкой от основной сети подключен к выходу фильтра импульсно-коммутационных перенапряжений основной сети, блок питания с гальванической развязкой от резервной сети подключен к выходу фильтра импульсно-коммутационных перенапряжений резервной сети, отличающийся тем, что в него введены второй трансформатор, второй выпрямитель, первый, второй и третий фильтры; третий, четвертый и пятый датчики тока; третий инвертор, первый, второй, третий и четвертый датчики напряжения; третий компаратор, третий блок драйверов силовых ключей, третья схема блокировки, второй аналого-цифровой преобразователь, адаптер интерфейсной шины, второй микроконтроллер, первый и второй модули дискретного ввода-вывода, первый и второй датчики температуры, вторые часы реального времени, вторая память энергонезависимая, интерфейсный канал, интерфейсная шина, пульт контроля и управления и внешняя система управления; между выходом первого выпрямителя и нагрузкой включены первый фильтр, третий датчик тока, третий инвертор, третий фильтр, пятый датчик тока, причем первый выход второго датчика тока через последовательно соединенные второй трансформатор, второй выпрямитель, второй фильтр, четвертый датчик тока подключен ко входу третьего инвертора, к первому входу первого аналого-цифрового преобразователя подключен второй выход первого датчика тока, ко второму – выход первого датчика напряжения, к третьему – выход второго датчика напряжения, к четвертому – второй выход второго датчика тока, к пятому – второй выход третьего датчика тока, к шестому – выход третьего датчика напряжения, к седьмому – второй выход четвертого датчика напряжения; между первым выходом первого микроконтроллера и вторым блоком драйверов силовых ключей включена вторая схема блокировки, между вторым выходом первого микроконтроллера и первым блоком драйверов силовых ключей включена первая схема блокировки, к шестому входу первого микроконтроллера подключен первый датчик температуры, к входу-выходу первого микроконтроллера подключен первый вход-выход первого модуля дискретного ввода-вывода, первый микроконтроллер через интерфейсный канал подключен ко второму микроконтроллеру, третий выход третьего датчика тока подключен ко входу первого компаратора, третий выход четвертого датчика тока подключен ко входу второго компаратора; к первому входу второго аналого-цифрового преобразователя подключен второй выход пятого датчика тока, ко второму – через четвертый датчик напряжения подключен первый выход пятого датчика тока; выход второго микроконтроллера через последовательно соединенные третью схему блокировки и третий блок драйверов силовых ключей подключен ко второму входу третьего инвертора, третий выход пятого датчика тока через третий компаратор подключен ко второму входу третьей схемы блокировки; к первому входу второго микроконтроллера подключен выход третьего блока драйверов силовых ключей, ко второму – выход второго аналого-цифрового преобразователя, к третьему – выход второй памяти энергонезависимой, к четвертому – выход вторых часов реального времени, к пятому – выход второго датчика температуры; первый вход-выход второго микроконтроллера через адаптер интерфейса и интерфейсную шину подключен к внешней системе управления, второй вход-выход второго микроконтроллера подключен к первому входу-выходу второго модуля дискретного ввода-вывода; первый вход-выход пульта контроля и управления подключен ко второму входу-выходу первого модуля дискретного ввода-вывода, второй – ко второму входу-выходу второго модуля дискретного ввода-вывода; выходы блока питания с гальванической развязкой от основной сети и блока питания с гальванической развязкой от резервной сети объединены между собой и подключены ко входам питания фильтров импульсно-коммутационных перенапряжений основной и резервной сетей, первого, второго и третьего инверторов, первого, второго, третьего, четвертого и пятого датчиков тока, первого, второго, третьего и четвертого датчиков напряжения, первого, второго и третьего компараторов, первого, второго и третьего блоков драйверов силовых ключей, первой, второй и третьей схем блокировки, первого и второго аналого-цифровых преобразователей, первого и второго микроконтроллеров, первого и второго модулей дискретного ввода-вывода, первого и второго датчиков температуры, адаптера интерфейса и пульта контроля и управления.
2. Двухкаскадный преобразователь напряжения с интеллектуальной защитой от режимов перегрузки и токов коротких замыканий по п.1, отличающийся тем, что фильтры импульсно-коммутационных перенапряжений основной и резервной сетей содержат последовательно соединенные индуктивность, выходной электролитический конденсатор и узел активного подавления импульсно-коммутационных перенапряжений, состоящий из параллельно включенных биполярного транзистора с изолированным затвором и резистора, а также датчик входного напряжения и схему управления биполярным транзистором с изолированным затвором, состоящую из последовательно соединенных компаратора и блока драйверов биполярного транзистора с изолированным затвором, причем к первому входу компаратора подключено напряжение от датчика входного напряжения, а ко второму входу – опорное напряжение от делителя напряжения из двух резисторов, подключенных соответственно к блокам питания от основной и резервной сетей.
3. Двухкаскадный преобразователь напряжения с интеллектуальной защитой от режимов перегрузки и токов коротких замыканий по п.1 или 2, отличающийся тем, что первый микроконтроллер выполнен с возможностью автоматического перехода при аварии основной сети на питание от резервной сети и возврат к питанию от основной сети при восстановлении основной сети и отключении резервной сети, формирования управляющих воздействий на первый и второй инверторы с целью стабилизации напряжения постоянного тока на выходе первого каскада преобразователя (первые выходы третьего и четвертого датчиков тока) при нахождении уровня напряжения основной или резервной сети в допустимом интервале значений напряжения, защиты от длительных режимов перегрузок по току при сохранении функционирования преобразователя с ограниченной мощностью до окончания режима перегрузки, защиты от токов коротких замыканий в силовом оборудовании преобразователя путем перехода в режим ограничения мощности преобразователя с дальнейшим отключением преобразователя по истечении заданного промежутка времени в случае, если режим короткого замыкания не прекратился, защиты от превышения температуры силового оборудования первого каскада преобразователя выше допустимой, информационного обмена со вторым микроконтроллером для скоординированного управления работой преобразователя.
4. Двухкаскадный преобразователь напряжения с интеллектуальной защитой от режимов перегрузки и токов коротких замыканий по п.1 или 2, отличающийся тем, что второй микроконтроллер выполнен с возможностью управления третьим инвертором с целью формирования высокостабильного напряжения синусоидального переменного тока на нагрузке, защиты от длительных режимов перегрузок по току при сохранении функционирования преобразователя с ограниченной мощностью до окончания режима перегрузки, защиты от токов коротких замыканий в силовом оборудовании преобразователя и во внешних цепях (кабельная сеть и нагрузка) путем перехода в режим ограничения мощности преобразователя с дальнейшим отключением преобразователя по истечении заданного промежутка времени в случае, если режим короткого замыкания не прекратился, защиты от превышения температуры силового оборудования второго каскада преобразователя выше допустимой, информационного обмена с первым микроконтроллером для скоординированного управления работой преобразователя, информационного обмена с внешней системой управления для информирования о состоянии преобразователя.
РИСУНКИ
|
|