|
(21), (22) Заявка: 2006126921/09, 24.07.2006
(24) Дата начала отсчета срока действия патента:
24.07.2006
(46) Опубликовано: 10.01.2008
(56) Список документов, цитированных в отчете о поиске:
US 3345864, 10.10.1967. RU 2115980 C1, 20.07.1998. US 4687445, 18.08.1987.
Адрес для переписки:
194064, Санкт-Петербург, Тихорецкий пр., 3, ВОЕННАЯ АКАДЕМИЯ СВЯЗИ, Бюро изобретательства
|
(72) Автор(ы):
Проценко Михаил Сергеевич (RU), Самуйлов Игорь Николаевич (RU), Чернолес Владимир Петрович (RU)
(73) Патентообладатель(и):
ВОЕННАЯ АКАДЕМИЯ СВЯЗИ (RU)
|
(54) ПОДЗЕМНАЯ ШУНТОВАЯ АНТЕННА
(57) Реферат:
Изобретение относится к антенной технике и предназначено для использования в качестве ненаправленной передающей антенны в низкочастотном диапазоне. Технический результат заключается в повышении коэффициента усиления антенны. Сущность изобретения состоит в том, что подземная шунтовая антенна выполнена в виде N 2 наклонных излучателей, установленных в скважинах, пробуренных параллельно склонам земной возвышенности. Верхние концы наклонных излучателей электрически соединены. В дополнительно пробуренной вертикальной скважине установлен вертикальный проводник, вершина которого подключена к верхним концам наклонных излучателей, а нижний конец к противовесу. Дополнительно пробурены наклонные скважины, в которые установлены проводники шунта, которые подключены верхними концами к одному из наклонных излучателей, а нижними к выходам коммутатора поддиапазонов, вход которого подключен к коаксиальному фидеру. Нижние концы наклонных излучателей соединены друг с другом дополнительным кольцевым проводником и подключены через элементы настройки к противовесу. 3 з.п. ф-лы, 9 ил.
Изобретение относится к области радиотехники, а именно к антенной технике, и в частности предлагаемая подземная шунтовая антенна (ПША) может быть использована в качестве ненаправленной передающей антенны в низкочастотном (н.ч.) диапазоне.
Известны подземные антенны (ПА), например по патенту США №4687445, 1987, МПК H01Q 1/02. Известная ПА представляет собой решетку из симметричных вибраторов, размещенных в полупроводящем грунте и подключенных к выходу передатчика.
Недостатком данной ПА является относительно низкий коэффициент усиления (КУ) в силу быстрого затухания амплитуд токов вдоль плеч вибратора. По этой причине плечи выполняют электрически короткими, что приводит к их малой действующей длине и, следовательно, к низкому КУ.
Известна также ПА по патенту РФ №2115980 от 20.07.1998 г., МПК 7 H01Q 1/04, 21/00. Указанная ПА состоит из двух ярусов симметричных вибраторов (СВ), размещенных в скважинах, пробуренных по обе стороны бункера, размещенного в грунте и окруженного металлическим экраном. Каждое плечо СВ выполнено из соосных труб, скрепленных диэлектрической вставкой. Плечи СВ подключены через делитель мощности к выходу передатчика.
Недостатком известной ПА является также относительно низкий КУ и значительные материальные затраты, необходимые для ее построения.
Наиболее близкой по своей технической сущности к заявленной является ПА по пат. США №3346864 от 10.10.1967 г. МПК 7 H01Q 1/04. ПА-прототип состоит из СВ, размещенных в скважинах, пробуренных в толще земной возвышенности параллельно ее склонам. Каждый СВ подключен с помощью фидера к передатчику. Для увеличения суммарной мощности излучения в ПА предусмотрено фазирование отдельных СВ. При таком исполнении в структуре излученного электромагнитного поля (ЭМП) появляется вертикальная компонента, что обеспечивает увеличение дальности связи за счет некоторого снижения потерь в полупроводящей земле в зоне, существенной для формирования диаграммы направленности (ДН).
Недостатком ближайшего аналога является относительно низкий КУ, что обусловлено значительным затуханием амплитуд тока вдоль плеч СВ из-за потерь в полупроводящей среде. Дополнительные потери возникают в элементах настройки и согласования, т.к. реальные конструкции ПА в н.ч. диапазоне имеют малые электрические размеры и, следовательно, высокую концентрацию нескомпенсированного реактивного связанного ЭМП электрического типа.
Целью изобретения является построение ПА, обеспечивающей повышение КУ за счет изменения характера связанного реактивного поля с электрического на магнитный, что обуславливает возможность снижения тепловых потерь и, в конечном счете, повышает КУ антенны.
Заявленная ПА расширяет арсенал средств данного назначения.
Поставленная цель достигается тем, что в известной ПА, содержащей N 2 наклонных излучателей, установленных в скважинах, пробуренных параллельно склонам земной возвышенности (ЗВ), и фидер, наклонные излучатели выполнены в виде отрезков проводников, верхние концы которых электрически соединены друг с другом.
Дополнительно в ЗВ пробурена вертикальная скважина, в которую установлен вертикальный проводник высотой Н, верхний конец которого электрически соединен с верхними концами наклонных излучателей. Нижние концы наклонных излучателей электрически соединены друг с другом дополнительным кольцевым проводником и через элементы настройки (ЭН) подключены к противовесу. К центру противовеса также подключен электрически нижний конец вертикального проводника. Дополнительно от основания вертикального проводника пробурены n 1 наклонные скважины, в которые установлены проводники шунта (ПШ). Верхние концы ПШ подключены с интервалом d к одному из наклонных излучателей. Нижние концы ПШ подключены к соответствующим выходам коммутатора поддиапазонов (КПДД), вход которого подключен к коаксиальному фидеру (КФ).
В качестве ЭН использованы конденсаторы переменной емкости.
Противовес выполнен в виде радиально расходящихся от основания вертикального проводника проводов длиной lпр=(0,8÷1,2) Н. Концы проводов противовеса подключены к металлическим штырем (МШ) длиной lшт, заглубленных вертикально в землю на всю их длину.
Вертикальный проводник, проводники наклонных излучателей и проводники шунта заключены в диэлектрическую оболочку.
Благодаря новой совокупности существенных признаков в ПША обеспечивается трансформация реактивной составляющей входного сопротивления к индуктивному характеру, снижение волнового сопротивления собственно излучателя и формирование в структуре излученного поля преобладания вертикальной компоненты вектора напряженности электрического поля. Отмеченное обуславливает снижение потерь в элементах настройки, в конструкции антенны и в окружающей ее полупроводящей среде, т.е. повышает КУ антенны.
Проведенный анализ уровня техники показал, что аналоги, характеризующиеся совокупностью признаков, тождественных признакам заявленной ПША, отсутствуют в известных источниках информации, что указывает на соответствие заявленного устройства условию патентоспособности «новизна».
Результаты поиска известных решений в данной и смежных областях техники с целью выявления признаков, совпадающих с отличительными от прототипа существенными признаками заявленной ПША, показали, что они не следуют явным образом из уровня техники. Из уровня техники также не выявлена известность влияния предусматриваемых существенными признаками преобразований на достижение указанного технического результата. Следовательно, заявленный объект соответствует условию патентоспособности «изобретательский уровень».
Заявленная ПША поясняется чертежами, на которых показаны:
на фиг.1 – общий вид антенны (вертикальное сечение);
на фиг.2 – вид антенны в плане;
на фиг.3 – чертежи, поясняющие принцип работы ПША;
на фиг.5 – результаты сравнительных измерений эффективности заявленной антенны и ближайшего аналога.
Заявленная ПША, показанная на фиг.1 и 2, состоит из совокупности скважин 1 диаметром 2r (на фиг.2 показано 8 скважин), пробуренных наклонно в толще земли параллельно склонам ЗВ 2 высотой Нв. Кроме того, пробурена вертикальная скважина 3 от вершины ЗВ 2 к ее основанию. В наклонные скважины 1 установлены наклонные излучатели (НИ) 4 в виде проводников длиной lни, заключенных в диэлектрическую оболочку 5. В вертикальную скважину 3 установлен вертикальный проводник (ВП) 6 высотой Н, также заключенный в диэлектрическую оболочку 5.
Верхние концы всех НИ 4 и ВП 6 электрически соединены (точка «а» на фиг.1). Нижние концы НИ 4 электрически соединены друг с другом дополнительным кольцевым проводником 7. Нижние концы (НИ) 4 через ЭН 8, а нижний конец ВП 6 непосредственно подключены к противовесу 9.
От точки подключения (точка «в» на фиг.1) ВП 6 к противовесу 9 пробурены n 1 наклонных скважин 10 (на фиг.1 показаны две такие скважины). В наклонные скважины установлены проводники шунта (ПШ) 11, верхние концы которых подключены с интервалом d к одному из НИ 4 (точки «с» на фиг.1). Величину интервала d выбирают с учетом диапазона изменения параметров ЭН 8 и числа n ПШ 11. ПШ 11 подключают к НИ 4 в его средней трети, т.о. d=0,3 lни/(n-1). Нижние концы ПШ 11 подключены к соответствующим выходам КПДД 12. К входу КПДД 12 подключен КФ 13, который через антенно-фидерный тракт подключен к выходу радиопередатчика (на фиг.1, 2 не показаны). Противовес 9 выполнен в виде радиально расходящихся от основания ВП 6 (точка «в») проводников длиной lпр=(0,8÷1,2) Н. Концы проводников противовеса 9 могут быть электрически соединены между собой дополнительным кольцевым проводником 14. Концы проводников противовеса 9 подключены к МШ 15. ЭН 8 выполнены в виде конденсаторов переменной емкости. Один вывод конденсатора ЭН 8 подключен к нижним концам НИ 4, а второй вывод – к противовесу 9. Величину зазора k межу плоскостью кольцевого проводника 7 и плоскостью противовеса 9 выбирают исходя из технологических соображений и обычно k=(0,05÷0,1)lпр.
КПДД 12 предназначен для изменения длины ПШ 11 при перестройке антенны от одного частотного поддиапазона к другому.
Глубину погружения НИ 4 h относительно поверхности ЗВ 2 выбирают не более глубины скин-слоя, определяемой на максимальной рабочей частоте ПША с учетом параметров среды: относительной диэлектрической проницаемости ‘ r и удельной проводимости .
Заявленная ПША работает следующим образом. Совокупность электрически соединенных друг с другом НИ 4 в н.ч. диапазоне совместно с ВП 6, электрически соединенным с противовесом 9, и с учетом схемы подключения КФ 13 представляет собой конусообразный вибратор, возбуждаемый по шунтовой схеме (см. фиг.3а). В свою очередь такой вибратор может быть представлен в виде сплошной поверхности, если расстояние между примыкающими друг к другу нижними концами НИ 4 не превышает 0,1 длины рабочей волны – (фиг.3б).
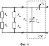
Заменяя коническую поверхность эквивалентной цилиндрической поверхностью с диаметром поперечного сечения Дэ и высотой Н, диаметром ВП 6 d, приходим к излучателю с коаксиальным шунтом (фиг.3в). Роль шунта выполняет внутренняя поверхность цилиндра, проводник шунта 11 и часть ВП 6 до высоты lш.
Известно (см., например, книгу “Антенны”. Под ред. Муравьева Ю.К. 4.1. – Л. ВАС, 1963. – с.259-270), что эквивалентная схема такой антенны может быть представлена в виде параллельно включенных сопротивления Zш шунта длиной lш с волновым сопротивлением ш, а также комплексного сопротивления ZB вибратора высотой H, подключенного к выходу антенны с коэффициентом трансформации К2 (фиг.3г). Следовательно, общее входное сопротивление ПША ZA определяется выражением

Порядок вычисления составляющих формулы (1) известен и описан в указанной выше книге «Антенны». Путем подбора соотношений DЭ, d, lш и Н можно обеспечить в диапазоне рабочих частот индуктивный характер реактивной составляющей ZA=RA+jXA. Это дает возможность настраивать антенну емкостными ЭН 8, обладающими относительно высокой добротностью, по сравнению с индуктивными элементами. Развитая поверхность ПША обуславливает снижение волнового сопротивления вибратора и, следовательно, снижение плотности тока. Это в значительной мере снижает потери в окружающей излучатели среде, обусловленные затуханием амплитуд вдоль проводов излучателей. Кроме того, в структуре вышедшей в верхние полупространства (в воздух) ЭМВ преобладает вертикальная компонента (см. фиг.1), что снижает затухание вышедшей ЭМВ в зоне, существенной для формирования диаграммы направленности (ДН). Отмеченное снижает совокупные тепловые потери подводимой к антенне мощности, что увеличивает КУ ПША в целом.
Проверка возможности достижения сформулированного технического результата была выполнена методом масштабного моделирования.
Макет заявленной ПША был выполнен со следующими соотношениями геометрических размеров ее конструкции:
электрическая высота изменялась в интервале lш/ =0,02÷0,04;
глубина заложения h/ =0,001;
угол между НИ 4 ВП 6 выбран 42°;
число НИ 4 – 4 шт.;
число проводов противовеса 9 – 8 шт.;
соотношение lпр/Н=1,1;
k=0,05 lпр;
использован один проводник шунта 11, подключенный к середине НИ 4;
все проводники были заключены в диэлектрическую оболочку из фторопласта.
Макет ближайшего аналога включал четыре СВ, длина каждого из которых была равной lни. СВ возбуждались синфазно.
Оба макета устанавливались в скважинах, пробуренных в земной возвышенности с НB=1,1 H, с параметрами ; =10-3 См/м.
Заявленная антенна и прототип поочередно подключались к выходу передатчика. Отдаваемая на вход антенн мощность поддерживалась равной при подключении ПША и прототипа.
В дальней зоне на удалении R 20 измерялся уровень создаваемого электромагнитного поля заявленной антенной E3 и прототипом Eпр. Относительный выигрыш по КУ G вычислялся по формуле: .
Результаты измерений показали, что в диапазоне lпр/ =0,02÷0,04 выигрыш по КУ G составил от 4,5 дБ до 7 дБ.
Экспериментальная проверка подтвердила возможность достижения указанного технического результата при использовании заявленной ПША, т.е. повышения ее коэффициента усиления.
Формула изобретения
1. Подземная шунтовая антенна, содержащая N 2 наклонных излучателей, установленных в скважинах, пробуренных параллельно склонам земной возвышенности, и фидер, отличающаяся тем, что наклонные излучатели выполнены в виде отрезков проводников, верхние концы которых электрически соединены друг с другом и с вершиной вертикального проводника высотой Н, установленного в дополнительно пробуренной вертикальной скважине, нижние концы наклонных излучателей электрически соединены друг с другом дополнительным кольцевым проводником и подключены через элемент настройки к противовесу, в дополнительно пробуренные n 1 наклонные скважины установлены проводники шунта, верхние концы которых подключены с интервалом d к одному из наклонных излучателей, а нижние концы проводников шунта подключены к соответствующим выходам коммутатора поддиапазонов, вход которого подключен к коаксиальному фидеру.
2. Подземная шунтовая антенна по п.1, отличающаяся тем, что в качестве элементов настройки использованы конденсаторы переменной емкости.
3. Подземная шунтовая антенна по п.1, отличающаяся тем, что противовес выполнен в виде радиально расходящихся от основания вертикального проводника проводов длиной lпр=(0,8÷1,2)Н, концы которых подключены к металлическим штырям длиной lшт, погруженным вертикально в землю.
4. Подземная шунтовая антенна по п.1, отличающаяся тем, что проводники наклонных излучателей, вертикального проводника и проводники шунта заключены в диэлектрическую оболочку.
РИСУНКИ
MM4A – Досрочное прекращение действия патента СССР или патента Российской Федерации на изобретение из-за неуплаты в установленный срок пошлины за поддержание патента в силе
Дата прекращения действия патента: 25.07.2008
Извещение опубликовано: 10.07.2010 БИ: 19/2010
|