|
|
(21), (22) Заявка: 2006134314/09, 28.09.2006
(24) Дата начала отсчета срока действия патента:
28.09.2006
(46) Опубликовано: 10.01.2008
(56) Список документов, цитированных в отчете о поиске:
РЕЗНИКОВ Г.Л. Электрохимические генераторы, Москва, ВИНИТИ, 1974, с.45. RU 2245594 С1, 27.01.2005. US 2005074641 A1, 07.04.2005. JP 02-244559, 28.09.1990.
Адрес для переписки:
129626, Москва, Кучин пер., 12, кв.1, З.Р. Каричеву
|
(72) Автор(ы):
Каричев Зия Рамизович (RU)
(73) Патентообладатель(и):
Общество с ограниченной ответственностью “Национальная инновационная компания “Новые энергетические проекты” (ООО “Национальная инновационная компания “НЭП” (RU)
|
(54) СПОСОБ ВЫВЕДЕНИЯ ИЗ ДЕЙСТВИЯ ВОДОРОДНО-ВОЗДУШНОГО ЭЛЕКТРОХИМИЧЕСКОГО ГЕНЕРАТОРА (ЭХГ)
(57) Реферат:
Изобретение относится к области ЭХГ на основе топливных элементов (ТЭ) с щелочным электролитом и может быть использовано при эксплуатации ЭХГ. Согласно изобретению, способ вывода из действия водородно-воздушного электрохимического генератора (ЭХГ), включающего контур подачи водорода, контур подачи воздуха с нагнетателем, контур циркуляции щелочного электролита с насосом, теплообменником и сливной емкостью, при котором отключают электрическую нагрузку, отключают подачу водорода и сливают электролит в электролитную емкость, при этом перед отключением подачи водорода снижают температуру электролита путем его прокачки через теплообменник, выключают нагнетатель воздуха, отключают циркуляцию электролита, после слива электролита сообщают контур подачи воздуха с контуром подачи водорода. Техническим результатом является технологическая простота, улучшенные массогабаритные удельные электрические характеристики. 1 ил.
Область техники
Изобретение относится к области ЭХГ на основе топливных элементов (ТЭ) с щелочным электролитом и может быть использовано при эксплуатации ЭХГ.
Предшествующий уровень техники
Известен способ выведения из действия водородно-воздушного ЭХГ, при котором отключают внешнюю нагрузку, подключают внутреннюю нагрузку, закрывают подачу и продувку водорода, контролируют давление в анодных камерах, при снижении давления до заданного уровня подают в анодные камеры азот (см. патент Японии №2-244559, кл. H01M 8/04, 1990).
Недостаток данного способа связан с необходимостью иметь систему хранения и подачи инертного газа, что ухудшает массогабаритные и удельные электрические характеристики ЭХГ.
Из известных способов выведения из действия водородно-воздушного ЭХГ, включающего контур подачи водорода, контур подачи воздуха с нагнетателем, контур циркуляции щелочного электролита с насосом, теплообменником и сливной емкостью, контур подачи аргона, наиболее близким по совокупности существенных признаков и достигаемому техническому результату является способ, при котором отключают электрическую нагрузку, отключают подачу водорода и замещают его аргоном, сливают электролит в электролитную емкость, воздух замещают аргоном (Резников Г.Л. Электрохимические генераторы, Москва, ВИНИТИ, 1974, с.45).
Недостаток данного способа связан с необходимостью иметь систему хранения и подачи инертного газа, что ухудшает массогабаритные и удельные электрические характеристики ЭХГ и усложняет технологию эксплуатации.
Сущность изобретения
Задачей изобретения является создание способа выведения ЭХГ из действия, обладающего технологической простотой и обеспечивающего улучшенные массогабаритные удельные электрические характеристики.
Указанный технический результат достигается тем, что способ вывода из действия водородно-воздушного электрохимического генератора (ЭХГ), включающего контур подачи водорода, контур подачи воздуха с нагнетателем, контур циркуляции щелочного электролита с насосом, теплообменником и сливной емкостью, при котором отключают электрическую нагрузку, отключают подачу водорода и сливают электролит в электролитную емкость, при этом, согласно изобретению, перед отключением подачи водорода снижают температуру электролита путем его прокачки через теплообменник, выключают нагнетатель воздуха, отключают циркуляцию электролита, после слива электролита сообщают контур подачи воздуха с контуром подачи водорода.
Заявленная технология вывода из действия позволяет отказаться от системы хранения и подачи инертного газа, что существенно улучшает массогабаритные и удельные электрические характеристики ЭХГ и упрощает технологию эксплуатации.
Проведенный анализ уровня техники показал, что заявленная совокупность существенных признаков, изложенная в формуле изобретения, неизвестна. Это позволяет сделать вывод о ее соответствии критерию “новизна”.
Для проверки соответствия заявленного изобретения критерию “изобретательский уровень” проведен дополнительный поиск известных технических решений с целью выявления признаков, совпадающих с отличительными от прототипа признаками заявленного технического решения. В результате поиска выявлен патент США №2005/0074641, кл. Н01М 8/00, 2005, в котором при выведении из действия водородно-воздушного ЭХГ прекращают подачу водорода в анодную полость, а затем в нее подают воздух. Однако указанный известный способ относится к ЭХГ с полимерным электролитом, а подача воздуха в анодную полость производится с целью удаления избыточной воды, а не для дожигания водорода в анодной полости и заполнения ее атмосферным азотом с остатками кислорода. Кроме того, заявленный способ имеет другую совокупность существенных признаков. Таким образом, можно сделать вывод, что заявленное техническое решение не следует явным образом из известного уровня техники. Следовательно, заявленное изобретение соответствует критерию “изобретательский уровень”.
Сущность изобретения поясняется чертежом и описанием работы заявленного ЭХГ.
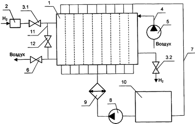
На чертеже представлен водородно-воздушный ЭХГ с щелочным электролитом.
ЭХГ включает батарею ТЭ 1, контур подачи водорода 2 с клапанами 3.1 и 3.2, контур подачи воздуха 4 с нагнетателем 5 и клапаном 6, контур циркуляции электролита 7 с насосом 8, теплообменником 9, сливной емкостью 10 и трубопровод 11 с клапаном 12.
Сведения, подтверждающие возможность осуществления изобретения.
ЭХГ работает следующим образом. Водород и воздух подается соответственно в анодные и катодные камеры батареи ТЭ 1. Выделяющиеся в результате электрохимической реакции вода и тепло выводятся из батареи циркулирующим электролитом. Тепло сбрасывается в теплообменнике 9. При выводе ЭХГ из действия отключают внешнюю нагрузку (на чертеже не показана), снижают температуру электролита путем его прокачки через теплообменник 9, отключают подачу и продувку водорода посредством клапанов 3.1 и 3.2 соответственно, выключают нагнетатель воздуха 5, сливают электролит в емкость 10, сообщают контур подачи воздуха 4 с контуром подачи водорода 2 посредством трубопровода 11 с клапаном 12. Водород в анодных полостях дожигается, и они заполняются отработанным воздухом с пониженным содержанием кислорода, т.е. практически азотом. ЭХГ отключено и законсервировано. При необходимости запуска ЭХГ закрывается клапан 12, включается насос 8 и батарея 1 заполняется электролитом из емкости 10, включается нагнетатель воздуха, и водород через клапан 3.1 подается в анодные полости батареи 1. ЭХГ готов к приему нагрузки.
На основании вышеизложенного можно сделать вывод, что заявленный способ вывода из действия ЭХГ может быть реализован на практике с достижением заявленного технического результата, т.е. он соответствует критерию «промышленная применимость».
Формула изобретения
Способ вывода из действия водородно-воздушного электрохимического генератора (ЭХГ), включающего контур подачи водорода, контур подачи воздуха с нагнетателем, контур циркуляции щелочного электролита с насосом, теплообменником и сливной емкостью, при котором отключают электрическую нагрузку, отключают подачу водорода и сливают электролит в электролитную емкость, отличающийся тем, что перед отключением подачи водорода снижают температуру электролита путем его прокачки через теплообменник, выключают нагнетатель воздуха, отключают циркуляцию электролита, после слива электролита сообщают контур подачи воздуха с контуром подачи водорода.
РИСУНКИ
|
|