|
|
(21), (22) Заявка: 2005137945/28, 06.12.2005
(24) Дата начала отсчета срока действия патента:
06.12.2005
(43) Дата публикации заявки: 20.06.2007
(46) Опубликовано: 10.01.2008
(56) Список документов, цитированных в отчете о поиске:
US 4250428 А, 10.02.1981. JP 62015728 А, 24.01.1987. US 4096406 A, 20.06.1978. GB 1490463 A, 02.11.1977. SU 170125 A1, 01.01.1965.
Адрес для переписки:
123995, Москва, Электрический пер., 1, ОАО “Корпорация “Фазотрон-НИИР”, Начальнику патентного отдела В.И. Фаленко
|
(72) Автор(ы):
Копылов Вячеслав Васильевич (RU), Лучин Анатолий Андреевич (RU), Михайлова Наталья Михайловна (RU), Туманов Александр Алексеевич (RU)
(73) Патентообладатель(и):
Открытое акционерное общество “Корпорация “Фазотрон-Научно-исследовательский институт радиостроения” (RU)
|
(54) КАТОДНО-СЕТОЧНЫЙ УЗЕЛ
(57) Реферат:
Изобретение относится к катодно-сеточным узлам (КСУ) преимущественно для импрегнированных малогабаритных и прямонакальных катодов электровакуумных приборов сверхвысокой частоты. КСУ содержит кольцевой катод и сетку, закрепленную по краю кольцевого держателя с одной стороны, что позволяет компенсировать тепловое расширение сетки без деформации ее структуры, путем свободного расширения в одну сторону. Элементы сетки выполнены синусоидальной формы из тонкой проволоки (диаметром 20…25 мкм). Технический результат – повышение надежности и долговечности катодно-сеточных узлов. 1 ил.
Изобретение относится к катодно-сеточным узлам электровакуумных приборов сверхвысоких частот (ЭВП СВЧ), в частности к импульсным и модуляторным лампам с кольцевым или ленточным катодом.
Известны катодно-сеточные узлы (КСУ), например, один из которых описан в книге Ю.А.Кацмана “Электронные лампы” (М. “В.Ш.” 1979 г., стр.232), в котором управляющая сетка располагается над оксидным катодом с выступами. Для защиты сетки от электронной бомбардировки с выступов удален эмиссионный слой. Это можно сделать на оксидном катоде, где эмиссионный слой легко удаляется.
В случае сильноточных импрегнированных катодов эта задача решается сложнее. Для защиты управляющей сетки от перегрева, под воздействием электронной бомбардировки, используют теневую сетку. Конфигурация теневой и управляющей сеток в этом случае идентичны. Это решение отражено в патенте English Electric Company LTD Великобритании №1507544, H1D, H01j 23/06 от 19.04.1978 г.
Сложность реализации этого решения состоит в том, что трудно реализовать взаимное расположение сеток, так как они находятся в разных температурных условиях, а требуемый зазор между ними мал (0.1-0.2 мм), поэтому у такой конструкции, как правило, недостаточная механическая и электрическая прочность.
Другая конструкция катодно-сеточного узла рассмотрена в патенте The Secretary of the Army, США №4250428, H01j 1/88, 313-268 от 10.02.1981 г.
Этот узел взят нами за прототип. Он имеет импрегнированный катод и сетку из тугоплавкого металла. Между катодом и сеткой расположена теневая керамическая сетка со сквозными отверстиями, аналогичными сеточным. Теневая сетка имеет сложную структуру. Она в своей основе имеет слой нитрида бора и относительно тонкий слой из нитрида кремния для защиты от проникновения алюмината эмиттера. Сетка скреплена монолитно с эмиттером, что малонадежно. Кроме того, конструкция не технологична из-за сложной технологии изготовления и полного отсутствия унификации, что малоприемлемо для промышленного производства.
Получается сложно, дорого, ненадежно.
Таким образом, задачей изобретения является создание катодно-сеточного узла с импрегнированным катодом без теневой сетки, термомеханически надежного, электрически стабильного и простого в изготовлении.
Поставленная задача достигается тем, что сетка в виде плоской или сферической спирали из тугоплавкого металла закрепляется в держателе с одной стороны, потому может свободно распространятся при нагревании в другую сторону, не деформируясь.
Для повышения прозрачности сетка изготавливается из тонкой (0.02-0.025 мм) тугоплавкой проволоки из вольфрама или сплава вольфрама с рением и ничем не защищается от электронной бомбардировки, которая разогревает витки сетки до 1400±50°С. Это такая температура, при которой барий из импрегнированного катода уже на ней не адсорбируется, а собственная эмиссия сетки мала (10-5 А/см2), что создает стабильность электрических параметров. Учитывая, что площадь поверхности сетки также мала, интегральный ток с сетки при температуре 1400°С составит (10-5 А/см2×6·10-3 см2=6·10-8 А) всего 0.6 A. Это допустимо для систем управления СВЧ.
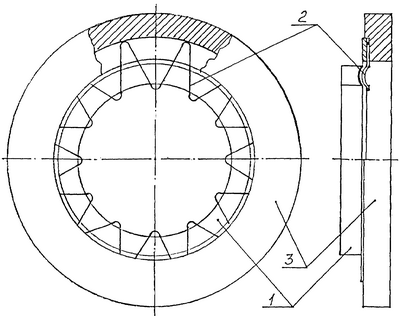
Предлагаемая сетка (2) для КПУ представлена на чертеже. Здесь катод (1) кольцевой конструкции, держатель сетки (3) выполнен в виде шайбы, которая дистанционируется от катода в катодной ножке ЭВП СВЧ.
Для исключения деформации сетки при ее нагреве спираль отжигают (снижают остаточные напряжения) при температуре 1650+50°С, т.е. существенно более высокой, чем рабочая температура. Это создает высокую термомеханическую прочность.
Формула изобретения
Катодно-сеточный узел преимущественно для импрегнированных малогабаритных и прямонакальных катодов электровакуумных приборов сверхвысокой частоты, содержащий кольцевой катод, отличающийся тем, что сетка закреплена по краю кольцевого держателя с одной стороны и выполнена синусоидальной формы из тонкой тугоплавкой проволоки.
РИСУНКИ
|
|