|
|
(21), (22) Заявка: 2006123532/09, 04.07.2006
(24) Дата начала отсчета срока действия патента:
04.07.2006
(46) Опубликовано: 10.01.2008
(56) Список документов, цитированных в отчете о поиске:
РЯБИНИН Ю.А. Стробоскопическое осциллографирование, Москва, Сов. радио, 1972, с.76-79. RU 2244374 С2, 10.01.2005. SU 1716571 A1, 29.02.1992. US 6323696 В1, 27.11.2001. US 5838175 A, 17.11.1998.
Адрес для переписки:
124498, Москва, Зеленоград, пр-д 4806, 5, МИЭТ, патентно-лицензионный отдел
|
(72) Автор(ы):
Старосельский Виктор Игоревич (RU), Гуминов Николай Владимирович (RU), Шмелев Сергей Сергеевич (RU)
(73) Патентообладатель(и):
Государственное образовательное учреждение высшего профессионального образования Московский государственный институт электронной техники (технический университет) (RU)
|
(54) УСТРОЙСТВО ВЫБОРКИ И ХРАНЕНИЯ АНАЛОГОВОЙ ИНФОРМАЦИИ
(57) Реферат:
Предметом изобретения является (ИМС) устройство выборки и хранения аналоговой информации (УВХ), работающее по принципу двухтактного стробирования и предназначенное для использования в системах точного измерения периодических электрических сигналов. Технический результат заключается в расширении динамического диапазона. Это достигается за счет введения простой цепи обратной связи и изменения способа включения вспомогательного диодного мостового смесителя. Основные блоки УВХ могут быть реализованы в виде интегральной микросхемы на основе арсенида галлия при использовании в качестве активных элементов полевых транзисторов с затвором Шоттки или гетеропереходных полевых транзисторов. 3 ил.
Изобретение относится к области аналого-цифровой микроэлектроники, более конкретно к аналого-цифровым интегральным полупроводниковым схемам, и может быть использовано в системах измерительной техники для преобразования аналоговых сигналов в цифровую форму. Заявляемое устройство выборки и хранения (УВХ) может быть использовано в качестве стробоскопического преобразователя для измерения периодических сигналов, в частности в стробоскопических осциллографах и вольтметрах, микроволновых томографах и других блоках измерительной аппаратуры.
Устройства выборки и хранения (УВХ) предназначены для преобразования аналогового электрического сигнала в расширенный импульс напряжения, амплитуда которого пропорциональна мгновенному значению сигнала в заданный момент времени (момент стробирования), который задается внешним сигналом стробирования. Такое преобразование позволяет исключить аппертурную погрешность измерения мгновенного значения сигнала и использовать менее скоростные и более точные аналого-цифровые преобразователи. Преобразование сигнала осуществляется смесителем, а расширенный импульс формируется на накопительном элементе, обычно на накопительном конденсаторе. Для снижения паразитных реактивностей расширенный импульс с накопительного конденсатора передается через буферный усилитель.
Наибольшую точность преобразования широкополосных УВХ обеспечивает применение мостовых 4-диодных смесителей.
Наиболее близким по технической сущности и достигаемому эффекту является УВХ, содержащее первый четырехдиодный мостовой смеситель 1 с входным электродом 2, выходным электродом 3, анодным электродом 4 и катодным электродом 5, второй 4-диодный мостовой смеситель 6 с входным электродом 7, выходным электродом 8, анодным электродом 9 и катодным электродом 10, накопительный конденсатор 11, включенный между общим электродом «земли» и выходным электродом 3 смесителя 1, формирователь стробимпульсов 12 с входными электродами 13 и выходными электродами 14 и 15, один из которых соединен с анодным электродом смесителя 1 и катодным электродом смесителя 6, а второй – с катодным электродом смесителя 1 и анодным электродом смесителя 6, а также буферный усилитель 16 с входным электродом 17, соединенным с выходным электродом 3 смесителя 1 и выходным электродом 18, входной электрод 7 смесителя 6 соединен с выходным электродом 18 буферного усилителя 16, а выходной электрод 8 смесителя 6 является выходом УВХ [1].
УВХ работает следующим образом. Формирователь стробимпульсов 12 вырабатывает на выходах 14 и 15 симметричные биполярные стробимпульсы, частота которых определяется частотой входных импульсов выборки. При положительной полярности стробимпульса на выходе 14 (и отрицательной – на выходе 15) диоды смесителя 1 открыты, а смесителя 6 закрыты. При этом напряжение на выходе 3 смесителя 1 повторяет форму входного сигнала. При смене полярности стробимпульсов (момент стробирования) диоды смесителя 1 запираются и на накопительном конденсаторе 11, соединенном с выходом 3 смесителя 1, остается напряжение, равное мгновенному значению исследуемого сигнала в момент стробирования. Это напряжение через буферный усилитель поступает на вход УВХ. Диоды смесителя 6 в это время открыты, входной сигнал поступает на накопительный конденсатор 11, соединенный с выходом 8 смесителя 6, и фиксируется на нем после очередной смены полярности стробимпульсов. Таким образом, исследуемый сигнал стробируется поочередно смесителями 1 и 6, а выходные расширенные импульсы должны измеряться при закрытых диодах соответствующего смесителя. Чтобы исключить шунтирование сигнала, формирователь стробимпульсов 12 должен иметь большое выходное сопротивления, поэтому выходной каскад формирователя выполнен на основе переключателя тока.
Основными недостатком описанного УВХ является сравнительно малый динамический диапазон, в котором сохраняется линейность передаточной характеристики и полоса пропускания входного сигнала. Этот диапазон соответствует диапазону изменения входного сигнала, при котором токи стробирования (токи через открытые диоды смесителей) и, следовательно, дифференциальные сопротивления открытых смесительных диодов изменяются незначительно.
Стандартный способ расширения динамического диапазона состоит в применении обратной связи. Применение обратной связи возможно в тех случаях, когда каждый последующий момент стробирования (момент запирания диодов первого смесителя) сдвинут относительно предыдущего на целое количество периодов изменения входного периодического сигнала плюс малый фазовый сдвиг. Цепь обратной связи организуется таким образом, что напряжение на накопительном конденсаторе, сформированное после каждого стробирования, поддерживается до следующего момента стробирования. В результате изменение напряжения на накопительном конденсаторе после каждого стробирования равно малому изменению входного сигнала за время малого фазового сдвига. Действие обратной связи подробно описано, например, в работе [2]. Основным недостатком известного способа организации обратной связи является сложное устройство цепи обратной связи, которая помимо необходимых элементов – расширителя импульсов и аттенюатора – должна включать дополнительный ключ и генератор управляющих импульсов, переключающий этот ключ синхронно со смесительными диодами.
Целью изобретения является расширение динамического диапазона УВХ за счет применения упрощенной цепи обратной связи.
Поставленная цель достигается за счет того, что в УВХ, содержащее первый четырехдиодный мостовой смеситель с входным электродом, выходным электродом, анодным электродом и катодным электродом, второй четырехдиодный мостовой смеситель с входным электродом, выходным электродом, анодным электродом и катодным электродом, накопительный конденсатор, включенный между общим электродом «земли» и выходным электродом первого смесителя, формирователь стробимпульсов с входными электродами и выходными электродами, один из которых соединен с анодным электродом первого смесителя и катодным электродом второго смесителя, а второй – с катодным электродом первого смесителя и анодным электродом второго смесителя, а также буферный усилитель с входным электродом, соединенным с выходным электродом первого смесителя, и выходным электродом, выходной электрод второго смесителя соединен с выходным электродом первого смесителя, а выходной электрод буферного усилителя соединен с входным электродом второго смесителя через цепь обратной связи, содержащую расширитель импульсов и включенный последовательно с ним аттенюатор, причем выход расширителя импульсов является выходом устройства.
Новизна заявляемого изобретения обусловлена тем, что в УВХ, содержащее первый и второй четырехдиодные мостовые смесители, накопительный конденсатор, формирователь стробимпульсов, а также буферный усилитель, выходной электрод второго смесителя соединен с выходным электродом первого смесителя, а выходной электрод буферного усилителя соединен с входным электродом второго смесителя через цепь обратной связи, содержащую расширитель импульсов и включенный последовательно с ним аттенюатор, причем выход расширителя импульсов является выходом устройства.
Такое соединение элементов обеспечивает возможность расширения динамического диапазона.
Использование обратной связи для расширения динамического диапазона УВХ известно и широко применяется в измерительной технике. Однако в известных устройствах (например, стробоскопических осциллографах) цепь обратной связи помимо расширителя импульсов и аттенюатора содержит дополнительный ключ, а также генератор управляющих импульсов, переключающий этот ключ синхронно со смесительными диодами.
В заявляемом решении отпадает необходимость использования дополнительного ключа и генератора управляющих им импульсов. Функцию дополнительного ключа выполняет второй четрырехдиодный мостовой смеситель, а синхронность его переключения со смесительными диодами обеспечивается автоматически.
Соединение выходного электрода второго смесителя с выходным электродом первого смесителя, а также соединение выходного электрода буферного усилителя с входным электродом второго смесителя через цепь обратной связи осуществляется совместно и невозможно по отдельности. Только сочетание этих отличительных признаков обеспечивает получение положительного эффекта – расширение динамического диапазона при упрощении цепи обратной связи. В науке и технике совместного использования данных отличительных признаков не выявлено. Поэтому можно сделать вывод о соответствии заявляемого решения критерию “Изобретательский уровень”.
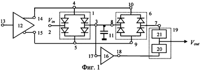
На фиг.1 представлена структурная схема заявляемого УВХ, где 1 – первый четырехдиодный мостовой смеситель с входным электродом 2, выходным электродом 3, анодным электродом 4 и катодным электродом 5, 6 – второй четырехдиодный мостовой смеситель с входным электродом 7, выходным электродом 8, анодным электродом 9 и катодным электродом 10, 11 – накопительный конденсатор, 12 – формирователь стробимпульсов с входными электродами 13 и выходными электродами 14 и 15, 16 – буферный усилитель с входным электродом 17 и выходным электродом 18, 19 – цепь обратной связи, содержащая расширитель импульсов 20 и аттенюатор 21, причем выход расширителя импульсов является выходом устройства.
На фиг.2 представлена временная диаграмма работы заявляемого УВХ
На фиг.3 представлена упрощенная традиционная структурная схема УВХ с обратной связью в для стробоскопического осциллографа, где 1 – смеситель, 11 – накопительный конденсатор, 12 – формирователь стробимпульсов, 16 – буферный усилитель, 19 – цепь обратной связи, 20 – расширитель импульсов, 21 – аттенюатор, 21 – дополнительный ключ, 22 – генератор управляющих импульсов.
Заявляемое устройство выборки и хранения (фиг.1) содержит первый четырехдиодный мостовой смеситель 1 с входным электродом 2, выходным электродом 3, анодным электродом 4 и катодным электродом 5, второй четырехдиодный мостовой смеситель 6 с входным электродом 7, выходным электродом 8, анодным электродом 9 и катодным электродом 10, накопительный конденсатор 11, включенный между общим электродом «земли» и выходным электродом 3 первого смесителя, формирователь стробимпульсов 12 с входными электродами 13 и выходными электродами 14 и 15, один из которых соединен с анодным электродом 4 первого смесителя и катодным электродом 10 второго смесителя, а второй – с катодным электродом 5 первого смесителя и анодным электродом 9 второго смесителя, а также буферный усилитель 16 с входным электродом 17, соединенным с выходным электродом 3 первого смесителя, и выходным электродом 18, причем выходной электрод 8 второго смесителя соединен с выходным электродом 3 первого смесителя, а выходной электрод 18 буферного усилителя 16 соединен с входным электродом 7 второго смесителя через цепь обратной связи 19, содержащую расширитель импульсов 20 и включенный последовательно с ним аттенюатор 21, а выход расширителя импульсов 20 является выходом устройства.
Большую часть блоков заявляемого УВХ целесообразно выполнять в виде интегральной микросхемы (ИМС) на основе GaAs или других полупроводниковых соединений типа А3B5, используя в качестве активных элементов диоды Шоттки, полевые транзисторы с затвором Шоттки (ПТШ) или гетеропереходные полевые транзисторы (ГИТ). Возможно выполнение ИМС УВХ в Би-МОП базисе. При этом формирователь стробимпульсов выполняется на биполярных транзисторах, а буферный усилитель – на n-канальных МОП-транзисторах, обладающих высоким входным сопротивлением, чтобы увеличить постоянную времени разряда накопительного конденсатора.
Формирователь стробимпульсов 12 целесообразно выполнять на переключателях тока (элементах с истоковой или эмиттерной связью), чтобы обеспечить максимальную симметрию биполярных стробимпульсов. Формирователь стробимпульсов 12 может иметь один или два входных электрода 13. В первом случае он должен включать каскад, расщепляющий входной управляющий сигнал на биполярные импульсы, во втором случае могут быть использованы симметричные биполярные управляющие сигналы, сформированные, например, элементами ЭСЛ.
Блоки 20 и 21, входящие в состав цепи обратной связи 19, целесообразно выполнять в виде навесных элементов.
Работа заявляемого УВХ поясняется временными диаграммами на фиг.2. Формирователь стробимпульсов 12 формирует на выходах 14 и 15 симметричные биполярные импульсы напряжения V14 и V14, которые в противофазе подаются на анодные электроды 4, 9 и катодные электроды 5, 10 первого и второго смесителей 1 и 6 соответственно (фиг.1). В течение временных интервалов Т1 (фиг.3) открыты диоды первого смесителя 1, и по окончании i-го интервала Т1i (момент времени ti) на накопительном конденсаторе 11 формируется напряжение V3i, пропорциональное значению входного сигнала Vin i. После запирания диодов первого смесителя (временные интервалы T2) накопительный конденсатор 11 медленно разряжается через входное сопротивление буферного усилителя 16, и напряжение V3 через буферный усилитель 16 передается в цепь обратной связи 19, а затем через расширитель импульсов 20 и аттенюатор 21 поступает на вход 7 второго смесителя 6. В течение интервалов времени T2 диоды смесителя 2 открыты, поэтому расширенный импульс передается на накопительный конденсатор 11. Коэффициент передачи аттенюатора 21 выбирается таким, что сигнал обратной связи восстанавливает напряжение V3 до исходного значения V3i.
Следующий i+1-й интервал стробирования Т1i+1 сдвинут относительно предыдущего на время nTin+ t, где Тin – период входного сигнала, n>1 – целое число, а t<<Тin – малый фазовый сдвиг. Поэтому к моменту ti+1 окончания i+1-го интервала T1i+1 значение входного сигнала Vin i+1 отличается от Vin i на малую величину Vin.Таким образом, на накопительном конденсаторе 11 формируется только малое разностное напряжение V3, пропорциональное изменению входного сигнала за время t. При формировании этого напряжение ток стробирования через открытые диоды 1-го смесителя изменяется незначительно, что обеспечивает высокую линейность передаточной характеристики УВХ и полосы пропускания даже при больших значениях амплитуды входного сигнала.
Сравнение структурных схем заявляемого УВХ и традиционного УВХ с обратной связью в для стробоскопического осциллографа (фиг.3) показывает, что в заявляемом УВХ цепь обратной связи реализуется существенно проще за счет того, что отпадает необходимость использования дополнительного ключа (21 на фиг.3) и генератора управляющих им импульсов (22 на фиг.3).
Примеры реализации блоков заявляемой УВХ в виде ИМС на основе GaAs с использованием в качестве активных элементов ПТШ или ГПТ приведены в [1, 3].
Источники информации
1. Налбандов Б.Г., Николаев В.А., Старосельский В.И., Шмелев С.С. Патент №2244374 РФ МПК Н03К 19/094. Широкополосная интегральная микросхема устройства выборки и хранения. Бюл. №1, 10.01.2005. – прототип.
2. Ю.А.Рябинин. Стробоскопическое осциллографирование. М., «Сов. радио», 1972, с.с.76-79.
3. Bushehri E., Thiede A., Staroselsky V. et al. Dual brige 6 Gsample/s track and hold circuit in AlGaAs/GaAs/AlGaAs HEMT technology. Electronics Letters. 1998, vol.34, №10, p.934-936.
Формула изобретения
Устройство выборки и хранения аналоговой информации, содержащее первый четырехдиодный мостовой смеситель с входным электродом, выходным электродом, анодным электродом и катодным электродом, второй четырехдиодный мостовой смеситель с входным электродом, выходным электродом, анодным электродом и катодным электродом, накопительный конденсатор, включенный между общим электродом «земли» и выходным электродом первого смесителя, формирователь строб-импульсов с входными электродами и выходными электродами, один из которых соединен с анодным электродом первого смесителя и катодным электродом второго смесителя, а второй – с катодным электродом первого смесителя и анодным электродом второго смесителя, а также буферный усилитель с входным электродом, соединенным с выходным электродом первого смесителя, и выходным электродом, отличающееся тем, что выходной электрод второго смесителя соединен с выходным электродом первого смесителя, а выходной электрод буферного усилителя соединен с входным электродом второго смесителя через цепь обратной связи, содержащую расширитель импульсов и включенный последовательно с ним аттенюатор, причем выход расширителя импульсов является выходом устройства.
РИСУНКИ
|
|