|
|
(21), (22) Заявка: 2006125788/09, 18.07.2006
(24) Дата начала отсчета срока действия патента:
18.07.2006
(46) Опубликовано: 10.01.2008
(56) Список документов, цитированных в отчете о поиске:
RU 2249855 С2, 10.04.2005. RU 2242793 С2, 20.12.2004. US 5136708 А, 04.08.1992. US 5129083 А, 07.07.1992.
Адрес для переписки:
119607, Москва, ул. Удальцова, 85, ФГУП “Научно-исследовательский институт “Восход”, Руководителю патентной группы
|
(72) Автор(ы):
Юхневич Леонид Александрович (RU), Демин Борис Евгеньевич (RU), Бурдаков Виктор Иванович (RU), Морозова Антонина Васильевна (RU), Романов Анатолий Николаевич (RU), Ященко Виктор Васильевич (RU)
(73) Патентообладатель(и):
Федеральное государственное унитарное предприятие “Научно-исследовательский институт “Восход” (RU)
|
(54) АВТОМАТИЗИРОВАННАЯ СИСТЕМА ВЕДЕНИЯ ПЕРСОНАЛЬНЫХ ДАННЫХ В БАЗЕ ДАННЫХ ИЗБИРАТЕЛЬНОЙ СИСТЕМЫ
(57) Реферат:
Изобретение относится к вычислительной технике, в частности к автоматизированной системе ведения персональных данных кандидатов и депутатов в интегрированной базе данных избирательной системы. Техническим результатом является повышение быстродействия системы путем локализации адресов запрашиваемых данных кандидатов и депутатов по идентификатору начальных букв фамилии, имени, отчества личности. Система содержит блок приема входных сообщений, блок селекции базового адреса избирательной комиссии, блок селекции интервалов записи и выборки данных, блок модификации адресов записи данных, блок памяти, блок селекции интервалов выверки данных, блок предъявления данных для выверки, блок селекции опорного адреса считывания базы данных сервера, блок определения границ выборки данных базы данных сервера, блок формирования сигналов считывания и записи базы данных сервера, блок приема записей базы данных сервера, блок идентификации данных личности. 13 ил.
Изобретение относится к вычислительной технике, в частности к автоматизированной системе ведения персональных данных кандидатов и депутатов в интегрированной базе данных избирательной системы.
Развитие информационных технологий и средств связи создало основу для создания различных территориально-распределенных систем с сотнями и тысячами баз данных (БД) в зоне ответственности объектов автоматизации.
В состав информационного фонда, образуемого совокупностью этих БД, входят, как правило, и сведения о людях, выполняющих ту или иную роль в задачах предметной области. Перечень сведений об участниках ролевых функций, подлежащий электронному хранению, регламентируется в таких случаях нормативно-правовыми актами предметной области.
Особенность поставленной технической задачи состоит в том, что при сборе персональных данных кандидатов и депутатов в интегрированные базы данных Центральной избирательной комиссии и избирательные комиссии субъектов Российской Федерации из баз данных избирательных комиссий различного уровня Государственной автоматизированной системы «Выборы» [1] возникает проблема устранения расхождений в сведениях о кандидатах и депутатах, вводимых в разные базы данных информационного фонда системы, обеспечивая его целостное и согласованное состояние.
Состав сведений, которые обязан сообщить кандидат при своем выдвижении в тех или иных выборах, определен Федеральным законом «Об основных гарантиях избирательных прав и права на участие в референдуме граждан Российской Федерации» [2].
В указываемый перечень входят основные идентификационные сведения гражданина: фамилия, имя, отчество (если имеется), дата и место рождения, пол. Кандидат обязан также сообщить свои место проживания, работу и должность (род занятий), уровень образования, атрибуты документа, удостоверяющего личность, и сведения о доходах и имуществе.
Многие кандидаты являются постоянными участниками избирательных кампаний, выдвигая свою кандидатуру в федеральные и региональные органы государственной власти или органы местного самоуправления, вследствие чего сведения об их баллотировании вводятся в базы данных различных избирательных комиссий, т.е. в общем случае в любые из трех тысяч баз данных ГАС «Выборы», расположенных в 89 субъектах РФ.
В базах данных ЦИК России и избирательных комиссий субъектов РФ (ИКСРФ) собирается информация по выборам, организованным нижестоящими избирательными комиссиями, путем асинхронной передачи сообщений между базами данных Государственной автоматизированной системы «Выборы».
В процессе сбора сведений об одном и том же гражданине, введенных в территориально удаленные базы данных разными операторами, в разные временные отрезки и по различным заявлениям о выдвижении, могут возникать расхождения в идентификационных и других видах сведений из-за ошибок ввода значений с клавиатуры, из-за неточной подачи кандидатом сведений в самом заявлении, а также в связи с изменениями персональных данных (переездом на другое место жительства, изменением работы и/или должности и т.д.).
Учитывая, что программным путем невозможно отличить смысловые расхождения в персональных данных от семантически эквивалентных, система актуализации данных кандидатов и депутатов в интегрированных базах данных избирательной системы должна обеспечить технологию отбора актуальных сведений кандидатов и депутатов для актуализации интегрированных баз данных ЦИК РФ и ИКСРФ.
Известны технические решения, которые могли бы быть использованы для построения системы актуализации данных кандидатов и депутатов в интегрированных базах данных избирательной системы [3, 4].
Первая из известных систем содержит блоки приема и хранения данных, соединенные с блоками управления и обработки данных, блоки поиска и селекции, подключенные к блокам хранения данных и отображения, синхронизирующие входы которых соединены с выходами блока управления [3].
Существенный недостаток данной системы состоит в невозможности решения задачи обновления данных одновременно с решением задачи выдачи содержания этих данных в реальном масштабе времени.
Известна и другая система, содержащая блоки обработки данных, информационные входы которых соединены с блоками приема данных и управления, а выходы подключены к первой группе блоков памяти, центральный процессор, входы которого соединены с выходами блоков памяти первой группы и блоков обработки данных, а выходы соединены с входами блоков памяти второй группы и блоков отображения данных [4].
Последнее из перечисленных выше технических решений наиболее близко к описываемому.
Его недостаток заключается в невысоком быстродействии системы, обусловленном тем, что выполнение процедуры запросов актуализируемых данных кандидатов и депутатов реализуется через поиск записей по всей базе данных и их последующей обработке центральным процессором, что при больших объемах актуализируемых данных неизбежно приведет к большим затратам времени.
Цель изобретения – повышение быстродействия системы путем локализации адресов актуализируемых данных кандидатов и депутатов в интегрированной базе данных избирательной системы по идентификаторам начальных букв фамилии, имени, отчества кандидатов и депутатов.
Поставленная цель достигается тем, что в известную систему, содержащую блок приема входных сообщений, информационный и синхронизирующий входы которого являются первыми информационным и синхронизирующим входами системы, при этом информационный вход блока приема входных сообщений предназначен для приема входных сообщений избирательных комиссий, а синхронизирующий вход блока приема входных сообщений предназначен для приема синхронизирующих сигналов занесения входных сообщений в блок приема входных сообщений, блок памяти, адресный вход которого соединен с информационным выходом блока модификации адресов записи данных, вход управления записью блока памяти подключен к первому синхронизирующему выходу блока модификации адресов записи данных, а информационный выход блока памяти соединен с информационным входом блока предъявления данных для выверки, блок приема записей базы данных сервера, информационный вход которого является вторым информационным входом системы, предназначенным для приема данных кандидатов и депутатов из базы данных сервера системы, первый синхронизирующий вход блока приема записей базы данных сервера является вторым синхронизирующим входом системы, предназначенным для приема синхронизирующих сигналов сервера системы для занесения данных кандидатов и депутатов в блок приема записей базы данных сервера, второй синхронизирующий вход блока приема записей базы данных сервера является третьим синхронизирующим входом системы, предназначенным для приема синхронизирующих сигналов занесения данных с автоматизированного рабочего места эксперта, блок формирования сигналов считывания и записи базы данных сервера, информационный выход которого является адресным выходом системы, предназначенным для выдачи адреса записи и считывания данных на адресный вход сервера базы данных, один синхронизирующий выход блока формирования сигналов считывания и записи базы данных сервера является первым синхронизирующим выходом системы, предназначенным для выдачи сигналов управления на вход первого канала прерывания сервера базы данных, а другой синхронизирующий выход блока формирования сигналов считывания и записи базы данных сервера является вторым синхронизирующим выходом системы, предназначенным для выдачи сигналов управления на вход второго канала прерывания сервера базы данных, введены блок селекции базового адреса избирательной комиссии, информационный вход которого соединен с первым выходом блока приема входных сообщений, синхронизирующий вход блока селекции базового адреса избирательной комиссии подключен к первому синхронизирующему выходу блока приема входных сообщений, информационный выход блока селекции базового адреса избирательной комиссии соединен с первым информационным входом блока модификации адресов записи данных, а синхронизирующий выход блока селекции базового адреса избирательной комиссии подключен к первому синхронизирующему входу блока модификации адресов записи данных, второй синхронизирующий вход которого соединен со вторым синхронизирующим выходом блока приема входных сообщений, блок селекции интервалов записи и выборки данных, информационный вход которого соединен со вторым информационным выходом блока приема входных сообщений, счетный вход блока селекции интервалов записи и выборки данных подключен к первому синхронизирующему выходу блока модификации адресов записи данных, а синхронизирующий вход блока селекции интервалов записи и выборки данных соединен со вторым синхронизирующим выходом блока модификации адресов записи данных, при этом информационный выход блока селекции интервалов записи и выборки данных подключен ко второму информационному входу блока модификации адресов записи данных, первый синхронизирующий выход блока селекции интервалов записи и выборки данных является управляющим выходом системы, предназначенным для выдачи сигналов на управление предъявлением новых записей из кодограммы входных сообщений, второй синхронизирующий выход блока селекции интервалов записи и выборки данных соединен с входом управления считыванием данных блока памяти, а третий синхронизирующий выход блока селекции интервалов записи и выборки данных подключен к синхронизирующему входу блока предъявления данных для выверки, блок селекции опорного адреса считывания базы данных сервера, информационный вход которого соединен с первым информационным выходом блока предъявления данных для выверки, синхронизирующий вход блока селекции опорного адреса считывания базы данных сервера подключен к третьему синхронизирующему выходу блока селекции интервалов записи и выборки данных, при этом первый информационный выход блока селекции опорного адреса считывания базы данных сервера соединен с информационным входом блока формирования сигналов считывания и записи базы данных сервера, а синхронизирующий выход блока селекции опорного адреса считывания базы данных сервера подключен к первому синхронизирующему входу блока формирования сигналов считывания и записи базы данных сервера, блок определения границ выборки данных базы данных сервера, информационный вход которого соединен со вторым информационным выходом блока селекции опорного адреса считывания базы данных сервера, а синхронизирующий вход блока определения границ выборки данных базы данных сервера подключен к синхронизирующему выходу блока селекции опорного адреса считывания базы данных сервера, при этом один выход блока определения границ выборки данных базы данных сервера соединен со вторым синхронизирующим входом блока формирования сигналов считывания и записи базы данных сервера, а другой выход блока определения границ выборки данных базы данных сервера подключен к третьему синхронизирующему входу блока формирования сигналов считывания и записи базы данных сервера, четвертый синхронизирующий вход которого является управляющим входом системы, блок селекции интервалов выверки данных, информационный вход которого соединен со вторым информационным выходом блока приема входных сообщений, счетный вход блока селекции интервалов выверки данных подключен к управляющему входу системы, один выход блока селекции интервалов выверки данных соединен с третьим синхронизирующим входом блока модификации адресов записи данных, а другой выход блока селекции интервалов выверки данных является первым сигнальным выходом системы, предназначенным для выдачи сигналов окончания процедуры выверки данных, блок идентификации данных личности, один информационный вход которого соединен со вторым информационным выходом блока предъявления данных для выверки, другой информационный вход блока идентификации данных личности подключен к первому информационному выходу блока приема записей базы данных сервера, синхронизирующий вход блока идентификации данных личности соединен с синхронизирующим выходом блока предъявления данных для выверки, первый выход блока идентификации данных личности соединен со счетным входом блока определения границ выборки данных базы данных сервера, а второй выход блока идентификации данных личности является вторым сигнальным выходом системы, предназначенным для выдачи сигнала предъявления данных сверки на автоматизированное рабочее место эксперта, при этом третий информационный выход блока приема входных сообщений соединен с информационным входом блока памяти, третий информационный выход блока предъявления данных для выверки является первым информационным выходом системы, предназначенным для выдачи поступивших данных кандидатов и депутатов на автоматизированное рабочее место эксперта, а второй информационный выход блока приема записей базы данных сервера является вторым информационным выходом системы, предназначенным для выдачи данных базы данных сервера на автоматизированное рабочее место эксперта.
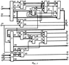
Сущность изобретения поясняется чертежами, где на фиг.1 представлена структурная схема системы, на фиг.2 – структурная схема блока приема входных сообщений, на фиг.3 – структурная схема блока селекции базового адреса избирательной комиссии, на фиг.4 – структурная схема блока селекции интервалов записи и выборки данных, на фиг.5 – структурная схема блока модификации адресов записи данных, на фиг.6 – структурная схема блока селекции интервалов выверки данных, на фиг.7 – структурная схема блока селекции опорного адреса считывания базы данных сервера, на фиг.8 – структурная схема блока определения границ выборки данных базы данных сервера, на фиг.9 – структурная схема блока определения границы выборки данных базы данных сервера, на фиг.10 – структурная схема блока формирования сигналов считывания и записи базы данных сервера.
Система (фиг.1) содержит блок 1 приема входных сообщений, блок 2 селекции базового адреса избирательной комиссии, блок 3 селекции интервалов записи и выборки данных, блок 4 модификации адресов записи данных, блок 5 памяти, блок 6 селекции интервалов выверки данных, блок 7 предъявления данных для выверки, блок 8 селекции опорного адреса считывания базы данных сервера, блок 9 определения границ выборки данных базы данных сервера, блок 10 формирования сигналов считывания и записи базы данных сервера, блок 11 приема записей базы данных сервера, блок 12 идентификации данных личности.
На фиг.1 показаны первый 21 и второй 22 информационные входы системы, первый 24, второй 25 и третий 26 синхронизирующие входы системы, тактирующий 27 вход системы, а также адресный выход 30, первый 31 и второй 32 информационные выходы системы, первый 33 и второй 34 синхронизирующие выходы системы, управляющий 35 выход системы, первый 36 и второй 37 сигнальные выходы системы.
Блок 1 приема входных сообщений (фиг.2) содержит регистры 40, 41, триггер 42, элементы 43, 44 И, элемент 45 ИЛИ и элемент 46 задержки. На чертеже показаны информационный 21 и синхронизирующий 24 входы, а также первый 49, второй 50 и третий 51 информационные выходы, первый 52 и второй 53 синхронизирующие выходы.
Блок 2 (фиг.3) селекции базового адреса избирательной комиссии содержит постоянное запоминающее устройство 55, дешифратор 56, регистр 57, элементы 58-60 И, элементы 61, 62 задержки. На чертеже показаны информационный 64 и синхронизирующий 65 входы, а также информационный 66 и синхронизирующий 67 выходы.
Блок 3 (фиг.4) селекции интервалов записи и выборки данных содержит реверсивный счетчик 70, компаратор 71, элемент 72 ИЛИ, элементы 73, 74 задержки. На чертеже показаны информационный 75, счетный 76 и синхронизирующий 77 входы, а также информационный 78 и первый 79, второй 80 и третий 81 синхронизирующие выходы.
Блок 4 (фиг.5) содержит сумматор 82, элементы 83, 84 ИЛИ, элементы 85-1 и 85-2 задержки. На чертеже показаны первый 86 и второй 87 информационные входы, первый 88, второй 89 и третий 90 синхронизирующие входы, а также информационный 91 и первый 92, второй 93 синхронизирующие выходы.
Блок 5 (фиг.1) памяти выполнен в виде оперативного запоминающего устройства, имеющего адресный вход 155, информационный вход 156, вход 157 управления записью данных, вход 158 управления считыванием данных, а также информационный выход 159.
Блок 6 (фиг.6) селекции интервалов выверки данных содержит компаратор 98, счетчик 99 и элемент 100 задержки. На чертеже показаны информационный 101 и счетный 102 входы, а также выходы 103, 104.
Блок 7 (фиг.1) выполнен в виде регистра, имеющего информационный 105 и синхронизирующий 106 входы, а также первый 107, второй 108 и третий 109 информационные выходы.
Блок 8 (фиг.7) селекции опорного адреса считывания базы данных сервера содержит постоянное запоминающее устройство 110, дешифратор 111, элементы 112-114 И, элементы 115-1 и 115-2 задержки. На чертеже показаны информационный 116 и синхронизирующий 117 входы, а также первый 118 и второй 119 информационные и синхронизирующий 120 выходы.
Блок 9 (фиг.8) определения границ выборки данных базы данных сервера содержит регистр 121, счетчик 122, компаратор 123 и элемент 124 задержки. На чертеже показаны информационный 125, синхронизирующий 126 и счетный 127 входы, а также выходы 128, 129.
Блок 10 (фиг.9) формирования сигналов считывания и записи базы данных сервера содержит счетчик 130, элементы 131-133 ИЛИ, элементы 134, 135 задержки. На чертеже показаны информационный 136 и синхронизирующие 137-140 входы, а также адресный 30 и первый 33 и второй 34 синхронизирующие выходы.
Блок 11 (фиг.10) приема записей базы данных сервера содержит регистр 142, элемент 143 ИЛИ, элемент 144 задержки. На чертеже показаны информационный 22 и синхронизирующие 25, 26 входы, а также информационные 145, 146 и синхронизирующий 147 выходы.
Все узлы и элементы системы выполнены на стандартных потенциально-импульсных элементах. Для упрощения чертежа цепи начальной установки узлов и блоков в исходное состояние не показаны.
В основу построения системы положена концепция двух видов экспертного контроля: оперативного контроля сведений, поступающих из других баз данных в составе сообщений, и отложенного контроля для выявления персон, имеющих похожие фамилию, имя, отчество и/или дату рождения. Первый вид контроля принято называть предпросмотром сообщений, а второй – поиском двойников.
В структуре базы данных системы для идентификации личности кандидата предусмотрены два ключа – первичный (используется для ссылок между таблицами базы данных) и альтернативный (для поиска по запросам эксперта).
Первичный ключ состоит из атрибута с коротким вычисляемым значением, алгоритм формирования которого обеспечивает его уникальность во времени и на всем множестве базы данных системы.
Альтернативный ключ является семантическим ключом персоны, образованным из четырех атрибутов: фамилия, имя, отчество (оно может отсутствовать) и даты рождения. В случае безошибочного ввода идентификационных сведений о кандидате и депутате в разные базы данных его семантический ключ в этих базах данных будет совпадать, в то время как первичный ключ будет иметь разные значения.
Персональные данные кандидата в структуре базы данных отделены от сведений о его выдвижении, что позволяет избежать их дублирования в тех случаях, когда многие участия кандидата в выборах проходят без изменения (или только с частичным изменением) персональных данных. Изменения персональных данных приводят к накоплению в БД записей, объединяемых в понятие «история сведений». Ключ записи в истории сведений образован из первичного ключа персоны и даты того первого выдвижения кандидата, когда он сообщил о себе измененные сведения.
Для выдачи сведений о кандидате по их состоянию на период его участия в определенных выборах выполняется отбор записей из стека истории по критерию близости даты подачи сведений к дате голосования. В пользовательском интерфейсе обеспечены два способа просмотра персональных данных кандидата: только по состоянию участия в выборах и сводные персональные данные с выдачей истории по каждой категории сведений.
В процессе работы системы в базы данных вышестоящих избирательных комиссий присылаются сообщения об участии кандидата в других избирательных кампаниях, благодаря чему в таких базах данных (далее по тексту будем называть их «базами данных получателя») можно формировать профиль избирательной активности кандидата, знать – где и когда он баллотировался и был избран.
Необходимо подчеркнуть, что только первое сообщение о составе кандидатов в определенных выборах выгружает весь список кандидатов из базы данных отправителя. Все последующие сообщения, отправка которых инициируется внесением изменений в этот список, доставляют только изменения. Доставка изменений уменьшает сетевой трафик и время выгрузки/загрузки сообщений.
Система работает следующим образом.
Структура кодограмм сообщений, поступающих от нижестоящих избирательных комиссий, имеет следующий вид:
| КОД |
КОД |
КОД |
КОД |
| Идентификатор избирательной комиссии, приславшей входное сообщение |
Число кандидатов, данные о которых содержатся во входном сообщении |
Идентификационные данные личности кандидата: фамилия; имя; отчество; дата рождения |
ОСТАЛЬНЫЕ АТРИБУТЫ СВЕДЕНИЙ О ДАННОМ КАНДИДАТЕ |
Вся кодограмма входного сообщения поступает на вход системы и записывается в буферную память системы (на чертеже не показана), а первая запись входной кодограммы поступает на информационный вход 21 системы и далее поступает на информационные входы регистров 40 и 41 блока 1.
Для занесения кодов первой записи в регистры 40 и 41 на вход 24 системы поступает синхронизирующий импульс, который подается на одни входы элементов 43, 44 И, другие входы которых управляются выходными потенциалами триггера 42. Учитывая то обстоятельство, что триггер 42 блока 1 перед началом работы системы был установлен в исходное состояние, высоким потенциалом с инверсного выхода триггера 42 элемент 43 И будет открыт, а низким потенциалом с прямого выхода триггера 42 элемент 44 И будет закрыт.
В результате этого синхронизирующий импульс с входа 24 проходит элемент 43 И, и во-первых, непосредственно поступает на синхронизирующий вход регистра 40, занося в него код идентификатора избирательной комиссии, приславшей входное сообщение, и код числа кандидатов, данные о которых содержатся в данном сообщении.
Во-вторых, синхронизирующий импульс с выхода элемента 43 И проходит элемент 45 ИЛИ и поступает на синхронизирующий вход регистра 41, занося в него идентификационные данные личности первого кандидата и все остальные атрибуты передаваемых сведений.
В-третьих, синхронизирующий импульс с выхода элемента 43 И задерживается элементом 46 на время занесения кодов входного сообщения в регистры 40, 41, а затем выдается как на единичный вход триггера 42, устанавливая его в единичное состояние, так и на выход 52 блока 1. Переходя в единичное состояние, триггер 42 низким потенциалом с инверсного выхода закрывает элемент 43 И, а высоким потенциалом с прямого выхода – открывает элемент 44 И, подготавливая другую цепь прохождения очередного синхронизирующего импульса с входа 24.
С выхода 49 блока 1 код идентификатора избирательной комиссии, приславшей входное сообщение, поступает на вход 64 блока 2, откуда он подается на вход дешифратора 56, который расшифровывает код идентификатора избирательной комиссии и открывает по одному входу один из элементов элемент 58-60 И, соответствующий коду идентификатора избирательной комиссии.
Одновременно с этим синхронизирующий импульс с выхода 52 блока 1 поступает на вход 65 блока 2, где проходит через соответствующий элемент 58-60 И на вход соответствующей фиксированной ячейки памяти ПЗУ 55, в которой хранится базовый адрес зоны памяти, выделенной в блоке 5 данной избирательной комиссии для документирования данных входного сообщения, и считывает его на информационный вход регистра 57.
Параллельно с этим синхронизирующий импульс с входа 65 блока 2 задерживается элементом 61 на время считывания базового адреса из ПЗУ 55 и поступает на синхронизирующий вход регистра 57, занося в него код базового адреса, который с выхода 66 блока 2 через вход 86 блока 4 подается на один информационный вход сумматора 82 блока 4. К другому информационному входу 87 сумматора 82 блока 4 подключен выход 78 счетчика 70 блока 3, в данный момент времени находящийся в исходном состоянии, и поэтому на информационном входе 87 блока 4 входной код будет равен нулю.
Синхронизирующий импульс с выхода элемента 61 блока 2 задерживается элементом 62 на время занесения кода в регистр 57, и затем с выхода 67 блока 2 через первый синхронизирующий вход 88 блока 4 и элемент 83 ИЛИ поступает на синхронизирующий вход сумматора 82, обеспечивая занесение в сумматор 82 кода базового адреса избирательной комиссии, который с выхода 91 блока 4 поступает на вход 155 блока памяти 5.
Параллельно с этим процессом синхронизирующий импульс с входа 88 проходит элемент 84 ИЛИ, задерживается элементом 85-1 на время формирования кода на выходе 91 блока 4 и затем с выхода 92 блока 4 поступает на вход 157 управления записью данных первого кандидата, которые с выхода 51 блока 1 подаются на информационный вход 156 блока 5, занося их в ячейку памяти с заданным базовым адресом.
Одновременно с этим импульс управления записью входных данных с выхода 92 блока 4 поступает на счетный вход 76 блока 3, далее поступает на вход счетчика 70, подсчитывающего число записей в блоке 5. Это число записей счетчика 70, во-первых, выдается на выход 78 блока 3, а во-вторых, поступает на один информационный вход компаратора 71, на другой информационный вход 75 которого с выхода 50 блока 1 подается код числа кандидатов, сведения о которых должны быть занесены в блок 5 памяти.
Тот же импульс управления записью данных с входа 76 блока 3 задерживается элементом 73 на время срабатывания счетчика 70, затем поступает на синхронизирующий вход компаратора 71. Если число записей счетчика 70 будет меньше числа кандидатов, которые подлежат документированию в блоке 5, то на выходе 79 блока 3 формируется сигнал, поступающий на управляющий выход 35 системы в качестве сигнала на занесение в блок 1 очередной записи входной кодограммы.
По этому сигналу из буферной памяти системы через вход 21 считывается очередная запись входной кодограммы, поступающая на вход 21 блока 1.
Данные, содержащие сведения об очередном кандидате, будут занесены только в регистр 41, поскольку синхронизирующий импульс с входа 24 проходит теперь через элемент 44 И, затем элемент 45 ИЛИ и далее на синхронизирующий вход регистра 41, занося в него входные данные.
Одновременно с этим импульс с выхода элемента 44 И через выход 53 блока 1 поступает на второй синхронизирующий вход 89 блока 4, где, пройдя элемент 83 ИЛИ, поступает на синхронизирующий вход сумматора 82, обеспечивая прибавление в сумматоре 82 к коду базового адреса избирательной комиссии показаний счетчика 70 блока 3, формируя тем самым очередной адрес для записи входных данных очередного кандидата в блок 5.
Параллельно с этим процессом синхронизирующий импульс с входа 89 проходит элемент 84 ИЛИ, задерживается элементом 85-1 на время формирования кода на выходе 91 блока 4 и затем с выхода 92 блока 4 поступает на вход 157 управления записью сведений об очередном кандидате, которые с выхода 51 блока 1 подаются на информационный вход 156 блока 5, занося их в ячейку памяти с заданным базовым адресом.
Одновременно с этим импульс управления записью входных данных с выхода 92 блока 4 вновь поступает на счетный вход 76 блока 3, далее поступает на вход счетчика 70, подсчитывающего число записей в блоке 5. Это число записей счетчика 70 вновь поступает на один информационный вход компаратора 71, на другой информационный вход 75 которого с выхода 50 блока 1 подается код числа кандидатов, сведения о которых должны быть занесены в блок 5 памяти.
Тот же импульс управления записью данных с входа 76 блока 3 задерживается элементом 73 на время срабатывания счетчика 70 и затем поступает на синхронизирующий вход компаратора 71. Если число записей счетчика 70 будет меньше числа кандидатов, которые подлежат документированию в блоке 5, то на выходе 79 блока 3 вновь формируется сигнал, поступающий на управляющий выход 35 системы в качестве сигнала на занесение в блок 1 очередной записи входной кодограммы.
По этому сигналу из буферной памяти системы через вход 21 вновь считывается очередная запись входной кодограммы, поступающая на вход 21 блока 1. Этот процесс будет продолжаться до тех пор, пока показания счетчика 70 не станут равны числу кандидатов, подлежащих занесению в память системы. В этом случае по синхронизирующему сигналу с выхода элемента 73 задержки компаратор 71 формирует импульс на своем втором выходе.
С этого выхода компаратора 71 импульс проходит элемент 72 ИЛИ и сразу же выдается на выход 80 блока 3 в качестве сигнала окончания процесса занесения входных данных в блок 5 памяти и начала управления считыванием поступивших данных для их предъявления на сверку с данными о кандидатах и депутатах, хранимых в интегрированной базе данных системы.
Учитывая, что на выходе 91 блока 4 к этому моменту времени будет зафиксирован адрес, по которому была выполнена последняя запись входных данных, с поступлением импульса считывания на вход 158 данные последней записи кандидата считываются с выхода 159 блока 5 и поступают на информационный вход 105 блока 7. Одновременно с этим синхронизирующий импульс с выхода элемента 72 ИЛИ блока 3 задерживается элементом 74 на время считывания данных из блока 5 и с выхода 81 блока 3 поступает на вход 106 блока 7, занося в него считанные данные из блока 5 памяти.
Структура данных на выходах блока 7 будет иметь следующий вид:
| КОД |
КОД |
КОД |
| Кодовая комбинация, образованная начальными буквами ФАМИЛИИ, ИМЕНИ, ОТЧЕСТВА |
ФАМИЛИЯ, ИМЯ, ОТЧЕСТВО, Дата рождения КАНДИДАТА |
АТРИБУТЫ ОСТАЛЬНЫХ СВЕДЕНИЙ O КАНДИДАТЕ |
| Выход 107 |
Выход 108 |
Выход 109 |
С выхода 107 блока 7 кодовая комбинация, образованная начальными буквами фамилии, имени, отчества кандидата, поступает на информационный вход 116 блока 8, а синхронизирующий импульс с выхода 81 блока 3 поступает на вход 117 блока 8.
С входа 116 кодовая комбинация начальных букв Фамилии, Имени, Отчества кандидата поступает на вход дешифратора 111. Дешифратор 111 расшифровывает входную кодовую комбинацию и открывает по одному входу один из элементов 112-114 И, соответствующий входному идентификационному признаку. Допустим, что таким элементом является элемент 112 И.
Параллельно с этим синхронизирующий импульс с входа 117 блока 8 задерживается элементом 115-1 на время занесения кода в блок 8 и срабатывания дешифратора 111, и учитывая то обстоятельство, что открытым по одному входу будет только элемент 112 И, то пройдя этот элемент И, синхроимпульс, во-первых, поступает на вход считывания фиксированной ячейки памяти постоянного запоминающего устройства 110, где хранится опорный адрес зоны памяти базы данных системы, в которой хранятся все записи о гражданах, имеющих одинаковые начальные буквы фамилии, имени, отчества, соответствующие кодовой комбинации начальных букв Фамилии, Имени, Отчества из записи входной кодограммы.
Код опорного адреса зоны памяти базы данных системы считывается на информационный выход 118 блока 8, а код числа подобных записей в базе данных системы считывается на выход 119 блока 8.
При этом код опорного адреса зоны памяти базы данных с выхода 118 блока 8 поступает на информационный вход 136 блока 10, а код числа записей с такой же кодовой комбинацией начальных букв Фамилии, Имени, Отчества и датой рождения, находящихся в базе данных системы, с выхода 119 блока 8 поступает на информационный вход 125 блока 9.
Далее код опорного адреса с входа 136 блока 10 поступает на информационный вход счетчика 130, а код числа записей в базе данных с входа 125 блока 9 поступает на информационный вход регистра 121.
Во-вторых, тот же импульс считывания с выхода элемента 115-1 задержки блока 8 задерживается элементом 115-2 задержки на время считывания содержимого фиксированной ячейки ПЗУ и затем с выхода 120 блока 8 поступает как на синхронизирующий вход 137 блока 10, занося в счетчик 130 код опорного адреса, так и на синхронизирующий вход 126 блока 9, и далее на синхронизирующий вход регистра 121, занося в него код числа записей.
При этом код опорного адреса с выхода счетчика 130 блока 10 выдается на выход 30 системы.
Кроме того, тот же синхронизирующий импульс с входа 137 блока 10 проходит элемент 132 ИЛИ, задерживается элементом 134 на время занесения кода опорного адреса в счетчик 130 и затем через первый синхронизирующий выход 33 системы поступает на вход первого канала прерывания сервера базы данных.
По этому сигналу сервер переходит на подпрограмму считывания содержимого ячейки базы данных по указанному адресу, выдачи его на информационный вход 22 системы и занесения содержимого ячейки базы данных в регистр 142 блока 11 синхронизирующим импульсом, поступающим с сервера на вход 25 и через элемент 143 ИЛИ на синхронизирующий вход регистра 142 блока 11.
Идентификационная часть кодограммы считанной записи базы данных с выхода 145 регистра 142 блока 11 поступает на вход 150 компаратора 12, на другой 149 вход которого подаются идентификационные данные личности кандидата с выхода 108 блока 7.
Одновременно с этим синхронизирующий импульс с входа 25 задерживается элементом 144 на время занесения считанной записи идентификационных данных личности кандидата в регистр 142, поступает на синхронизирующий вход 151 компаратора 12, сравнивающего входные значения идентификационных данных личности кандидата в блоке 7 с идентификационными данными личности кандидата, поступившими из базы данных системы.
Если сравнения входных кодов не произошло, то компаратор 12 на выходе 152 формирует синхронизирующий сигнал, который через вход 127 блока 9 поступает на счетный вход счетчика 122, фиксирующего факт просмотра первой записи идентификационных данных личности из числа записей, хранящихся в базе данных системы.
Выходной код счетчика 122 поступает на один вход компаратора 123, на другой информационный которого с выхода регистра 121 подается код числа записей идентификационных данных личности с заданной комбинацией начальных букв фамилии, имени, отчества, хранящихся в базе данных системы.
Параллельно с этим синхронизирующий импульс с входа 127 блока 9 задерживается элементом 124 на время срабатывания счетчика 122 и поступает на синхронизирующий вход компаратора 123.
По синхронизирующему сигналу, поступающему на его синхронизирующий вход, компаратор 123 сравнивает число просмотренных записей идентификационных данных с фиксированным числом записей подобных записей в базе данных, имеющих такие же начальные буквы фамилии, имени, отчества.
Если сравнения чисел не произошло, то на выходе 128 блока 9 формируется сигнал, который через вход 138 блока 10 проходит элемент 131 ИЛИ и поступает на счетный вход счетчика 130. По этому импульсу счетчик 130 прибавляет к опорному адресу первую единицу, и вновь сформированный адрес с выхода счетчика 130 выдается на адресный выход 30 системы.
Одновременно с этим процессом синхронизирующий импульс с входа 138 блока 10 проходит элемент 132 ИЛИ, задерживается элементом 134 на время срабатывания счетчика 130 и далее через первый синхронизирующий выход 33 системы вновь поступает на вход первого канала прерывания сервера базы данных.
По этому сигналу сервер вновь переходит на подпрограмму считывания содержимого очередной ячейки базы данных по указанному адресу, выдачи его на информационный вход 22 системы и занесения содержимого ячейки базы данных в регистр 142 блока 11 синхронизирующим импульсом, поступающим с сервера на вход 25.
Описанный процесс сверки входной записи с записями, хранящимися в базе данных, продолжается до тех пор, пока не будет проведена сверка входной записи со всеми записями базы данных, в которых имеются одинаковые начальные буквы фамилии, имени, отчества.
Если в результате подобной сверки не будет зафиксировано совпадения входной записи ни с одной записью базы данных, то компаратор 123 выдачей сигнала на выход 129 блока 9 зафиксирует факт просмотра всех записей базы данных и подтвердит отсутствие в базе данных системы идентификационных данных кандидата.
В этом случае сигнал с выхода 129 блока 9, во-первых, проходит на вход 139 блока 10, проходит элемент 131 ИЛИ и поступает на счетный вход счетчика 130. По этому импульсу счетчик 130 прибавляет к последнему, зафиксированному в нем адресу, единицу, и вновь сформированный адрес с выхода счетчика 130 выдается на адресный выход 30 системы.
Во-вторых, синхронизирующий импульс с входа 139 блока 10 задерживается элементом 135 на время срабатывания счетчика 130, проходит элемент 133 ИЛИ и далее через второй синхронизирующий выход 34 системы поступает на вход второго канала прерывания сервера базы данных.
По этому сигналу сервер переходит на подпрограмму записи входных идентификационных данных личности с выхода 31 системы по указанному адресу на выходе 30 системы.
Если же компаратор 12 зафиксирует факт равенства входных идентификационных признаков на входах 149 и 150, то на его выходе 153 формируется сигнал «Выдать данные кандидата для сверки на АРМ эксперта», по которому сведения о соответствующем кандидате с выходов 31 и 32 системы выдаются на автоматизированное рабочее место эксперта.
Пример окна синхронизации при обработке данных входных сообщений и данных, хранящихся в базе данных, приведен на фиг.11.
В окно синхронизации выдаются только те категории персональных данных, по которым были выявлены расхождения хотя бы в одном из атрибутов категории, причем для многоатрибутных категорий (к примеру, документ, удостоверяющий личность, структурирован в виде шести атрибутов) выдаются значения всех атрибутов, чтобы создать для анализа среду контекста взаимосвязанных значений.
На фиг.12 приведен пример головной экранной формы для задачи поиска двойников и просмотра тезок, а на фиг.13 – результат поиска двойников.
В процессе сверки данных эксперт со своего автоматизированного рабочего места может вносить необходимые редакторские правки данных кандидатов, для чего подлежащие уточнения с АРМа эксперта поступают на информационный вход 22 системы и заносятся в регистр 142 блока синхронизирующим импульсом с входа 26.
По окончании сверки данных и ввода необходимых уточнений эксперт со своего АРМа дает сигнал «Сверка данных кандидата завершена», который поступает на вход 27 системы и далее, во-первых, подается на вход 140 блока 10, где проходит элемент 133 ИЛИ и с выхода 34 системы выдается на вход второго канала прерывания сервера базы данных. По этому сигналу сервер переходит на подпрограмму записи отредактированных экспертом сведений с выхода 32 системы по адресу, сформированному на входе 30 системы.
Во-вторых, сигнал с входа 27 через вход 102 блока 6 поступает на счетный вход счетчика 99, который фиксирует число просмотренных и сверенных экспертом сведений о кандидатах. С выхода счетчика его показания поступают на один вход компаратора 98, на другой вход которого поступает число кандидатов, сведения о которых необходимо выверить.
Если число кандидатов, сведения о которых проверены экспертом меньше заданного числа кандидатов, то на выходе 103 блока 6 формируется сигнал считывания из блока 5 данных очередного кандидата.
Этот сигнал с выхода 103 блока 6 поступает на вход 90 блока 4, откуда он проходит элемент 83 ИЛИ и поступает на синхронизирующий вход сумматора 82, формирующего очередной адрес считывания путем сложения базового адреса избирательной комиссии и показаний счетчика 70 блока 3, уменьшенные на единицу.
Кроме того, данный синхронизирующий импульс задерживается элементом 85-2 на время формирования адреса считывания данных очередного кандидата и с выхода 93 блока 4 поступает на вход 77 блока 3, где проходит элемент 72 ИЛИ и через выход 80 блока 3 выдается на вход 158 управления считыванием данных блока 5, а после задержки элементом 74 на время считывания данных из блока 5 поступает как на вычитающий вход реверсивного счетчика, уменьшая его показания на единицу, так и с выхода 81 блока 3 поступает на синхронизирующий вход блока 7, занося в него считанные данные кандидата из блока 5.
Дальнейшая работа системы будет продолжена описанным выше образом до тех пор, пока компаратор 98 блока 6 не зафиксирует факт окончания сверки данных всех кандидатов выдачей сигнала на выход 104 блока 6, который выдается на выход системы в качестве сигнала окончания сверки данных всех кандидатов.
По этому же сигналу все узлы и блоки системы устанавливаются в исходное состояние, после чего система готова к приему и сверке данных, поступающих от других избирательных комиссий.
Таким образом, введение новых узлов и блоков позволило существенно повысить быстродействие системы путем локализации адресов запрашиваемых данных кандидатов в базе данных системы по идентификатору начальных букв фамилии, имени, отчества кандидатов и депутатов.
Решение же задачи сверки персональных данных кандидатов и депутатов позволяет обеспечить актуализацию данных в базе данных системы, а также выявить и устранить случаи несоответствия между собой идентификационных данных о кандидатах и депутатах, размещаемых в различных избирательных комиссиях, добиться их согласованности и непротиворечивости.
Источники информации
1. Федеральный закон «О Государственной автоматизированной системе Российской Федерации «ВЫБОРЫ», №20 – ФЗ от 10.01.2003 г.
2. Федеральный закон «Об основных гарантиях избирательных прав и права на участие в референдуме граждан Российской Федерации», №93 – ФЗ от 21.07.2005 г.
3. Патент США №5136708, М. кл. G06F 15/16, 1992 г.
4. Патент США №5129083, М. кл. G06F 12/00, 15/40, 1992 г. (прототип).
Формула изобретения
Автоматизированная система ведения персональных данных в базе данных избирательной системы, содержащая блок приема входных сообщений, информационный и синхронизирующий входы которого являются первыми информационным и синхронизирующим входами системы, при этом информационный вход блока приема входных сообщений предназначен для приема входных сообщений избирательных комиссий, а синхронизирующий вход блока приема входных сообщений предназначен для приема синхронизирующих сигналов занесения входных сообщений в блок приема входных сообщений, блок памяти, адресный вход которого соединен с информационным выходом блока модификации адресов записи данных, вход управления записью блока памяти подключен к первому синхронизирующему выходу блока модификации адресов записи данных, а информационный выход блока памяти соединен с информационным входом блока предъявления данных для выверки, блок приема записей базы данных сервера, информационный вход которого является вторым информационным входом системы, предназначенным для приема данных кандидатов и депутатов из базы данных сервера системы, первый синхронизирующий вход блока приема записей базы данных сервера является вторым синхронизирующим входом системы, предназначенным для приема синхронизирующих сигналов сервера системы для занесения данных кандидатов и депутатов в блок приема записей базы данных сервера, второй синхронизирующий вход блока приема записей базы данных сервера является третьим синхронизирующим входом системы, предназначенным для приема синхронизирующих сигналов занесения данных с автоматизированного рабочего места эксперта, блок формирования сигналов считывания и записи базы данных сервера, информационный выход которого является адресным выходом системы, предназначенным для выдачи адреса записи и считывания данных на адресный вход сервера базы данных, один синхронизирующий выход блока формирования сигналов считывания и записи базы данных сервера является первым синхронизирующим выходом системы, предназначенным для выдачи сигналов управления на вход первого канала прерывания сервера базы данных, а другой синхронизирующий выход блока формирования сигналов считывания и записи базы данных сервера является вторым синхронизирующим выходом системы, предназначенным для выдачи сигналов управления на вход второго канала прерывания сервера базы данных, отличающаяся тем, что система содержит блок селекции базового адреса избирательной комиссии, информационный вход которого соединен с первым выходом блока приема входных сообщений, синхронизирующий вход блока селекции базового адреса избирательной комиссии подключен к первому синхронизирующему выходу блока приема входных сообщений, информационный выход блока селекции базового адреса избирательной комиссии соединен с первым информационным входом блока модификации адресов записи данных, а синхронизирующий выход блока селекции базового адреса избирательной комиссии подключен к первому синхронизирующему входу блока модификации адресов записи данных, второй синхронизирующий вход которого соединен со вторым синхронизирующим выходом блока приема входных сообщений, блок селекции интервалов записи и выборки данных, информационный вход которого соединен со вторым информационным выходом блока приема входных сообщений, счетный вход блока селекции интервалов записи и выборки данных подключен к первому синхронизирующему выходу блока модификации адресов записи данных, а синхронизирующий вход блока селекции интервалов записи и выборки данных соединен со вторым синхронизирующим выходом блока модификации адресов записи данных, при этом информационный выход блока селекции интервалов записи и выборки данных подключен ко второму информационному входу блока модификации адресов записи данных, первый синхронизирующий выход блока селекции интервалов записи и выборки данных является управляющим выходом системы, предназначенным для выдачи сигналов на управление предъявлением новых записей из кодограммы входных сообщений, второй синхронизирующий выход блока селекции интервалов записи и выборки данных соединен с входом управления считыванием данных блока памяти, а третий синхронизирующий выход блока селекции интервалов записи и выборки данных подключен к синхронизирующему входу блока предъявления данных для выверки, блок селекции опорного адреса считывания базы данных сервера, информационный вход которого соединен с первым информационным выходом блока предъявления данных для выверки, синхронизирующий вход блока селекции опорного адреса считывания базы данных сервера подключен к третьему синхронизирующему выходу блока селекции интервалов записи и выборки данных, при этом первый информационный выход блока селекции опорного адреса считывания базы данных сервера соединен с информационным входом блока формирования сигналов считывания и записи базы данных сервера, а синхронизирующий выход блока селекции опорного адреса считывания базы данных сервера подключен к первому синхронизирующему входу блока формирования сигналов считывания и записи базы данных сервера, блок определения границ выборки данных базы данных сервера, информационный вход которого соединен со вторым информационным выходом блока селекции опорного адреса считывания базы данных сервера, а синхронизирующий вход блока определения границ выборки данных базы данных сервера подключен к синхронизирующему выходу блока селекции опорного адреса считывания базы данных сервера, при этом один выход блока определения границ выборки данных базы данных сервера соединен со вторым синхронизирующим входом блока формирования сигналов считывания и записи базы данных сервера, а другой выход блока определения границ выборки данных базы данных сервера подключен к третьему синхронизирующему входу блока формирования сигналов считывания и записи базы данных сервера, четвертый синхронизирующий вход которого является управляющим входом системы, блок селекции интервалов выверки данных, информационный вход которого соединен со вторым информационным выходом блока приема входных сообщений, счетный вход блока селекции интервалов выверки данных подключен к управляющему входу системы, один выход блока селекции интервалов выверки данных соединен с третьим синхронизирующим входом блока модификации адресов записи данных, а другой выход блока селекции интервалов выверки данных является первым сигнальным выходом системы, предназначенным для выдачи сигналов окончания процедуры выверки данных, блок идентификации данных личности, один информационный вход которого соединен со вторым информационным выходом блока предъявления данных для выверки, другой информационный вход блока идентификации данных личности подключен к первому информационному выходу блока приема записей базы данных сервера, синхронизирующий вход блока идентификации данных личности соединен с синхронизирующим выходом блока предъявления данных для выверки, первый выход блока идентификации данных личности соединен со счетным входом блока определения границ выборки данных базы данных сервера, а второй выход блока идентификации данных личности является вторым сигнальным выходом системы, предназначенным для выдачи сигнала предъявления данных сверки на автоматизированное рабочее место эксперта, при этом третий информационный выход блока приема входных сообщений соединен с информационным входом блока памяти, третий информационный выход блока предъявления данных для выверки является первым информационным выходом системы, предназначенным для выдачи поступивших данных кандидатов и депутатов на автоматизированное рабочее место эксперта, а второй информационный выход блока приема записей базы данных сервера является вторым информационным выходом системы, предназначенным для выдачи данных базы данных сервера на автоматизированное рабочее место эксперта.
РИСУНКИ
MM4A – Досрочное прекращение действия патента СССР или патента Российской Федерации на изобретение из-за неуплаты в установленный срок пошлины за поддержание патента в силе
Дата прекращения действия патента: 19.07.2008
Извещение опубликовано: 10.05.2010 БИ: 13/2010
NF4A – Восстановление действия патента СССР или патента Российской Федерации на изобретение
Дата, с которой действие патента восстановлено: 10.06.2010
Извещение опубликовано: 10.06.2010 БИ: 16/2010
|
|