|
|
(21), (22) Заявка: 2006124062/09, 06.07.2006
(24) Дата начала отсчета срока действия патента:
06.07.2006
(46) Опубликовано: 10.01.2008
(56) Список документов, цитированных в отчете о поиске:
ТРУХАЧЕВ А.А. Радиолокационные сигналы и их применения. – М.: Воениздат, 2005, с. 140-146. RU 2234106 C1, 10.08.2004. RU 2048684 C1, 20.11.1995. RU 2264633 C2, 20.11.2005. US 6163756 А, 19.12.2000. US 6147638 A, 14.11.2000. EP 0747724 A1, 11.12.1996.
Адрес для переписки:
125190, Москва, Ленинградский пр-кт, 80, корп.16, ОАО “НПО “Алмаз”, начальнику отдела по патентно-лицензионной работе
|
(72) Автор(ы):
Берсенев Игорь Александрович (RU), Точилина Елена Николаевна (RU), Рязанов Александр Владимирович (RU)
(73) Патентообладатель(и):
Открытое акционерное общество “НАУЧНО-ПРОИЗВОДСТВЕННОЕ ОБЪЕДИНЕНИЕ “АЛМАЗ” ИМЕНИ АКАДЕМИКА А.А. РАСПЛЕТИНА” (RU)
|
(54) СПОСОБ АВТОМАТИЧЕСКОГО СОПРОВОЖДЕНИЯ ЦЕЛИ ПО СКОРОСТИ В ИМПУЛЬСНО-ДОПЛЕРОВСКОЙ РАДИОЛОКАЦИОННОЙ СТАНЦИИ
(57) Реферат:
Способ автоматического сопровождения цели по скорости может быть использован в импульсно-доплеровских радиолокационных станциях (РЛС) с квазинепрерывным сигналом. Технический результат – расширение зоны скоростей сопровождаемых целей – достигается за счет того, что в приемнике РЛС с однополосным фильтром в стробированном приемном канале сигнал промежуточной частоты цели с доплеровским смещением преобразуют управляемым гетеродином в сигнал фиксированной частоты, выделяют его узкополосным фильтром и преобразуют в постоянное напряжение сигнала ошибки, которым управляют гетеродином так, что частота гетеродина содержит доплеровскую частоту сигнала цели, управление гетеродином осуществляют по центральной спектральной составляющей выделенного узкополосным фильтром сигнала цели в полосе пропускания однополосного фильтра, доплеровская частота сопровождения которой является истинной; в “мертвой” зоне по скорости, определяемой плюс-первыми спектральными составляющими пассивных помех, управление гетеродином производят при более высоких частотах повторения зондирующих импульсов РЛС. 2 з.п. ф-лы, 2 ил.
Изобретение относится к радиотехнике, в частности к радиолокации, и может быть использовано в импульсно-доплеровских радиолокационных станциях (РЛС) с квазинепрерывным сигналом.
Известен способ автоматического сопровождения цели по скорости, при котором в приемнике импульсно-доплеровской РЛС с однополосным фильтром в стробированном приемном канале сигнал промежуточной частоты цели с доплеровским смещением преобразуют с помощью управляемого гетеродина в сигнал фиксированной частоты, выделяют его с помощью узкополосного фильтра и преобразуют в постоянное напряжение сигнала ошибки, которым управляют гетеродином так, что частота гетеродина содержит доплеровскую частоту сигнала цели [1].
Причина, препятствующая достижению указанного ниже технического результата при использовании известного способа автоматического сопровождения цели по скорости, заключается в следующем.
В импульсно-доплеровских РЛС с квазинепрерывным зондирующим сигналом полоса пропускания однополосного фильтра приемного канала, как правило, фиксирована и составляет один порядок с частотой повторения зондирующих импульсов РЛС [2. стр.363-368]. При этом зона скоростей сопровождаемых целей ограничена полосой пропускания однополосного фильтра и “мертвыми” зонами по частоте Доплера в его полосе пропускания [3]. Это не позволяет осуществлять захват цели на сопровождение или обеспечение непрерывного автоматического сопровождения цели по скорости как в “мертвых” зонах, так и при выходе сигнала цели за пределы полосы пропускания однополосного фильтра.
Сущность заявленного изобретения заключается в следующем.
Технический результат, получаемый при осуществлении изобретения, выражается в расширении зоны скоростей сопровождаемых целей в импульсно-доплеровских РЛС при фиксированной полосе пропускания однополосного фильтра и с учетом “мертвых” зон по скорости.
Это достигается тем, что в известном способе автоматического сопровождения цели по скорости, при котором в приемнике импульсно-доплеровской РЛС с однополосным фильтром в стробированном приемном канале сигнал промежуточной частоты цели с доплеровским смещением преобразуют с помощью управляемого гетеродина в сигнал фиксированной частоты, выделяют его с помощью узкополосного фильтра и преобразуют в постоянное напряжение сигнала ошибки, которым управляют гетеродином так, что частота гетеродина содержит доплеровскую частоту сигнала цели, согласно изобретению управление гетеродином осуществляют по центральной спектральной составляющей выделенного узкополосным фильтром сигнала цели в полосе пропускания однополосного фильтра, доплеровская частота сопровождения которой является истинной; в “мертвой” зоне по скорости, определяемой плюс-первыми спектральными составляющими пассивных помех, управление гетеродином производят при более высоких частотах повторения зондирующих импульсов РЛС так, чтобы плюс-первые спектральные составляющие пассивных помех, определяющие новую “мертвую” зону, вышли за пределы предыдущей “мертвой” зоны, а при выходе центральной спектральной составляющей сигнала цели из полосы пропускания однополосного фильтра управление гетеродином производят в полосе пропускания однополосного фильтра по минус-первой, минус-второй и т.д. спектральной составляющей сигнала цели, определяющей псевдодоплеровскую частоту цели, таким образом, чтобы при переходе на эти спектральные составляющие сопровождение цели не прерывалось, при этом в момент перехода на управление гетеродином с центральной на минус-первую, минус-вторую и т.д. спектральную составляющую сигнала цели в следящую систему по скорости однократно вводят значение псевдодоплеровской частоты, определяемой путем вычитания из истиннодоплеровской частоты сопровождаемой цели одинарной, двойной и т.д. частоты повторения зондирующих импульсов, на которую переходят.
При управлении гетеродином по минус-первой, минус-второй и т.д. спектральной составляющей доплеровского сигнала при переключениях частот повторения зондирующих импульсов для устранения “мертвых” зон по дальности производят корректировку текущей псевдодоплеровской частоты путем изменения управляющего напряжения гетеродина однократно в момент переключения частот повторения на величину, равную разнице, двойной разнице и т.д. частот до и после переключения.
Значение истинной доплеровской частоты сопровождаемой цели определяют путем сложения текущей псевдодоплеровской частоты для минус-первой, минус-второй и т.д. спектральной составляющей сигнала цели с одинарной, двойной и т.д. текущей частотой повторения зондирующих импульсов РЛС.
Изобретение поясняется чертежами, на которых представлены: фиг.1 – пример структурной схемы устройства для осуществления заявленного способа автоматического сопровождения цели по скорости в импульсно-доплеровской РЛС; фиг.2 – диаграммы, характеризующие операции и режимы заявленного способа.
Способ автоматического сопровождения цели по скорости в импульсно-доплеровской РЛС включает в себя следующие операции. Стробированный сигнал промежуточной частоты с доплеровским смещением, прошедший через однополосный фильтр (ОФ), преобразуют с помощью управляемого гетеродина в сигнал фиксированной частоты, выделяют его с помощью узкополосного фильтра (УФ) и преобразуют его в постоянное напряжение сигнала ошибки с помощью частотного дискриминатора (ЧД) и интегратора, которым управляют гетеродином так, что частота гетеродина содержит доплеровскую частоту сигнала цели. Далее сигнал гетеродина с помощью сигнала вспомогательной частоты преобразуют в сигнал доплеровской частоты, которая может быть как истинно-доплеровской, так и псевдодоплеровской в зависимости от того, как управляется гетеродин: по центральной спектральной составляющей сигнала цели или по минус-первой, минус второй и т.д. спектральной составляющей. Этот сигнал доплеровской частоты используют с помощью вычислителя для выработки команд на переключение частот повторения зондирующих импульсов и выработки напряжения поправки к постоянному напряжению, управляющему гетеродином, а также для выработки значения истинной доплеровской частоты в зависимости от текущей частоты повторения зондирующих импульсов и режима управления гетеродина по центральной или другим спектральным составляющим сигнала цели.
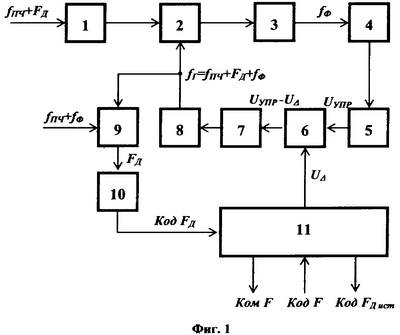
Описанный способ может быть осуществлен с помощью устройства (фиг.1), содержащего последовательно включенные однополосный фильтр ОФ 1, первый смеситель 2, узкополосный фильтр УФ 3, узкополосный частотный дискриминатор ЧД 4, интегратор 5, алгебраический сумматор напряжения 6, управитель 7, настраиваемый напряжением гетеродин 8, второй смеситель 9, счетчик-частотомер 10 и вычислитель 11, причем выход гетеродина 8 соединен также со вторым входом первого смесителя 2, первый выход (U ) вычислителя 11 – со вторым входом алгебраического сумматора напряжения 6, второй вход (Код F) и второй выход (Ком F) – связаны с синхронизатором РЛС, а третий выход (Код FДист) – с управляющей ЭВМ РЛС (на схеме не показаны). Вход ОФ 1 подключен к выходу усилителя промежуточной частоты приемника РЛС, а второй вход второго смесителя 9 – к соответствующему выходу синтезатора частот в РЛС (на схеме не показаны).
В данном устройстве стробированный по дальности сигнал цели с несущей частотой fПЧ+FД, прошедший ОФ 1, преобразуют в первом смесителе 2 с помощью сигнала гетеродина 8 с частотой fГ=fПЧ+FД+fФ в сигнал с фиксированной частотой fФ, который выделяют с помощью УФ 3, где fПЧ – промежуточная частота приемника, FД – текущая доплеровская частота сигнала цели, fФ – центральная частота УФ 3. Далее сигнал с фиксированной частотой fФ с помощью ЧД 4 и интегратора 5 преобразуют в постоянное управляющее напряжение UУПР сигнала ошибки, которое через управитель 7 настраивает гетеродин 8 на частоту fГ, содержащую доплеровскую частоту FД. Сигнал с доплеровской частотой FД выделяют во втором смесителе 9 с помощью сигнала вспомогательной частоты fПЧ+fФ, вырабатываемой, например, в синтезаторе частот импульсно-доплеровской РЛС, который далее преобразуют в Код FД с помощью счетчика-частотомера 10 и передают в вычислитель 11 как исходную информацию для выработки команды Ком F на переключение частоты повторения зондирующих импульсов РЛС, для выработки корректирующего напряжения U для подстройки гетеродина 8 через алгебраический сумматор 6, а также для выработки истинной доплеровской частоты в виде кода Код FД ист для потребителей в РЛС.
Работу вычислителя 11 строят в виде программы, алгоритмы которой определяют на основе диаграмм фиг.2. при входной информации о текущей частоте повторения зондирующих импульсов РЛС в виде кода Код F.
На фиг.2а, б, в показаны амплитудно-частотная характеристика (АЧХ) однополосного фильтра ОФ 1 с полосой пропускания fОФ и “мертвыми” зонами А, Б и В соответственно в районе нулевых доплеровских частот пассивных помех (зона А), в районе плюс-первых гармоник пассивных помех на частотах повторения зондирующих импульсов от F1a до F1b (зона Б) и от F2a до F2b (зона В), а также плюс-вторых гармоник пассивных помех на частотах от 2F1a до 2F1b и от 2F2а до 2F2b за пределами полосы пропускания ОФ 1 (соответственно фиг.2б и фиг.2в). Кроме того, на фиг.2 г показана группа плюс-первых гармоник пассивных помех на частотах от F3a до F3b, не создающих “мертвых” зон по скорости в полосе пропускания ОФ 1. Наличие групп частот повторения зондирующих импульсов (от Fa до Fb) связана с необходимостью устранения неоднозначности по дальности для сопровождаемой цели при квазинепрерывном сигнале РЛС [2, стр.378-382]. На последующих диаграммах фиг.2 показаны возможные зоны (прямоугольники из сплошных линий – истиннодоплеровские частоты, прямоугольники из пунктирных линий – псевдодоплеровские частоты) сопровождения цели по частоте Доплера (скорости) по центральной спектральной составляющей сигнала цели F(0), по минус-первой F(-1) и по минус-второй F(-2) спектральным составляющим при трех группах частот повторения зондирующих импульсов РЛС F1, F2 и F3 с учетом полосы пропускания ОФ 1 и “мертвых” зон.
На фиг.2д показаны возможные зоны сопровождения при истинных доплеровских частотах FД ист от f1 до f2 и от f3 до f5 с прерыванием в “мертвой” зоне Б по центральной спектральной составляющей сигнала цели F1(0) при частотах повторения зондирующих импульсов от F1a до F1b. На фиг.2е – зона сопровождения при истиннодоплеровских частотах FД ист от f3 до f2+F1а по минус-первой спектральной составляющей F1(-1), а на фиг.2ж – зона сопровождения при истиннодоплеровских частотах FД ист от f1+2F1b до f2+2F1а по минус-второй спектральной составляющей F1(-2), которые сопровождаются при псевдодоплеровских частотах в интервале от f1 до f2 (прямоугольники из пунктирных линий) при частотах повторения зондирующих импульсов от F1a до F1b. На фиг.2и и фиг.2к показаны возможные зоны сопровождения при истиннодоплеровских частотах FД ист от f1 до f4 по центральной спектральной составляющей F2(0) и от f6 до f4+F2а по минус-первой спектральной составляющей F2(-1), которая сопровождается при псевдо-доплеровских частотах в интервале от f1 до f4 (прямоугольник из пунктирных линий) при частотах повторения зондирующих импульсов от F2a до F2b, а на фиг.2л и фиг.2м – возможные зоны сопровождения при истиннодоплеровских частотах FД ист от f1 до f5 по центральной спектральной составляющей сигнала цели F3(0) и от f1+F3b до f5+F3a по минус-первой спектральной составляющей F3(-1), которая сопровождается в интервале псевдодоплеровских частот от f1 до f5 (прямоугольник из пунктирных линий) при частотах повторения зондирующих импульсов от F3а до F3b.
Сопоставляя полученные диаграммы возможных зон сопровождения при разных частотах повторения зондирующих импульсов РЛС, можно обеспечить непрерывное сопровождение цели по скорости далеко за пределами полосы пропускания ОФ 1 и в “мертвых” зонах Б и В, если вести сопровождение не только по центральной спектральной составляющей сигнала цели, но и по минус-первой, минус-второй спектральным составляющим с поправкой на одинарную, двойную частоту повторения зондирующих импульсов, на которую переходят.
На фиг.2н представлен один вариант диаграммы непрерывной зоны сопровождения сигнала цели по скорости 1 по предлагаемому способу, при этом в полосе пропускания ОФ 1 при истиннодоплеровских частотах FД ист от f1 до f2 и от f3 до f5 управление гетеродином 8 ведут по центральной спектральной составляющей сигнала цели F1(0) при частотах повторения зондирующих импульсов F1, в “мертвой” зоне Б при истиннодоплеровских частотах FД ист от f2 до f3 – по центральной спектральной составляющей сигнала цели F3(0) при частотах повторения зондирующих импульсов F3; за полосой пропускания ОФ 1 при истиннодоплеровских частотах цели FД ист от f5 до f2+F1a управление гетеродином 8 ведут по минус-первой спектральной составляющей сигнала цели F1(-1) при частотах повторения зондирующих импульсов F1 с поправкой текущей псевдодоплеровской частоты цели на текущую величину F1, т.е. FД=FД ист-F1, при истиннодоплеровских частотах FД ист от f2+F1a до f1+2F1b – по минус-первой спектральной составляющей сигнала цели F2(-1) при частотах повторения зондирующих импульсов F2 с поправкой текущей псевдодоплеровской частоты цели на текущую величину FД, т.е. FД=FДист-F2; при истиннодоплеровских частотах FД ист от f1+2F1b до f2+2F1a – по минус-второй спектральной составляющей F1(-2) при частотах повторения зондирующих импульсов F1 с поправкой текущей псевдодоплеровской частоты цели на текущую величину 2F1, т.е. FД=FД ист-2F1, и при истиннодоплеровских частотах FД ист от f2+2F1a до f5+F3a – по минус-первой спектральной составляющей F3(-1) при частотах повторения зондирующих импульсов F3 с поправкой текущей псевдодоплеровской частоты цели на текущую величину F3, т.е. FД=FД ист-F3.
Другой вариант диаграммы непрерывной зоны сопровождения сигнала цели по скорости 2 по предлагаемому способу показан на фиг.2п. Он отличается от предыдущего варианта тем, что управление гетеродином 8 в “мертвой” зоне Б при истиннодоплеровских частотах цели FД ист от f2 до f3 ведут по центральной спектральной составляющей сигнала цели F2(0) при частотах повторения зондирующих импульсов F2, а при истинно-доплеровских частотах FД ист от f3 до f2+F1a управление гетеродином 8 ведут по минус-первой спектральной составляющей сигнала цели F1(-1) при частотах повторения зондирующих импульсов F1 с поправкой текущей псевдодоплеровской частоты цели на текущую величину F1, т.е. FД=FД ист-F1.
Как следует из диаграмм фиг.2, возможны и другие варианты.
Осуществление предлагаемого способа позволяет более чем в два раза расширить зону скоростей сопровождаемых целей относительно полосы пропускания однополосного фильтра приемного канала (с “мертвыми” зонами в полосе) в импульсно-доплеровских РЛС с квазинепрерывным зондирующим сигналом и фиксированной полосой пропускания однополосного фильтра.
Источники информации
1. Д.Бартон. Радиолокационные системы. – М., Воениздат, 1967, стр.389-392.
2. Справочник по радиолокации. Под ред. М.Сколника, Нью-Йорк, 1970: Пер. с англ. (в четырех томах)/ Под общей ред. К.Н.Трофимова; Том 3. Радиолокационные устройства и системы / Под ред. А.С.Виницкого. – М., Сов. радио, 1978.
3. А.А.Трухачев. Радиолокационные сигналы и их применения. М., Воениздат, 2005, стр.140-146.
Формула изобретения
1. Способ автоматического сопровождения цели по скорости в импульсно-доплеровской радиолокационной станции (РЛС), при котором в приемнике импульсно-доплеровской РЛС с однополосным фильтром в стробированном приемном канале сигнал промежуточной частоты цели с доплеровским смещеним преобразуют с помощью управляемого гетеродина в сигнал фиксированной частоты, выделяют его с помощью узкополосного фильтра и преобразуют в постоянное напряжение сигнала ошибки, которым управляют гетеродином так, что частота гетеродина содержит доплеровскую частоту сигнала цели, отличающийся тем, что управление гетеродином осуществляют по центральной спектральной составляющей выделенного узкополосным фильтром сигнала цели в полосе пропускания однополосного фильтра, доплеровская частота сопровождения которой является истинной, в “мертвой” зоне по скорости, определяемой плюс-первыми спектральными составляющими пассивных помех, управление гетеродином производят при более высоких частотах повторения зондирующих импульсов РЛС так, чтобы плюс-первые спектральные составляющие пассивных помех, определяющие новую “мертвую” зону, вышли за пределы предыдущей “мертвой” зоны, а при выходе центральной спектральной составляющей сигнала цели из полосы пропускания однополосного фильтра управление гетеродином производят в полосе пропускания однополосного фильтра по минус-первой, минус-второй и так далее спектральной составляющей сигнала цели, определяющей псевдодоплеровскую частоту цели, таким образом, чтобы при переходе на эти спектральные составляющие сопровождение цели не прерывалось, при этом в момент перехода на управление гетеродином с центральной на минус-первую, минус-вторую и так далее спектральную составляющую сигнала цели, в следящую систему по скорости однократно вводят значение псевдодоплеровской частоты, определяемой путем вычитания из истинно-доплеровской частоты сопровождаемой цели одинарной, двойной и так далее частоты повторения зондирующих импульсов, на которую переходят.
2. Способ по п.1, отличающийся тем, что при управлении гетеродином по минус-первой, минус-второй и так далее спектральной составляющей доплеровского сигнала при переключениях частот повторения зондирующих импульсов для устранения “мертвых” зон по дальности производят корректировку текущей псевдодоплеровской частоты путем изменения управляющего напряжения гетеродина однократно в момент переключения частот повторения на величину, равную разнице, двойной разнице и так далее частот до и после переключения.
3. Способ по п.1, отличающийся тем, что значение истинной доплеровской частоты сопровождаемой цели определяют путем сложения текущей псевдодоплеровской частоты для минус-первой, минус-второй и так далее спектральной составляющей сигнала цели с одинарной, двойной и так далее текущей частотой повторения зондирующих импульсов РЛС.
РИСУНКИ
PD4A – Изменение наименования обладателя патента СССР или патента Российской Федерации на изобретение
(73) Новое наименование патентообладателя:
Открытое акционерное общество “Головное системное конструкторское бюро Концерна ПВО “Алмаз-Антей” имени академика А.А. Расплетина” (RU)
Адрес для переписки:
125190, Москва, Ленинградский пр-кт, 80, корп. 16, ОАО “ГСКБ” АЛМАЗ-АНТЕЙ”
Извещение опубликовано: 27.09.2008 БИ: 27/2008
|
|