|
|
(21), (22) Заявка: 2006130933/09, 28.08.2006
(24) Дата начала отсчета срока действия патента:
28.08.2006
(46) Опубликовано: 10.01.2008
(56) Список документов, цитированных в отчете о поиске:
АЛЕКСЕНКО Г.В. и др. Испытание высоковольтных и мощных трансформаторов и автотрансформаторов, ч.2. – М.: Госэнергоиздат, 1962, с.832. RU 2004137182 А, 27.05.2006. SU 451025 A1, 25.11.1974. SU 1737378 А1, 30.05.1992. JP 4244977, 01.09.1992.
Адрес для переписки:
428038, г.Чебоксары, б-р Миттова, 24-132, Г.М.Михееву
|
(72) Автор(ы):
Михеев Георгий Михайлович (RU), Михеева Татьяна Георгиевна (RU)
(73) Патентообладатель(и):
Михеев Георгий Михайлович (RU), Михеева Татьяна Георгиевна (RU)
|
(54) СПОСОБ ДИАГНОСТИКИ ЦЕПЕЙ ТОКООГРАНИЧИВАЮЩИХ СОПРОТИВЛЕНИЙ, УСТАНОВЛЕННЫХ НА СИММЕТРИЧНЫХ ПЛЕЧАХ КОНТАКТОРА БЫСТРОДЕЙСТВУЮЩИХ РПН СИЛОВЫХ ТРАНСФОРМАТОРОВ
(57) Реферат:
Изобретение относится к способам диагностики силовых трансформаторов в электроэнергетике, а именно диагностике токоограничивающих сопротивлений быстродействующих регуляторов под нагрузкой (РПН) без слива трансформаторного масла и без вскрытия бака РПН. Технический результат заключается в создании способа всесезонного диагностирования цепей токоограничивающих сопротивлений без вскрытия бака РПН и слива трансформаторного масла, устраняющего возможность загрязнения окружающей среды, сокращающего трудозатраты при его осуществлении и возможность их оценки при любых погодных условиях. Способ диагностики токоограничивающих сопротивлений РПН предполагает по анализу кривой тока осциллографирования контактной системы определить целостность токоограничивающих сопротивлений, наличие или отсутствии в них витковых замыканий, а также оценить переходное сопротивление контактов контактора путем сравнения осциллограмм токов с аналогичными осциллограммами, выполненными во время пусконаладочных испытаний при переключениях контактора с одного соответствующего положения на другое. 2 з.п. ф-лы, 3 ил.
Область техники
Изобретение относится к способам диагностики силовых трансформаторов в электроэнергетике, а именно к способам диагностики цепей токоограничивающих сопротивлений, установленных на симметричных плечах контактора быстродействующих РПН силовых трансформаторов без слива трансформаторного масла и вскрытия бака.
Оно может быть использовано в энергетике при комплексных обследованиях силовых трансформаторов, при пусконаладочных, профилактических, периодических испытаниях для диагностики неисправностей РПН, например, таких устройств как PC, РНОА, 3РНОА, SCV, SAV, SDV и т д.
Способ диагностики цепей токоограничивающих сопротивлений быстродействующих РПН предполагает по анализу кривой тока осциллографирования определить целостность токоограничивающих сопротивлений, установленных на трех фазах, а также оценить переходное сопротивление в контактной системе контактора РПН.
Уровень техники
Известен способ определения величины сопротивления мостовым методом. Обычно измерение токоограничивающих сопротивлений регулятора с целью определения их целостности с помощью данного способа возможно производить лишь после слива трансформаторного масла и вскрытия бака, так как токоограничивающие сопротивления находятся внутри бака контактора [Сборник методических пособий по контролю состояния электрооборудования. Раздел 2. Методы контроля состояния силовых трансформаторов, автотрансформаторов, шунтирующих и дугогасящих реакторов. – М.: ОРГРЭС, 1997 г., С.100].
Известен также способ определения сопротивления постоянному току по методу «вольтметра-амперметра» [Г.В.Алексенко, А.К.Ашрятов и Е.С.Фрид. Испытание высоковольтных и мощных трансформаторов и автотрансформаторов, часть II, – М.-Л.: Госэнергоиздат, 1962, 832 с. с черт. (в серии «Трансформаторы», вып.9)]. В качестве измерителя активного сопротивления в этом устройстве применены вольтметр и амперметр.
Для определения целостности активных сопротивлений, а также для оценки переходного сопротивления в контактной системе контактора РПН с помощью данного метода также необходим слив трансформаторного масла и вскрытие бака РПН.
Сущность изобретения
Основная задача изобретения – создание способа всесезонного диагностирования цепей токоограничивающих сопротивлений без вскрытия бака РПН и слива трансформаторного масла, устраняющего возможность загрязнения окружающей среды, сокращающего трудозатраты при его осуществлении и возможность их оценки при любых погодных условиях.
Поставленная задача решается благодаря тому, что в предлагаемом способе диагностика цепей токоограничивающих сопротивлений, установленных на симметричных плечах контактора, производится путем сравнения осциллограмм токов с аналогичными осциллограммами, выполненными во время пусконаладочных испытаний при переключениях контактора с одного соответствующего положения на другое без вскрытия бака РПН и слива трансформаторного масла одновременно на всех трех фазах по схеме, включающей индуктивность обмотки силового трансформатора относительно выводов обмотки высокого напряжения, к которой подключен РПН, при этом диагностику токоограничивающих сопротивлений в каждой фазе силового трехфазного трансформатора производят по форме кривой тока при его спаде в трех разных последовательных интервалах, причем обрыву токоограничивающего сопротивления первого (левого) плеча соответствует ток, равный нулю на первом интервале, обрыву токоограничивающего сопротивления второго (правого) плеча соответствует ток, равный нулю на третьем интервале, и обрыву токоограничивающих сопротивлений одновременно в обоих плечах соответствует ток, равный нулю во всех трех вышеназванных интервалах, а диагностику переходных сопротивлений цепей с токоограничивающими сопротивлениями производят по абсолютной величине осциллографируемых токов, причем уменьшение тока в первой (или во второй) фазе контактора по сравнению с третьей свидетельствует о нарушении контактной системы в первой (или во второй) фазе контактора, а увеличение тока в первой (или во второй) фазе контактора по сравнению с третьей свидетельствует о наличии виткового замыкания в токоограничивающих сопротивлениях в первой (или второй) фазе контактора.
Описание чертежей
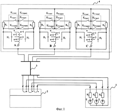
На фиг.1 приведена схема подключения цифрового регистратора для диагностики цепей токоограничивающих сопротивлений РПН типа PC.
Схема содержит трехканальный источник постоянного напряжения (1), трехканальный цифровой осциллограф (2), соединительный четырехпроводный кабель (3), испытуемый силовой трехфазный трансформатор с РПН (4), имеющий в каждой фазе левые и правые плечи контактов контактора.
На фиг.2 представлены виды осциллограмм токов при обрыве токоограничивающих сопротивлений РПН.
На фиг.3 представлены виды осциллограмм токов РПН при нарушении контактной системы контактора регулятора типа РС-4, установленного на силовом трансформаторе ТДН-16000/110 подстанции «Вурманкасинская» ОАО «Чувашэнерго».
Раскрытие изобретения
Для диагностики токоограничивающих сопротивлений РПН силового трехфазного трансформатора производят осциллографирование токов по схеме, приведенной на фиг 1. После получения осциллограммы тока, вид которой у исправного РПН показан на фиг.2а, ее необходимо сравнивать с осциллограммами, полученными во время пусконаладочных испытаний силового трансформатора. В случае совпадения осциллограммы с кривой тока, снятой при пусконаладочных испытаниях трансформатора, считается, что дефекты в токоограничивающих сопротивлениях и в контактной системе контактора отсутствуют.
На фиг.2 представлены качественные осциллограммы кривых токов РПН типа PC-4 при обрыве токоограничивающих сопротивлений.
В случае обрыва токоограничивающего сопротивления одного из плеч контактора (например, левого), очевидно, осциллограмма тока на первом интервале будет отлична от первоначального значения, полученной при пусконаладочных испытаниях оборудования или от данных предыдущих измерений и в конце интервала практически будет равна нулю (фиг.2б).
Разумеется, при обрыве токоограничивающего сопротивления следующего плеча (правого) ток на третьем интервале будет равен нулю, и форма кривой тока будет иметь вид, как показано на фиг.2в.
В случае обрывов токоограничивающих сопротивлений одновременно на обоих плечах контактора ток на всех трех интервалах практически будет равен нулю и форма кривой тока будет иметь вид, как показано на фиг.2г.
На фиг.3 представлены осциллограммы токов в случае нарушения контактной системы РПН («подгар» в дугогасительных и главных контактах). Очевидно, что при таких дефектах осциллограммы токов по абсолютной величине будут значительно меньше по сравнению с осциллограммой тока на фазе, где отсутствует дефект. В нашем случае на фиг.3 на фазах А и В токи значительно меньше по сравнению с токами на фазе С. Наоборот, при витковых замыканиях в токоограничивающих сопротивлениях осциллографируемый ток по абсолютной величине окажется значительно больше по сравнению с током, измеренным при пусконаладочных испытаниях РПН (не показан).
Таким образом, по анализу кривой тока осциллографирования работы контактной системы контактора путем сравнения осциллограмм с аналогичными осциллограммами, полученными во время пусконаладочных испытаний при переключениях контактора с одного соответствующего положения на другое возможно проводить диагностику цепей токоограничивающих сопротивлений в каждом плече каждой фазы контактора быстродействующих РПН типов, таких как PC, PHOA, ЗРНОА, SCV, SAV, SDV и т д.
Основными достоинствами предложенного способа являются: сокращение материальных затрат и времени диагностики, исключение вероятности загрязнения диэлектрической жидкости и окружающей среды, возможность контроля токоограничивающих сопротивлений и оценка переходных сопротивлений в контактной системе контактора практически в любое время года.
Формула изобретения
1. Способ диагностики цепей с токоограничивающими сопротивлениями, установленными на симметричных плечах контактора быстродействующих регуляторов под нагрузкой (РПН) силовых трансформаторов, отличающийся тем, что диагностику токоограничивающих сопротивлений производят путем сравнения осциллограмм токов в контактной системе РПН с аналогичными осциллограммами, выполненными во время пусконаладочных испытаний при переключениях контактора с одного соответствующего положения на другое без вскрытия бака и слива трансформаторного масла одновременно на всех трех фазах по схеме, включающей индуктивность обмотки силового трансформатора относительно выводов обмотки высокого напряжения, к которой подключен РПН.
2. Способ по п.1, отличающийся тем, что диагностику токоограничивающих сопротивлений в каждой фазе производят по изменению тока при его спаде в трех разных последовательных интервалах, причем обрыву токоограничивающего сопротивления первого (левого) плеча соответствует ток, равный нулю на первом интервале, обрыву токоограничивающего сопротивления второго (правого) плеча соответствует ток, равный нулю на третьем интервале, и обрыву токоограничивающих сопротивлений одновременно в обоих плечах соответствует ток, равный нулю во всех трех вышеназванных интервалах.
3. Способ по п.1, отличающийся тем, что диагностику переходных сопротивлений цепей с токоограничивающими сопротивлениями производят по абсолютной величине осциллографируемых токов, причем уменьшение тока в первой (или во второй) фазе контактора по сравнению с третьей свидетельствует о нарушении контактной системы первой (или второй) фазы контактора, а увеличение тока в первой (или во второй) фазе контактора по сравнению с третьей свидетельствует о наличии виткового замыкания в токоограничивающих сопротивлениях в первой (или второй) фазе контактора.
РИСУНКИ
MM4A – Досрочное прекращение действия патента СССР или патента Российской Федерации на изобретение из-за неуплаты в установленный срок пошлины за поддержание патента в силе
Дата прекращения действия патента: 29.08.2008
Извещение опубликовано: 27.07.2010 БИ: 21/2010
|
|