|
|
(21), (22) Заявка: 2006112511/28, 14.04.2006
(24) Дата начала отсчета срока действия патента:
14.04.2006
(46) Опубликовано: 10.01.2008
(56) Список документов, цитированных в отчете о поиске:
SU 661409 A1, 05.05.1979. SU 924616 А1, 30.04.1982. SU 1023250 A1, 15.06.1983. SU 1495722 A2, 23.07.1983. GB 2259992 A, 31.03.1993.
Адрес для переписки:
426069, Удмуртия, г.Ижевск, ул. Студенческая, 7, корп.1, ГОУ ВПО “Ижевский государственный технический университет”
|
(72) Автор(ы):
Подкин Юрий Германович (RU), Мишков Михаил Юрьевич (RU)
(73) Патентообладатель(и):
Государственное образовательное учреждение высшего профессионального образования “Ижевский государственный технический университет” (RU)
|
(54) ИЗМЕРИТЕЛЬ ПАРАМЕТРОВ ДИССИПАТИВНЫХ CG-ДВУХПОЛЮСНИКОВ
(57) Реферат:
Изобретение предназначено для определения емкости и проводимости двухполюсников. Устройство содержит первый генератор высокой частоты, измерительную цепь, индикаторы емкости и активной проводимости. Новым является использование для измерения параметров CG-двухполюсников преобразователя напряжение – ток, второго генератора высокой частоты, двух перемножителей напряжения, двух фильтров низких частот, двух компараторов, фазовращателя, D-триггера, амплитудного детектора и интегратора. Технический результат заключается в повышении разрешающей способности по реактивной составляющей комплексной проводимости CG-двухполюсника. 1 ил.
Изобретение относится к измерительной технике, предназначено для измерения эквивалентных параметров диссипативных CG-двухполюсников. Оно может быть использовано в информационно-управляющих системах диэлькометрического контроля диссипативных веществ и сред.
Известен автоматический измеритель составляющих проводимости CG-двухполюсников, содержащий генератор высокочастотных колебаний, измерительный контур, включающий катушку индуктивности, управляемый конденсатор, модулирующий конденсатор, ключ, регулируемый аттенюатор, контролируемый двухполюсник, синхронный детектор, измерительный усилитель, блок динамического слежения, блоки контроля активной проводимости и емкости, фазовращатель [А.с. №924616 СССР, заявл. 02.10.80, опубл. 30.04.82].
Недостатком данного устройства является низкая помехоустойчивость, вызванная переходными процессами в измерительном контуре при работе ключа.
Наиболее близким решением к предлагаемому устройству является автоматический измеритель компонент проводимости CG-двухполюсников, содержащий генератор высокой частоты, индикатор проводимости, измерительную цепь, к информационному и общему входам которой подключен измеряемый CG-двухполюсник, а к управляющему входу – индикатор емкости [А.с. №661409 СССР, заявл. 01.02.77, опубл. 05.05.79]. Недостатком этого устройства является низкая разрешающая способность по реактивной составляющей комплексного сопротивления CG-двухполюсника.
Целью изобретения является повышение разрешающей способности по реактивной составляющей комплексного сопротивления CG-двухполюсника.
Поставленная цель достигается тем, что в измеритель параметров диссипативных CG-двухполюсников, содержащий первый генератор высокой частоты, индикатор проводимости, измерительную цепь, к информационному и общему входам которой подключен измеряемый CG-двухполюсник, а к управляющему входу – индикатор емкости, дополнительно введены преобразователь напряжение-ток, второй генератор, два перемножителя, два фильтра низких частот, два компаратора, фазовращатель, D-триггер, амплитудный детектор и интегратор, причем выход первого генератора соединен с первым входом первого перемножителя непосредственно, а через преобразователь напряжение-ток – с сигнальным входом измерительной цепи и первым входом второго перемножителя, выход второго генератора соединен со вторыми входами первого и второго перемножителей, выход первого перемножителя через первый ФНЧ, фазовращатель и первый компаратор соединен с C-входом D-триггера, выход второго перемножителя через второй ФНЧ соединен со входом второго компаратора и через амплитудный детектор – со входом индикатора проводимости, выход второго компаратора соединен с D-входом D-триггера, выход которого соединен через интегратор с управляющим входом измерительной цепи.
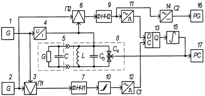
На чертеже изображена схема измерителя параметров CG-двухполюсников.
Измеритель содержит первый генератор высокой частоты 1, соединенный с первым входом первого перемножителя 3 непосредственно, а через преобразователь напряжение-ток 4 с измерительной цепью 8 и первым входом второго перемножителя 6, второй генератор 2, соединенный с вторыми входами первого 3 и второго 6 перемножителей. Измеряемый двухполюсник 5 подключен к сигнальному входу и к общему проводу измерительной цепи 8. Выход первого перемножителя 3 через первый ФНЧ 7, фазовращатель 10 и первый компаратор 12 соединен с синхровходом D-триггера 13. Выход второго перемножителя 6 соединен через второй ФНЧ 9 с входом второго компаратора 11 и амплитудного детектора 14. Выход второго компаратора 11 соединен с D-входом D-триггера 13, выход которого через интегратор 15 соединен с управляющим входом измерительной цепи 8 и индикатором емкости 17. Выход амплитудного детектора 14 соединен с индикатором проводимости 16.
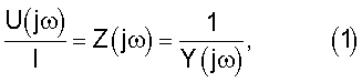
Устройство работает следующим образом. Функция преобразования ток I – напряжение U параллельного контура имеет вид

где Z(j ) и Y(j ) – комплексные сопротивление и проводимость измерительной цепи.
Комплексная проводимость измерительной цепи равна

где

– эквивалентная активная проводимость индуктивной ветви,

– эквивалентная индуктивная проводимость, r – активное сопротивление катушки индуктивности, G – измеряемая проводимость,

– эквивалентная емкость, определяемая суммой начальной емкости С0, емкости варикапа СВ и измеряемой емкости С.
Модуль комплекса (2)

фаза

При СЭ=bL фаза

а модуль комплекса

В результате выходное напряжение по (1) не зависит от реактивной проводимости измерительной цепи.

При фиксированной амплитуде питающего тока и активной проводимости индуктивной ветви gL – это напряжение, определяется только измеряемой проводимостью G, т.е. инвариантно к емкости CG-двухполюсника.
Таким образом, алгоритм измерения проводимости G, инвариантно к емкости С, включает операцию приравнивания нулю фазы напряжения измерительной цепи, для чего требуется выполнить условие равновесия (8). Далее нужно измерить в равновесном состоянии модуль напряжения U и рассчитать проводимость G по формуле

При отключенном двухполюснике уравновешивание выполняется за счет увеличения емкости варикапа до СВ MAX. При подключении двухполюсника эквивалентная емкость СЭ возрастает на С и для восстановления равновесия нужно уменьшить емкость варикапа на величину измеряемой емкости С. Таким образом, по уменьшению емкости варикапа можно судить о емкости двухполюсника инвариантно к активной проводимости.
Условие (8) выполняется только при нулевой фазе выходного напряжения измерительной цепи. Поэтому в основу работы измерителя положен принцип прецизионного контроля фазы и формирования напряжения управления варикапом на основе анализа знака отклонения фазы от нуля. Необходимая точность уравновешивания обеспечивается при разрешающей способности по фазовому углу не хуже десятых долей градуса. Обеспечение такого разрешения на рабочей частоте затруднительно, поэтому в измерителе использован перенос спектра сигнала в низкочастотную область.
Первый генератор Г1 – блок 1 формирует сигнал u1 частоты , второй генератор Г2 – блок 6 генерирует сигнал u2 частотой – , причем значение не критично, оно выбирается порядка 102-103 с-1.
На входы перемножителя 3 подаются исходные сигналы обоих генераторов, поэтому на выходе получаем

где A3 – параметр перемножителя 3.
На выходе ФНЧ 7 (полагаем для простоты, что фильтры 7 и 9 имеют единичную передачу в полосе прозрачности) составляющая удвоенной частоты подавлена, поэтому

В процессе преобразования напряжения u1, в ток I в блоке 2 возникает систематический сдвиг фазы на угол , поэтому с измерительной цепи на вход перемножителя 6 поступает сигнал, комплекс которого в соответствии с (1) имеет вид

а текущее значение с учетом (6) и (7)

Поскольку на второй вход перемножителя 6 подается сигнал u2, на вход ФНЧ 9 поступает напряжение
где 
После фильтрации блоком 9 имеем:

Сравнивая (13) и (17), находим, что при переносе спектра информационного сигнала возник систематический сдвиг фазы на угол . Для компенсации этого сдвига введен фазовращатель 10. В результате на компаратор 11 и амплитудный детектор 14 поступает информационный сигнал u9 с фазой = t+ – ( ), а на компаратор 12 – опорное напряжение

где А10 – коэффициент передачи фазовращателя.
Компараторы 11 и 12 преобразуют косинусоидальные сигналы u8 и u11 в меандры одинаковой амплитуды, на уровне логической единицы, отличающиеся по фазе на ( ). Разность фаз ( ) детектирует D-триггер 13, на выходе которого логическая единица соответствует положительному приращению фазы, а логический ноль – отрицательному. Фактически напряжение на выходе D-триггера отражает ошибку уравновешивания измерительной цепи. Интегратор 15 по командам D-триггера 13 формирует управляющее напряжение на варикапе СВ (управляющий вход измерительной цепи), при котором ошибка уравновешивания минимизируется. В режиме динамического равновесия выполняется условие (8); напряжение на варикапе отражает значение емкости С. Поэтому управляющее напряжение подается на индикатор PC – блок 17, проградуированный в единицах измерения емкости.
Определение проводимости G двухполюсника требует по (11) измерения модуля напряжения U на измерительной цепи, т.е. детектирования этого напряжения. Однако высокочастотные схемы детектирования линейны только при напряжениях порядка единиц вольт и имеют узкий динамический диапазон. Перенос спектра информационного сигнала в низкочастотную область позволяет для измерения проводимости G использовать напряжение u9. Это напряжение усиливается в A6Um2 раз по сравнению с амплитудой напряжения на контуре, что снижает требования к преобразователю напряжение-ток 2 и расширяет динамический диапазон. Перенос спектра сигнала на частоту позволяет использовать для детектирования прецизионные низкочастотные схемы выпрямления.
Таким образом, предложенный измеритель параметров CG-двухполюсников имеет больший динамический диапазон измеряемых проводимостей. Кроме того, для формирования управляющего напряжения в схеме использовано аналого-цифровое преобразование, что позволяет совмещать схему измерительного преобразования с IBM PC-совместимыми системами сбора данных.
Формула изобретения
Измеритель параметров диссипативных CG-двухполюсников, содержащий первый генератор высокой частоты, индикатор проводимости, измерительную цепь, к информационному и общему входам которой подключен измеряемый CG-двухполюсник, а к управляющему входу – индикатор емкости, отличающийся тем, что в него дополнительно введены преобразователь напряжение-ток, второй генератор, два перемножителя, два фильтра низких частот, два компаратора, фазовращатель, D-триггер, амплитудный детектор и интегратор, причем выход первого генератора соединен с первым входом первого перемножителя, а через преобразователь напряжение-ток – с сигнальным входом измерительной цепи и первым входом второго перемножителя, выход второго генератора соединен со вторыми входами первого и второго перемножителей, выход первого перемножителя через первый ФНЧ, фазовращатель и первый компаратор соединен с С-входом D-триггера, выход второго перемножителя через второй ФНЧ соединен со входом второго компаратора и через амплитудный детектор – со входом индикатора проводимости, выход второго компаратора соединен с D-входом D-триггера, выход которого соединен через интегратор с управляющим входом измерительной цепи.
РИСУНКИ
MM4A – Досрочное прекращение действия патента СССР или патента Российской Федерации на изобретение из-за неуплаты в установленный срок пошлины за поддержание патента в силе
Дата прекращения действия патента: 15.04.2008
Извещение опубликовано: 27.03.2010 БИ: 09/2010
|
|