|
|
(21), (22) Заявка: 2006127745/28, 31.07.2006
(24) Дата начала отсчета срока действия патента:
31.07.2006
(46) Опубликовано: 10.01.2008
(56) Список документов, цитированных в отчете о поиске:
RU 2141623 C1, 20.11.1999. RU 2210727 С2, 20.08.2003. RU 2114394 C1, 27.06.1998. RU 2231735 C1, 27.06.2004. US 4896537 A, 21.09.1977.
Адрес для переписки:
300001, г.Тула, Щегловская засека, ГУП “Конструкторское бюро приборостроения”
|
(72) Автор(ы):
Степаничев Игорь Вениаминович (RU), Кузнецов Владимир Маркович (RU), Овсенев Сергей Сергеевич (RU), Кирилин Владимир Валерьевич (RU), Семашкина Раиса Михайловна (RU)
(73) Патентообладатель(и):
Государственное унитарное предприятие “Конструкторское бюро приборостроения” (RU)
|
(54) СПОСОБ ИЗМЕРЕНИЯ УГЛА ПЕЛЕНГА И УСТРОЙСТВО ДЛЯ ЕГО ОСУЩЕСТВЛЕНИЯ
(57) Реферат:
Изобретение относится к гироскопическим приборам, которые используются в качестве датчика угла пеленга на управляемых ракетах, системах навигации и стабилизации. Способ измерения угла пеленга заключается в том, что разгоняют и разарретируют ротор гироскопического прибора, вырабатывают электрический широтно-импульсно-модулированный (ШИМ) сигнал, длительность импульса которого линейно связана с измеряемым углом пеленга с коэффициентом пропорциональности Кп, измеряют текущую длительность и период Тр следования импульсов ШИМ сигнала. При этом предварительно определяют длительность 0 и период Тр0 следования импульсов ШИМ сигнала при угле пеленга  =0, определяют и запоминают отношение 0/Тр0, при измерении текущего угла пеленга определяют отношение длительности импульса ШИМ сигнала к его периоду /Тр и вычисляют угол пеленга. Устройство для измерения угла пеленга содержит гироскопический прибор с фотооптическим датчиком угла, временное устройство, регистр, вычислитель, коммутатор, а также блок электронной аппаратуры. Изобретение позволяет повысить точность измерения угла пеленга за счет уменьшения влияния уходов периода вращения ротора гироскопического прибора и расширить возможность использования гироскопических приборов с нестабильной частотой вращения ротора. 2 с.п. ф-лы, 2 ил.
Изобретение относится к области гироскопических приборов, которые используются в качестве датчика угла пеленга на управляемых ракетах, системах навигации и стабилизации.
Известен способ измерения угла пеленга гироскопическим прибором, который выбран в качестве прототипа, патент RU №2141623, МПК G01С 19/12, зарегистрирован 20.11.1999 г., [1], в котором разгоняют, а затем разарретируют ротор гироскопического прибора, вырабатывают электрический широтно-импульсно-модулированный (ШИМ) сигнал, длительность импульса которого, отнесенная к периоду следования, линейно связана с измеряемым углом пеленга, измеряют текущие длительности 1 и 2 двух соседних импульсов ШИМ сигнала и его период Тр (время, соответствующее одному обороту ротора), вычисляют приращение угла пеленга  как отношение разности длительностей импульсов к периоду импульса ШИМ сигнала с коэффициентом пропорциональности Кп,
 =Кп( 1- 2)/Тр (1)
Устройство для измерения угла пеленга [1], выбранное в качестве прототипа, в котором реализован данный способ измерения угла пеленга, включает гироскопический прибор, содержащий корпус, ротор на кардановом подвесе, фотооптический датчик угла, установленный на корпусе и взаимодействующий с зеркалом, размещенным на роторе соосно с осью его собственного вращения, на сферической поверхности которого выполнена контрастная маска, блок электронной аппаратуры.
При использовании данных способа и устройства для измерения угла пеленга в значение измеряемого параметра, определяемого по формуле (1), существенную ошибку (с единичным коэффициентом влияния) вносит нестабильность периода вращения ротора Тр, определяющего период ШИМ сигнала, т.к. на разных временных интервалах величина Тр может иметь разные значения. Такая нестабильность присутствует, например, в периоде вращения роторов гироскопов, работающих на выбеге. Дестабилизирующие факторы: технологические, повышенная и пониженная температура окружающей среды, старение и т.п. также вызывают отклонения параметров ШИМ сигнала, из-за чего возникают ошибки в измеряемом данным способом угле пеленга.
Задачей предлагаемого изобретения является повышение точности измерения угла пеленга за счет уменьшения влияния технологических, температурных и временных уходов параметров измерительных гироскопических приборов, расширение возможности использования гироскопических приборов с нестабильной частотой вращения ротора.
Поставленная задача достигается тем, что в способе измерения угла пеленга, в котором разгоняют и разарретируют ротор гироскопического прибора, вырабатывают электрический широтно-импульсно-модулированный (ШИМ) сигнал, длительность импульса которого линейно связана с измеряемым углом пеленга с коэффициентом пропорциональности Кп, измеряют текущую длительность и период Тр следования импульсов ШИМ сигнала, вычисляют угол пеленга  ,
– предварительно определяют длительность 0 и период Тр0 следования импульсов ШИМ сигнала при угле пеленга  =0,
– определяют и запоминают отношение 0/Тр0,
– при измерении текущего угла пеленга определяют отношение длительности импульса ШИМ сигнала к его периоду /Тр,
– угол пеленга  вычисляют как  =Кп( /Тр- 0/Тр0); (2)
в устройство для измерения угла пеленга, включающее последовательно соединенные гироскопический прибор, содержащий фотооптический датчик угла, и блок электронной аппаратуры,
– дополнительно введены временное устройство, регистр, вычислитель и коммутатор,
– выход блока электронной аппаратуры соединен со вторым входом регистра и вторым входом вычислителя,
– первый выход временного устройства соединен со входом гироскопического прибора, второй выход временного устройства соединен с первым входом регистра, а третий выход – со вторым входом коммутатора,
– выход регистра соединен с первым входом вычислителя,
– выход вычислителя соединен с первым входом коммутатора, выход которого является выходом устройства.
Положительный эффект обеспечивается за счет того, что в способе измерения угла пеленга предварительно определяют длительность 0 и период Тр0 следования импульсов ШИМ сигнала при угле пеленга  =0, определяют и запоминают отношение 0/Тр0, при измерении текущего угла пеленга определяют отношение длительности импульса ШИМ сигнала к его периоду /Тр, угол пеленга  вычисляют как  =Кп( /Тр- 0/Тр0). Этими операциями учитывают и компенсируют изменение величины Тр с момента начала измерения при угле пеленга  =0, с этой целью в устройство для измерения угла пеленга дополнительно введены временное устройство, регистр, вычислитель и коммутатор.
Данное техническое решение поясняется графическими материалами.
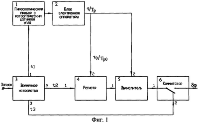
На фиг.1 изображена блок-схема устройства для измерения угла пеленга, с помощью которого реализуют предлагаемый способ, на фиг.2 циклограмма работы временного устройства.
Устройство для измерения угла пеленга включает в себя:
1 – гироскопический прибор с фотооптическим датчиком угла;
2 – блок электронной аппаратуры;
3 – временное устройство;
4 – регистр;
5 – вычислитель;
6 – коммутатор.
Во временное устройство предварительно введены времена: t1 – время начала разгона ротора, t2 – время записи отношения параметров 0/Тр0 при  =0, t3 – время, с которого производится измерение текущего угла пеленга  .
Под действием внешнего сигнала “Запуск” на устройство для измерения угла пеленга подается питание и запускается временное устройство 3. В момент времени t1 временное устройство 3 на первом выходе формирует импульс тока, который поступает на контакты электрозапала гироскопического прибора 1, в результате чего производится разгон ротора гироскопического прибора 1 до максимальных оборотов. Фотооптический датчик угла, входящий в состав гироскопического прибора 1, формирует импульсные сигналы, параметры которых содержат информацию о величине текущего угла пеленга. Это происходит следующим образом. В фотооптическом датчике угла гироскопического прибора [1] используется контрастная маска переменной ширины на зеркальной сферической поверхности быстро вращающегося ротора. При отклонении корпуса относительно ротора на выходе фотооптического датчика пропорционально приращению измеряемого угла пеленга изменяется длительность импульса фототока. Таким образом происходит ШИМ модуляция сигнала и формируется ШИМ сигнал, снимаемый с выхода фотооптического датчика угла, в длительности импульса которого, отнесенной к периоду следования Тр, содержится информация об измеряемом гироскопическим устройством угле пеленга.
Блок электронной аппаратуры 2 измеряет параметры поступающего на его вход текущего сигнала: длительность импульса и его период Тр, и вычисляет отношение /Тр.
В момент времени t2, когда ротор гироскопического прибора достиг максимальных оборотов, но еще не произошло его разарретирование, его главная ось совпадает с продольной осью гироскопического прибора, то есть  =0, временное устройство 3 на втором выходе формирует сигнал низкого уровня, поступающий на первый (тактовый) вход регистра 4. По этому сигналу разрешается запись в регистр 4 данных, действующих на его втором входе (входе данных). Таким образом осуществляют запоминание отношения 0/Тр0 при угле пеленга  =0, после чего значение 0/Тр0 присутствует на выходе (выход данных) регистра 4 и первом входе (входе данных) вычислителя 5.
После разарретирования ротор становится свободным, приобретает гироскопические свойства, и его главная ось в дальнейшем сохраняет свое положение в пространстве. При движении ракеты на траектории происходит отклонение ее продольной оси, а значит, продольной оси корпуса гироскопического прибора 1 от первоначального направления, при этом между этой осью и главной осью гироскопа образуется текущий угол пеленга.
К моменту времени t3 устройство для измерения угла пеленга готово к текущим измерениям. При этом текущие значения /Тр с выхода блока электронной аппаратуры 2 поступают на второй вход (вход данных) вычислителя 5. В вычислителе 5 осуществляют вычитание параметра 0/Тр0, поступающего на его первый вход с выхода регистра 4, из параметра /Тр, поступающего на его второй вход с выхода блока электронной аппаратуры 2, с коэффициентом пропорциональности Кп, т.е вычислитель 5 определяет угол пеленга  =Кп( /Тр- 0/Тр0), значение которого поступает с выхода вычислителя (5) (выхода данных) на первый вход коммутатора 6.
В момент времени t3 временное устройство 3 на третьем выходе формирует импульс высокого уровня, который поступает на второй вход (вход разрешения прохождения сигнала) коммутатора 6, коммутирует его вход и выход, вследствие этого значение измеряемого угла пеленга поступает на выход коммутатора 6, являющегося выходом устройства для измерения угла пеленга.
Гироскопический прибор с фотооптическим датчиком угла может быть выполнен, например, аналогично прототипу [1], при этом выход фотооптического датчика угла является выходом гироскопического прибора 1. Блок электронной аппаратуры 2 может быть выполнен, например, как блок электронной аппаратуры ракеты аналогично прототипу [1].
Временное устройство 3 может быть выполнено, например, на четырех последовательно включенных элементах ждущих мультивибраторов микросхем (МС) К564АГ1 в соответствии с указанием на стр.282-285 раздела 2.12, В.Л.Шило, Популярные цифровые микросхемы, Челябинск, “Металлургия”, Челябинское отделение, 1989 [2].
Регистр 4 может быть выполнен, например, на элементах МС К155ИР1, вычислитель 5 может быть выполнен, например, на элементах арифметическо-логического устройства МС К564 ИП4, коммутатор 6 может быть выполнен, например, на элементах МС К176КТ1.
Таким образом, предложенные способ измерения угла пеленга и устройство для его осуществления позволяют повысить точность измерения угла пеленга за счет уменьшения влияния изменения периода вращения ротора гироскопического прибора, расширить возможность использования гироскопических приборов с нестабильной частотой вращения ротора.
Формула изобретения
1. Способ измерения угла пеленга, в котором разгоняют и разарретируют ротор гироскопического прибора, вырабатывают электрический широтно-импульсно-модулированный (ШИМ) сигнал, длительность импульса которого линейно связана с измеряемым углом пеленга с коэффициентом пропорциональности Кп, измеряют текущую длительность и период Тр следования импульсов ШИМ сигнала, вычисляют угол пеленга  , отличающийся тем, что предварительно определяют длительность 0 и период Тр0 следования импульсов ШИМ сигнала при угле пеленга  =0, определяют и запоминают отношение 0/Тр0, при измерении текущего угла пеленга определяют отношение длительности импульса ШИМ сигнала к его периоду /Тр, угол пеленга  вычисляют как
 =Кп( /Тр- 0/Тр0).
2. Устройство для измерения угла пеленга, включающее последовательно соединенные гироскопический прибор, содержащий фотооптический датчик угла, и блок электронной аппаратуры, отличающееся тем, что в него дополнительно введены временное устройство, регистр, вычислитель и коммутатор, причем выход блока электронной аппаратуры соединен со вторым входом регистра и вторым входом вычислителя, первый выход временного устройства соединен со входом гироскопического прибора, второй выход временного устройства соединен с первым входом регистра, а третий выход – со вторым входом коммутатора, выход регистра соединен с первым входом вычислителя, выход которого соединен с первым входом коммутатора, выход которого является выходом устройства.
РИСУНКИ
|
|