|
|
(21), (22) Заявка: 2005140519/06, 23.12.2005
(24) Дата начала отсчета срока действия патента:
23.12.2005
(43) Дата публикации заявки: 27.06.2007
(46) Опубликовано: 10.01.2008
(56) Список документов, цитированных в отчете о поиске:
RU 2297540 C1, 03.11.2005. СЛАВНИН М.И. Электрооборудование электрических станций и трансформаторных подстанций. – М.: Государственное энергетическое издательство, 1963, с.69-72, рис.8-3 и 8-4. RU 2173019 C1, 27.08.2001. RU 2161359 C1, 27.12.2000. RU 2189474 C1, 20.09.2002. SU 1262066 A1, 07.10.1986. US 5894178 A, 13.04.1999. EP 1162713 A, 12.12.2001.
Адрес для переписки:
432027, г.Ульяновск, Северный Венец, 32, ГОУ ВПО “Ульяновский государственный технический университет”, проректору по научной работе
|
(72) Автор(ы):
Шарапов Владимир Иванович (RU), Кубашов Сергей Евгеньевич (RU)
(73) Патентообладатель(и):
Государственное образовательное учреждение высшего профессионального образования “Ульяновский государственный технический университет” (RU)
|
(54) СПОСОБ РАБОТЫ ТЕПЛОВОЙ ЭЛЕКТРИЧЕСКОЙ СТАНЦИИ
(57) Реферат:
Изобретение относится к области теплоэнергетики и может быть использовано на тепловых электростанциях. Техническим результатом, достигаемым настоящим изобретением, является повышение экономичности тепловой электрической станции за счет использования теплоты обмоток и стали турбогенератора в цикле тепловой электрической станции. Для достижения этого результата предложен способ работы тепловой электрической станции, по которому в котле вырабатывают пар, для чего в котел подают природный газ и воздух, вырабатываемый в котле пар направляют в турбину, вал которой соединен с ротором турбогенератора, осуществляют постоянное охлаждение обмоток и стали генератора путем циркуляции водорода через его внутреннее пространство, водород охлаждают в газоохладителях, в качестве охлаждающей среды газоохладителей используют природный газ, подаваемый в топку котла. Газ редуцируют до необходимого давления в вихревой трубе, холодный газовый поток используют для охлаждения турбогенератора, горячий газовый поток подают в топку котла, минуя газоохладители. 1 ил.
Изобретение относится к области теплоэнергетики и может быть использовано на тепловых электростанциях.
Известен аналог – способ работы тепловой электрической станции, по которому в котле вырабатывают пар, для чего в котел подают топливо и воздух, вырабатываемый в котле пар для совершения работы направляют в турбину, вал которой соединен с ротором турбогенератора, осуществляют постоянное охлаждение обмоток и стали генератора путем циркуляции водорода через его внутреннее пространство, водород, в свою очередь, охлаждают в водяных газоохладителях (см. Славнин М.И. Электрооборудование электрических станций и трансформаторных подстанций. М.: Государственное энергетическое издательство. 1963. Рис.8-3 на с.72, 8-4 на с.72 и текстовые пояснения к ним на с.69-72). Этот аналог принят в качестве прототипа.
Недостатком аналогов и прототипа являются пониженная экономичность тепловых электростанций вследствие потерь теплоты обмоток и стали турбогенератора с охлаждающей водой.
Техническим результатом, достигаемым настоящим изобретением, является повышение экономичности тепловой электрической станции за счет использования теплоты обмоток и стали турбогенератора в цикле тепловой электрической станции и за счет использования энергии природного газа, подаваемого в топку котла.
Для достижения этого результата предложен способ работы тепловой электрической станции, по которому в котле вырабатывают пар, для чего в котел подают природный газ и воздух, вырабатываемый в котле пар направляют в турбину, вал которой соединен с ротором турбогенератора, осуществляют постоянное охлаждение обмоток и стали генератора путем циркуляции водорода через его внутреннее пространство, водород охлаждают в газоохладителях.
Особенность заключается в том, что в качестве охлаждающей среды газоохладителей используют природный газ, подаваемый в топку котла. Газ редуцируют до необходимого давления в вихревой трубе, холодный газовый поток используют для охлаждения турбогенератора, горячий газовый поток подают в топку котла, минуя газоохладители.
Новый способ работы позволяет использовать теплоту обмоток и стали турбогенератора в цикле тепловой электрической станции, а также использовать энергию газа высокого давления для нагрева горячего газового потока, т.е. позволяет повысить экономичность тепловой электрической станции путем снижения тепловых потерь в окружающую среду.
Рассмотрим пример реализации заявленного способа работы тепловой электрической станции.
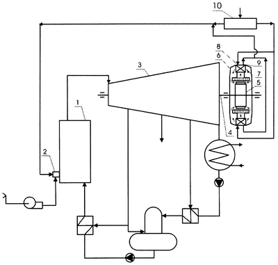
На чертеже изображена схема тепловой электрической станции, в которой реализуется новый способ.
Станция содержит котел 1 с горелкой 2, связанный паропроводом острого пара с турбиной 3, турбогенератор 6, ротор 5 которого соединен с валом 4 турбины 3, газоохладители 7 циркуляционного водорода турбогенератора с газозаборными 8 и газоотводящими 9 отверстиями, газозаборные отверстия 8 соединены с трубопроводом холодного газового потока вихревой трубы 10, газоотводящие отверстия 9 газоохладителей 7 и газопровод горячего потока вихревой трубы 10 соединены с горелкой 2 котла 1.
В котел 1 через горелку 2 подают природный газ и воздух. Вырабатываемый в котле 1 пар направляют в турбину 3, вал 4 которой соединен с ротором 5 турбогенератора 6, осуществляют постоянное охлаждение обмоток и стали турбогенератора 6 путем циркуляции водорода через его внутреннее пространство, циркуляционный водород охлаждают в газоохладителях 7. Газ, необходимый для работы котла, редуцируют в вихревой трубе 10, холодный газовый поток пропускают через газоохладители 7 и подают по газопроводу в топку 2 котла 1, горячий газовый поток подают в топку 1, минуя газоохладители 7.
Таким образом, новый способ позволяет возвращать теплоту обмоток и стали турбогенератора в котел, использовать энергию газа высокого давления для нагрева горячего газового потока, а также исключить систему водяного охлаждения циркуляционного водорода генератора из схемы тепловой электрической станции, т.е. позволяет повысить экономичность тепловой электрической станции путем снижения потерь теплоты в окружающую среду и упрощения схемы станции.
Формула изобретения
Способ работы тепловой электрической станции, по которому в котле вырабатывают пар, для чего в котел подают природный газ и воздух, вырабатываемый в котле пар направляют в турбину, вал которой соединен с ротором турбогенератора, осуществляют постоянное охлаждение обмоток и стали генератора путем циркуляции водорода через его внутреннее пространство, водород охлаждают в газоохладителях природным газом, подаваемым в топку котла, отличающийся тем, что природный газ редуцируют до необходимого давления в вихревой трубе, холодный газовый поток используют для охлаждения турбогенератора, горячий газовый поток подают в топку котла, минуя газоохладители.
РИСУНКИ
MM4A – Досрочное прекращение действия патента СССР или патента Российской Федерации на изобретение из-за неуплаты в установленный срок пошлины за поддержание патента в силе
Дата прекращения действия патента: 24.12.2007
Извещение опубликовано: 20.05.2009 БИ: 14/2009
|
|