|
|
(21), (22) Заявка: 2005140474/06, 23.12.2005
(24) Дата начала отсчета срока действия патента:
23.12.2005
(43) Дата публикации заявки: 27.06.2007
(46) Опубликовано: 10.01.2008
(56) Список документов, цитированных в отчете о поиске:
RU 2297541 C1, 03.11.2005. СЛАВНИН М.И. Электрооборудование электрических станций и трансформаторных подстанций. – М.: Государственное энергетическое издательство, 1963, с.69-72, рис.8-3 и 8-4. RU 2117173 C1, 10.08.1998. SU 1615401 A1, 09.06.1988. RU 2116466 C1, 27.07.1998. SU 142586 A1, 01.01.1961. US 4766557 A, 23.08.1988. DE 10111295 А, 26.09.2002.
Адрес для переписки:
432027, г.Ульяновск, Северный Венец, 32, ГОУ ВПО “Ульяновский государственный технический университет”, проректору по научной работе
|
(72) Автор(ы):
Шарапов Владимир Иванович (RU), Кубашов Сергей Евгеньевич (RU)
(73) Патентообладатель(и):
Государственное образовательное учреждение высшего профессионального образования “Ульяновский государственный технический университет” (RU)
|
(54) ТЕПЛОВАЯ ЭЛЕКТРИЧЕСКАЯ СТАНЦИЯ
(57) Реферат:
Изобретение относится к области теплоэнергетики и может быть использовано на тепловых электростанциях. Техническим результатом, достигаемым настоящим изобретением, является повышение экономичности тепловой электрической станции за счет использования теплоты обмоток и стали турбогенератора в цикле тепловой электрической станции. Для достижения этого результата тепловая электрическая станция содержит котел с горелкой, связанный паропроводом острого пара с турбиной, турбогенератор, соединенный с валом турбины, газоохладители циркуляционного водорода генератора. Газоохладители выполнены в виде газо-газовых теплообменников, включенных по охлаждающей среде в газопровод природного газа между устройством для понижения давления газа и горелкой котла. Устройство для понижения давления газа выполнено в виде вихревой трубы, газопровод горячего потока которой соединен с горелкой котла, а газопровод холодного потока покрыт тепловой изоляцией и соединен с газоохладителями циркуляционного водорода. 1 ил.
Изобретение относится к области теплоэнергетики и может быть использовано на тепловых электростанциях.
Известен аналог – тепловая электрическая станция, содержащая котел, связанный паропроводом острого пара с турбиной, которая соединена паропроводом отработавшего пара с конденсатором, главный вал турбины соединен с ротором турбогенератора, турбогенератор содержит водяные газоохладители циркуляционного водорода генератора (см. Славнин М.И. Электрооборудование электрических станций и трансформаторных подстанций. М.: Государственное энергетическое издательство, 1963, рис.8-3 на с.72, 8-4 на с.72 и текстовые пояснения к ним на с.69-72). Этот аналог принят в качестве прототипа.
Недостатком аналогов и прототипа являются пониженная экономичность тепловых электростанций вследствие потерь теплоты обмоток и стали турбогенератора с охлаждающей водой.
Техническим результатом, достигаемым настоящим изобретением, является повышение экономичности тепловой электрической станции за счет использования теплоты обмоток и стали турбогенератора в цикле тепловой электрической станции и за счет использования эксергии природного газа, подаваемого в топку котла.
Для достижения этого результата предложена тепловая электрическая станция, содержащая котел с горелкой, связанный паропроводом острого пара с турбиной, турбогенератор, соединенный с валом турбины, газоохладители циркуляционного водорода генератора.
Особенность заключается в том, что газоохладители выполнены в виде газо-газовых теплообменников, включенных по охлаждающей среде в газопровод природного газа между устройством для понижения давления газа и горелкой котла. Устройство для понижения давления газа выполнено в виде вихревой трубы, газопровод горячего потока которой соединен с горелкой котла, а газопровод холодного потока покрыт тепловой изоляцией и соединен с газоохладителями циркуляционного водорода.
Новая совокупность признаков тепловой электрической станции позволяет использовать теплоту обмоток и стали турбогенератора в цикле тепловой электрической станции, а также использовать энергию газа высокого давления для нагрева горячего газового потока, т.е. позволяет повысить экономичность тепловой электрической станции путем снижения тепловых потерь в окружающую среду.
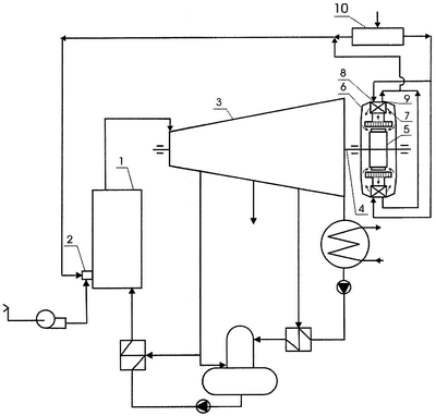
На чертеже изображена схема новой тепловой электрической станции.
Станция содержит котел 1 с горелкой 2, связанный паропроводом острого пара с турбиной 3, турбогенератор 6, ротор 5 которого соединен с валом 4 турбины 3, газоохладители 7 циркуляционного водорода турбогенератора с газозаборными 8 и газоотводящими 9 отверстиями, газозаборные отверсия 8 соединены с трубопроводом холодного газового потока вихревой трубы 10, газоотводящие отверстия 9 газоохладителей 7 и газопровод горячего потока вихревой трубы 10 соединены с горелкой 2 котла 1.
Работа тепловой электрической станции осуществляется следующим образом.
В котел 1 через горелку 2 подают природный газ и воздух. Вырабатываемый в котле 1 пар направляют в турбину 3, вал 4 которой соединен с ротором 5 турбогенератора 6, осуществляют постоянное охлаждение обмоток и стали турбогенератора 6 путем циркуляции водорода через его внутреннее пространство, циркуляционный водород охлаждают в газоохладителях 7. Газ, необходимый для работы котла, редуцируют в вихревой трубе 10, холодный газовый поток пропускают через газоохладители 7 и подают по газопроводу в топку 2 котла 1, горячий газовый поток подают в топку 1, минуя газоохладители 7.
Таким образом, схема новой тепловой электрической станции позволяет возвращать теплоту обмоток и стали турбогенератора в котел, использовать энергию газа высокого давления для нагрева горячего газового потока, а также исключить систему водяного охлаждения циркуляционного водорода генератора из схемы тепловой электрической станции, т.е. позволяет повысить экономичность тепловой электрической станции путем снижения потерь теплоты в окружающую среду и упрощения схемы станции.
Формула изобретения
Тепловая электрическая станция, содержащая котел с горелкой, связанный паропроводом острого пара с турбиной, турбогенератор, соединенный с валом турбины, газоохладители циркуляционного водорода генератора, выполненные в виде газо-газовых теплообменников, включенных по охлаждающей среде в газопровод природного газа между устройством для понижения давления газа и горелкой котла, отличающаяся тем, что устройство для понижения давления газа выполнено в виде вихревой трубы, газопровод горячего потока которой соединен с горелкой котла, а газопровод холодного потока покрыт тепловой изоляцией и соединен с газоохладителями циркуляционного водорода.
РИСУНКИ
MM4A – Досрочное прекращение действия патента СССР или патента Российской Федерации на изобретение из-за неуплаты в установленный срок пошлины за поддержание патента в силе
Дата прекращения действия патента: 24.12.2007
Извещение опубликовано: 20.05.2009 БИ: 14/2009
|
|