|
|
(21), (22) Заявка: 2005104102/12, 22.07.2003
(24) Дата начала отсчета срока действия патента:
22.07.2003
(30) Конвенционный приоритет:
22.07.2002 (пп.1-27) FI 20021400
(43) Дата публикации заявки: 20.09.2005
(46) Опубликовано: 10.01.2008
(56) Список документов, цитированных в отчете о поиске:
WO 9311297 A1, 10.06.1993. US 5370772 A, 06.12.1994. RU 2068041 C1, 20.10.1996. RU 2095505 C1, 10.11.1997.
(85) Дата перевода заявки PCT на национальную фазу:
22.02.2005
(86) Заявка PCT:
FI 03/00578 (22.07.2003)
(87) Публикация PCT:
WO 2004/009901 (29.01.2004)
Адрес для переписки:
191186, Санкт-Петербург, а/я 230, “АРС-ПАТЕНТ”, пат.пов. М.В.Хмаре, рег. № 771
|
(72) Автор(ы):
ИМЕЛЯЙНЕН Кеййо (FI)
(73) Патентообладатель(и):
ОЙ МЕТСЯ-БОТНИЯ АБ (FI)
|
(54) СПОСОБ И УСТАНОВКА ДЛЯ ПОЛУЧЕНИЯ ТЕПЛОВОЙ И ЭЛЕКТРИЧЕСКОЙ ЭНЕРГИИ
(57) Реферат:
Изобретение относится к производству целлюлозы, а именно к способу и установке для получения тепловой и электрической энергии на целлюлозном заводе, особенно на сульфатцеллюлозном заводе. В соответствии со способом по изобретению щелок, оставшийся от варочного щелока при изготовлении древесной целлюлозы, концентрируют и сжигают в котле-утилизаторе в присутствии биогенных топлив. При этом отбирают тепловую энергию отходящих газов, образующихся при сжигании, и, если это представляется желательным, преобразуют ее в электрическую энергию. В соответствии с изобретением в качестве биогенного топлива используют кору или аналогичные древесные отходы, подвергаемые осушке до содержания влаги менее 30%. После этого древесные отходы газифицируют с получением топочного газа, который подают в котел-утилизатор. Установка для осуществления указанного способа содержит устройства для сушки и газификации коры, причем средство подачи коры, входящее в состав устройства газификации коры, присоединено к средству отвода высушенной коры, входящему в состав устройства для сушки, а средство отвода топочного газа присоединено к котлу-утилизатору для подачи к нему топочного газа, произведенного из коры посредством газификации. Способ по изобретению устраняет необходимость в применении отдельного котла для сжигания коры, обычно использующегося на целлюлозных заводах, тем самым существенно сокращая необходимые капиталовложения. Реализация данного изобретения существенно упрощает конструкцию, функционирование и обслуживание оборудования и повышает эффективность использования энергии. 3 н. и 24 з.п. ф-лы, 2 ил.
Область техники, к которой относится изобретение
Настоящее изобретение относится к способу получения тепловой и электрической энергии на целлюлозном заводе, охарактеризованному в ограничительной части п.1 формулы изобретения. В соответствии со способами указанного типа щелок, оставшийся при варке древесной целлюлозы (далее именуемый “остаточный щелок”), концентрируют до густого щелока, который сжигают в котле-утилизаторе в присутствии других биогенных топлив. Тепловая энергия отходящих газов, выделяемых при сжигании, утилизируется и, если это представляется желательным, преобразуется в электрическую энергию. Изобретение относится также к охарактеризованному в ограничительной части п.9 формулы изобретения способу получения тепловой и электрической энергии на сульфатцеллюлозном заводе и к охарактеризованной в ограничительной части п.19 формулы изобретения установке для производства биогенного топочного газа, подаваемого к котлу-утилизатору.
Уровень техники
Известно, что на современном целлюлозном заводе производится значительное количество энергии. В контексте настоящего изобретения под “целлюлозным заводом” понимается завод, производящий целлюлозу, например, с использованием сульфатного процесса. Органическое вещество, поступающее на такой завод в составе сырьевого материала, а также производимое заводом для использования в качестве топлива, может применяться во всех трех своих основных состояниях: как твердое вещество, как жидкость или как газ, а также в виде сочетания названных состояний. Таким образом, в рамках процесса получения энергии целлюлозный завод использует в оборудовании, осуществляющем утилизацию отходов, древесный материал, растворенный в варочном котле с помощью варочной жидкости. Применительно к сульфатному процессу котел-утилизатор именуется также “содорегенерационным котлом” или “котлом для извлечения натрия”. Соответствующий процесс называется перегонкой для извлечения натрия, или процессом Томлинсона. Кора, отделенная от древесины в процессе окорки, в свою очередь, сжигается в виде твердого материала в котле для коры (далее для краткости именуемом “котел для коры”). В настоящее время сульфатцеллюлозные заводы используют для производства энергии также осадки, выделяемые при очистке жидкостей, циркулирующих в окоривающей установке. Используются также осадки, выделяемые из сточных вод, избыточный шлам, получаемый в процессе биологической обработки сточных вод, концентрированные и разбавленные газообразные вещества, сжиженный метанол. Для этой же цели наряду с использованием в качестве параллельно производимых продуктов частично применяют также хвойное мыло, неочищенное талловое масло, березовое масло и неочищенный скипидар. Уже освоено использование современных систем, в которых избыточные осадки, концентрированные и разбавленные газообразные вещества и метанол сжигают в содорегенерационном котле.
Тепло, выделяемое в содорегенерационном котле и соответственно в котле для коры, утилизируют путем получения в котле перегретого пара высокого давления, который подают к паровой турбине с целью производства электричества. Пар выходит из турбины в виде так называемого отработавшего пара. Содержащееся в нем тепло используют путем его применения внутри целлюлозного завода в качестве рабочего пара в процессах, для которых необходим пар, или для получения конденсационной электроэнергии. Если целлюлозный завод входит в состав бумажной фабрики, выработки энергии для использования вне завода, как правило, не происходит.
Современный сульфатцеллюлозный завод производит пар для паротурбинной установки путем сжигания щелока. Пар поступает из содорегенерационного котла в таком количестве, что генерируемые количества тепла и электричества превышают потребление тепла и электричества самим заводом. В связи с этим для того, чтобы достичь равновесия между производством энергии и ее потреблением, часть генерируемого тепла должна быть использована для производства дополнительно к электрической энергии, получаемой от турбины, работающей на отходящем паре, также электричества, получаемого в виде конденсационной электроэнергии. Отсюда следует, что для удовлетворения своих потребностей в теплоте и электроэнергии целлюлозный завод не нуждается в котле для коры или в тепле, производимом этим котлом при сжигании коры. В этом смысле кора для целлюлозного завода представляет избыточное топливо, а котел для ее сжигания – излишнее вложение капитала. При этом ценность коры, продаваемой сторонним потребителям, существенно снижается в связи с затратами на ее транспортирование.
Тем не менее, несмотря на описанный выше избыток топлива для производства тепла, на целлюлозном заводе используются также и ископаемые топлива, применяемые при регенерации извести, необходимой для приготовления варочной жидкости (щелока). Подобная регенерация осуществляется при температуре свыше 1000°С в печи регенерации известкового шлама (представляющей сушильную печь барабанного типа).
Газификация высушенной коры и опилок с получением топочного газа была освоена уже в начале 80-х годов с целью использования получаемого топочного газа в печи регенерации известкового шлама вместо ископаемых топлив. Однако в связи с сильным и долгосрочным падением цен на нефть-сырец было запущено только несколько газификационных установок.
Решение задачи повышения выхода при варке, недавние усовершенствования процесса варки, освоение отбеливания кислородом и увязывание фильтратов процесса отбеливания с циклом утилизации привели к снижению калорийности концентрированного остаточного щелока, используемого в содорегенерационном котле в качестве топлива. В то же время в связи с увеличением размеров установки управление параметрами ее работы и выбросами в процессе горения стало намного более сложным. Увеличение содержания твердого вещества в концентрированном остаточном щелоке и применение новых систем распределения воздуха для топливовоздушной смеси лишь частично решило названные проблемы.
Из патентной литературы известны различные новые варианты использования биогенных топлив, получаемых в процессе варки целлюлозы. В патенте Финляндии №102395 описан способ, при разработке которого главной задачей явилась замена существующего процесса перегонки для извлечения натрия путем реализации технологии с применением отдельного котла с перегревом. Отходящий горючий газ, необходимый для осуществления данной технологии, получают путем газификации части концентрированного остаточного щелока. Отходящий газ перед подачей в котел с перегревом очищают с целью понизить уровень содержания натрия и замедлить загрязнение котла.
В опубликованной патентной заявке Финляндии №82494 решается задача полной замены существующих процессов сжигания новым усовершенствованным процессом, в соответствии с которым остаточный щелок газифицируют в находящемся под давлением реакторе газификации с выведением из реактора газификации отходящего газа, образовавшегося из органических компонентов, и газа, образовавшегося из неорганических компонентов. Газ охлаждают и промывают, а расплав растворяют для того, чтобы подать его на следующую стадию процесса для приготовления варочного щелока. Очищенный газ сжигают для выработки пара и электричества в так называемом “газотурбинном/паротурбинном цикле”. Релевантным в рассматриваемом контексте является то, что описанный процесс основан на газификации под давлением и газотурбинной технологии.
Аналогичное решение описано в опубликованной патентной заявке Финляндии №91172. Она относится к процессу, в котором щелок термически разлагают в реакторе под давлением при такой низкой температуре, что не образуется никакого расплава. В процессе используется отходящий газ, получаемый из черного щелока в газовой турбине, причем находит применение тепловая энергия, содержащаяся в котле, работающем на отходящих газах. Кроме того, часть отходящего газа может быть использована для производства пара под высоким давлением. Газы, исходящие из котла, направляются в сушилку топлива, где производится, например, сушка коры, которая затем газифицируется под давлением. Получаемый газ может быть использован для промежуточного перегрева пара. Промытые газы объединяются с газами, образующимися при термическом разложении черного щелока, для того чтобы быть поданными в газовую турбину. В этом случае важно отметить, что рассмотренный процесс основан на газификации под давлением, замещающей традиционный процесс извлечения натрия.
Третий вариант процесса с применением газовой турбины описан в опубликованной патентной заявке Финляндии №84516. Задача, поставленная перед данным процессом, состоит в том, чтобы изменить соотношение между производством тепла и электроэнергии на сульфатцеллюлозном заводе, т.е. чтобы сульфатный процесс получения целлюлозы был самодостаточным, не требующим подачи электроэнергии извне, но генерирующим избыточное количество пара. В этой связи было предложено, чтобы к паровой турбине целлюлозного завода подавалось только количество пара, необходимое для удовлетворения потребности завода в тепле. При этом любое избыточное количество пара, предпочтительно весь избыточный пар, подается в виде инжектируемого пара в газовую турбину с целью повышения ее эффективности.
Рассмотренные выше процессы с применением газовой турбины довольно трудно осуществить на практике, поскольку замена процесса Томлинсона газификацией черного щелока практически невозможна в связи с трудностями проведения газификации под давлением и в связи со значительными финансовыми рисками, даже на среднесрочном горизонте планирования, связанными с переходом на новую технологию.
Ближайшим аналогом заявленного способа получения тепловой и электрической энергии на целлюлозном заводе, а также на сульфатцеллюлозном заводе, является техническое решение, раскрытое в международной публикации WO 9311297.
Ближайшим аналогом заявленной установки для производства из древесной коры биогенного топочного газа является техническое решение, раскрытое в патенте US 5370772.
Раскрытие изобретения
В связи с изложенным задачей, решаемой настоящим изобретением, является устранение недостатков, ассоциируемых с уровнем техники, и разработка эффективного альтернативного варианта, ориентированного преимущественно на новые заводы, но применимого и на старых установках. При этом вариант по изобретению должен обеспечить эффективное использование для производства энергии всего топлива, получаемого на заводе из коры и других древесных материалов.
Идея, лежащая в основе настоящего изобретения, заключается в том, что кору и другие древесные отходы высушивают до содержания сухого вещества более 70%, после чего высушенную кору газифицируют с целью получения топочного газа. Существенную часть этого топочного газа сжигают для того, чтобы получить дополнительную теплоту в котле-утилизаторе. Если это представляется желательным, часть топочного газа сжигают в каком-либо ином узле или в устройстве, имеющемся в составе завода и требующем подвода тепла извне, в частности в печи регенерации известкового шлама в составе установки для сульфатной варки с целью обеспечения процесса регенерации необходимым теплом. Если в указанной печи регенерации оказывается возможным использовать, например, смолу таллового масла (талловый пек) или талловое масло, все топочные газы сжигают в содорегенерационном котле.
Топочный газ, производимый в соответствии с изобретением, может быть использован для улучшения параметров перегретого пара, производимого котлом-утилизатором, с приближением их к параметрам перегретого пара, производимого в котлах современных тепловых электростанций. Тем самым будет повышена эффективность преобразования тепловой энергии в электрическую. Для того чтобы избежать проблем коррозии в котле-утилизаторе, предпочтительно выполнять эту операцию в отдельном котле для производства перегретого пара, который одновременно может служить также и в качестве так называемой предкамеры котла-утилизатора. В этом случае газы, отходящие из котла для производства перегретого пара, подают к котлу-утилизатору для рекуперации теплоты. Представляется возможным также осуществлять перегрев всего производимого пара с использованием отходящих (дымовых) газов, образующихся при сжигании топочного газа. Газы, образующиеся при таком раздельном сжигании в котле для производства перегретого пара или в предкамере котла-утилизатора, направляют после прохождения блоков перегрева к испарительной части котла-утилизатора.
Таким образом, изобретение не направлено на замену существующего процесса перегонки для извлечения натрия (процесса Томлинсона), как это имеет место в рассмотренных известных методах. В отличие от известных решений предусматривается газификация и сжигание биогенного топлива совместно со сжиганием концентрированного щелока в содорегенерационном котле, предусмотренном процессом Томлинсона. Кору предпочтительно высушивают, используя дымовые (отходящие) газы содорегенерационного котла. В этом случае используют устройство для сушки, состоящее из каскада последовательно включенных сушильных узлов. Выпускной конец этого устройства присоединен к устройству газификации, производящему топочный газ, который (возможно, после очистки) может подаваться к котлу-утилизатору.
В первом аспекте изобретение предлагает способ получения тепловой и электрической энергии на целлюлозном заводе, включающий концентрирование остаточного щелока, образованного из варочного щелока, и его сжигание в котле-утилизаторе в присутствии биогенных топлив с последующей утилизацией тепловой энергии отходящих газов, образующихся при указанном сжигании, в том числе путем преобразования указанной энергии в электрическую энергию. Отличительными особенностями способа является то, что в качестве биогенного топлива используют кору или аналогичные древесные отходы, подвергаемые сушке до содержания влаги менее 30% с последующей газификацией для формирования топочного газа, который подают в котел-утилизатор.
В предпочтительном варианте кору или отходы окорки высушивают до содержания влаги менее 20% с последующей газификацией, причем, по меньшей мере, 40% по объему полученного таким образом газа направляют в котел-утилизатор.
Перед подачей топочного газа в котел-утилизатор от него предпочтительно отделяют золу.
В другом варианте тепло, полученное с использованием топочного газа, используют для перегрева пара, образующегося в содорегенерационном котле, в камере перегрева, отделенной от отходящих газов содорегенерационного котла.
Древесными отходами могут являться отходы окорки, осадок, содержащий кору, осадок, содержащий волокнистую массу, отходы в форме веток или волокнистой массы, избыточный осадок при биообработке сточных вод, лесосечные отходы, топливная древесина, отдельно доставляемая из леса, избытки древесины от деревообрабатывающего производства или иной древесный материал, пригодный для сжигания.
Для сушки коры или древесных отходов предпочтительно используют газы при температуре ниже 200°С. Предпочтительно используют пар или отходящий газ при температуре ниже 180°С. В качестве источника энергии для сушки твердого топлива может быть также использован пар при давлении 10-10000 кПа, предпочтительно 200-1400 кПа.
Во втором аспекте изобретение предлагает способ получения тепловой и электрической энергии на сульфатцеллюлозном заводе, включающий следующие операции: частичное вываривание древесного материала, используемого для производства волокнистой массы, в варочном щелоке для того, чтобы отделить волокна одно от другого, отделение вываренного древесного материала в форме черного щелока от волокнистого материала, концентрирование черного щелока посредством выпаривания, сжигание концентрированного щелока в содорегенерационном котле для регенерации варочных реагентов и для получения тепла и электричества за счет использования биогенных топлив. Отличительными особенностями способа является то, что твердое биогенное топливо переводят в газообразную форму, отделяют образовавшуюся золу и сжигают значительную часть полученного газа в том же оснащенном средствами рекуперации тепла котле, что и концентрированный щелок.
Биогенное топливо, подлежащее газификации, предпочтительно представляет собой древесину и/или древесную кору, и/или осадок, содержащий кору, и/или осадок, содержащий волокнистую массу, и/или отходы в форме веток или волокнистой массы, и/или избыточный осадок при биологической обработке сточных вод.
Биогенное топливо, подлежащее газификации, может также представлять собой лесосечные отходы, собранные в лесу, и/или отдельно заготовленную топливную древесину, и/или избытки древесины от деревообрабатывающего производства, и/или иной древесный материал, пригодный для сжигания.
В предпочтительном варианте биогенное топливо, подлежащее газификации, представляет собой торф.
Твердое топливо, подлежащее переводу в газообразную форму, перед газификацией предпочтительно подвергают сушке до содержания влаги в пределах 5-40%, предпочтительно 10-15%.
Сушку твердого топлива могут осуществлять с использованием тепла, остающегося после рекуперации теплоты из отходящего газа, образованного в топочной камере, путем приведения отходящего газа в непосредственный контакт с твердым топливом, подлежащим сушке.
В наиболее предпочтительном варианте сушку твердого топлива осуществляют с использованием в качестве источника энергии пара при давлении 10-10000 кПа, предпочтительно под давлением, соответствующим давлению, под которым на заводе производится распределение отработанного пара, или противодавлению в сети подачи пара, особенно предпочтительно под давлением 200-1400 кПа.
В альтернативном варианте сушку твердого топлива осуществляют с использованием в качестве источника энергии избыточного тепла, содержащегося в различных нагретых водах или в расширяющемся паре, имеющихся на целлюлозном заводе.
Топочная камера котла в направлении течения отходящих газов предпочтительно разделена на две части, в первой из которых производят сжигание топлива, приведенного в газообразное состояние, причем значительную часть выделяемого в результате тепла используют для получения перегретого пара, тогда как во второй части производят сжигание концентрированного щелока с использованием выделяемого при этом тепла для испарения воды в котле.
Часть твердого биогенного топлива, которое было переведено в газообразную форму, после удаления золы предпочтительно сжигают в печи регенерации известкового шлама и/или на других участках, где указанное топливо способно заменить ископаемые топлива.
В третьем аспекте изобретение предлагает установку для производства из древесной коры биогенного топочного газа, подлежащего подаче к котлу-утилизатору целлюлозного завода, которая подсоединена к питателю котла-утилизатора. Отличительными особенностями установки является то, что она содержит следующие взаимосвязанные части: устройство для сушки коры, содержащее средство подачи коры, подлежащей сушке, и средство отвода высушенной коры, и устройство газификации коры для производства топочного газа из коры, снабженное средством подачи коры и средством отвода топочного газа, причем средство подачи коры, входящее в состав устройства газификации коры, присоединено к средству отвода высушенной коры, входящему в состав устройства для сушки, а средство отвода топочного газа присоединено к котлу-утилизатору для подачи к нему топочного газа, произведенного из коры посредством газификации.
В предпочтительном варианте устройство для сушки состоит, по меньшей мере, из двух отдельных сушильных узлов, соединенных в форме каскада, причем выход сушильного узла, завершающего каскад, присоединен к средству подачи устройства газификации.
Между первым и вторым сушильными узлами предпочтительно установлено устройство предварительной обработки для осуществления обработки коры, поступающей из первого сушильного узла перед подачей ее во второй сушильный узел, причем устройство предварительной обработки снабжено питателем, присоединенным к выпускному средству первого сушильного узла, и выпускным средством, присоединенным к питателю второго сушильного узла. Устройство предварительной обработки может содержать измельчитель.
В дальнейшем предпочтительном варианте, по меньшей мере, один из сушильных узлов выполнен с возможностью использования отходящих газов или пара для осуществления сушки. В первом сушильном узле предпочтительно использована сушка в слое, а во втором сушильном узле – сушка в кипящем слое.
В наиболее предпочтительном варианте устройство газификации коры представляет собой котел с кипящим слоем, снабженный вращающимся основанием. Выпускное средство устройства газификации предпочтительно присоединено к узлу очистки газа, обеспечивающему отделение примесей от топочного газа до подачи его к котлу-утилизатору.
Осуществление изобретения обеспечивает получение существенных преимуществ. Оно рассчитано, в первую очередь, на использование в сульфатном процессе, но применимо и к натронному процессу, к сульфитному процессу, к полисульфитному процессу и к различным процессам с применением органических растворителей. Хотя изобретение и его достоинства наиболее подробно описываются применительно к сульфатному процессу, соответствующие достоинства могут быть реализованы и в других коммерчески освоенных процессах.
В отношении новых целлюлозных заводов процесс на основе изобретения делает приобретение отдельного котла для коры совершенно необязательным, что приводит к значительному уменьшению капиталовложений. Процесс на основе изобретения обеспечивает упрощение оборудования и облегчает его эксплуатацию и обслуживание; кроме того, улучшается энергетическая эффективность. В новом сульфатцеллюлозном заводе потребуется увеличить получение тепловой энергии в содорегенерационном котле на 10-20%. На старых целлюлозных заводах процесс на основе изобретения может быть реализован при проведении капитального ремонта.
Поскольку способ по изобретению характеризуется тем, что ископаемые топлива используются при его осуществлении на целлюлозном заводе только непосредственно перед его остановкой (закрытием), а также при пуске или в аварийных ситуациях, эмиссия диоксида углерода, обусловленная сжиганием ископаемых топлив, которая наносит вред атмосфере и ведет к так называемому парниковому эффекту, остается очень малой, несмотря на значительное повышение энергетической и экономической эффективности.
Посторонние вещества, такие как кремний, алюминий, хлор и калий, которые могут оказывать вредное воздействие на процесс получения целлюлозы и которые могут накапливаться в щелочном цикле, попадают в процесс вместе с сырьевым материалом и, следовательно, также и с корой. Технология газификации, позволяющая отделить золу, а также очистка топочного газа и его сжигание в печи регенерации известкового шлама и/или в содорегенерационном котле обеспечивают хорошую возможность ограничить попадание названных вредных веществ в процесс.
Высушенная кора может быть использована для производства энергии на целлюлозном заводе непосредственно или после соответствующей обработки (измельчения, размола и т.д.). Во втором случае заданный уровень содержания влаги может остаться более высоким (25-35%). Область применения охватывает старые котлы для коры и печь для регенерации известкового шлама, а также содорегенерационный котел (если может быть обеспечено удаление вредных посторонних веществ из щелочного цикла).
Настоящее изобретение в дополнение к древесных отходам, образующимся на целлюлозном заводе, охватывает и другие топлива древесного происхождения или аналогичные топлива, приобретаемые у сторонних предприятий лесообрабатывающей промышленности, а также специально произведенные топлива. В качестве топлива, используемого описанным выше образом, пригоден также и торф.
Приобретение котла для коры требует затрат, составляющих в зависимости от размера целлюлозного завода 20-30 млн. евро. Для функционирования котла требуются операторы, обслуживающий персонал, а также рабочие материалы и материалы, необходимые при обслуживании.
Дополнительные капиталовложения, необходимые для реализации способа по изобретению, основанного на использовании газификации, составят примерно половину капиталовложений, необходимых в случае приобретения котла для коры. При этом модификация процесса не приведет к повышенным эксплуатационным затратам и затратам на обслуживание. Сушка коры не требует привлечения специальных операторов. Затраты на обслуживание оборудования для сушки и газификации явно останутся более низкими, чем затраты на обслуживание котла для коры.
Вклад способа по изобретению в нагрузку на окружающую среду зависит от условий использования соответствующей установки. Наибольшее улучшение достигается при замене тяжелого мазута, используемого в печи для регенерации известкового шлама, на топочный газ (примерно 45% от общего объема), тогда как остальная часть (около 55%) топочного газа сжигается в содорегенерационном котле. Применительно к современному целлюлозному заводу это означает замену ежегодно примерно 20000 т топлива на топочный газ. В расчете на год это соответствует сокращению вредных выбросов диоксида углерода в размере 17500 т. Если заменяемым топливом является природный газ, ежегодное сокращение выбросов составляет примерно 12500 т. Существенным преимуществом является также повышение качества управления горением в содорегенерационном котле, которое достигается благодаря повышению тепловой мощности. Улучшенная управляемость, в свою очередь, позволяет сократить вредные выбросы, а также увеличить размеры соответствующего модуля, что сделает его более экономичным.
Современный целлюлозный завод с ежедневной производительностью около 600000 т в состоянии, равновесном в отношении получения тепла и основной продукции, производит на 35-40 МВт электроэнергии больше, чем расходует на собственные нужды. Если направить примерно 55% топочного газа для сжигания в содорегенерационном котле, а образующийся в результате дополнительный пар направить к конденсационной части турбины, избыточное количество электричества возрастет еще примерно на 10 МВт или более (если при этом используется отдельный котел для перегрева пара). Таким образом, при реализации изобретения целесообразно подавать, по меньшей мере, 40% топочного газа к указанному содорегенерационному котлу.
Краткое описание чертежей
Далее настоящее изобретение будет описано более детально, со ссылками на прилагаемые чертежи.
На фиг.1 представлена упрощенная схема, иллюстрирующая первый вариант осуществления изобретения.
На фиг.2 более подробно иллюстрируется движение потоков веществ при осуществлении газификации.
Осуществление изобретения
Как уже упоминалось, содорегенерационный котел наряду с варочным котлом представляет собой химический реактор, имеющий большое значение для целлюлозного завода в целом. Это обстоятельство обычно ограничивало его использование в качестве зоны сжигания различных материалов, за исключением черного щелока. Посторонние вещества, попадающие в химический цикл вместе с топливом, оказывают вредное влияние на регенерацию варочных реагентов. Что касается топлива, используемого в печи для регенерации известкового шлама, оно должно быть не только чистым, но и обеспечивать достаточно горячее пламя.
В соответствии с настоящим изобретением предлагается способ, в соответствии с которым кора и другие древесные отходы, образующиеся на целлюлозном заводе, могут быть эффективно использованы для получения энергии. Согласно изобретению кору или другие древесные отходы, образующиеся на целлюлозном заводе, подвергают сушке с использованием отходящих газов (газов сгорания) и/или пара до содержания влаги менее 30%, газифицируют и очищают таким образом, чтобы достигаемая степень очистки соответствовала характеру их заданного использования. Затем полученный газ подают в установку регенерации варочных реагентов (т.е. к котлу-утилизатору), где этот газ сжигают вместе с концентрированным черным щелоком, получаемым из отходов варочной жидкости.
Согласно предпочтительному варианту кору или отходы окорки высушивают до содержания влаги менее 20 мас.% и затем газифицируют. По меньшей мере, 40% по объему от общего количества полученного таким образом газа подают к котлу-утилизатору. Перед этой подачей от топочного газа отделяют золу.
Тепло, получаемое с использованием топочного газа, может быть использовано также, например, для перегрева (в камере перегрева) пара, используемого при регенерации соды (натрия), отдельно от отходящих газов, образующихся в содорегенерационном котле.
Древесные отходы, использование которых предусмотрено изобретением, включают отходы окорки, осадок, содержащий кору, осадок, содержащий волокнистую массу, сучья, отходы волокнистой массы, а также избыточный осадок при биообработке сточных вод, лесосечные отходы, топливную древесину, отдельно доставляемую из леса, избытки древесины от деревообрабатывающего производства или иной древесный материал, пригодный для сжигания.
Кора и другие древесные отходы перед газификацией всегда требуют в дополнение к механическому удалению воды также и сушки с подачей тепла. Требуемое конечное содержание влаги зависит от температуры сжигания, достигаемой с использованием топочного газа, и от других характеристик пламени. Сжигание в печи регенерации известкового шлама и в отдельном котле для перегрева требует, чтобы пламя имело высокую температуру и хорошие излучательные свойства. В этом случае конечное содержание влаги следует сделать менее 20%, в типичном случае составляющим 10-15%. Требования в отношении содержания влаги для других применений топочного газа не являются столь строгими. Среди источников избыточного тепла на целлюлозном заводе для проведения сушки можно использовать, например, отходящие газы от содорегенерационного котла. Для этой же цели можно использовать также избыточное тепло в форме стравливаемого пара и/или отработавшего пара (если, например, технология сушки требует проведения дополнительной сушки).
При осуществлении способа по изобретению содержание воды в коре перед газификацией уменьшают с 60% до 30%, предпочтительно до 20% и даже менее (например, до 15%).
Приводимые ниже расчеты показывают, что в результате сушки теплотворная способность коры в качестве топлива может быть значительно улучшена.
Если содержание влаги в коре составляет 60%, ее эффективная теплотворная способность составляет приблизительно 15,40 МДж/кг (в расчете на сухое вещество, соответствующее массе топлива, равной 2,50 кг). Если содержание влаги в коре уменьшено до 15%, ее эффективная теплотворная способность увеличивается до 18,86 МДж/кг (в расчете на сухое вещество, соответствующее массе топлива, равной в этом случае 1,18 кг).
Следовательно, во время сушки содержание воды уменьшается примерно на 1,32 кг в расчете на килограмм сухого вещества, тогда как эффективная теплотворная способность коры увеличивается на 22,5%.
Таким образом, можно сделать вывод, что сушка влажного топлива дает выигрыш в теплотворной способности, составляющий около 20%. При этом уменьшаются потери отходящих (дымовых) газов, образующихся при сжигании топлива; улучшается также эффективность этого сжигания. Уменьшаются, кроме того, размеры используемых котлов по сравнению с размерами котла для коры. Рост теплотворной способности и эффективности при сжигании приводит к возрастанию энергии, вырабатываемой с применением биотоплив, и уменьшает количество парниковых газов.
Согласно предпочтительному варианту в качестве источника энергии для сушки твердого топлива используют пар при давлении 10-10000 кПа. Однако предпочтительно использовать пар под давлением, соответствующим давлению, под которым на заводе производится распределение отработанного пара, или противодавлению в сети подачи пара. Это давление соответствует 400-2000 кПа, предпочтительно 200-1400 кПа. Представляется также возможным использовать в качестве источника энергии для сушки твердого топлива избыточное тепло, содержащееся, например, в различных нагретых водах или в расширяющемся паре, имеющихся на целлюлозном заводе.
В соответствии с изобретением вся кора, имеющаяся на целлюлозном заводе, высушивается до низкого содержания влаги, составляющего в типичном случае менее 20%, предпочтительно менее 15%. Применительно к современному целлюлозному заводу теплопроизводительность (тепловая мощность), получаемая в этом случае в форме газа от коры, составляет около 80 МВт.
Газ, получаемый из высушенной коры, пригоден для сжигания без дополнительной обработки в качестве топлива в печи для регенерации известкового шлама или в содорегенерационном котле.
В соответствии с предпочтительным вариантом осуществления изобретения для того, чтобы предотвратить эмиссию летучих органических соединений, сушку осуществляют, используя газы с температурой 200°С, предпочтительно 180°С или менее. Сушка может производиться в два или более этапов. В этом случае предпочтительно осуществить особенно первый этап сушки с использованием отходящих газов или пара, имеющих температуру менее 200°С. При этом газы, отходящие при сушке, могут быть объединены с газами, отходящими из котла-утилизатора. Окончательная температура газов, отходящих из содорегенерационного котла, составляет в настоящее время около 160°С, причем количество отходящих газов столь велико, что его вполне достаточно для сушки всего объема коры, вырабатываемой на целлюлозном заводе. Для сушки твердого топлива обычно используют тепло, которое остается после операции рекуперации тепла из отходящих газов, образующихся в топочной камере. При этом сушку осуществляют путем приведения отходящих газов в непосредственный контакт с твердым топливом, подлежащим сушке.
На первом этапе сушки решается задача удаления, по меньшей мере, 50% влаги, содержащейся в обрабатываемом материале. Согласно предпочтительному варианту изобретения после завершения первого этапа содержание влаги в материале не превышает 40 мас.%, более предпочтительно 30 мас.%. Второй этап (или последующие этапы) могут осуществляться при условиях, сходных с условиями на первом этапе, или при более высокой температуре, поскольку количество отходящих газов (возможно, содержащих летучие органические вещества) на втором этапе сушки является приемлемым для их очистки.
Материал, получаемый по завершении сушки, может быть перед его газификацией приведен к форме гранул или частиц, размер которых можно варьировать с учетом варианта аппаратуры, используемой для газификации. На размеры частиц материала влияет также технология сушки, используемая в рамках способа по изобретению. Это связано с тем, что кора или иные древесные отходы должны быть разделены на настолько мелкие части, чтобы обеспечить в результате сушки указанное выше содержание сухого вещества. Предпочтительно размеры частиц древесного материала находятся в пределах 0,1-100 мм.
В процессе газификации сухой древесный материал (кора/древесные отходы) нагревают до образования горючих топочных газов. Газификацию осуществляют методом, который сам по себе известен. В типичном случае используются субстехиометрические условия в отношении кислорода, например, в присутствии твердого передающего тепло материала в кипящем слое. Варианты аппаратуры, пригодные для осуществления газификации, будут рассмотрены более детально при рассмотрении чертежей.
С учетом вышеизложенного согласно изобретению предлагается установка для производства из древесной коры биогенного топочного газа, подлежащего подаче к котлу-утилизатору целлюлозного завода, подсоединенная к питателю котла-утилизатора. Установка содержит следующие взаимосвязанные части: устройство для сушки коры, содержащее средство подачи коры, подлежащей сушке, и средство отвода высушенной коры, и устройство газификации высушенной коры для производства топочного газа из коры, снабженное средством подачи коры и средством отвода топочного газа. Средство подачи коры, входящее в состав устройства газификации коры, присоединено к средству отвода высушенной коры, входящему в состав устройства для сушки. Средство отвода топочного газа присоединено к котлу-утилизатору для подачи к нему топочного газа, произведенного из коры посредством газификации. В контексте изобретения термин “присоединено” означает, что рассматриваемое устройство непосредственно или через какие-либо другие средства связано с предшествующим или с последующим устройством. Между соответствующими устройствами могут находиться какие-либо узлы для осуществления дополнительной обработки, как это будет пояснено далее. Питатели и средства отвода обычно представляют собой трубы или аналогичные элементы, по которым материалы, подлежащие обработке или прошедшие обработку, могут быть поданы в устройство или выведены из него. Как уже отмечалось выше, в устройстве для сушки или в его последовательно соединенных узлах сушка осуществляется с применением отходящих газов и/или пара.
Достоинства многокаскадной сушки были отмечены выше. В предпочтительном варианте устройство для сушки состоит, по меньшей мере, из двух отдельных сушильных узлов, соединенных в форме каскада. В этом случае выход сушильного узла, завершающего каскад, присоединен к средству подачи устройства газификации. При построении устройства для сушки по такой схеме становится возможным установить между первым и вторым сушильными узлами устройство предварительной обработки для осуществления обработки коры, поступающей из первого сушильного узла перед подачей ее во второй сушильный узел. Устройство предварительной обработки снабжено в данном варианте питателем, присоединенным к выпускному средству первого сушильного узла, и выпускным средством, присоединенным к питателю второго сушильного узла. Данное устройство предварительной обработки содержит измельчитель.
Первый и второй сушильные узлы могут представлять собой различные устройства для сушки в слое, в том числе для сушки в кипящем слое. Устройство газификации представляет собой котел с кипящим слоем, снабженный вращающимся основанием. Выпускное средство этого устройства газификации предпочтительно присоединено к узлу очистки газа, обеспечивающему отделение примесей от топочного газа до подачи его к котлу-утилизатору.
Значительную (предпочтительно основную) часть образующихся топочных газов сжигают в котле-утилизаторе (содорегенерационном котле) для того, чтобы получить перегретый пар. Часть образующегося газа, обладающая достаточной теплотворной способностью, может быть направлена в качестве топлива, заменяющего природный газ или мазут, к печи для регенерации известкового шлама. В дополнение топочный газ в качестве топлива, заменяющего ископаемое топливо, может быть использован и на других участках целлюлозного завода.
Использование изобретения позволяет повысить энергетическую эффективность известного процесса с использованием содорегенерационного котла благодаря практическому использованию коры, получаемой в результате окорки древесины, и применению уже освоенных технологий сушки и газификации, а также технологии обработки газа. Концепция единственного котла (означающая отсутствие котла для коры) также является одной из ключевых задач, особенно применительно к строительству нового завода. Предлагаемый способ предполагает осуществление сушки и газификации всего объема коры; такое решение возможно прежде всего при использовании непосредственной сушки отходящими газами, поступающими от содорегенерационного котла.
Тепло, полученное от топочного газа, выработанного в результате газификации, может быть утилизовано также для перегрева (с использованием камеры перегрева, отделенной от отходящих газов) пара, образующегося в содорегенерационном котле. В этом случае характеристики (давление и температура) перегретого пара могут быть улучшены при соответствующем улучшении эффективности производства электроэнергии по сравнению с существующими характеристиками. Эти характеристики могут быть приближены к характеристикам перегретого пара, получаемого в специализированных котлах тепловых электростанций, причем при отсутствии ограничений, обусловленных коррозией в блоке перегрева и имеющих в настоящее время критическое значение. Для практического использования коры и других органических материалов, отделяемых от древесины в процессе обработки, целлюлозный завод не будет нуждаться в отдельном котле для коры, работающем на твердом топливе. Это позволит упростить концепцию завода, причем он станет более экономичным в отношении как капитальных, так и эксплуатационных затрат. Кроме того, может быть резко сокращено использование заводом ископаемых топлив. Перегрев частично может осуществляться, например, методом, который известен сам по себе, т.е. в отдельном котле перегрева, с применением в качестве топлива газа, получаемого при газификации коры. Таким образом, использование коры позволит увеличить производство электроэнергии.
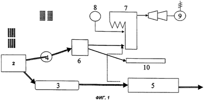
Фиг.1 иллюстрирует принципы осуществления способа по изобретению применительно к его предпочтительному варианту.
Через 2 на фиг.1 обозначена механическая обработка сырьевого древесного материала 1, поступающего на целлюлозный завод. Данная обработка включает окорку и переработку бревен в щепу. Щепа 3 и кора 4, а также другие измельченные сырьевые материалы (т.е. древесные отходы, такие как ветки), непригодные для использования при варке, обрабатывают по отдельности. При этом щепу далее подают, как обычно, на имеющуюся в составе завода технологическую линию 5 получения волокнистой массы. Кору 4 подают на газификацию 6. По меньшей мере, часть получаемого при этом газа, составляющую не менее 10% (по объему), предпочтительно не менее 40% и особенно предпочтительно не менее 50%, подают к содорегенерационному котлу 7. К этому котлу подают также биологический осадок 8, получаемый после обработки сточных вод. Газы вместе с концентрированным остаточным щелоком сжигают в содорегенерационном котле с целью получения перегретого пара 9. Часть образующегося топочного газа, обладающая достаточной теплотворной способностью, может быть подана к печи 10 регенерации известкового шлама в качестве топлива, заменяющего мазут и натуральный газ. В качестве топлива, заменяющего ископаемые топлива, топочный газ может использоваться и на других участках целлюлозного завода (например, во вспомогательном котле).
В соответствии с предпочтительным вариантом осуществления изобретения (представленным на фиг.2) в состав целлюлозного завода входят устройство 11, 13 для сушки коры и устройство 14 газификации, способные осуществлять обработку всей имеющейся коры. В данном варианте сушку коры осуществляют с использованием горячих газов, получаемых на целлюлозном заводе, таких как отходящие (дымовые) газы, особенно получаемые от содорегенерационного котла и имеющие температуру ниже 200°С, а также пара. Для сушки можно использовать непосредственный контакт между отходящим газом и корой.
Сушка коры может осуществляться в один или в несколько этапов, например в два этапа, как это показано на фиг.2. В таком случае на первом этапе (в первом сушильном узле 11 устройства для сушки), когда кора еще является влажной, используется воздействие топочными газами в сочетании с сушкой в слое. Второй этап сушки может производиться при более высокой температуре. Сушку коры осуществляют до содержания сухого вещества 60-80 мас.%. После этого кора может быть подвергнута предварительной обработке, такой как размол в устройстве 12 предварительной обработки. На втором этапе сушки, производимом во втором сушильном узле 13, используют пар и, например, сушку в кипящем слое. На обоих этапах желательно поддерживать низкую температуру сушки для того, чтобы достичь низкого уровня выбросов. Как правило, достаточная температура соответствует примерно 150-170°С. По завершении второго этапа сушки содержание сухого вещества превышает 80%, предпочтительно составляя 82-90%.
Возможно осуществление второго этапа и при более высокой температуре, такой, например, как 250-400°С.
После сушки кору и соответствующие древесные отходы газифицируют. В типичном случае температура газификации составляет примерно 700-1000°С, предпочтительно 750-900°С. Для газификации могут использоваться котлы с кипящим слоем, например, с использованием вращающегося основания. Газ, полученный в результате газификации, который, в основном, содержит моноксид углерода, подают в оборудование 15 газоочистки. Зола коры содержит нежелательные вещества, такие как алюминий и кремний, концентрирование которых в цикле может быть предотвращено путем газификации коры и отделения золы от газа.
Потребность в очистке газа будет определяться характером его использования. Из газа, подлежащего подаче в содорегенерационный котел 16, необходимо удалить смолы и аммиак, а также зольную пыль. Часть газа (на практике соответствующая примерно 40% от общего его количества по объему) подается к печи 17 регенерации известкового шлама. В этом случае для обеспечения требуемых свойств газа качество очистки не должно быть столь же высоким. В том случае, если требуется ограничить выбросы NOx, очистка должна быть, в основном, направлена на удаление аммиака.
Значительная доля топочных газов, составляющая в оптимальном варианте около 55% от общего количества по объему, подается к содорегенерационному котлу. В предпочтительном варианте топочная камера этого котла в направлении течения топочных газов разделена на две части. В первой из этих частей производят сжигание топлива, приведенного в газообразное состояние, причем значительную часть выделяемого в результате тепла используют для получения перегретого пара. Во второй из этих частей производят сжигание концентрированного щелока с использованием выделяемого при этом тепла для испарения воды в котле.
Газ, получаемый на этапе газификации (т.е. в устройстве 14), может применяться не только в качестве топочного газа для содорегенерационного котла и для печи регенерации известкового шлама, но и для других целей, например в цистернах 18 для сушки 19 пульпы, а в некоторых случаях также и для целей нагрева. Кроме того, он может быть продан внешним потребителям, как правило, для применений, в которых он заменяет ископаемые топлива (например, для обогрева жилых зданий, для использования в производстве бумаги). На фиг.2 через 21, 22 обозначены контейнеры для исходного материала (ворохов коры), а через 23, 24 – бункеры для высушенного материала. При этом контейнер 21 служит для хранения приобретенного материала, а контейнер 22 – для материала, поступающего от окоривающей установки. Если это представляется желательным, исходный материал может быть подвергнут предварительной обработке 25. Такая предварительная обработка 25 касается материала, поступающего от окоривающей установки, и имеет целью сделать его пригодным для последующей сушки и газификации. Эта предварительная обработка может производиться с использованием оборудования, входящего в состав окоривающей установки.
Материал, получаемый после первого этапа сушки, может быть собран в бункер 23, из которого он может поставляться внешним покупателям.
Под “обработкой газов” в данном описании понимается, например, очистка газов (в частности от VOC, летучих органических соединений), поступающих от второго этапа газификации (т.е. от второго сушильного узла 13).
В приведенном описании был рассмотрен конкретный пример производства топочного газа из коры. Однако изобретение может быть реализовано и применительно к твердым древесным отходам другого типа, таким как осадки, содержащие кору или волокнистую массу, ветки или отходы волокнистой массы, а также избыточные осадки при биологической обработке сточных вод. Биогенное топливо, подлежащее газификации, может состоять также из лесосечных отходов, собранных в лесу, и/или из отдельно заготовленной топливной древесины, и/или из избытков древесины, поступающей от деревообрабатывающего производства, и/или из любого иного древесного материала, пригодного для сжигания.
Формула изобретения
1. Способ получения тепловой и электрической энергии на целлюлозном заводе, включающий концентрирование остаточного щелока, образованного из варочного щелока, и его сжигание в котле-утилизаторе в присутствии биогенных топлив с последующей утилизацией тепловой энергии отходящих газов, образующихся при указанном сжигании, в том числе путем преобразования указанной энергии в электрическую энергию, отличающийся тем, что в качестве биогенного топлива используют кору или аналогичные древесные отходы, подвергаемые сушке до содержания влаги менее 30% с последующей газификацией для формирования топочного газа, который подают в котел-утилизатор.
2. Способ по п.1, отличающийся тем, что кору или отходы окорки высушивают до содержания влаги менее 20% с последующей газификацией, причем, по меньшей мере, 40% по объему полученного таким образом газа направляют в котел-утилизатор.
3. Способ по п.1, отличающийся тем, что перед подачей топочного газа в котел-утилизатор от него отделяют золу.
4. Способ по п.1, отличающийся тем, что тепло, полученное с использованием топочного газа, используют для перегрева пара, образующегося в содорегенерационном котле, в камере перегрева, отделенной от отходящих газов содорегенерационного котла.
5. Способ по п.1, отличающийся тем, что древесными отходами являются отходы окорки, осадок, содержащий кору, осадок, содержащий волокнистую массу, отходы в форме веток или волокнистой массы, избыточный осадок при биообработке сточных вод, лесосечные отходы, топливная древесина, отдельно доставляемая из леса, избытки древесины от деревообрабатывающего производства или иной древесный материал, пригодный для сжигания.
6. Способ по любому из предыдущих пунктов, отличающийся тем, что для сушки коры или древесных отходов используют газы при температуре ниже 200°С.
7. Способ по п.6, отличающийся тем, что используют пар или отходящий газ при температуре ниже 180°С.
8. Способ по любому из пп.1-5, отличающийся тем, что в качестве источника энергии для сушки твердого топлива используют пар при давлении 10-10000 кПа, предпочтительно 200-1400 кПа.
9. Способ получения тепловой и электрической энергии на сульфатцеллюлозном заводе, включающий следующие операции:
древесный материал, используемый для производства волокнистой массы, частично вываривают в варочном щелоке для того, чтобы отделить волокна одно от другого,
вываренный древесный материал в форме черного щелока отделяют от волокнистого материала,
черный щелок концентрируют посредством выпаривания,
концентрированный щелок сжигают в содорегенерационном котле для регенерации варочных реагентов и для получения тепла и электричества за счет использования биогенных топлив,
отличающийся тем, что
твердое биогенное топливо переводят в газообразную форму,
отделяют образовавшуюся золу и
сжигают значительную часть полученного газа в том же, оснащенном средствами рекуперации тепла, котле, что и концентрированный щелок.
10. Способ по п.9, отличающийся тем, что биогенное топливо, подлежащее газификации, представляет собой древесину и/или древесную кору, и/или осадок, содержащий кору, и/или осадок, содержащий волокнистую массу, и/или отходы в форме веток или волокнистой массы, и/или избыточный осадок при биологической обработке сточных вод.
11. Способ по п.9, отличающийся тем, что биогенное топливо, подлежащее газификации, представляет собой лесосечные отходы, собранные в лесу, и/или отдельно заготовленную топливную древесину, и/или избытки древесины от деревообрабатывающего производства, и/или иной древесный материал, пригодный для сжигания.
12. Способ по п.9, отличающийся тем, что биогенное топливо, подлежащее газификации, представляет собой торф.
13. Способ по п.9, отличающийся тем, что твердое топливо, подлежащее переводу в газообразную форму, перед газификацией подвергают сушке до содержания влаги в пределах 5-40%, предпочтительно 10-15%.
14. Способ по п.9, отличающийся тем, что сушку твердого топлива осуществляют с использованием тепла, остающегося после рекуперации теплоты из отходящего газа, образованного в топочной камере, путем приведения отходящего газа в непосредственный контакт с твердым топливом, подлежащим сушке.
15. Способ по п.9, отличающийся тем, что сушку твердого топлива осуществляют с использованием в качестве источника энергии пара при давлении 10-10000 кПа, предпочтительно под давлением, соответствующим давлению, под которым на заводе производится распределение отработанного пара, или противодавлению в сети подачи пара, особенно предпочтительно под давлением 200-1400 кПа.
16. Способ по п.9, отличающийся тем, что сушку твердого топлива осуществляют с использованием в качестве источника энергии избыточного тепла, содержащегося в различных нагретых водах или в расширяющемся паре, имеющихся на целлюлозном заводе.
17. Способ по п.9, отличающийся тем, что топочная камера котла в направлении течения отходящих газов разделена на две части, в первой из которых производят сжигание топлива, приведенного в газообразное состояние, причем значительную часть выделяемого в результате тепла используют для получения перегретого пара, тогда как во второй части производят сжигание концентрированного щелока с использованием выделяемого при этом тепла для испарения воды в котле.
18. Способ по любому из пп.9-17, отличающийся тем, что часть твердого биогенного топлива, которое было переведено в газообразную форму, после удаления золы сжигают в печи регенерации известкового шлама и/или на других участках, где указанное топливо способно заменить ископаемые топлива.
19. Установка для производства из древесной коры биогенного топочного газа, подлежащего подаче к котлу-утилизатору целлюлозного завода, подсоединенная к питателю котла-утилизатора, отличающаяся тем, что содержит следующие взаимосвязанные части:
устройство (11, 13) для сушки коры, содержащее средство подачи коры, подлежащей сушке, и средство отвода высушенной коры, и
устройство (14) газификации коры для производства топочного газа из коры, снабженное средством подачи коры и средством отвода топочного газа, причем
средство подачи коры, входящее в состав устройства газификации коры, присоединено к средству отвода высушенной коры, входящему в состав устройства для сушки, а средство отвода топочного газа присоединено к котлу-утилизатору для подачи к нему топочного газа, произведенного из коры посредством газификации.
20. Установка по п.19, отличающаяся тем, что устройство (11, 13) для сушки состоит, по меньшей мере, из двух отдельных сушильных узлов, соединенных в форме каскада, причем выход сушильного узла, завершающего каскад, присоединен к средству подачи устройства газификации.
21. Установка по п.20, отличающаяся тем, что между первым и вторым сушильными узлами установлено устройство (12) предварительной обработки для осуществления обработки коры, поступающей из первого сушильного узла перед подачей ее во второй сушильный узел, причем устройство предварительной обработки снабжено питателем, присоединенным к выпускному средству первого сушильного узла, и выпускным средством, присоединенным к питателю второго сушильного узла.
22. Установка по п.21, отличающаяся тем, что устройство (12) предварительной обработки содержит измельчитель.
23. Установка по п.19, отличающаяся тем, что, по меньшей мере, один из сушильных узлов выполнен с возможностью использования отходящих газов или пара для осуществления сушки.
24. Установка по п.20, отличающаяся тем, что в первом сушильном узле (11) использована сушка в слое.
25. Установка по п.20, отличающаяся тем, что во втором сушильном узле (13) использована сушка в кипящем слое.
26. Установка по п.19, отличающаяся тем, что устройство (14) газификации коры представляет собой котел с кипящим слоем, снабженный вращающимся основанием.
27. Установка по любому из пп.19-26, отличающаяся тем, что выпускное средство устройства газификации присоединено к узлу очистки газа, обеспечивающему отделение примесей от топочного газа до подачи его к котлу-утилизатору.
РИСУНКИ
PC4A – Регистрация договора об уступке патента СССР или патента Российской Федерации на изобретение
Прежний патентообладатель:
ОЙ МЕТСЯ-БОТНИЯ АБ (FI)
(73) Патентообладатель:
АНДРИЦ ОЙ (FI)
Договор № РД0069747 зарегистрирован 13.09.2010
Извещение опубликовано: 27.10.2010 БИ: 30/2010
|
|