|
|
(21), (22) Заявка: 2003112726/11, 29.04.2003
(24) Дата начала отсчета срока действия патента:
29.04.2003
(30) Конвенционный приоритет:
03.05.2002 FR 0205600
(43) Дата публикации заявки: 20.10.2004
(46) Опубликовано: 10.01.2008
(56) Список документов, цитированных в отчете о поиске:
US 5346163 А, 13.09.1994. DE 19654960 A1, 02.07.1998. EP 0997340 A1, 03.05.2000. SU 1643225 A1, 23.04.1991.
Адрес для переписки:
129010, Москва, ул. Б. Спасская, 25, стр.3, ООО “Юридическая фирма Городисский и Партнеры”, пат.пов. Ю.Д.Кузнецову, рег.№ 595
|
(72) Автор(ы):
СЕДДИКИ Рашид (FR), КОРНИК Даниель (FR)
(73) Патентообладатель(и):
АЛЬСТОМ (FR)
|
(54) СПОСОБ И СИСТЕМА ДЛЯ КОНТРОЛЯ И РЕГУЛИРОВАНИЯ МОЩНОСТИ, РАСХОДУЕМОЙ ТРАНСПОРТНОЙ СИСТЕМОЙ
(57) Реферат:
Предложены способ контроля и регулирования мощности и энергии, расходуемых транспортной системой, включающей в себя транспортные средства с электрической тягой. Транспортная система содержит систему электроснабжения, включающую в себя одну или более подстанций электроснабжения, связанных с внешней сетью электроснабжения. Подстанция или подстанции электроснабжения подают энергию тяговым подстанциям, снабжающим мощностью участки линии электроснабжения, предусматривающие установленные на транспортных средствах токоснимающие устройства, подсоединенные к ним. На каждом транспортном средстве установлен силовой преобразователь, который снабжается мощностью от токоснимающего устройства и управляющий мощностью, подаваемой на тяговый электродвигатель транспортного средства. При этом измеряют текущее значение электрической мощности и/или энергии, потребляемых от внешней сети электроснабжения подстанцией или подстанциями электроснабжения. Если мощность или энергия, потребляемые от внешней сети, имеют тенденцию превышать заданный порог, посылают в одно или более транспортные средства заданное значение регулируемой величины, действующее на бортовой преобразователь транспортного средства с целью временного уменьшения мощности и/или частоты вращения тягового электродвигателя. Группа изобретений позволяет ограничивать максимальное потребление мощности и энергии, расходуемых транспортной системой, и оптимизировать эксплуатационные расходы. 2 н. и 14 з.п. ф-лы, 7 ил., 1 табл.
Изобретение относится к способу и системе для контроля и регулирования мощности и энергии, расходуемой транспортной системой, использующей транспортные средства с электрической тягой, и потребности в электроэнергии которых обеспечиваются внешней сетью электроснабжения.
Транспортные системы типа метрополитена, трамваев, троллейбусов и управляемых дорожных транспортных средств имеют высокие потребности в электроэнергии, которые меняются на протяжении дня и являются по существу потребностями в тяговой мощности, которые рассеиваются транспортными средствами системы. Потребности в электроэнергии достигают максимума утром и после полудня и зачастую совпадают с утренними и вечерними часами пик. Следовательно, для компаний, использующих такие транспортные системы, является невыгодным приобретать свои собственные электростанции для обеспечения электрической мощности, поскольку электростанции должны быть рассчитаны на обеспечение максимальной мощности в часы пик и будут редко использоваться с максимальной эффективностью.
Поэтому для компаний, использующих транспортные системы подобного типа, более целесообразно получать электроэнергию от государственных или частных компаний, специализирующихся на распределении электроэнергии. Эти компании используют сети электроснабжения, которые обеспечивают высоконадежную поставку электроэнергии и коррелированы между собой с целью обеспечить необходимое количество электроэнергии в случае ее пикового расхода. Однако большинство структур ценообразовательных компаний распределения электроэнергии учитывает номинальную мощность и энергию, указанную в контракте, подписанном с клиентом, и выставляет счет клиентам за высокие дополнительные затраты всякий раз, когда мощность или энергия, использованная клиентом, превышает номинальную мощность или энергию. Поэтому для операторов транспортных систем важно оптимизировать значение максимальной мощности, потребляемой из внешней сети электроснабжения, с учетом того факта, что ограничение максимального значения сопряжено с существенным финансовым воздействием и ведет к ограничению и самой номинальной мощности, и с учетом случаев, когда потребность в электроэнергии превышает номинальную мощность. То же касается расходуемой электрической энергии.
Следовательно, задачей настоящего изобретения является разработка способа контроля и регулирования мощности и энергии, расходуемой транспортной системой, позволяющего ограничивать максимальное потребление мощности и энергии от сети электроснабжения с целью оптимизирования эксплуатационных расходов, существенно не ухудшая качество обслуживания, предоставляемого пользователям. Другой задачей изобретения является создание системы для осуществления вышеупомянутого способа.
Заявлен способ контроля и регулирования мощности и энергии, расходуемой транспортной системой, включающей в себя транспортные средства с электрической тягой, содержащей систему электроснабжения, включающую в себя одну или более подстанций электроснабжения, связанных с внешней сетью электроснабжения, при этом подстанция или подстанции электроснабжения снабжают энергией тяговые подстанции, снабжающие мощностью участки линии электроснабжения, имеющие установленные на транспортных средствах токоснимающие устройства, подсоединенные к ним, и на каждом транспортном средстве установлен силовой преобразователь, который снабжается мощностью с помощью токоснимающего устройства и который контролирует мощность и/или частоту вращения тягового электродвигателя транспортного средства, отличающийся тем, что:
– измеряют в режиме реального масштаба времени мгновенную электрическую мощность и/или энергию, потребляемую из внешней сети электроснабжения подстанцией или подстанциями электроснабжения, и
– если мощность или энергия, потребляемая из внешней сети, имеет тенденцию превышать заданный порог, посылают заданное значение регулируемой величины в одно или более транспортных средств для воздействия на бортовой преобразователь транспортного средства с целью временного уменьшения мощности и/или частоты вращения тягового электродвигателя.
Конкретные варианты осуществления способа согласно изобретению могут включать в себя один или более из следующих признаков, взятые по отдельности или в любой технически приемлемой комбинации:
– транспортные средства передвигаются в соответствии с использованием алгоритма управления, посредством чего начало движения производится в соответствии с постоянным заданным значением силы тяги, которую применяют до тех пор, пока в тяговом электродвигателе течет линейный ток IA, причем величина тока IA известна бортовому преобразователю и соответствует номинальному рабочему току тягового электродвигателя или более низкому значению, модулируемому в виде функции загрузки транспортного средства, с последующим ускорением транспортного средства до максимальной скорости в соответствии с законом равной мощности;
– транспортные средства передвигаются в соответствии с использованием алгоритма управления, согласно которому запуск производится в соответствии с законом, определяющим увеличение скорости до максимально разрешенной;
– посылаемое на транспортное средство заданное значение представляет собой заданное значение регулируемой величины уменьшения для ограниченного линейного тока IA, обычно задаваемого бортовым преобразователем транспортного средства, при этом заданное значение регулируемой величины действует на бортовой преобразователь упомянутого транспортного средства для ограничения линейного тока, подаваемого в тяговый электродвигатель, до величины IL= ·IA;
– посылаемое на транспортное средство заданное значение регулируемой величины представляет собой заданное значение уменьшения для максимальной частоты вращения, обычно задаваемой бортовым преобразователем упомянутого транспортного средства, причем заданное значение регулируемой величины действует на бортовой преобразователь транспортного средства для ограничения частоты вращения тягового электродвигателя;
– транспортные средства, принимающие заданные значения и/или регулируемой величины, выбираются из транспортных средств транспортной системы в виде функции индекса Vc критического состояния, задаваемого для каждого транспортного средства, и индекса Zc критического состояния, задаваемого для каждого участка линии электроснабжения;
– индекс Vc критического состояния, задаваемый для каждого транспортного средства, учитывает последний этап движения транспортного средства, временной интервал между следующими одно за другим транспортными средствами и/или загрузку транспортного средства, а индекс Zc критического состояния, задаваемый для каждого участка линии электроснабжения, учитывает состояние тяговых подстанций и/или подстанции электроснабжения, подающих мощность в участок, и геометрию маршрута, по которому следуют транспортные средства на участке;
– заданные значения и/или регулируемой величины, принимаемые каждым транспортным средством, модулируются в виде функции индекса Vc критического состояния, задаваемого для транспортного средства;
– если транспортная система включает в себя значительное число вспомогательных систем инфраструктуры, снабжаемых электроэнергией от подстанции электроснабжения, а также при посылке заданных значений регулируемой величины на различные транспортные средства, заданные значения регулируемой величины посылаются для сокращения режима работы менее важных вспомогательных систем инфраструктуры, типа систем вентиляции, кондиционирования воздуха или освещения станций;
– величина задаваемого порога мощности и/или энергии является функцией, соответственно, максимальных значений мощности и энергии, указанных в контракте, подписанном с поставщиком электроэнергии, причем пороги можно адаптировать в виде функции времени суток или времени года для приведения их в соответствие с условиями контракта;
– пороги мощности и энергии временно задаются значениями ниже номинальных значений мощности и энергии, указанных в контракте, с целью экономии энергии и мощности;
– способ включает в себя этап измерения электрических параметров, обеспечиваемых тяговыми подстанциями, и результаты измерения используются для выбора транспортных средств, на которые посылаются заданные значения и/или регулируемой величины.
В изобретении также раскрыта система для контроля и регулирования мощности и энергии, расходуемой транспортной системой, включающей в себя множество транспортных средств, имеющих электрический тяговый двигатель, причем транспортная система включает в себя подстанцию электроснабжения, связанную с внешней сетью электроснабжения, обеспечивающую энергией тяговые подстанции, снабжающие мощностью участки линии электроснабжения, и предусматривающую устанавливаемые на транспортных средствах токоснимающие устройства, подсоединенные к ним, при этом каждое транспортное средство содержит силовой преобразователь, который снабжается мощностью от токоснимающего устройства и контролирует мощность и частоту вращения тягового электродвигателя транспортного средства, отличающийся тем, что содержит:
– средства для измерения и снятия показаний электрической мощности, потребляемой из внешней сети электроснабжения подстанцией электроснабжения,
– средство детектора для обнаружения времени, в течение которого мощность и/или энергия, потребляемая из внешней сети, имеют тенденцию превышать заданный порог, и
– средство для посылки заданного значения (значений) регулируемой величины в одно или более транспортных средств, если мощность или энергия, потребляемая из внешней сети, имеют тенденцию превышать порог, при этом заданные значения регулируемой величины воздействуют на бортовой преобразователь транспортного средства с целью временного снижения мощности и/или частоты вращения тягового электродвигателя.
Согласно одной из особенностей системы согласно изобретению заданные значения регулируемой величины, посылаемые в транспортное средство, представляют собой заданные значения регулируемой величины снижения линейного тока и/или заданные значения регулируемой величины снижения частоты вращения, причем заданное значение регулируемой величины действует на бортовой преобразователь транспортного средства с целью ограничения линейного тока, подаваемого в тяговый электродвигатель, для снижения обычно задаваемого предельного линейного тока IA, а заданное значение регулируемой величины действует на бортовой преобразователь с целью ограничения частоты вращения тягового электродвигателя.
Согласно одной из особенностей системы, соответствующей настоящему изобретению, заданные значения регулируемой величины посылаются в транспортные средства из централизованной станции управления посредством системы радиопередач или на станции с помощью системы инфракрасной связи.
Цели, аспекты и преимущества настоящего изобретения в дальнейшем поясняются описанием вариантов его осуществления, которое предлагается в форме неограничивающего примера и со ссылкой на прилагаемые фигуры чертежей, в числе которых:
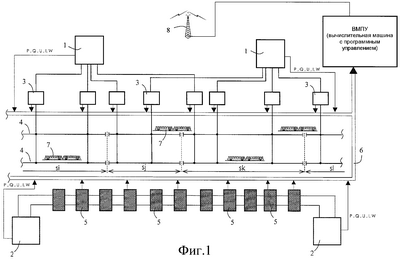
Фиг.1 изображает теоретическую схему системы электроснабжения для транспортных средств с электрической тягой метрополитена, регулируемой способом в соответствии с изобретением;
Фиг.2 и 3 изображают графики, показывающие для одного отдельного варианта осуществления изобретения соответственно один пример роста линейного тока и силы тяги тяговых электродвигателей транспортных средств системы метрополитена согласно фиг.1 как функции скорости транспортных средств и влияния способа регулирования на рост линейного тока; и
Фиг.4-7 изображают графические схемы программы, изображающие главные этапы процессов различных вариантов осуществления способа регулирования мощности в соответствии с изобретением.
Для облегчения чтения чертежей показаны только элементы, необходимые для понимания изобретения. Одинаковые элементы обозначены одинаковыми ссылочными позициями на всех чертежах, на которых они встречаются.
На фиг.1 изображен упрощенный вариант системы электроснабжения для системы метрополитена. Показанная на этом чертеже система электроснабжения включает в себя две пары подстанций 1 и 2 высокого напряжения, каждая из которых снабжается электрической мощностью по линиям электроснабжения, не показанным на чертежах, принадлежащим внешней сети электроснабжения, типа сети EDF во Франции. Напряжение питания, когда этот вид сети электроснабжения должен удовлетворять высоким потребностям в электроэнергии, составляет обычно порядка 110 кВ. Каждая из подстанций 1 и 2 высокого напряжения включает в себя пункты снятия показаний, в которых измеряют активную мощность P, реактивную мощность Q и потребляемую мощность (в ваттах) W, потребляемые из внешней сети подстанцией высокого напряжения. Поставщик внешней электрической мощности использует результаты этих измерений для выставления счета пользователю за потребленную электроэнергию. Подстанции 1 и 2 высокого напряжения также включают в себя пункты измерения для измерения напряжения U и тока I каждой фазы тока.
Как показано на фиг.1, две подстанции 1 высокого напряжения преобразуют напряжение питания из 110 кВ в напряжение порядка 20 кВ, которое перераспределяется для тяговых подстанций 3, расположенных приблизительно через каждые 2,2 км вдоль колеи. В тяговых подстанциях 3 ток выпрямляется, а напряжение снижается до 750 В постоянного тока и подается в линию 4 электроснабжения, разделенную на взаимно изолированные участки Si, Sj, Sk, Sl. Участки Si, Sj, Sk, Sl линии электроснабжения содержат шины электроснабжения, расположенные рядом с путями, и подают электропитание на транспортные средства 7 транспортной системы, которые имеют токоснимающие устройства типа токосъемных башмаков, скользящих с трением по шинам электроснабжения. Они могут быть соединены перемычками для компенсирования повреждения в системе электроснабжения на одном участке линии, например, из-за повреждения одной из подстанций высокого напряжения.
Две подстанции 2 высокого напряжения вырабатывают мощность с напряжением 20 кВ для вспомогательных систем инфраструктуры транспортной системы типа станций 5, которые включают в себя трансформаторы для подачи мощности в потребляющие электрическую мощность элементы станции типа систем вентиляции, кондиционирования воздуха и освещения и эскалаторов.
Измеренные значения P, Q, W, U, I, полученные в пунктах снятия показаний и измерений на подстанциях 1 и 2 высокого напряжения, посылаются по сети 6 электропередачи типа волоконно-оптической сети на ВМПУ (вычислительная машина с программным управлением) централизованной станции управления, которая также принимает через сеть 6 электропередачи информацию, касающуюся выходного напряжения и тока тяговых подстанций 3, получаемую общепринятым способом посредством датчиков. ВМПУ централизованной станции управления также принимает информацию о местоположении различных транспортных средств 7 на путях, получаемую обычным способом от средств типа маяков, расположенных вдоль путей, или от спутниковой глобальной системы местоопределения (ГСМ).
Наконец, каждое из транспортных средств 7 транспортной системы имеет один или более тяговых электродвигателей и бортовой преобразователь постоянного тока в постоянный ток или постоянного тока в переменный ток для непрерывного изменения тока и напряжения на клеммах тяговых электродвигателей, которые могут быть электродвигателями постоянного тока, синхронными электродвигателями или асинхронными электродвигателями.
Транспортные средства системы приводят в движение полностью вручную или в режиме ручного управления с использованием автоматической системы защиты, или полностью автоматически и предпочтительно в соответствии с характеристиками, показанными на фиг.2 и 3, которые оптимизированы с точки зрения потребления электроэнергии. Как показано на этих чертежах, при нормальных условиях движение транспортных средств обычно начинается из неподвижного состояния с постоянным задаваемым значением Fконст силы тяги, которая прикладывается вплоть до точки А, в которой преобразователь ограничивает ток IA, проходящий через тяговый электродвигатель, до определенного номинального тока тягового электродвигателя, и в которой транспортное средство достигает скорости VA, начиная с которой транспортное средство ускоряется до его максимальной скорости VM в соответствии с законом равной мощности РА=F×V=константа.
В частном случае этого варианта осуществления заданное значение Fконст силы тяги корректируется в зависимости от загрузки транспортного средства и заданное значение Fконст силы тяги уменьшается в течение начальной фазы, если транспортное средство перевозит немного пассажиров. В указанном частном случае транспортные средства оборудованы информационной системой, показывающей загрузку пассажирами транспортного средства, и системой управления для вычисления задаваемого значения Fконст силы тяги как функции загрузки с целью получить заданное ускорение транспортного средства независимо от загрузки. Соответственно, если транспортное средство незначительно загружено, силу тяги уменьшают и транспортное средство достигает скорости VA с линейным током IA электродвигателя, меньшим, чем номинальный ток тягового электродвигателя, причем в предпочтительном варианте значение тока IA при предельной загрузке будет равно номинальному значению тока тягового электродвигателя.
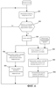
Способ регулирования в соответствии с изобретением, реализуемый на ВМПУ централизованной станции управления, далее будет описан со ссылкой на графическую схему программы согласно фиг.4.
На первом этапе 101 ВМПУ централизованной станции управления вычисляет в режиме реального времени полную мощность, потребляемую из внешней сети электроснабжения, на основании информации Р о мощности, посылаемой из каждого пункта измерения на подстанциях 1 и 2 высокого напряжения.
На втором этапе 102 вычисленная полная мощность сравнивается с заданным порогом мощности Pmax, который соответствует номинальной мощности, например, в данный момент времени . Порог мощности Pmax извлекают из памяти, которая хранит значение номинальный мощности, указанное в контракте, подписанном с поставщиком электрической мощности.
Когда полная расходуемая мощность стремится превысить заданный порог мощности Pmax, следующим этапом способа будет этап 103, на котором в ВМПУ централизованной станции управления посылается сигнал тревоги для уведомления оператора, ответственного за контроль движения.
На этапе 104 оператор анализирует перегрузку сети электроснабжения, как показано на пульте наблюдения, отображающем мощность, расходуемую на тяговых подстанциях 3, и состояние движения транспортных средств на каждом участке линии, которое определяется в виде функции заключительного этапа движения транспортных средств, временного интервала между транспортными средствами и загрузками транспортных средств.
На этапе 105 для снижения полного потребления мощности оператор вручную активизирует посылку заранее определенных заданных значений в транспортные средства 7 на участке линии, снабжаемой мощностью с перегруженной подстанции 3, если состояние движения на рассматриваемом участке линии не является критическим; если же состояние движения на рассматриваемом участке линии является критическим, предварительно запрограммированные заданные значения постепенно посылаются в транспортные средства 7 на соседних подучастках линии.
Предварительно запрограммированные заданные значения посылаются в транспортные средства 7 с помощью радиопередатчика 8 и представляют собой заданные значения регулируемой величины уменьшения линейного тока. Они соответствуют коэффициенту уменьшения, применяемому к максимальному току IA, который бортовой преобразователь транспортного средства 7, принимающий заданное значение, обычно может подавать в тяговый электродвигатель. Заданные значения регулируемой величины уменьшения тока равны, например, 70%. В показанном на фиг.2 и 3 примере линейный ток, который бортовой преобразователь может подавать в тяговый электродвигатель, ограничен током IL= ·IA.
Ограничение линейного тока, подаваемого бортовым преобразователем, до величины IL, меньшей чем ток IA тягового электродвигателя, сохраняет неизменное заданное значение силы тяги во время начала движения транспортного средства, и он подается вплоть до точки B, соответствующей ограниченному линейному току IL, затем последующее ускорение транспортного средства подчиняется закону равной мощности PL= ·PA.
Следовательно, заданное значение регулируемой величины уменьшения линейного тока, подаваемое бортовым преобразователем, имеет преимущество ограничения мощности, расходуемой транспортным средством, без изменения ускорения транспортного средства в начале движения, что сохраняет динамические параметры транспортного средства для отъезда со станции, или для буксировки, или толкания и для быстрого достижения скорости отключения с соответствующей экономией энергии.
Затем в способе предусмотрен петлеобразный переход к этапу 101 таким образом, что на последующих этапах оператор может регулировать предварительно запрограммированные заданные значения уменьшения тока, посылаемые в транспортное средство 7, как функцию тенденции мощности продолжать превышать порог мощности Pmax или, наоборот, стабилизации и тенденции падения, измеренную на этапах 101 и 102.
Наконец, когда на этапе 102 обнаруживается, что полная мощность, потребляемая из сети, больше не имеет какой-либо тенденции превышения задаваемого порога Pmax, на этапе 110 оператор постепенно устраняет какие-либо заданные значения регулируемой величины уменьшения ограничения, предварительно посылаемые в транспортные средства, после чего способ возвращается к этапу 101.
В упрощенном варианте осуществления описанного выше способа регулирования мощности на этапе 103 оператор может анализировать перегрузку сети электроснабжения, основываясь только на данных, относящихся к мощности, расходуемой подстанциями 1 высокого напряжения, отображаемых на пульте наблюдения, и затем на этапе 104 активизировать процесс посылки заданных значений регулируемой величины уменьшения тока, чтобы выполнить работу с парком транспортных средств 7 или только частью парка, выбранной произвольно в виде функции величины перегрузки мощности, отображаемой на пульте наблюдения. Данный вариант осуществления является особенно актуальным для транспортных систем, не оснащенных средствами определения местоположения транспортных средств, и/или систем, в которых ВМПУ централизованной станции управления не получает информации, касающейся выходного напряжения и тока тяговых подстанций.
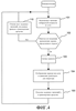
На фиг.5 показан другой вариант осуществления способа регулирования мощности согласно изобретению, применяемого к транспортной системе, показанной на фиг.1. Данный способ регулирования реализован с помощью программного обеспечения, установленного в ВМПУ централизованной станции управления.
Как показано на фиг.5, способ включает в себя первый этап 201, на котором полную мощность, потребляемую из внешней сети электроснабжения, рассчитывают в режиме реального масштаба времени на основании информации Р о мощности, посылаемой из каждого пункта измерения на подстанциях 1 и 2 высокого напряжения.
На этапе 202 вычисленная полная мощность сравнивается с заданным порогом мощности Pmax, соответствующим значению номинальной мощности в данный момент времени причем величина мощности Pmax извлекается из памяти, которая хранит номинальное значение мощности, указанной в контракте, подписанном с внешним поставщиком электрической мощности.
Если потребляемая от сети полная мощность не имеет тенденции превышения порога Pmax, способ возвращается к этапу 201.
Если после этапа 202 потребляемая из внешней сети полная мощность имеет тенденцию превышать задаваемый порог Pmax, следующим этапом будет этап 203, во время которого на пульт наблюдения ВМПУ централизованной станции управления посылается сигнал тревоги. ВМПУ централизованной станции управления автоматически принимает сигнал тревоги и производит заданные значения регулируемой величины ограничения мощности, которые посылаются в различные транспортные средства 7 на следующих более поздних этапах способа.
На этапе 204 индекс Vc критического состояния задается в режиме реального масштаба времени для каждого из транспортных средств 7 транспортной системы, а индекс Zc критического состояния задается для каждого участка Si, Sj, Sk, Sl линий 4 электроснабжения.
Индекс Vc критического состояния, заданный для каждого транспортного средства 7, рассчитывается как функция режимов работы и объединяет в систему заключительный этап движения транспортных средств 7, временной интервал между транспортными средствами 7 и параметры загрузки транспортных средств 7. Например, транспортное средство 7, которое двигалось последним или отделено коротким временным интервалом от предыдущего или последующего транспортного средства или тяжело загружено, классифицируется как самое критическое. Индекс Vc критического состояния градуируется от 0 до 5. Например, наименее критические транспортные средства 7 получают индекс критического состояния Vc=0, а наиболее критические транспортные средства 7 получают индекс критического состояния Vc=5.
Индекс Zc критического состояния, связанный с участками линии Si, Sj, Sk, Sl, преимущественно является функцией состояния тяговых подстанций 3, подающих мощность на участок линии и геометрии маршрута на участке линии. Этот тип индекса объединяет в систему параметры, касающиеся перегрузки тяговых подстанций 3, и параметры, свидетельствующие о том, что тяговая подстанция вышла из строя, что подстанция 1 высокого напряжения, питающая тяговые подстанции 3, является перегруженной, или что геометрия маршрута на рассматриваемом участке линии типа подъема предполагает большое потребление электроэнергии транспортными средствами. Например, участки линии, снабжаемые мощностью от перегруженных тяговых подстанций 3 или подстанций 1 высокого напряжения, классифицируются как критические в то время, как участки линии, снабжающие мощностью транспортные средства на подъеме, произвольно классифицируются как относительно некритические во избежание снижения подачи электроэнергии на транспортные средства, передвигающиеся на этом участке. Индекс Zc критического состояния градуируется от 0 до 5. Например, наименее критические участки линии получают индекс критического состояния Zc=0, а наиболее критические участки линии получают индекс критического состояния Zc=5.
На следующем этапе 205 выбираются транспортные средства 7, подлежащие ограничению мощности, с самым высоким приоритетом, присваиваемым транспортным средствам, передвигающимся на самом критическом участке линии и получающим низкий индекс Vc критического состояния, разрешающий ограничение мощности. Если количество транспортных средств 7, удовлетворяющих этим условиям, является недостаточным, то транспортные средства выбираются на участках линии, соседних с наиболее критическим участком линии, и им присваивается низкий индекс Vc критического состояния, разрешающий ограничение мощности. Количество транспортных средств 7, выбираемых для ограничения мощности, является функцией перегрузки по мощности, измеренной на этапе 202, и может постепенно увеличиваться или уменьшаться при каждом повторении способа как функция тенденции превышения мощностью заданного порога мощности Pmax для продолжения или, наоборот, для стабилизации и тенденции снижения.
Ограничение мощности применяют, определяя для каждого из выбранных транспортных средств заданное значение регулируемой величины уменьшения линейного тока, которое соответствует коэффициенту уменьшения, подлежащему применению к максимальному току IA, который бортовому преобразователю транспортного средства 7, принимающему заданное значение, обычно разрешено подавать в тяговый электродвигатель. Как показано на фиг.2, заданное значение регулируемой величины уменьшения производит ограниченный линейный ток IL, который удовлетворяет уравнению IL= ·IA.
Значение предпочтительно составляет от 70 до 100% и является преимущественно функцией индекса Vc критического состояния транспортного средства, как показано в следующей таблице:
| Vc |
0 |
1 |
2 |
3 |
4 |
5 |
 |
70% |
76% |
82% |
88% |
94% |
100% |
На следующем этапе 206 заданные значения уменьшения тока посылаются по радио на транспортные средства 7 для согласования бортовых преобразователей транспортных средств с посланным им заданным значением регулируемой величины уменьшения, после чего способ возвращается к этапу 201.
Таким образом, система способна снижать заданную мощность для каждого транспортного средства, для группы транспортных средств или для рабочей области, причем снижение производится динамически в виде функции индекса Zc критического состояния на маршрутах транспортных средств.
Вышеупомянутый способ предпочтительно используют со временем цикла менее 5 секунд, чтобы его можно было быстро адаптировать к пикам потребления. Для обеспечения возможности постепенного возврата к нормальным эксплуатационным условиям транспортной системы каждое из транспортных средств 7 проходит алгоритм переинициализации, например алгоритм, который отменяет последнее заданное значение регулируемой величины уменьшения, полученное бортовым преобразователем, если никакое новое заданное значение не получено этим же транспортным средством в течение заданного периода времени, например в течение 30 секунд.
Этот вариант осуществления позволяет обеспечивать дифференцирование ограничения мощности по транспортным средствам в виде функции перегруженного состояния тяговых подстанций и критического состояния сети электроснабжения для сведения к минимуму мощности, потребляемой от сети системой электроснабжения без значительного нарушения движения.
На фиг.6 показан еще один вариант осуществления способа регулирования, проиллюстрированный на фиг.4, в котором параллельно с предварительно описанными этапами 204-206 выполняются этапы 304 и 305 вырабатывания и посылки заданных значений сбрасывания нагрузки для вспомогательных систем инфраструктуры. В данном варианте осуществления способ регулирования мощности включает в себя этап 304, на котором заданные значения сбрасывания нагрузки вырабатываются в ВМПУ как функция общего направления и уровня перегрузки, измеренной на этапе 202. Заданные значения сбрасывания нагрузки предназначены для снижения затрат на вспомогательные системы инфраструктуры и содержат, например, команды выключения на станциях 5 систем, обеспечивающих комфорт для пассажиров, например систем вентиляции, кондиционирования воздуха и освещения или другого механического оборудования. Во время следующего этапа 305 заданные значения сбрасывания нагрузки посылаются в различные вспомогательные системы инфраструктуры через волоконно-оптическую сеть 6 электропередачи.
Данный вариант осуществления имеет преимущество дополнительного снижения мощности, потребляемой транспортной системой от внешней сети, не ставя под угрозу безопасность и не ухудшая в значительной степени комфорт пассажиров.
Фиг.7 изображает другой вариант осуществления способа регулирования в соответствии с изобретением, описанного на фиг.4, в котором контролируется и регулируется максимальная энергия, поглощаемая транспортными средствами.
Как показано на фиг.7, способ включает в себя первый этап 401, на котором полная энергия, потребляемая от внешней сети электроснабжения, например, в течение 10 минут, рассчитывается на основании информации W об энергии или “работе”, посылаемой из каждого измерительного пункта на подстанциях 1 и 2 высокого напряжения.
На этапе 402 способа полную энергию, рассчитанную выше, сравнивают с заданным порогом энергии Wmax, соответствующим значению энергии, указанному в контракте, подписанном с поставщиком электрической мощности, причем указанное значение порога Wmax извлекают из памяти.
Если полная потребляемая от сети энергия не имеет тенденции превышения порога Wmax, способ возвращается к этапу 401.
Когда после этапа 402 полная потребляемая от внешней сети энергия имеет тенденцию превышать заданный порог Wmax, следующим этапом способа будет этап 403, на котором на пульт контроля ВМПУ централизованной станции управления посылается сигнал тревоги, причем сигнал тревоги учитывается для ручной или автоматической установки заданных значений регулируемой величины ограничения использования энергии, передаваемых в транспортные средства 7.
Заданные значения регулируемой величины, которые посылаются на этапе 404, соответствуют коэффициенту уменьшения обычно задаваемой максимальной скорости VM транспортного средства, так что новая ограниченная скорость транспортного средства составляет VL= ·VM согласно фиг.2 и 3. В качестве примера, величина находится в диапазоне 60-100% как функция расстояния между пассажирскими станциями, расположенными впереди и позади транспортного средства. Автоматическая установка заданных значений выполняется способом, подобным описанному для установки заданных значений регулируемой величины на фиг.5, с учетом индекса Vc критического состояния, задаваемого для каждого транспортного средства 7. Индекс Vc преимущественно объединяет следующие параметры: заключительный этап движения транспортного средства 7, загрузку и расстояние до следующей пассажирской станции, чтобы транспортные средства, находящиеся дальше всех от следующей пассажирской станции, наиболее загруженные и находящиеся в движении последними, классифицировались как самые критические, так что они получают заданное значение регулируемой величины, близкое к 100%. Значение передается в каждое транспортное средство с использованием средств передачи, подобных описанным выше, или в предпочтительном способе его передают на каждой пассажирской станции с помощью местных средств передачи типа инфракрасного средства, поскольку значение регулируемой величины зависит от расстояния между пассажирскими станциями.
И наоборот, когда на этапе 402 потребляемая от сети полная энергия больше не имеет тенденции превышать заданный порог Wmax, способ переходит к этапу 110, на котором любые заданные значения регулируемой величины уменьшения частоты вращения, предварительно посланные в транспортные средства, постепенно устраняются, после чего способ возвращается к этапу 401.
В другом варианте осуществления изобретения (не показанном) уменьшение мощности и энергии для каждого транспортного средства может быть одновременным, причем заданное значение, посылаемое в транспортное средство, таким образом является парой =( , ), где и соответствуют значению уменьшения линейного тока и значению уменьшения максимальной частоты вращения соответственно, как определено выше.
Предлагаемые варианты осуществления изобретения имеют целью незамедлительно предотвращать превышение полной мощности, потребляемой транспортной системой из внешней сети электроснабжения, номинальной мощности и/или энергии, указанной в контракте, подписанном с поставщиком, чтобы избежать дополнительных оплат. Однако способ и систему в соответствии с настоящим изобретением также можно использовать с единственной целью экономии электрической мощности, даже если внешний источник электроснабжения не использует максимальную мощность или транспортные средства не работают с максимальной мощностью.
Кроме того, еще один способ согласно изобретению действует аналогично предварительно описанному способу, причем отличаются только критерии выбора заданного значения Pmax, поскольку Pmax становится порогом задаваемого значения, который можно регулировать как функцию требуемой экономии мощности.
Изобретение никоим образом не ограничено описанными вариантами осуществления, которые предлагаются только в качестве примера и могут быть изменены в особенности посредством изменения состава их элементов или замены техническими эквивалентами в рамках объема охраны изобретения.
Таким образом, способ и систему согласно изобретению можно применять для любого типа транспортной системы, типа систем метрополитена, трамваев, троллейбусов, высокоскоростных поездов и т.д. независимо от типа используемого напряжения.
Формула изобретения
1. Способ контроля и регулирования мощности и энергии, расходуемых транспортной системой, включающей в себя транспортные средства (7) с электрической тягой и содержащей систему электроснабжения, включающую в себя одну или более подстанций (1) электроснабжения, связанных с внешней сетью электроснабжения, причем упомянутая подстанция или подстанции (1) электроснабжения снабжают энергией тяговые подстанции, запитывающие участки (4) линии электроснабжения, предусматривающие установленные на транспортных средствах токоснимающие устройства, подсоединенные к ним, при этом на каждом транспортном средстве (7) установлен силовой преобразователь, снабжаемый мощностью от упомянутого токоснимающего устройства и управляющий мощностью и/или частотой вращения тягового электродвигателя упомянутого транспортного средства (7), отличающийся тем, что измеряют текущее значение электрической мощности и/или энергии, потребляемых от внешней сети электроснабжения упомянутой подстанцией или подстанциями (1) электроснабжения, и, если потребляемая от внешней сети мощность или энергия имеют тенденцию превышать заданный порог, посылают в одно или более транспортное средство заданное значение регулируемой величины, действующее на бортовой преобразователь упомянутого транспортного средства (7) с целью временного уменьшения мощности и/или частоты вращения тягового электродвигателя, транспортные средства (7) движутся в соответствии с алгоритмом управления, причем упомянутый алгоритм управления предусматривает начало движения транспортного средства (7) с постоянным заданным значением силы тяги, которую применяют до тех пор, пока транспортное средство (7) не будет потреблять максимальную энергию, с последующим ускорением транспортного средства (7) до максимальной скорости, соответствующей закону равенства мощности, при которой произведение силы тяги транспортного средства (7) и скорости транспортного средства (7) остается постоянным.
2. Способ по п.1, отличающийся тем, что упомянутые транспортные средства (7) передвигаются в соответствии с алгоритмом управления, согласно которому начало движения осуществляется согласно закону, определяющему увеличение скорости до максимальной разрешенной.
3. Способ по п.1, отличающийся тем, что заданное значение регулируемой величины, посылаемое в транспортное средство (7), является заданным значением уменьшения регулируемой величины для ограничения линейного тока IA, при этом заданное значение уменьшения регулируемой величины действует на бортовой преобразователь транспортного средства (7) для ограничения линейного тока, подаваемого в тяговый электродвигатель, до величины IL= ·IA, причем величина тока IA известна бортовому преобразователю и соответствует номинальному рабочему току тягового электродвигателя.
4. Способ по п.3, отличающийся тем, что заданное значение регулируемой величины, посылаемое в транспортное средство (7), является заданным значением уменьшения регулируемой величины для максимальной частоты вращения, обычно задаваемой бортовым преобразователем упомянутого транспортного средства (7), при этом упомянутое заданное значение уменьшения регулируемой величины действует на бортовой преобразователь транспортного средства (7) для ограничения частоты вращения тягового электродвигателя.
5. Способ по п.3 или 4, отличающийся тем, что упомянутые транспортные средства (7), принимающие заданные значения и/или уменьшения регулируемой величины, выбираются из транспортных средств (7) транспортной системы как функции индекса Vc критического состояния, задаваемого для каждого транспортного средства (7), а для каждого участка (4) линии электроснабжения задается индекс Zc критического состояния.
6. Способ по п.5, отличающийся тем, что индекс Vc критического состояния, задаваемый для каждого транспортного средства (7), учитывает последний этап движения транспортного средства, временной интервал между следующими одно за другим транспортными средствами и/или загрузку транспортного средства, а индекс Zc критического состояния, задаваемый для каждого участка линии электроснабжения, учитывает состояние тяговых подстанций и/или подстанций электроснабжения, снабжающих мощностью упомянутый участок, и геометрию маршрута следования транспортных средств на участке.
7. Способ по любому из п.3 или 4, отличающийся тем, что заданные значения и/или уменьшения регулируемой величины, принимаемые каждым транспортным средством (7), модулируются как функция индекса Vc критического состояния, задаваемого для упомянутого транспортного средства (7).
8. Способ по п.7, отличающийся тем, что величина упомянутого заданного значения уменьшения регулируемой величины находится в пределах от 70 до 100% как функция индекса Vc критического состояния транспортного средства (7).
9. Способ по п.7, отличающийся тем, что величина упомянутого заданного значения уменьшения регулируемой величины находится в пределах от 60 до 100% как функция индекса Vc критического состояния транспортного средства (7).
10. Способ по любому из пп.1-4, 6, 8, 9, отличающийся тем, что, если упомянутая транспортная система включает в себя значительное число вспомогательных систем инфраструктуры, снабжаемых электрической мощностью от подстанций (2) электроснабжения, а также посылает заданные значения регулируемой величины в различные транспортные средства (7), заданные значения регулируемой величины посылают для снижения рабочего режима менее критических вспомогательных систем инфраструктуры, типа систем вентиляции, кондиционирования воздуха или освещения станций (5).
11. Способ по любому из пп.1-4, 6, 8-10, отличающийся тем, что величина упомянутого задаваемого порога мощности и/или энергии является функцией соответственно максимальных значений мощности и энергии, указанных в контракте, подписанном с внешним поставщиком электроэнергии, причем упомянутые пороги можно адаптировать в виде функции времени суток или времени года для приведения их в соответствие с условиями контракта.
12. Способ по п.11, отличающийся тем, что упомянутые пороги мощности и энергии временно задаются значениями ниже номинальных значений мощности и энергии, указанных в контракте.
13. Способ по любому из пп.2-4, 6, 8, 9, 12, отличающийся тем, что включает в себя этап измерения электрических параметров, обеспечиваемых тяговыми подстанциями (3), и тем, что результаты измерения используются для выбора транспортных средств (7), в которые посылаются заданные значения и/или уменьшения регулируемой величины.
14. Система для контроля и регулирования мощности и энергии, расходуемых транспортной системой, включающая в себя множество транспортных средств (7), имеющих электрические тяговые двигатели, причем упомянутая транспортная система содержит подстанцию (1) электроснабжения, связанную с внешней сетью электроснабжения, снабжающую энергией тяговые подстанции (3), обеспечивающие мощностью участки линии (4) электроснабжения, предусматривающие устанавливаемые на транспортных средствах токоснимающие устройства, подсоединенные к ним, при этом каждое транспортное средство (7) содержит силовой преобразователь, который снабжается мощностью от токоснимающего устройства и управляет мощностью и частотой вращения тягового электродвигателя упомянутого транспортного средства (7), отличающаяся тем, что содержит средство для измерения и снятия показаний электрической мощности, потребляемой от внешней сети электроснабжения подстанцией (1) электроснабжения, детектирующее средство для обнаружения времени, в течение которого мощность и/или энергия, потребляемая от внешней сети, имеет тенденцию превышать заданный порог, и средство для посылки заданного значения (значений) регулируемой величины в одно или более транспортных средств (7), если мощность или энергия, потребляемая от внешней сети, имеет тенденцию превышать упомянутый порог, при этом упомянутые заданные значения регулируемой величины действуют на бортовой преобразователь упомянутого транспортного средства (7) с целью временного уменьшения мощности и/или частоты вращения тягового электродвигателя, транспортные средства (7) движутся в соответствии с алгоритмом управления, причем упомянутый алгоритм управления предусматривает начало движения транспортного средства (7) с постоянным заданным значением силы тяги, которую применяют до тех пор, пока транспортное средство (7) не будет потреблять максимальную энергию, с последующим ускорением транспортного средства (7) до максимальной скорости, соответствующей закону равенства мощности, при которой произведение силы тяги транспортного средства (7) и скорости транспортного средства (7) остается постоянным.
15. Система по п.14, отличающаяся тем, что упомянутые заданные значения регулируемой величины, посылаемые в транспортное средство (7), представляют собой заданные значения уменьшения регулируемой величины линейного тока и/или заданные значения уменьшения регулируемой величины частоты вращения, причем упомянутое заданное значение уменьшения регулируемой величины действует на бортовой преобразователь упомянутого транспортного средства (7) для ограничения линейного тока, подаваемого в тяговый электродвигатель, для снижения ниже обычно задаваемого предела линейного тока IA, а упомянутое заданное значение уменьшения регулируемой величины действует на бортовой преобразователь упомянутого транспортного средства (7) с целью ограничения частоты вращения тягового электродвигателя.
16. Система по п.14, отличающаяся тем, что заданные значения регулируемой величины посылают в транспортные средства (7) из вычислительный машины с программным управлением централизованной станции управления посредством системы (8) радиопередач или, на станции, посредством системы инфракрасной передачи.
РИСУНКИ
|
|