|
|
(21), (22) Заявка: 2006123884/02, 03.07.2006
(24) Дата начала отсчета срока действия патента:
03.07.2006
(46) Опубликовано: 10.01.2008
(56) Список документов, цитированных в отчете о поиске:
US 3954119 А, 04.05.1976. RU 2119835 С1,10.10.1998. SU 566642 А1, 30.07.1977. RU 2253024 С2, 27.05.2005. ЕР 0776710 А1, 04.06.1997.
Адрес для переписки:
620012, г.Екатеринбург, пл. I пятилетки, ООО “Уралмаш-Метоборудование”
|
(72) Автор(ы):
Городилов Владимир Дмитриевич (RU), Руденко Владимир Семенович (RU), Заутинский Виталий Александрович (RU), Суворов Александр Рафаилович (RU), Шенфиш Георгий Рейнгольдович (RU)
(73) Патентообладатель(и):
Общество с ограниченной ответственностью “Уралмаш-Металлургическое оборудование” (RU)
|
(54) УСТРОЙСТВО ДЛЯ РЕГУЛИРОВАНИЯ ТЕМПЕРАТУРЫ ЭМУЛЬСИИ НА СТАНЕ ХОЛОДНОЙ ПРОКАТКИ
(57) Реферат:
Изобретение относится к области прокатного производства, а более конкретно – к устройствам, регулирующим температуру эмульсии, и может быть использовано в системе подготовки эмульсии станов холодной прокатки для поддержания ее постоянной температуры. Технический результат заключается в обеспечении возможности поддержания стабильной температуры эмульсии на стане холодной прокатки путем повышения точности работы устройства за счет первоначальной его автоматической настройки и автоматической же ее коррекции в процессе работы, а также повышения надежности работы устройства за счет обнаружения сбоев и отказов в работе механического и электронного оборудования. Устройство содержит теплообменник, клапан, изменяющий расход охлаждающей воды и сопряженный с электрическим исполнительным механизмом, измеритель расхода эмульсии, датчик и задатчик температуры эмульсии, датчик температуры охлаждающей воды, блоки сравнения и блок управления, при этом блок управления выполнен в виде сложной электронной схемы, позволяющей обеспечить высокое быстродействие и высокую точность устройства. 1 з.п.ф-лы, 1 ил.
Изобретение относится к области прокатного производства, а более конкретно – к устройствам, регулирующим температуру эмульсии, и может быть использовано в системе подготовки эмульсии станов холодной прокатки для поддержания ее постоянной температуры.
Эмульсия представляет собой соединение воды и эмульсола и предназначена для охлаждения валка в процессе прокатки. Эмульсия на валок подается через систему форсунок, установленных по зонам вдоль длины валка. Количество таких зон в зависимости от ширины полосы может быть, например, от 9 до 32. Изменяя объемы эмульсии, подаваемые на отдельные зоны, можно (за счет тепловой деформации валка) воздействовать на профиль прокатываемой полосы и таким образом влиять на ее качество, например уменьшать неплоскостность. Такое воздействие является одним из трех каналов улучшения профиля и формы полосы. При установившемся режиме прокатки (а он является основным) и при постоянной (стабильной) температуре эмульсии ее необходимые расходы могут быть определены исходя из скорости прокатки, ширины и толщины полосы. При этом для контроля расхода эмульсии на трубопроводе ее подачи устанавливается измеритель расхода, сигналы с выхода которого поступают в соответствующие системы слежения и управления. В случае, если температура эмульсии нестабильна, то это создает дополнительные неопределенности и значительно усложняет как сам процесс охлаждения, так и регулирование тепловой деформации. Во избежании этих проблем температуру эмульсии необходимо держать постоянной. Эмульсия, готовая к применению и предварительно нагретая, подается в теплообменник, где охлаждается до необходимой (и постоянной) температуры обычной водой.
Известна система для измерения и слежения за концентрацией эмульсии (Патент US 3954119, МКИ В 21 В 27/06), содержащая излучатель и приемник зондирующих сигналов, цепь синхронизации, цифроаналоговый преобразователь и цепь температурной компенсации.
Недостатком этой системы является то, что она не обеспечивает стабилизацию температуры эмульсии.
Известна система управления струйным охлаждением валков (Заявка JP 61-71113, МКИ В 21 В 27/10), в которой для каждой зоны охлаждения валка эмульсия подводится по двум ветвям. Одна с более высокой температурой (“горячая”), другая – с более низкой (“холодная”). Система содержит датчики температуры валка, задвижки и смесители.
Для изменения температуры эмульсии при общем сохранении объема расход изменяют сразу по двум ветвям. Если надо снизить температуру, то “холодной” добавляют, а “горячей” одновременно убавляют. Если надо повысить температуру, то действуют наоборот. Такое одновременное воздействие позволяет существенно повысить быстродействие данного регулятора.
Недостатком этой системы является то, что она не обеспечивает стабильную температуру эмульсии на общем подводе к зонам.
Наиболее близким к предлагаемому устройству является устройство для регулирования рабочей температуры охлаждающей жидкости двигателя внутреннего сгорания (Патент RU 2253024, МКИ F 01 P 7/14, F 01 P 3/20), содержащее регулирующий орган, сопряженный с электрическим исполнительным механизмом, датчик температуры, датчик нагрузки, задатчик, блок сравнения и блок управления, при этом выход датчика нагрузки соединен со входом задатчика, а выход датчика температуры соединен с первым входом блока сравнения, второй вход которого соединен с выходом задатчика температуры, выход блока сравнения соединен со входом блока управления, а выход блока управления соединен со входом исполнительного механизм. Это устройство выбрано в качестве прототипа. Общим является, во-первых, характер решаемой задачи, а во-вторых, то, что в целом по структуре имеется значительное количество совпадающих элементов схем устройств. Для заявляемого устройства регулирующим органом является теплообменник, соединенный с клапаном, изменяющим расход охлаждающей воды; датчик температуры – это датчик температуры эмульсии (а не воды); датчик нагрузки – это измеритель расхода эмульсии; задатчик – задатчик температуры эмульсии (а не воды).
Недостатком этого устройства является то, что блок управления не обеспечивает необходимой точности регулирования. Кроме этого, в устройстве не содержится элементов, позволяющих организовать диагностику его работы и смежной с ним аппаратуры.
Указанные недостатки не позволяют использовать такое устройство для регулирования температуры эмульсии на станах холодной прокатки.
Поскольку прототип предназначен для установки в основном на автомобилях и может существовать в большом количестве экземпляров (тысячи – миллионы штук), то важнейшими его свойствами должны быть:
– простота и связанная с ней надежность,
– относительно невысокая стоимость,
– хорошие динамические характеристики,
– небольшие габариты и масса.
Предлагаемое же устройство предназначается для его стационарной установки на стане холодной прокатки. Существует такое устройство в единичных экземплярах и должно обеспечивать высокое качество (точность) регулирования и высокую надежность работы. Таких требований к простоте, стоимости, габаритам и массе, какие предъявляются к прототипу, у заявляемого устройства нет.
В связи с этим блок управления в прототипе не проработан. Действительно, нет никакой необходимости применять в данном случае какие-то особые схемные и конструктивные решения. Важно, чтобы этот элемент был недорогой, надежный и не вносил значительных статических и динамических погрешностей в трап-регулировании. (Нет необходимости с точностью до 1 С° поддерживать величину температуры). В то же время, именно структура блока управления является предметом изобретения заявляемого устройства (поскольку максимально допустимое отклонение от задания не должно превышать 2 С°, а среднее – не должно быть более 1 С°) и, по-существу, на Фиг.1 данной заявки изображена подробная схема блока управления. Ближайшая реализация такой схемы (стан 1200 НЛМК) будет на недешевой элементной базе фирмы “Siemens” (программируемый логический контроллер, персональный компьютер с дисплеем, модули ввода и вывода сигналов, базовое программное обеспечение, устройства связи и т.п.). Занимать такая электроника будет весьма заметный объем (реально это будет распределенная система, но общий размер только кассеты контроллера будет примерно 0,8×0,3×0,3 м3), и стоимость только электронной части будет порядка 25 ООО Евро. Понятно, что при таких габаритах и цене предполагать массовое применении заявляемого устройства (например, для автомобиля) не имеет смысла.
Задача, решаемая изобретением, заключается в обеспечении возможности регулирования температуры эмульсии на стане холодной прокатки путем повышения точности работы устройства за счет первоначальной его автоматической настройки и автоматической же ее коррекции в процессе работы, а также повышения надежности работы устройства за счет обнаружения сбоев и отказов в работе механического и электронного оборудования.
Эта задача решается следующим образом.
В известном устройстве для регулирования температуры эмульсии, содержащем теплообменник, клапан, изменяющий расход охлаждающей воды и сопряженный с электрическим исполнительным механизмом, измеритель расхода эмульсии, датчик и задатчик температуры эмульсии, блок сравнения и блок управления, при этом выход датчика температуры эмульсии соединен с первым входом блока сравнения, второй вход которого соединен с выходом задатчика температуры эмульсии, выход блока сравнения соединен со входом блока управления, а выход блока управления соединен со входом исполнительного механизма, согласно изобретению дополнительно введены второй блок сравнения и датчик температуры охлаждающей воды, а блок управления выполнен ввиде логическо – вычислительной схемы, содержащей первый, второй, третий, четвертый, пятый и шестой RS-триггеры, первую, вторую, третью, четвертую и пятую схему ИЛИ, первую и вторую схему И, первый, второй, третий и четвертый сумматоры, дифференцирующее устройство, первый и второй счетчики времени, пороговое устройство, стартовый блок, первое и второе устройство умножения, устройство деления, определитель времени, запоминающее устройство, определитель изменения расхода и вычислитель отношения, при этом выход первого блока сравнения соединен с S входами первого и шестого RS-триггеров и первым входом третьей схемы ИЛИ, второй вход которой соединен с S входами второго и пятого RS-триггеров и выходом второго блока сравнения, первый вход которого соединен с выходом задатчика температуры эмульсии, а второй вход – с выходом датчика температуры эмульсии, входом дифференцирующего устройства, первыми входами первого и второго сумматора, вторые входы которых соединены с выходом дифференцирующего устройства, а третьи входы – с выходами соответственно шестого и пятого RS-триггеров и первыми входами первой и второй схем И, вторые входы которых соединены с выходом порогового устройства, вход которого соединен с выходом вычислителя отношения и первым входом первого устройства умножения, первый выход которого соединен со входом первого счетчика времени, выход которого соединен с R входами третьего и четвертого RS-триггеров, а стартовый вход – с выходом третьей схемы ИЛИ, первый вход которой соединен с R входом шестого, выходом третьего RS-триггеров и первым входом первой схемы ИЛИ, второй вход которой соединен с выходом первого RS-триггера, а выход – с первым входом исполнительного механизма, второй вход которого соединен с выходом второй схемы ИЛИ, первый вход которой соединен с выходом второго RS-триггера, а второй вход – с выходом четвертого и R входом пятого RS-триггеров и вторым входом третьей схемы ИЛИ, выход стартового блока соединен с первым входом пятой схемы ИЛИ, выход которой соединен с первым входом четвертого сумматора, а второй вход – с выходом определителя изменения расхода, вход которого соединен с выходом датчика расхода и первым входом второго устройства умножения, выход которого соединен со входом определителя времени, выход которого соединен с первым входом запоминающего устройства, второй вход и первый выход которого соединены соответственно со вторыми входом и выходом первого устройства умножения, второй выход запоминающего устройства соединен со входом второго счетчика времени, выход которого соединен с R входами первого и второго RS-триггеров, а стартовый вход – с выходом четвертой схемы ИЛИ и стробирующим входом запоминающего устройства, выходы первого и второго сумматора соединены соответственно с первым и вторым входами вычислителя отношения, третий вход которого соединен с выходом задатчика температуры эмульсии, первым входом третьего и вторым входом четвертого сумматоров, выход третьего сумматора соединен с первым входом устройства деления, выход которого соединен со вторым входом второго устройства умножения, а второй вход – с выходом четвертого сумматора, второй вход которого соединен с выходом датчика температуры охлаждающей воды, а второй вход третьего сумматора соединен с выходом датчика температуры эмульсии, кроме этого дополнительно введены первый и второй датчики конечного положения исполнительного механизма, седьмой, восьмой, девятый, десятый и одиннадцатый RS-триггеры, третья, четвертая, пятая и шестая схемы И, второе пороговое устройство, третий счетчик времени, первый, второй, третий и четвертый индикаторы аварийных ситуаций и кнопка сброса, при этом выход четвертой схемы ИЛИ соединен с первым входом шестой схемы И и входом третьего счетчика времени, выход которого соединен со вторым входом этой же схемы И, выход которой соединен с S входом одиннадцатого RS -триггера, выход которого соединен с первым входом четвертой схемы И, выход которой соединен с S входом восьмого RS-триггера, а второй вход – с инверсным выходом десятого RS-триггера, и первым входом третьей схемы И, выход которой соединен с S входом седьмого RS-триггера, а второй и третий входы – соответственно с выходом первого датчика конечного положения и выходом первого блока сравнения, выход второго датчика положения соединен с первым входом пятой схемы И, второй вход которой соединен с выходом второго блока сравнения, а выход – с S входом девятого RS-триггера, выход датчика температуры охлаждающей воды соединен со входом второго порогового устройства, выход которого соединен с S входом десятого RS-триггера, выход седьмого, восьмого, девятого и десятого RS-триггеров соединены соответственно со входом первого, второго, третьего и четвертого индикаторов аварийных ситуаций, R входы всех пяти RS-триггеров соединены с выходом кнопки сброса.
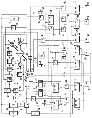
На чертеже изображена структурная схема устройства для регулирования температуры эмульсии на стане холодной прокатки
Устройство для регулирования температуры эмульсии на стане холодной прокатки содержит теплообменник 1, клапан 2, изменяющий расход охлаждающей воды и сопряженный с электрическим исполнительным механизмом 3, измеритель 4 расхода эмульсии, датчик 5 и задатчик 6 температуры эмульсии, первый блок 7 сравнения, второй блок 8 сравнения, датчик 9 температуры охлаждающей воды, первый 10, второй 11, третий 12, четвертый 13, пятый 14 и шестой 15 RS -триггеры, первую 16, вторую 17, третью 18, четвертую 19 и пятую 20 схему ИЛИ, первую 21 и вторую 22 схема И, первый 23, второй 24, третий 25 и четвертый 26 сумматоры, дифференцирующее устройство 27, первый 28 и второй 29 счетчики времени, пороговое устройство 30, стартовый блок 31, первое 32, и второе 33 устройство умножения, устройство 34 деления, определитель 35 времени, запоминающее устройство 36, определитель 37 изменения расхода и вычислитель 38 отношения, первый 39 и второй 40 датчики конечного положения исполнительного механизма, седьмой 41, восьмой 42, девятый 43, десятый 44 и одиннадцатый 45 RS -триггеры, третью 46, четвертую 47, пятую 48 и шестую 49 схемы И, второе пороговое устройство 50, третий счетчик 51 времени, первый 52, второй 53, третий 54 и четвертый 55 индикаторы аварийных ситуаций и кнопку 56 сброса.
Перед тем, как описать работу устройства, требуется дать следующие пояснения.
При регулировании (поддержании постоянной) температуры какой – либо компоненты имеются определенные сложности, связанные с существенной инерционностью тепловых процессов. В данном случае, если организовать простой пропорциональный регулятор, то ситуация будет, скорее всего, следующая. При достижении, например, предельного “плюсового” значения температуры включается охлаждение, но эмульсия сразу охлаждаться не начнет (теплообменник и подводящие трубы хранят тепло), но замедлится процесс повышения температуры. В результате температура перескочит допустимую границу, регулятор включится “посильней” еще сильней замедлит и наконец остановит повышение температуры. Поскольку произошло повышение температуры, то регулятор продолжает работать на охлаждение и температура начинает падать. Регулятор снижает “усилие” регулирования, но температура продолжает понижаться и наконец достигает требуемой величины. Регулятор выключается, но температура продолжает падать, т.к. теплообменник и подводящие трубы хранят “холод”, который образовался за счет интенсивной работы регулятора. Температура перескакивает нижний порог, регулятор “пытается” активно выправить возникшую ситуацию. И процесс начинает идти в другую сторону, но уже более интенсивно, чем в первый раз. В результате может возникнуть режим автоколебаний (отрицательная обратная связь в регуляторе “превратилась” в положительную за счет фазового сдвига, обусловленного инерционностью процесса). Следует заметить, что заметный вклад в запаздывание может внести непосредственно сам измеритель температуры, поскольку для измерения относительно невысокой температуры эмульсии и воды невозможно применить быстродействующий пирометрический прибор. Как правило, для этих целей применяется термопреобразователь сопротивления, представляющий катушку, помещенную в достаточно прочный и следовательно массивный кожух. Показатель тепловой инерции такого прибора измеряется временем порядка нескольких десятков секунд. (такой измеритель не быстро реагирует на изменение температуры)
Причины возникновения вышеназванных колебаний из-за “перерегулирования” хорошо известны и подробно изучены в теории систем автоматического управления. Для борьбы с этим явлением используется “дифференциальный” регулятор, который учитывает скорости протекания процесса, кроме этого, можно учесть запаздывание между воздействием на систему и ее реакцией. (что обычно и делают). Но для описываемого случая использование таких известных приемов весьма затруднено по следующим причинам. Температура охлаждающей воды значительно изменяется в течение года (от +6 – +12 зимой до +32 С° летом); в переходные периоды она только в среднем растет весной и убывает осенью. Изменение температуры воды связано с изменением погоды, а это процесс вероятностный. В 70% случаев погода завтра совпадет с той, которая сегодня, а вот в 30% – нет. При изменении температуры воды (а еще и изменяется ее биологический и химический состав) изменяются и динамические свойства системы охлаждения. “Входная” температура эмульсии также не постоянна и подвержена в определенной степени случайным изменениям. А это также изменяет динамику системы охлаждения. На динамику повлияет и изменение тепловых характеристик подводящих труб и самого теплообменника, а здесь кроме изменения размеров внутренних отверстий (зарастание, коррозия, отслаивание) играет роль температура окружающего воздуха и его влажность. А это, в свою очередь, случайные факторы, которые еще и могут значительно отличаться на разных участках системы подготовки эмульсии. Учесть влияние даже перечисленных факторов очень сложно. Да еще (вполне вероятно), есть факторы и пока не замеченные. Допустим нагрев какого-то участка трубы в солнечный день за счет того, что солнцем нагревается стена, вдоль которой эта труба проложена.
Инерционность системы имеет и положительные свойства, главное из которых состоит в том, что любые (в том числе и случайные) изменения происходят плавно. Причем для данного случая время таких изменений измеряется часами, сутками, неделями и т.д. по нарастанию величины. Единственной величиной, которая может изменяться резко, является расход эмульсии. Однако это изменение происходит следующим образом. При переходе на очередной сортамент вальцовщик подбирает общий расход и расходы по зонам, прокатывая “пробный” рулон (может быть и не один), добиваясь необходимого качества выходного проката. Расходы при этом он изменяет резко и довольно ощутимо. Но это режим подбора расходов. Когда такой подбор сделан и стан работает в основном рабочем режиме, то общий расход эмульсии резко в течение прокатки не изменяется. Поскольку режим подбора является вынужденным и качество “пробного” рулона может быть неудовлетворительным, то при переходе на новый сортамент, естественно, стараются максимально учесть предыдущий опыт. Да и производственную программу стараются составить так, чтобы таких непроизводительных переходов было как можно меньше (группируют заказы таким образом, чтобы лишний раз не перестраивать прокатный стан). Как правило, такие переходы бывают даже не каждый месяц. Т.е. в реальной производственной ситуации общий расход эмульсии для предлагаемого устройства можно считать постоянной величиной.
Устройство работает следующим образом.
Вначале его работы происходит настройка устройства без минимизации/оптимизации времени отработки возмущения. Настройка производится не методом проб и ошибок, а исходя из величин, рассчитанных по формуле, характеризующей “физику” процесса. В результате определяется: какое действие должен сделать предлагаемый регулятор для того, чтобы отработать известное возмущение. Это действие (в данном случае время “приоткрытия” или “призакрытия” клапана, регулирующего расход охлаждающей воды) запоминается. Когда в следующий ближайший раз надо будет отработать такое же возмущение, то регулятор просто совершает запомненное действие. Поскольку за время между возникновениями этих двух возмущений параметры системы заметно не изменились (система инерционная), то такое действие будет минимальным по времени, не приведет к “раскачке” системы и уменьшит до нуля возникшее возмущение. Так как параметры системы хотя и медленно, но все же изменяются, то при истечению какого-то времени такое действие не будет доводить до нуля возникающее возмущение. Эта ситуация будет обнаружена предлагаемым устройством и величина действия будет откорректирована с учетом обнаруженной “недоводки”. Устройство запомнит эту новую величину и при отработке ближайшего возникшего возмущения будет использовать уже эту новую откорректированную величину.
Такое построение регулятора позволяет сочетать:
а) высокое быстродействие (только на относительно очень коротком первоначальном этапе имеются неоптимальные затраты времени, в последующем регулятор работает с максимальной скоростью отработки возмущения);
б) высокую точность (при возникновении возмущения регулятор уменьшает это возмущение до нуля); если считать амплитуды возмущений случайными величинами, распределенными по нормальному закону, то при максимальном отклонении ±2°С, среднее (по времени существования) отклонение не превысит ±0,8°С. Действительно, отклонение±2°С существует всего несколько милисекунд, так как регулятор начинает его “устранять” сразу же, как только обнаружит, а отклонение±0°С может существовать десятки минут (регулятор после каждой отработки добивается именно такого отклонения, и система – инерционная);
в) устойчивость к “раскачке” системы несмотря на высокое быстродействие и точность регулирования.
Работа устройства начинается с появления сигнала на выходе схемы ИЛИ 20. Сигнал на выходе этой схемы может появиться или с выхода стартового блока 31, или с выхода блока 37 определителя изменения расхода. В свою очередь, сигнал на выходе стартового блока 31 вырабатывается или автоматически после того, как прошло включение устройства, или формируется вручную, нажатием кнопки “Пуск”. (Эти схемы типовые и они не показаны). Сигнал на выходе блока 37 определителя изменения расхода формируется в случае, если произошло заметное и заранее определенное изменение величины расхода. (±10% для конкретной реализации на стане 1200 Новолипецкого меткомбината).
В основе работы устройства лежит использование зависимостей, описываемых уравнением теплового баланса. (Сколько тепла отдала эмульсия, столько тепла получила охлаждающая вода). Для данного устройства вышеназванное уравнение имеет следующий вид:
Сэ×Qэ× Тэ=Св× Qв× Тв
где:
Сэ, Св – удельные теплоемкости эмульсии и воды в соответствии с индексами;
Qэ – текущий расход эмульсии;
Тэ – требуемое изменение температуры эмульсии;
Тв – перепад температуры охлаждающей воды;
Qв – изменение расхода воды, необходимое для
обеспечения требуемого Тэ. Из вышеприведенного уравнения можно найти величину Qв.
Qв=Сэ×Qэ× Тэ/Св× Тв
Считая Сэ=Св (реально Сэ на 2-3% меньше, чем Св), получаем:
Qв=Qэ× Тэ/ Тв (1)
Две первых величины в правой части этого уравнения известны:
Оэ – текущее значение величины расхода эмульсии; оно измеряется соответствующим прибором. (Напомним, что для данной системы “новый” прибор не устанавливается, а используется сигнал с расходомера, использующегося в системе управления режимами прокатки),
Тэ – величина, которая в случае старта или изменения расхода вычисляется как разность между измеряемой и требуемой (заданной) температурой эмульсии. В случае же, когда регулятор работает в стационарном режиме (это основной режим) Тэ – постоянная величина, равная разности между требуемой (известной) температурой эмульсии и предельно допустимой величиной ее верхней или нижней температуры (также известной);
а Тв – определяется как величина разности между температурами воды на выходе и входе теплообменника. Температура на входе измеряется, а температура на выходе принимается равной требуемой (известной) величине температуры эмульсии. Т.е. предполагается, что теплообменник – идеальный и “выходные” температуры и эмульсии и воды – одинаковы.
По трем известным величинам определяется необходимая величина Qв.
Техническая реализация вышеописанной процедуры определения величины Qв следующая. По сигналу с выхода схемы ИЛИ 20 сигнал величины температуры охлаждающей воды с датчика 9 поступает на вход сумматора 26. В сумматоре вычисляется разность ( Тв) между температурами воды на выходе и входе теплообменника. Температура на входе измеряется датчиком 9, а температура на выходе задается (задатчик 6) равной требуемой величине температуры эмульсии.
С выхода сумматора 26 величина Тв поступает на вход устройства 34 деления, на другой вход которого поступает величина Тэ, вычисленная в сумматоре 25 как разность между заданной (уставка: “У”) и текущей (датчик 5) температурой эмульсии. На выходе устройства 34 деления имеется величина Тэ/ Тв, поступающая на вход устройства 33 умножения, на второй вход которого поступает с датчика 4 величина текущего расхода эмульсии (Qэ). В устройстве 33 вычисляется величина Qв по формуле:
Qв=Qэ× Тэ/ Тв приведенной в конце 14-й страницы данного описания.
Клапан, управляющий расходом воды, имеет известную регулировочную характеристику (в нашем случае – линейную). Известно также время переключения клапана из состояния “полностью открыт” в состояние “полностью закрыт”.
Известны также и основные параметры контура подачи охлаждающей воды (для данного конкретного случая: давление на входе 3-4 атм /избыточное/, резких изменений давления нет, перепад давления на участке “клапан-теплообменник” не более 0,5 атм).
Исходя из известных характеристик клапана и по предполагаемому перепаду давления на клапане можно определить время “призакрытия” или “приоткрытия” клапана, требуемое для того, чтобы обеспечить необходимую величину Qв. Эта процедура производится определителем 35 времени.
Поскольку при расчете были сделаны известные допущения, характеристики клапана известны с “неабсолютной” точностью, а величина перепада давления на клапане вообще предполагается, то время будет определено с большой погрешностью (ориентировочно даже до – 40%). Величина рассчитанного времени “призакрытия” или “приоткрытия” клапана записывается в запоминающее устройство 36.
Если температура эмульсии превысила заданный верхний предел, то на выходе блока 7 сравнения появляется сигнал, устанавливающий первый 10 и шестой 15 триггеры. Сигнал с выхода триггера 10 через схему ИЛИ 16 поступает на вход исполнительного механизма 3 и начинает приоткрывать клапан. Одновременно сигнал с выхода блока 7 через схему ИЛИ 19 поступает на стробирующий вход запоминающего устройства 36 и разрешает перепись информации из него в счетчик 29 времени и запускает отсчет этого времени. При обнулении счетчика 29 на его выходе появляется сигнал, сбрасывающий триггер 10. При этом клапан прекращает приоткрываться.
Во время “движения” клапана и некоторое время после его “остановки” температура эмульсии изменяется в нужном направлении (в данном случае уменьшается). Когда эта температура перестанет изменяться, на выходе дифференцирующего устройства 27 появляется соответствующий сигнал. Этот сигнал разрешает работу сумматоров 23 и 24. Сигнал с выхода установленного триггера 15 разрешает работу сумматора 23, на вход которого с датчика 5 поступает сигнал установившейся температуры. В сумматоре 23 вычисляется величина произошедшего изменения температуры эмульсии (с момента включения клапана и до момента, когда температура эмульсии перестала изменяться). В сумматоре “также вычисляется разность между величиной заданного отклонения и произошедшим изменением. Величина разности поступает на вход вычислителя 38 отношения, где она делится на величину заданного отклонения, т.е. измения, необходимого для того, чтобы добиться нулевого отклонения температуры от задания.
Конкретный пример. В стационарном режиме требуется держать температуру эмульсии в пределах +45±2С°, величина дискреты температуры: 0,1 С°. При достижении +47С° сработал блок сравнения и клапан начал открываться. По истечении рассчитанного времени клапан выключился и после того, как температура перестала изменяться, было определено, что температура уменьшилась на 1,4 С°. Сумматор определяет эту величину и подает ее на вход вычислителя 38 отношения, который находит разницу между заданным отклонением и величиной произошедшего изменения температуры: 2-1,4=0,6. Кроме этого, вычислитель отношения, во-первых, делит 0,6 на 2 и находит величину 0,3; а, во-вторых, делит 0,6 на 1,4 и находит величину 0,429.
С выхода вычислителя 38 отношения первая найденная величина поступает на вход порогового устройства 30, и, если эта величина превысила заданный порог (для данного конкретного случая 0,1, т.е. реагируем на “недоработку” не меньше 0,2 градуса, что повышает помехоустойчивость устройства), то на выходе устройства 30 появляется сигнал, поступающий на входы двух 21 и 22 схем И. Поскольку триггер 15 установлен в “единицу”, то на выходе схемы 21 появляется сигнал, устанавливающий триггер 12. Сигнал с выхода этого триггера поступает через схему ИЛИ 16 на вход исполнительного механизма 3 клапана и вновь приоткрывает клапан.
Вторая найденная величина (0,429) поступает на вход устройства 32 умножения, где производится умножение на это число величины, хранящейся в запоминающем устройстве 36. Результат умножения записывается в счетчик 28 времени. Отсчет времени этого счетчика запускается по сигналу с выхода схемы ИЛИ 18, т.е. тогда, когда установлен хотя бы один из триггеров 12,13. При обнулении счетчика 28 на его выходе появляется сигнал, сбрасывающий триггер 12. При этом клапан прекращает приоткрываться и остается в этом положении. (т.е. с учетом результатов предыдущего шага определили величину второго шага и выполнили его).
Величина, хранящаяся в запоминающем устройстве 36, поступает на вход умножающего устройства 32, где происходит ее умножение на величину (1+0,429). Результат (произведение) записывается в запоминающее устройство 36. И в ближайший момент, когда возникнет необходимость “подрегулировать” температуру, клапан будет включен на это откорректированное время.
В случае возникновения ситуации, когда температура эмульсии стала ниже нижнего предела (для данного конкретного случая: меньше+43С° (+45С°-2С°)), то работа регулятора начинается с появления сигнала на выходе второго блока 8 сравнения и установки триггера 11. Логика работы устройства в этом случае полностью совпадает с логикой, вышеописанной для случая превышения верхнего предела. Только управляющий сигнал, не приоткрывающий, а призакрывающий клапан, формируется на выходе схемы 17 ИЛИ, а цепь, формирующая возможный второй “шаг” регулятора, реализована на триггерах 13, 14 и сумматоре 24.
Процедура регулирования, таким образом, заключается в следующем. По включению устройства (или по ручному пуску), или в случае заметного изменения расхода эмульсии делается шаг, для того чтобы уменьшить величину рассогласования между заданной и текущей температурой эмульсии (в случае, если текущая температура превысила заданные пределы). Этот шаг делается не “наугад”, а рассчитывается, исходя из “физики” и параметров процесса и характеристики регулятора. Основной параметр этого шага (время “приоткрывания” или время “призакрывания” клапана) запоминается. Далее определяется: какой результат получился в результате сделанного шага. Т.е. на сколько изменилась температура эмульсии после известного воздействия. Считая зависимость между изменением и воздействием линейной (регулировочная характеристика клапана линейная, и диапазон регулирования узкий), определяем величину последующего воздействия. Она рассчитывается, исходя из того, чтобы величина рассогласования стала “нулевой”. Если нулевого отклонения добиться не удалось, то делается еще один “шажок”, с учетом результатов предыдущего шага. (С учетом реальных параметров системы приготовления эмульсии можно уверенно полагать, что за три последовательных “шага” нулевое отклонение будет достигнуто). Если добились “нулевого” отклонения, то регулирование прекращается и запоминается суммарное воздействие (за время двух или трех шагов). При последующем возникновении отклонения сразу совершается воздействие, равное суммарному. (Опять же можно уверенно полагать, что с учетом реальных параметров системы приготовления эмульсии нулевое отклонение будет достигнуто за этот один шаг, поскольку за время между возникновениями двух соседних отклонений параметры системы сколько-нибудь ощутимо измениться не могут).
В заявляемом устройстве организована диагностика его работы и диагностика работы всей системы приготовления эмульсии, при этом все сигналы, необходимые для диагностики, поступают со схемы регулирования
Диагностика осуществляется следующим образом.
Если температура охлаждающей воды превысила заданный порог (для данного конкретного случая:+32 С°), то сигнал с выхода порогового устройства 50, устанавливает RS триггер 44, который включает индикатор 55. С этого индикатора оператору выдается информация: “Недопустимо высокая температура (выше+32 С°) охлаждающей воды!”
Сигнал с выхода схемы 19 ИЛИ (он имеется тогда, когда превышен верхний или нижний порог допустимой температуры эмульсии) поступает на “верхний” вход схемы 49 И, на второй вход этой схемы поступает сигнал со счетчика 50 времени. Это время выбирается, исходя из максимально возможного времени работы клапана; времени, необходимого для того, чтобы клапан “отработал” возмущение при самых неблагоприятных условиях. По истечении этого времени на выходе счетчика 50 появляется сигнал логической единицы. Если в течение этого времени сигнал с выхода схемы 19 ИЛИ не исчез, то на выходе схемы 49 И появляется сигнал, устанавливающий RS триггер 45. Если при этом температура воды не превысила верхний порог, то на выходе схемы 47 И появляется сигнал, устанавливающий RS триггер 42, который включает индикатор 53. С этого индикатора оператору выдается информация: “Длительное (20 сек) превышение допустимого порога температуры эмульсии. Сбой в системе охлаждения!”
Если клапан полностью закрыт, то на выходе конечного выключателя 40 имеется сигнал логической единицы, если температура эмульсии упала ниже нижнего порога, то на выходе порогового устройства 8 также имеется сигнал логической единицы. Совпадение этих двух сигналов установит (через схему 48 И) RS триггер 43, который включает индикатор 54. С этого индикатора оператору выдается информация: “Температура эмульсии ниже нижнего порога. Регулятор на упоре. Возможно нарушены нагрев и циркуляция эмульсии”.
Если клапан полностью открыт, то на выходе конечного выключателя 39 имеется сигнал логической единицы, если температура эмульсии выше верхнего порога, то на выходе порогового устройства 7 также имеется сигнал логической единицы. Если при этом температура воды не превысила верхний порог, то на выходе схемы 46 И появляется сигнал, устанавливающий RS триггер 41, который включает индикатор 52. С этого индикатора оператору выдается информация: “Температура эмульсии выше верхнего порога. Регулятор на упоре. Возможно нарушены нагрев и циркуляция эмульсии”.
Обнуление всех RS триггеров диагностики производится кнопкой 56 сброса.
Предлагаемое устройство является частью АСУ ТП прокатного стана и будет реализовано не в виде специального электронного блока, а на универсальных программирумых логических контроллерах и персональном компьютере. Поэтому индикаторы, например, будут организованы “виртуально” – на экране дисплея компьютера в виде соответствующих мигающих транспорантов с текстом, поясняющим причину появления сигнала. Кнопка, сбрасывающая триггеры сбоев также будет реализована в виде функциональной кнопки на экране. При этом возникновение сбоев и сброс соответствующих триггеров будут автоматически зафиксированы в протоколе работы стана. (С целью повышения ответственности персонала за свои производственные действия).
Относительно диагностики можно сказать следующее. Ее назначение: в случае возникновения отказа или заметного сбоя сразу же обнаружить этот дефект и проинформировать об этом обслуживающий персонал. Это позволит существенно уменьшить вероятность ситуации, при которой сбой или отказ данной системы будет обнаружен только тогда, когда пойдет заметный брак полосы. Понятно, что ошибка обнаруженная поздно, успеет нанести больший ущерб, чем ошибка, обнаруженная в момент ее возникновения, а “изготовление” брака – это вредные затраты времени, материальных, трудовых и энергетических ресурсов.
Кроме обнаружения ошибки (отказа или сбоя) обслуживающему персоналу сообщают также и причины, которые могли привести к возникновению обнаруженной ошибки. Более того, при разработке программной части системы приготовления эмульсии можно (через дополнительные меню и всплывающие окна на экране дисплея) дать обслуживающему персоналу дополнительную информацию о том, как действовать в той или иной ситуации, с учетом конкретной гидравлической и электрических схем. Эта информация несмотря на ее очевидность (для разработчика) имеет для обслуживающего персонала высокую ценность, т.к. конкретизирует причины возникновения ошибки и в какой-то мере предписывает порядок поиска и локализации неисправности.
Ускорение процесса поиска и локализации неисправности приводит к уменьшению времени вынужденных простоев, что, по сути, равнозначно повышению производительности на данном участке технологической линии.
Формула изобретения
1. Устройство для регулирования температуры эмульсии на стане холодной прокатки, содержащее теплообменник, клапан, изменяющий расход охлаждающей воды и сопряженный с электрическим исполнительным механизмом, измеритель расхода эмульсии, датчик и задатчик температуры эмульсии, блок сравнения и блок управления, при этом выход датчика температуры эмульсии соединен с первым входом блока сравнения, второй вход которого соединен с выходом задатчика температуры эмульсии, выход блока сравнения соединен со входом блока управления, а выход блока управления соединен со входом исполнительного механизма, отличающееся тем, что оно снабжено вторым блоком сравнения и датчиком температуры охлаждающей воды, а блок управления выполнен в виде логическо-вычислительной схемы, содержащей первый, второй, третий, четвертый, пятый и шестой RS-триггеры, первую, вторую, третью, четвертую и пятую схему ИЛИ, первую и вторую схемы И, первый, второй, третий и четвертый сумматоры, дифференцирующее устройство, первый и второй счетчики времени, пороговое устройство, стартовый блок, первое и второе устройства умножения, устройство деления, определитель времени, запоминающее устройство, определитель изменения расхода и вычислитель отношения, при этом выход первого блока сравнения соединен с S-входами первого и шестого RS -триггеров и первым входом третьей схемы ИЛИ, второй вход которой соединен с S-входами второго и пятого RS-триггеров и выходом второго блока сравнения, первый вход которого соединен с выходом задатчика температуры эмульсии, а второй вход – с выходом датчика температуры эмульсии, входом дифференцирующего устройства, первыми входами первого и второго сумматоров, вторые входы которых соединены с выходом дифференцирующего устройства, а третьи входы – с выходами соответственно шестого и пятого RS-триггеров и первыми входами первой и второй схем И, вторые входы которых соединены с выходом порогового устройства, вход которого соединен с выходом вычислителя отношения и первым входом первого устройства умножения, первый выход которого соединен со входом первого счетчика времени, выход которого соединен с R-входами третьего и четвертого RS-триггеров, а стартовый вход – с выходом третьей схемы ИЛИ, первый вход которой соединен с R-входом шестого, выходом третьего RS-триггеров и первым входом первой схемы ИЛИ, второй вход которой соединен с выходом первого RS-триггера, а выход – с первым входом исполнительного механизма, второй вход которого соединен с выходом второй схемы ИЛИ, первый вход которой соединен с выходом второго RS-триггера, а второй вход – с выходом четвертого и R-входом пятого RS-триггеров и вторым входом третьей схемы ИЛИ, выход стартового блока соединен с первым входом пятой схемы ИЛИ, выход которой соединен с первым входом четвертого сумматора, а второй вход – с выходом определителя изменения расхода, вход которого соединен с выходом датчика расхода и первым входом второго устройства умножения, выход которого соединен со входом определителя времени, выход которого соединен с первым входом запоминающего устройства, второй вход и первый выход которого соединены соответственно со вторыми входом и выходом первого устройства умножения, второй выход запоминающего устройства соединен с входом второго счетчика времени, выход которого соединен с R-входами первого и второго RS-триггеров, а стартовый вход – с выходом четвертой схемы ИЛИ и стробирующим входом запоминающего устройства, выходы первого и второго сумматоров соединены соответственно с первым и вторым входами вычислителя отношения, третий вход которого соединен с выходом задатчика температуры эмульсии, первым входом третьего и вторым входом четвертого сумматоров, выход третьего сумматора соединен с первым входом устройства деления, выход которого соединен со вторым входом второго устройства умножения, а второй вход – с выходом четвертого сумматора, второй вход которого соединен с выходом датчика температуры охлаждающей воды, а второй вход третьего сумматора соединен с выходом датчика температуры эмульсии.
2. Устройство по п.1, отличающееся тем, что оно снабжено первым и вторым датчиками конечного положения исполнительного механизма, седьмым, восьмым, девятым, десятым и одиннадцатым RS-триггерами, третьим, четвертым, пятым и шестым схемами И, вторым пороговым устройством, третьим счетчиком времени, первым, вторым, третьим и четвертым индикаторами аварийных ситуаций и кнопкой сброса, при этом выход четвертой схемы ИЛИ соединен с первым входом шестой схемы И и входом третьего счетчика времени, выход которого соединен со вторым входом этой же схемы И, выход которой соединен с S-входом одиннадцатого RS-триггера, выход которого соединен с первым входом четвертой схемы И, выход которой соединен с S-входом восьмого RS-триггера, а второй вход – с инверсным выходом десятого RS-триггера, и первым входом третьей схемы И, выход которой соединен с S-входом седьмого RS-триггера, а второй и третий входы – соответственно с выходом первого датчика конечного положения и выходом первого блока сравнения, выход второго датчика положения соединен с первым входом пятой схемы И, второй вход которой соединен с выходом второго блока сравнения, а выход – с S-входом девятого RS-триггера, выход датчика температуры охлаждающей воды соединен со входом второго порогового устройства, выход которого соединен с S-входом десятого RS-триггера, выход седьмого, восьмого, девятого и десятого RS-триггеров соединены соответственно с входом первого, второго, третьего и четвертого индикаторов аварийных ситуаций, R-входы всех пяти RS-триггеров соединены с выходом кнопки сброса.
РИСУНКИ
PC4A – Регистрация договора об уступке патента СССР или патента Российской Федерации на изобретение
Прежний патентообладатель:
Общество с ограниченной ответственностью “Уралмаш – Металлургическое оборудование”
(73) Патентообладатель:
Общество с ограниченной ответственностью “Уралмаш – Инжиниринг”
Договор № РД0039370 зарегистрирован 08.08.2008
Извещение опубликовано: 20.09.2008 БИ: 26/2008
|
|