|
|
(21), (22) Заявка: 2004111681/15, 08.08.2002
(24) Дата начала отсчета срока действия патента:
08.08.2002
(30) Конвенционный приоритет:
17.09.2001 DE 10145818.5
(43) Дата публикации заявки: 10.05.2005
(46) Опубликовано: 10.01.2008
(56) Список документов, цитированных в отчете о поиске:
US 4797255 А, 10.01.1989. SU 1386018 A3, 30.03.1988. US 5152968 А, 06.10.1992. ЕР 0321908 А, 28.06.1989.
(85) Дата перевода заявки PCT на национальную фазу:
19.04.2004
(86) Заявка PCT:
EP 02/08860 (08.08.2002)
(87) Публикация PCT:
WO 03/024492 (27.03.2003)
Адрес для переписки:
103735, Москва, ул. Ильинка, 5/2, ООО “Союзпатент”, А.А.Силаевой
|
(72) Автор(ы):
ГРОССМАНН Хольгер (DE), ХЕРОЛЬД Томас (DE)
(73) Патентообладатель(и):
КХС МАШИНЕН-УНД АНЛАГЕНБАУ АГ (DE)
|
(54) УСТРОЙСТВО ДЛЯ СТЕРИЛИЗАЦИИ ЕМКОСТЕЙ ДЛЯ НАПИТКОВ
(57) Реферат:
Устройство для стерилизации емкостей для напитков путем воздействия на них потоком смеси воздуха и пара перекиси водорода содержит испаритель Н2О2, имеющий омываемую воздухом испарительную камеру с обогреваемыми стенками, которые с помощью соплового устройства обрызгиваются перекисью водорода. Сопловое устройство содержит только одно воздушное сопло, выполненное с возможностью вдувания тангенциально в камеру узкой воздушной струи, и только одно сопло для перекиси водорода, выполненное с возможностью формирования сплошной струи жидкости, имеющей диаметр примерно в пределах равных нескольким десятым миллиметра, причем сопло для перекиси водорода установлено в корпусном блоке с возможностью формирования струи жидкости в поперечном к воздушной струе направлении и на расстоянии от нее. Технический результат – предотвращение засорения каналов устройства. 2 з.п. ф-лы, 2 ил.
Изобретение касается устройства для стерилизации емкостей для напитков согласно ограничительной части пункта 1 формулы изобретения.
С помощью устройств для стерилизации стерилизуют емкости для напитков, такие, как, например, пластиковые бутылки, изнутри или, при известных условиях, также и снаружи воздушным потоком, содержащим пар перекиси водорода. Воздушный поток имеет необходимую для испарения перекиси водорода повышенную температуру. При смывании воздушным потоком более холодных поверхностей емкости перекись водорода конденсируется на них в виде тонкой пленки. Последняя обеспечивает равномерную стерилизацию поверхности в противоположность более старым конструкциям, в которых поверхности непосредственно обрызгивались мелкими каплями.
В устройствах для стерилизации емкостей для напитков испарение перекиси водорода, которая обычно представляет собой водный раствор соответствующей концентрации и испаряется, следовательно, вместе с водой, осуществляется в испарительной камере испарителя Н2О3, из которого пар перекиси водорода подается продувочным воздухом в стерилизуемую емкость. При этом обычно предусматривается один испаритель на каждую площадку с емкостями, который периодически вводится в действие для стерилизации следующих друг за другом емкостей.
В конструкциях, известных из DE 3235476 С2, DE 3540161 С2 и DE 3900448 С2 (фиг.2), перекись водорода через сопло для двухкомпонентных материалов впрыскивается в испарительную камеру. Разбрызгиваемые капли попадают на обогреваемые поверхности и испаряются на них. Этот метод превосходит другие способы, в которых испарение происходит в горячем воздухе, поскольку теплоемкость воздуха намного ниже теплоемкости твердых веществ (материал стенок).
Аналогичная конструкция известна из DE 19704639 С2. Здесь с помощью сопла для однокомпонентных материалов в потоке воздуха, подаваемого другим способом, в испарительной камере производится обрызгивание поверхностей стенок, температура которых специально поддерживается ниже температуры испарения. Лишь в последующем воздушном потоке испарение проводят при более высоких температурах стенок.
Недостатком известных устройств для стерилизации емкостей является применение сопел для одно- или двухкомпонентных материалов, которые в своем исполнении, известном из уровня техники, работают с очень узкими каналами, вызывающими распыливающий эффект. Разумеется, что распыление на очень мелкие капли является необходимым условием для последующего быстрого испарения.
Сопла известных конструкций предрасположены к быстрому засорению. Это обусловлено наличием обычно содержащихся в водных растворах перекиси водорода солей стабилизатора, склонных к выпадению в осадок и образованию мелких гранул, засоряющих тонкие каналы сопел. Даже использование предвключенных фильтров не позволяет в достаточной мере преодолевать указанное явление.
Задача предложенного изобретения заключается в создании устройства для стерилизации емкостей для напитков, в котором засорение каналов было бы устранено.
Эта задача решается признаками пункта 1 формулы изобретения.
Согласно изобретению распыление осуществляется с помощью соплового устройства, в котором струя воздуха и струя перекиси водорода формируются отдельно одна от другой. Обе струи встречаются в свободном пространстве, причем воздушная струя в месте пересечения разрывает струю перекиси водорода на мелкие капли. Внутри сопла для перекиси водорода не происходит распыления на мелкие капли и образуется сплошная струя. Необходимые для этого сопловые каналы обладают столь большими поперечными сечениями, что не могут забиваться кристаллами соли.
Целесообразным является выполнение по пункту 2 формулы. Капли нагнетаются воздушной струей через кольцевую камеру по кругу, оседая под действием центробежной силы на значительной площади наружной поверхности кольцевой камеры, где они очень быстро испаряются.
Предпочтительным также является выполнение по п.3 формулы изобретения. После испарения в испарительной камере в проходящих дальше каналах при необходимости может происходить доиспарение, если в воздушной струе еще имеются неиспарившиеся капли. Кроме того, температура в каналах может стабилизироваться до нужного значения вплоть до выходного отверстия.
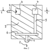
Пример выполнения изобретения схематично представлен на чертежах, где
фиг.1 показывает разрез испарителя Н2O2 по линии 1-1 на фиг.2;
фиг.2 – разрез по линии 2-2 на фиг.1.
Испаритель H2O2, показанный на фиг.1 и 2, является частью устройства для стерилизации емкостей для напитков. У своего выпускного отверстия 1 испаритель образует поток 2, состоящий из воздуха с определенной долей пара перекиси водорода и, при известных условиях, водяного пара, если Н2О2 используется в обычном водном растворе соответствующей концентрации. Выпускное отверстие 1 может быть известным образом установлено, например, над входным отверстием бутылки или иной емкости для напитков с целью стерилизации ее внутренней полости.
Представленный испаритель имеет массивный, разборный по плоскостям разъема корпусной блок 3, в концевой части которого, противоположной выпускному отверстию 1, выполнен кольцевой канал 4. Кольцевой канал 4 соединен с выпускным отверстием 1 тремя предусмотренными в примере выполнения каналами 5, проходящими параллельно оси выпускного отверстия 1, и сборником 6, в который впадают все три канала 5.
Корпусной блок 3 с помощью устройств, не показанных на чертежах, нагревают до температуры, необходимой для испарения Н2O2, в результате чего все его внутренние стенки также принимают соответствующую температуру.
Как показано на фиг.1, в кольцевой канал 4 тангенциально выходит воздушное сопло 7, формирующее направленную воздушную струю 8, которая поступает по касательной, создает круговой поток в кольцевом канале 4 и течет из него по каналам 5 и через сборник 6 к выпускному отверстию 1.
Сопло 9 для перекиси водорода установлено в корпусном блоке 3 с возможностью формирования струи жидкости 10 в поперечном к воздушной струе 8 направлении и на расстоянии от нее, а именно так, чтобы струя жидкости 10 встречалась с воздушной струей 8 в свободном пространстве внутри кольцевого канала 4.
Сопло 9 для перекиси водорода выполнено с возможностью формирования сплошной струи жидкости примерно в пределах диаметра, равного нескольким десятым миллиметра. Кристаллы соли, имеющиеся в перекиси водорода или в обычно применяемой смеси перекись водорода/вода, или же другие твердые вещества, приводящие к засорению традиционных распылительных сопел, беспрепятственно проходят в струе жидкости указанной толщины, не приводя к засорению сопла 9.
Струя жидкости 10 встречается с воздушной струей 8 в точке пересечения и захватывается движущимся с надлежащей скоростью воздухом, который разрывает струю жидкости на мелкие капли. Полученный аэрозольный туман, состоящий из мелких капель, вместе с потоком воздуха, образованным тангенциально входящей воздушной струей 8, вращается по кругу вокруг кольцевого канала. При этом мелкие капли жидкости, образованные в точке пересечения струй, транспортируются центробежной силой преимущественно наружу на окружную стенку кольцевого канала 4 и оседают на ней.
Здесь капли испаряются. Образовавшаяся смесь воздуха и пара перекиси водорода через обогреваемые каналы 5 поступает затем к выпускному отверстию 1. В каналах 5 может происходить доиспарение возможно еще имеющихся капель жидкости, что предотвращает повторную конденсацию в испарителе.
В варианте выполнения (не показан) вместо кольцевого канала 4 может быть также предусмотрена иная испарительная камера, в которой распыление перекиси водорода осуществляется пересекающимися струями воздуха и жидкости. Предпочтительно такая камера может иметь круглую окружную стенку, а воздушная струя 8 может вдуваться в камеру тангенциально, как показано на фиг.1, для получения эффектов, аналогичных эффектам в кольцевом канале.
Между испарительной камерой 4 и выпускным отверстием 1 вместо прямых каналов 5 могут быть также предусмотрены каналы, проходящие извилистыми путями, например в виде спирали, что способствует хорошему подогреву благодаря удлинению пути.
Формула изобретения
1. Устройство для стерилизации емкостей для напитков путем воздействия на них потоком смеси воздуха и пара перекиси водорода, содержащее испаритель Н2О2, имеющий омываемую воздухом испарительную камеру (4) с обогреваемыми стенками, которые с помощью соплового устройства (7,9) обрызгиваются перекисью водорода, отличающееся тем, что сопловое устройство содержит только одно воздушное сопло (7), выполненное с возможностью вдувания тангенциально в камеру узкой воздушной струи (8), и только одно сопло (9) для перекиси водорода, выполненное с возможностью формирования сплошной струи жидкости, имеющей диаметр примерно в пределах равных нескольким десятым миллиметра, причем сопло для перекиси водорода установлено в корпусном блоке (3) с возможностью формирования струи жидкости (10) в поперечном к воздушной струе (8) направлении и на расстоянии от нее.
2. Устройство по п.1, отличающееся тем, что испарительная камера (4) выполнена кольцеобразной.
3. Устройство по п.1, отличающееся тем, что испарительная камера (4) соединена с выходным отверстием (1) испарителя обогреваемыми каналами (5).
РИСУНКИ
|
|