|
|
(21), (22) Заявка: 2006126910/09, 24.07.2006
(24) Дата начала отсчета срока действия патента:
24.07.2006
(46) Опубликовано: 27.12.2007
(56) Список документов, цитированных в отчете о поиске:
RU 2208891 C2, 20.07.2003. SU 980226 A1, 07.12.1982. SU 1601692 A1, 23.10.1990. SU 1721743 A1, 23.03.1992. GB 1050018 A, 07.12.1966. US 3676764 A, 11.07.1972. EP 0447257 A2, 18.09.1991.
Адрес для переписки:
350044, г.Краснодар, ул. Калинина, 13, КубГАУ, ПИО
|
(72) Автор(ы):
Стрижков Игорь Григорьевич (RU), Потапенко Иосиф Андреевич (RU), Стрижкова Людмила Григорьевна (RU), Чеснюк Евгений Николаевич (RU)
(73) Патентообладатель(и):
Федеральное государственное образовательное учреждение высшего профессионального образования “Кубанский государственный аграрный университет” (RU)
|
(54) АСИНХРОННО-СИНХРОННЫЙ ДВУХЧАСТОТНЫЙ ГЕНЕРАТОР
(57) Реферат:
Изобретение относится к области электротехники и может быть использовано в автономных электроустановках. Техническим результатом является упрощение источника электроэнергии и снижение потерь энергии. Асинхронно-синхронная двухчастотная электрическая машина с двумя совмещенными в общем сердечнике статора трехфазными обмотками с числами пар полюсов p1 и р2 и совмещенными на роторе трехфазной короткозамкнутой обмоткой с числом пар полюсов p1 и обмоткой возбуждения с числом пар полюсов р2, присоединяемой к источнику тока возбуждения через контактные кольца и щетки, имеет двигатель как источник механической мощности, приводящий во вращение вал машины, и дополнительный трехфазный конденсатор возбуждения, присоединенный параллельно обмотке статора с числом пар полюсов p1. 1 ил.
Изобретение относится к электрическим машинам (электромеханике), а более конкретно к автономным генераторам переменного тока.
Современная промышленность выпускает электрифицированный инструмент и электроприборы на различную частоту тока. На фермерских подворьях, удаленных пастбищах и в других условиях одновременно могут быть востребованы электроинструменты и приборы на частоту 50 и 200 Гц. Типовым решением задачи электрификации в таких условиях является применение электрического генератора на частоту тока 50 Гц и преобразователя частоты с 50 на 200 Гц. При этом известны другие варианты решения задачи.
Известен двухчастотный генератор [а.с. 413582 (СССР), Н02k 19/06, Н02k 19/34, Н02k 19/22. Синхронный двухчастотный бесконтактный генератор. / Л.М.Паластин, Л.Б.Серебряник. Опубл. БИ 1974, №4], достоинством которого является генерирование электрической энергии одновременно в виде двух систем переменного тока различной частоты. Недостатком такого генератора является сложность конструкции, вызванная совмещением в одном корпусе двух электрических машин нетрадиционной конструкции с двумя различными числами полюсов, и невозможность использования при изготовлении такого генератора наиболее распространенных, недорогих и надежных асинхронных короткозамкнутых машин.
В качестве генераторов трехфазного тока в автономных электроустановках малой мощности находят применение асинхронные генераторы с конденсаторным возбуждением (Радин В.И., Винокуров В.А, Аскерко B.C. Применение асинхронных генераторов как автономных источников переменного тока. – Электротехника, 1967, №8, с.17-20). Их недостатком является генерирование электроэнергии только одной частоты и нестабильное напряжение генератора при изменяющейся нагрузке. При необходимости изменения частоты тока необходимо изменить число полюсов трехфазной обмотки генератора или частоту вращения генератора; но и при изменившейся частоте тока генератор производит электроэнергию только одной частоты тока. При необходимости одновременного питания электроинструментов разных частот тока требуются дополнительные преобразователи частоты.
Наиболее близким по техническому решению к заявленному устройству является асинхронно-синхронный одномашинный преобразователь частоты, описанный в кн. (Попов В.И. Электромашинные совмещенные преобразователи частоты. – М.: Энергия, 1980. – 176 с., с.24, рис.1-8). Преобразователь разработан и исследован в Уральском политехническом институте (техническом университете) [Павлиний В.М. Асинхронно-синхронный преобразователь частоты: Автореф. дис. на соиск. учен. степени канд. техн. наук / УПИ – Свердловск, 1959]. Этот преобразователь принят нами за прототип заявленного устройства.
Преобразователь изготовлен на базе асинхронного двигателя с фазным ротором и представляет собой совмещенные в общем магнитопроводе две машины: 2p1 – полюсный асинхронный двигатель и 2р2 – полюсный синхронный генератор, трехфазные статорные обмотки которых расположены в общих пазах сердечника статора. Ротор – фазный, традиционной конструкции, общий для двигателя и генератора. Двигатель имеет трехфазные обмотки на статоре и на роторе, а генератор – якорную обмотку на статоре и обмотку возбуждения на роторе. Между разнополюсными обмотками взаимная индуктивная связь отсутствует. При подключении обмотки статора к трехфазному источнику частоты f1 в якорной обмотке наводится ЭДС частоты f2=p1f1(1-s)/p2, где s – скольжение двигателя.
Совмещение в общем магнитопроводе взаимно неиндуктивных обмоток широко известно и является предметом специального раздела электромеханики «Совмещенные электрические машины». В указанном литературном источнике (кн. Попова В.И., с.24) содержатся сведения о номинальных данных образца асинхронно-синхронного одномашинного преобразователя частоты с частотами f1=50 Гц (p1=1) и f2=200 Гц (p2=4), синхронной частотой вращения 3000 об/мин, выполненного на базе серийного двигателя типа МР-53-4.
Достоинством машины является то, что в ней применяются токи двух разных частот f1 и f2, соотносящихся как f1:f2=p1:p2, к электрическим цепям этой машины могут быть подключены соответствующие электроприемники.
Недостатками машины являются:
– преобразователь частоты нуждается в источнике электроэнергии первичной частоты (50 Гц), что в автономных электроустановках требует применения соответствующего генератора. Наличие такого генератора усложняет электроустановку;
– преобразование энергии осуществляется при низком КПД, поскольку предполагает многократное преобразование: из механической в электрическую в первичном генераторе; из электрической в механическую в двигателе преобразователя частоты; из механической в электрическую в генераторе преобразователя частоты.
Технической задачей является упрощение источника электроэнергии в автономных электроустановках с двумя частотами тока и снижение потерь энергии в таком источнике.
Решение задачи достигается тем, что асинхронно-синхронная двухчастотная электрическая машина с двумя совмещенными в общем сердечнике статора трехфазными обмотками с числами пар полюсов p1 и р2, в которых наводятся ЭДС частотой f1 и f2 соответственно, имеющими клеммы для присоединения внешних электрических цепей, включая электроприемники, и совмещенными на роторе трехфазной закороченной обмоткой с числом пар полюсов p1 и обмоткой возбуждения с числом пар полюсов р2, присоединяемой к источнику тока возбуждения через контактные кольца и щетки, имеет двигатель как источник механической мощности, приводящий во вращение вал машины, и дополнительный трехфазный конденсатор возбуждения, подключенный параллельно статорной обмотке с числом пар полюсов p1.
Техническая новизна предложенной электрической машины заключается в изменении цикла преобразования энергии в электроустановке при сокращении числа ступеней преобразований энергии. В машине осуществляется процесс преобразования механической энергии в электрическую с двумя частотами. При этом в сравнении с прототипом электроустановка упрощается за счет исключения отдельного генератора на первичную частоту тока; при этом возрастает КПД преобразования энергии.
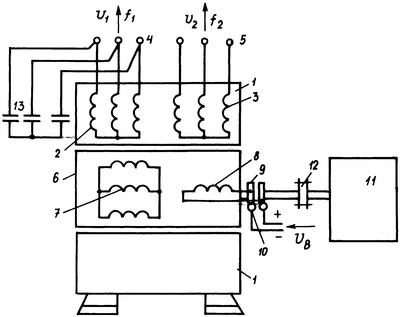
Сущность предложенного генератора поясняется чертежом.
На статоре 1 генератора в общих пазах расположены обмотки 2 с числом пар полюсов p1 и 3 с числом пар полюсов p2, подключенные к выходным клеммам 4 и 5, к которым подключаются электроприемники (не показаны). На роторе 6 размещены трехфазная закороченная обмотка 7 с числом пар полюсов p1 и обмотка возбуждения 8 с числом пар полюсов р2, присоединенная к контактным кольцам 9, напряжение на эту обмотку подается через трущиеся щетки 10. Ротор 6 приводится во вращение первичным двигателем 11, валы первичного двигателя 11 и генератора соединены муфтой 12. Первичный двигатель 11 является источником механической мощности; им может быть двигатель внутреннего сгорания, ветроколесо, гидротурбина и другие известные источники механической мощности. Параллельно обмотке 2 подключен трехфазный конденсатор 13 самовозбуждения машины на частоте f1.
При вращении ротора генератора 6 первичным двигателем 11 и подаче тока возбуждения в обмотку 8 в обмотке статора 3 под действием поля возбуждения, наводимого обмоткой ротора 8, наводится ЭДС частотой f2. В обмотке статора 2 наводится малая ЭДС под действием остаточного поля ротора с числом пар полюсов p1. Далее происходит процесс конденсаторного самовозбуждения при участии конденсатора 13, аналогичный самовозбуждению обычного асинхронного генератора, и в обмотке 2 наводится ЭДС частотой f1. Частота ЭДС в обмотках 2 и 3 определяется их числами пар полюсов этих обмоток p1 и р2 [f1=p1n(1-s), где n [c-1] – частота вращения ротора; f2=p2n]. Вследствие того, что ротор совмещенных машин общий, а числа пар полюсов p1 и р2 обмоток 2 и 3 различны, различна и частота в этих обмотках.
Упрощение источника электроэнергии автономной электроустановки и увеличение КПД позволяет улучшить эксплуатационные характеристики, в частности сократить расход топлива, расходы на обслуживание, повысить надежность, что позволяет расширить область применения таких установок в различных областях деятельности, включая сельскохозяйственное производство.
Формула изобретения
Асинхронно-синхронная двухчастотная электрическая машина с двумя совмещенными в общем сердечнике статора трехфазными обмотками с числами пар полюсов p1 и p2, в которых наводятся ЭДС частотой f1 и f2 соответственно, имеющие клеммы для присоединения внешних электрических цепей, включая электроприемники, и совмещенными на роторе трехфазной короткозамкнутой обмоткой с числом пар полюсов p1 и обмоткой возбуждения с числом пар полюсов p2, присоединяемой к источнику тока возбуждения через контактные кольца и щетки, отличающаяся тем, что имеет двигатель как источник механической мощности, приводящий во вращение вал машины, и дополнительный трехфазный конденсатор возбуждения, присоединенный параллельно обмотке с числом пар полюсов p1.
РИСУНКИ
MM4A – Досрочное прекращение действия патента СССР или патента Российской Федерации на изобретение из-за неуплаты в установленный срок пошлины за поддержание патента в силе
Дата прекращения действия патента: 25.07.2008
Извещение опубликовано: 20.03.2010 БИ: 08/2010
|
|