|
|
(21), (22) Заявка: 2006119159/06, 31.05.2006
(24) Дата начала отсчета срока действия патента:
31.05.2006
(46) Опубликовано: 10.12.2007
(56) Список документов, цитированных в отчете о поиске:
RU 2130144 C1, 10.05.1999. RU 2014523 C1, 15.06.1994. SU 1813937 A1, 07.02.1991. GB 1582934 A, 14.01.1981. FR 2073503 А, 01.10.1971.
Адрес для переписки:
660017, г.Красноярск, а/я 20870, Ю.П. Елистратову
|
(72) Автор(ы):
Елистратов Павел Геннадьевич (RU)
(73) Патентообладатель(и):
Елистратов Павел Геннадьевич (RU)
|
(54) ОТСЕКАТЕЛЬ ГИДРОПОТОКА
(57) Реферат:
Отсекатель предназначен для предотвращающих потери рабочей жидкости в случае обрыва шлангов и других видов разгерметизации гидравлических систем. В отсекателе гидропотока, включающем гидрораспределитель с электроуправлением, прерыватель электрического тока, стабилизирующее устройство, трансформатор и сигнальную лампочку, прерыватель электрического тока выполнен из корпуса с дренажным отверстием, в котором смонтированы золотник, пружина сжатия, резьбовая пробка с уплотнением, изоляторы, контактные кольца с выводами и резьбовые заглушки. Усилие пружины сжатия регулируется резьбовой пробкой и настраивается на минимальное рабочее давление в данной гидросистеме. Технический результат – повышение надежности. 2 ил.
Изобретение относится к области промышленности по созданию специальной системы или специальных технических средств, предотвращающих потери рабочей жидкости в случае обрыва шлангов и других видов разгерметизации гидравлических систем на машинах в различных отраслях.
Известны системы и средства для решения важнейшей технической проблемы значительной потери рабочей жидкости в случае обрыва шланга в гидросистеме и других видов разгерметизации.
Известно по авт.св. СССР №1723359 от 03.05.90 г. устройство для ограничения аварийных утечек для гидробака, содержащего корпус с крышкой, сливную и заборную трубы. Это устройство снабжено демпфером, заборная труба выполнена с приемным участком, установленным вертикально в нижней части бака и снабженным седлом. Устройство выполнено в виде запирающей трубы, расположенной одним концом посредством фиксатора на поплавке и снабженной на другом конце запорным элементом, установленным с возможностью взаимодействия с седлом приемного участка заборной трубы. Фиксатор выполнен в виде кольцевых проточек на наружной поверхности запирающей трубы и съемной вильчатой пружины, установленной в проточке запирающей трубы с возможностью взаимодействия с верхней торцевой поверхностью поплавка, а демпфер выполнен в запирающей трубе в виде сквозной цилиндрической полости с отверстием в верхней ее части и плунжера, установленного в полости с возможностью взаимодействия с отверстием и закрепленного на крышке бака, при этом отверстие выполнено выше максимального уровня жидкости в баке.
Однако эти устройства сложны по конструкции и малоэффективны при обрыве шлангов вдалеке от гидробака.
Наиболее близким к заявляемому является “Аварийный отсекатель трубопроводов” по заявке №97104620/06 по кл. F16K 17/00 от 25.03.1997 г. Этот отсекатель содержит корпус с входным и выходным патрубками, в полости которого размещены взаимодействующие между собой запорный орган, который подпружинен в сторону выходного патрубка, спусковой механизм запорного органа и чувствительный элемент спускового механизма, помещенного в отдельную газовую полость. Входное отверстие полости сообщается с контролируемым объемом посредством трубопровода, на конце которого, введенном в указанный объем, размещен конфузор, спусковой механизм выполнен в виде полой обоймы с входным отверстием, расположенным напротив входного отверстия газовой полости, в обойме соосно выходному отверстию размещена с возможностью осевого перемещения цанга, соединенная штоком с запорным органом и снабженная выступами на наружной поверхности лепестков со стороны входного отверстия, на внутренней поверхности обоймы выполнен кольцевой бурт для зацепления выступами лепестков цанги, причем взаимодействующие поверхности бурта и выступов скошены под углом, выбранным из условия свободного взаимного скольжения, а чувствительный элемент выполнен в виде пластинки, подвижно установленной между лепестками в распор, и подпружинен в сторону входного отверстия. Трубопровод, соединяющий контролируемый объем с полостью спускового механизма, выполнен с жесткими стенками. Обойма спускового механизма конструктивно совмещена со стенками газовой полости.
Но и этот отсекатель сложной конструкции.
Изобретение решает задачу упрощения конструкции и повышения эффективности при предотвращении значительных потерь рабочей жидкости в случае обрыва шланга и других видов разгерметизации гидравлических систем путем переключения жидкости на слив в бак.
Технический результат при использовании изобретения заключается в простоте конструкции и надежности отсекателя при постановке его на входной гидролинии от насоса и на отдельных участках гидропровода.
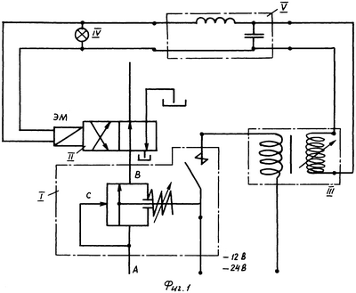
На фиг.1 представлена принципиальная электрогидравлическая схема отсекателя гидропотока, на фиг.2 – один из вариантов конструктивного исполнения прерывателя электрического тока.
Отсекатель гидропотока состоит из прерывателя электрического тока I, гидрораспределителя с электроуправлением II, трансформатора III, сигнальной лампы IV и стабилизирующего устройства V (фиг.1). А прерыватель электрического тока (основной узел) включает корпус 1, золотник 2, пружину сжатия 3, уплотнение 4, пробку резьбовую 5, изоляторы 6, контактные кольца 7 с выводами 8, заглушки резьбовые 9 и дренажное отверстие 10 (фиг.2).
Отсекатель гидропотока работает следующим образом.
Рабочая жидкость, поступающая из подводящей гидролинии А, попадая через отверстия в полость С, перемещает золотник 2 в корпусе 1 вправо, соединяя полости А и В. Усилие пружины сжатия 3 подбирается и регулируется резьбовой пробкой 5 на минимальное рабочее давление гидросистемы, что обеспечивает постоянное соединение полостей А и В, – проход рабочей жидкости через прерыватель I. Далее рабочая жидкость поступает через гидрораспределитель II в гидросистему. При разгерметизации гидросистемы давление в ней резко падает (ниже установленного минимального рабочего давления) и под действием пружины 3 золотник 2, двигаясь влево, перекрывает поступление рабочей жидкости в полость В. В это время рост давления в полости С заставляет золотник 2 перемещаться вправо. Таким образом золотник 2 получает возвратно-поступательное движение, что сопровождается размыканием и замыканием контактных колец 7. Это вызывает пульсацию постоянного тока в первичной обмотке трансформатора III, что, в свою очередь, сопровождается появлением электрического тока во вторичной обмотке трансформатора III, который через стабилизирующее устройство V включает электромагнит гидрораспределителя II. Таким образом обеспечивается соединение гидросистемы со сливной магистралью. Лампочка IV подает световой сигнал, который можно использовать в качестве команды на включение катушки ЭМ, например, с помощью фотоэлементных приборов.
Устанавливается этот отсекатель гидропотока на входной гидролинии от насоса, а также может использоваться на отдельных участках гидропровода.
Формула изобретения
Отсекатель гидропотока, включающий гидрораспределитель с электроуправлением, прерыватель электрического тока, стабилизирующее устройство, трансформатор и сигнальную лампочку, отличающийся тем, что прерыватель электрического тока выполнен, например, из корпуса с дренажным отверстием, в котором смонтированы золотник, пружина сжатия, резьбовая пробка с уплотнением, изоляторы, контактные кольца с выводами и резьбовые заглушки, причем усилие пружины сжатия регулируется резьбовой пробкой и настраивается на минимальное рабочее давление в данной гидросистеме.
РИСУНКИ
|
|