|
|
(21), (22) Заявка: 2006107170/06, 07.03.2006
(24) Дата начала отсчета срока действия патента:
07.03.2006
(46) Опубликовано: 10.12.2007
(56) Список документов, цитированных в отчете о поиске:
DE 3742339 A1, 04.08.1988. SU 927129 A, 07.05.1982. RU 2149274 C1, 20.05.2000. SU 769058 A, 07.10.1980. JP 10252538 A, 22.09.1998. GB 2289584 А, 22.11.1995. US 4347544 А, 31.08.1982.
Адрес для переписки:
150023, г.Ярославль, Московский пр., 88, ЯГТУ
|
(72) Автор(ы):
Кулебякин Алексей Александрович (RU)
(73) Патентообладатель(и):
Ярославский государственный технический университет (RU)
|
(54) УСТРОЙСТВО УПРАВЛЕНИЯ НАСОС-ФОРСУНКОЙ ДИЗЕЛЯ
(57) Реферат:
Изобретение относится к двигателестроению, в частности к средствам управления впрыскиванием топлива дизелей. Изобретение позволяет упростить конструкцию, повысить надежность и улучшить конструкцию клапана форсунки. Устройство управления насос-форсункой дизеля содержит реле времени, группу элементов “И-НЕ”, входами подключенных к управляющему входу схемы, а выходы элементов “И-НЕ” подключены к входам мощных транзисторных ключей, выходы которых подключены к выводам катушки электромагнита. Два реле времени и группа элементов “И-НЕ” входами подключены к управляемому входу схемы. Выходы элементов “И-НЕ” подключены к входам мощных транзисторных ключей, которые образуют мостовую схему включения катушки электромагнита для формирования форсирующего и размагничивающего импульсов тока. Один вывод катушки подключен через мощный ключ, диод и дифференцирующую RC-цепь, соединенную с ним параллельно, и балластное сопротивление к отрицательному полюсу аккумуляторной батареи. Второй вывод катушки через мощный ключ и плечо моста подключен к положительному полюсу батареи, подключенной в диагональ питания моста, для формирования удерживающего импульса. 3 ил.
Изобретение относится к двигателям внутреннего сгорания, а именно к средствам управления впрыскиванием топлива дизелей.
Известно устройство управления индуктивной нагрузкой со встроенным контролем [см. Устройство управления индуктивной нагрузкой. А.С. №1624543 А1, кл. F02M 51/06.].
Недостатком устройства является ограниченная мощность, рассеиваемая в разрядной цепи, что не позволяет использовать его для управления впрыскиванием топлива с помощью насос-форсунок, управляемых электромагнитами.
Наиболее близким к предлагаемому является устройство управления, выбранное по патенту [см. Устройство управления. Патент ФРГ №3742339, кл. H01F 7/18]. Управление электромагнитными клапанами насос-форсунок осуществляется с помощью электронной схемы, которая содержит реле времени, группу (четыре) элементов “И-НЕ”, два мощных транзисторных ключа в последовательных цепях двух катушек электромагнита и третий ключ с последовательно подключенным к нему диодом и параллельно-дифференцирующей RC-цепью, соединяющей выводы катушек электромагнита, противолежащие клеммам для подключения питания аккумуляторной батареи, причем реле времени содержит ограничительный диод и интегрирующую RC-цепь.
Каждый импульс, поступающий на вход схемы для переключения магнитных катушек из блока управления, вызывает перемещение иглы распылителя топливной форсунки ДВС в рабочее положение под действием тока притяжения в катушках электромагнита, включенных параллельно, и удержание ее в этом положении под действием тока блокировки в последовательно включенных катушках.
Недостатком данной схемы для переключения магнитных катушек является ограниченная возможность применения в связи с отсутствием управления движением иглы форсунки в обратном направлении.
Задачей предлагаемого изобретения является расширение области применения. Это достигается расширением функциональных возможностей устройства управления за счет предлагаемого схемного решения и использованием явления размагничивания. Предлагаемое устройство, наряду с упрощением конструкции, обеспечивает повышение надежности и улучшение динамических свойств управляемого электромагнитного клапана форсунки за счет переключения выводов одной катушки электромагнита для управления обратным ходом иглы распылителя с использованием явления размагничивания.
Поставленная задача решается следующим образом: устройство управления насос-форсункой дизеля содержит реле времени, группу элементов “И-НЕ”, входами подключенных к управляющему входу схемы, выходы элементов “И-НЕ” подключены к входам мощных транзисторных ключей, выходы которых подключены к выводам катушки электромагнита, причем два реле времени и группа элементов “И-НЕ” входами подключены к управляемому входу схемы, а выходы элементов “И-НЕ” подключены к входам мощных транзисторных ключей, которые образуют мостовую схему включения катушки электромагнита для формирования форсирующего и размагничивающего импульсов тока, один вывод которой подключен через мощный ключ, диод и дифференцирующую RC-цепь, соединенную с ним параллельно, и балластное сопротивление к отрицательному полюсу аккумуляторной батареи, а второй вывод катушки через мощный ключ и плечо моста к положительному полюсу батареи, подключенной в диагональ питания моста для формирования удерживающего импульса. Техническим результатом является расширение функциональных возможностей средств управления за счет управления обратным движением иглы распылителя и жестко связанным с ним штоком электромагнита.
Сравнительный анализ с прототипом показывает, что предлагаемое устройство отличается тем, что два реле времени и группа элементов “И-НЕ” входами подключены к управляемому входу схемы, а выходы элементов “И-НЕ” подключены к входам мощных транзисторных ключей, которые образуют мостовую схему включения катушки электромагнита для формирования форсирующего и размагничивающего импульсов тока, один вывод которой подключен через мощный ключ, диод и дифференцирующую RC-цепь, соединенную с ним параллельно, и балластное сопротивление к отрицательному полюсу аккумуляторной батареи, а второй вывод катушки через мощный ключ и плечо моста к положительному полюсу батареи, подключенной в диагональ питания моста для формирования удерживающего импульса.
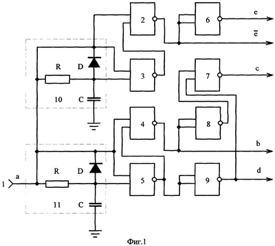
Сущность предложенного технического решения поясняется чертежами (фиг.1, 2). Предложенное устройство содержит два реле времени 10, 11, каждое из которых состоит из диода D и интегрирующей RC-цепи, и группы элементов “И-НЕ” 2, 3, 4, 5, входами подключенных к управляемому входу 1 схемы, а выходы группы элементов “И-НЕ” 6, 7, 8, 9 подключены к входам мощных усилителей, работающим в ключевом режиме, на базы транзисторов 12, 14, 16, 18, 20 (фиг.2), выходы которых, выполненные на мощных переключающих транзисторах 13, 15, 17, 19, 21, подключены к выводам катушки 23 электромагнита, один вывод которой подключен через переключающий транзистор 17, диод 22 и дифференцирующую RC-цепь (R7, С1), подключенную с ним параллельно через балластное сопротивление R8, к отрицательному полюсу аккумуляторной батареи, а другой вывод катушки 23 электромагнита – через переключающие транзисторы 13 и 21 к положительному полюсу аккумуляторной батареи, причем для формирования импульса размагничивания и форсирующего импульса катушка 23 электромагнита включена в диагональ нагрузки мостовой схемы, образованной мощными транзисторами 13, 15, 19, 21. R1-R6, R9-R12 – резисторы. Временная диаграмма действующих сигналов представлена на фиг.3: U – напряжение, I – ток, t – время; а – входной сигнал устройства, b, с, d, е, – выходные сигналы элементов 2- 9 (фиг.1), являющиеся входными для элементов 13, 14, 16, 18 и 20 (фиг.2); f, g, h – действующие сигналы схемы. Формирование управляющих импульсов осуществляется следующим образом. На вход устройства (фиг.1, 1) поступает сигнал а, определяющий длительность рабочего цикла по перемещению штока электромагнита, который состоит из трех тактов, определяемых импульсами b, d, е, f. Импульс с активен в течение двух тактов, f – активен в первом такте, g – ток в цепи мощного переключающего транзистора 17 (фиг.2) во втором такте, h – суммарный ток аккумулятора в течение рабочего цикла.
Устройство работает следующим образом (фиг.1, фиг.2, фиг.3). На управляемый вход схемы подается управляющий импульс а, который поступает на два реле времени 10, 11 и на входы элементов “И-НЕ” 2, 3, 4, 5 логики устройства управления. В результате преобразования сигнала а на выходе группы элементов “И-НЕ” 2-9 получаются сигналы b, с, d, е, которые позволяют получить рабочий цикл, состоящий из тактов для формирования форсирующего, удерживающего и размагничивающего импульсов тока, протекающих через катушку электромагнита 23 в соответствии с временной диаграммой. Сигналы управляют включением и выключением мощных ключей на транзисторах 12-21. Четыре ключа (12, 13), (14, 15), (18, 19), (20, 21) образуют мостовую схему, в диагональ нагрузки которой включена катушка электромагнитного клапана, а диагональ питания подключена к аккумуляторной батарее с U=24 В, что позволяет получить форсирующий и размагничивающий импульсы тока при открывании соответствующих мощных ключей в первом и третьем такте работы устройства. Во втором такте открывается ключ (16, 17) и ключ (12, 13), что вызывает прохождение удерживающего импульса тока через катушку электромагнита 23 и балластное сопротивление, позволяющее уменьшить его амплитуду (до 2,5 А). Дифференцирующая RC-цепь в цепи коллектор-эмиттер мощного транзистора 17 и диод 22 позволяют получить необходимую форму удерживающего импульса. Таким образом, под воздействием форсирующего импульса шток электромагнита перемещается в рабочее положение, удерживается в этом положении в течение времени действия удерживающего импульса и возвращается в исходное положение под воздействием размагничивающего импульса тока, проходящего через катушку электромагнита 23. Величина форсирующего тока зависит от необходимого усилия срабатывания электромагнита, а длительность рабочего цикла соответствует длительности импульса “а” и может составлять от 0,1 до 10 ms. Элементы “И-НЕ” 2-9 могут быть выполнены на микросхемах серии К555ЛАЗ, транзисторы 12, 14, 16, 18 – типа n-p-n КТ3102Б и включены в цепь базы переключающих транзисторов 15, 19 типа n-p-n KT827A и транзисторов 13, 17, 21 типа p-n-p KT825A, диод 22 типа 2Д213 В.
Применение устройства позволит обеспечить повышение надежности и улучшение динамических свойств управляемого электромагнитного клапана форсунки за счет переключения выводов одной катушки электромагнита для управления обратным ходом иглы распылителя с использованием явления размагничивания.
Повышение эффективности устройств управления подобного типа основано на сочетании электромеханических и электронных средств, предназначенных для реализации малых перемещений, а это позволит повысить качество и конкурентоспособность предложенного устройства.
Формула изобретения
Устройство управления насос-форсункой дизеля, содержащее реле времени, группу элементов “И-НЕ”, входами подключенных к управляющему входу схемы, а выходы элементов “И-НЕ” подключены к входам мощных транзисторных ключей, выходы которых подключены к выводам катушки электромагнита, отличающееся тем, что два реле времени и группа элементов “И-НЕ” входами подключены к управляемому входу схемы, а выходы элементов “И-НЕ” подключены к входам мощных транзисторных ключей, которые образуют мостовую схему включения катушки электромагнита для формирования форсирующего и размагничивающего импульсов тока, один вывод которой подключен через мощный ключ, диод и дифференцирующую RC-цепь, соединенную с ним параллельно и балластное сопротивление к отрицательному полюсу аккумуляторной батареи, а второй вывод катушки через мощный ключ и плечо моста к положительному полюсу батареи, подключенной в диагональ питания моста для формирования удерживающего импульса.
РИСУНКИ
|
|