|
|
(21), (22) Заявка: 2006127515/06, 28.07.2006
(24) Дата начала отсчета срока действия патента:
28.07.2006
(46) Опубликовано: 10.12.2007
(56) Список документов, цитированных в отчете о поиске:
SU 1367054 A1, 15.01.1988. RU 2023170 C1, 15.11.1994. SU 208119 A, 06.03.1968. RU 2221156 C1, 10.01.2004. SU 1229388 A1, 07.05.1986. SU 1318702 A1, 23.06.1987.
Адрес для переписки:
432027, г.Ульяновск, Северный Венец, 32, ГОУ ВПО “Ульяновский государственный технический университет”, Проректору по научной работе
|
(72) Автор(ы):
Шарапов Владимир Иванович (RU), Кубашов Сергей Евгеньевич (RU)
(73) Патентообладатель(и):
Государственное образовательное учреждение высшего профессионального образования “Ульяновский государственный технический университет” (RU)
|
(54) ТРАНСФОРМАТОР ТЕПЛОВОЙ ЭЛЕКТРИЧЕСКОЙ СТАНЦИИ
(57) Реферат:
Изобретение предназначено для использования тепла масла трансформатора и может быть использовано в теплоэнергетике. Трансформатор тепловой электрической станции соединен системой трубопроводов с контуром охлаждения масла, включающим в себя маслоохладитель и масляный насос. Маслоохладитель выполнен в виде маслогазового теплообменника, включенного по охлаждающей среде в газопровод природного газа между устройством для регулирования давления газа и горелками котлов, а газопровод снабжен тепловой изоляцией. Изобретение обеспечивает использование теплоты обмоток трансформатора в цикле тепловой электрической станции, а также снижение эксплуатационных и капитальных затрат на охлаждающую систему трансформаторов. 1 ил.
Изобретение относится к области теплоэнергетики и может быть использовано на тепловых электростанциях.
Известен аналог – трансформатор тепловой электрической станции, соединенный системой трубопроводов с контуром охлаждения масла, включающим в себя маслоохладитель и масляный насос, маслоохладитель выполнен в виде масловоздушного теплообменника, циркуляцию воздуха через маслоохладители осуществляют несколькими вентиляторами, расположенными непосредственно на маслоохладителях (см. Славнин М.И. Электрооборудование электрических станций и трансформаторных подстанций. М.: Государственное энергетическое издательство. 1963. Рис.12-1. на с.96, 12-3 на с.98, 12-4 на с.99, 12-7 на с.100 и текстовые пояснения к ним на с.93-101). Этот аналог принят в качестве прототипа.
Недостатком аналогов и прототипа являются пониженная экономичность тепловых электростанций вследствие потерь теплоты обмоток трансформатора с охлаждающим воздухом, а также вследствие повышенных эксплуатационных и капитальных затрат, связанных с эксплуатацией и установкой вентиляторов системы охлаждения трансформаторов.
Техническим результатом, достигаемым настоящим изобретением, является повышение экономичности тепловой электрической станции за счет использования теплоты обмоток трансформатора в цикле тепловой электрической станции, а также снижение эксплуатационных и капитальных затрат на охлаждающую систему трансформаторов.
Для достижения этого результата предложен трансформатор тепловой электрической станции, соединенный системой трубопроводов с контуром охлаждения масла, включающим в себя маслоохладитель и масляный насос.
Особенность заключается в том, что маслоохладитель выполнен в виде маслогазового теплообменника, включенного по охлаждающей среде в газопровод природного газа между устройством для регулирования давления газа и горелками котлов, а газопровод снабжен тепловой изоляцией.
Предложенное решение позволяет использовать теплоту обмоток трансформатора в цикле тепловой электрической станции, а также исключить из схемы охлаждения трансформаторного масла дополнительные вентиляторы, т.е. позволяет повысить экономичность тепловой электрической станции путем снижения тепловых потерь в окружающую среду, а также снижения эксплуатационных и капитальных затрат на охлаждающую систему трансформаторов.
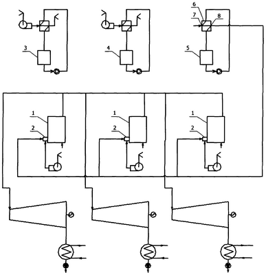
На чертеже изображена схема тепловой электрической станции, в которой реализуется предложенное решение.
Станция содержит паровые котлы 1 с горелками 2, каждый из которых связан паропроводом острого пара с соответствующей ему турбиной, трансформаторы 3, 4 с системами воздушного охлаждения трансформаторного масла, трансформатор 5 с газовым маслоохладителем 6, который имеет газозаборное 7 и газоотводящее 8 отверстия, газоотводящее отверстие 8 соединено с горелками 2 котлов 1.
Работа установки, в которой реализуется предложенное решение, осуществляется следующим образом.
При работе трансформаторов 3, 4 и 5 в их обмотках выделяется теплота. Отвод теплоты осуществляют маслом. Масло охлаждают путем циркуляции через маслоохладители, циркуляцию масла обеспечивают при помощи масляных насосов. В качестве охлаждающей среды маслоохладителей трансформаторов 3 и 4 используют атмосферный воздух. Газ, необходимый для работы котла 1, пропускают через газовый маслоохладитель 6 трансформатора 5 и подают на горелки 2 котла 1.
Таким образом, предложенное решение позволяет возвращать теплоту обмоток трансформатора в котел, а также исключить дополнительные вентиляторы из системы охлаждения трансформаторного масла, т.е. позволяет повысить экономичность тепловой электрической станции путем снижения тепловых потерь в окружающую среду, а также снижения эксплуатационных и капитальных затрат на охлаждающую систему трансформаторов.
Формула изобретения
Трансформатор тепловой электрической станции, соединенный системой трубопроводов с контуром охлаждения масла, включающим в себя маслоохладитель и масляный насос, отличающийся тем, что маслоохладитель выполнен в виде маслогазового теплообменника, включенного по охлаждающей среде в газопровод природного газа между устройством для регулирования давления газа и горелками котлов, а газопровод снабжен тепловой изоляцией.
РИСУНКИ
MM4A – Досрочное прекращение действия патента СССР или патента Российской Федерации на изобретение из-за неуплаты в установленный срок пошлины за поддержание патента в силе
Дата прекращения действия патента: 29.07.2008
Извещение опубликовано: 27.12.2009 БИ: 36/2009
|
|