|
|
(21), (22) Заявка: 2006103053/02, 02.02.2006
(24) Дата начала отсчета срока действия патента:
02.02.2006
(46) Опубликовано: 27.11.2007
(56) Список документов, цитированных в отчете о поиске:
RU 2244616 C1, 20.01.2005. SU 202064 A1, 14.09.1967. SU 1266627 A1, 30.10.1986. SU 1759511 A1, 07.09.1992. SU 1804940 A1, 30.03.1993. SU 1669625 A1, 15.08.1991. US 3818749 A, 25.06.1974. EP 0498225 A2, 12.08.1992.
Адрес для переписки:
191123, Санкт-Петербург, ул. Радищева, 39, оф.302, ЗАО “Комплексный технический сервис”
|
(72) Автор(ы):
Жуков Анатолий Валерьевич (RU), Рябов Александр Сергеевич (RU)
(73) Патентообладатель(и):
Закрытое акционерное общество “Комплексный технический сервис” (RU)
|
(54) УСТРОЙСТВО ДЛЯ НАКАТКИ РЕЗЬБОВОГО ПРОФИЛЯ
(57) Реферат:
Изобретение относится к области машиностроения и может быть использовано для изготовления плоских плашек, применяемых для образования наружной резьбы методом пластической деформации. Устройство содержит накатник с резьбой на цилиндрической поверхности. Наружный диаметр накатника в «n» раз больше диаметра резьбы, для накатки которой плашки предназначены. Резьба накатника имеет «n» заходов, где «n» – натуральное число. Профиль резьбы накатника в осевом сечении полностью соответствует профилю резьбы, образуемой плашками. В результате обеспечивается повышение износостойкости и долговечности накатника. 4 ил.
Изобретение относится к области машиностроения, а более точно – к устройствам для накатки резьбового профиля на заготовках плоских резьбонакатных плашек.
Известно устройство для формообразования резьбового профиля (патент RU 2244616 С1), в котором, наряду с перечисленными его элементами, указаны две заготовки резьбонакатных плашек и накатник, зажатый между ними, являющийся инструментом с нанесенным на его цилиндрической поверхности резьбовым профилем, с помощью которого методом пластической деформации формируется ответный резьбовой профиль на заготовках плашек.
Однако в этом устройстве не раскрыто соотношение геометрических параметров накатника с соответствующими параметрами резьбы, для накатки которой предназначены обрабатываемые на этом устройстве резьбонакатные плашки.
Техническим результатом настоящего изобретения является повышение износостойкости и долговечности накатника и приведение его геометрических параметров в строгое соответствие с параметрами резьбы, для накатки которой предназначены обрабатываемые плашки.
Указанный технический результат достигается тем, что в устройстве для накатки резьбового профиля на заготовках плоских резьбонакатных плашек, выполненном в виде накатника с нанесенной на его цилиндрической поверхности резьбой, накатник выполнен с наружным диаметром, в «n» раз превышающим диаметр резьбы, для накатки которой предназначены плашки, и с «n»-заходной резьбой, где «n» – коэффициент кратности, выраженный натуральным числом, при этом профиль резьбы накатника в осевом сечении полностью соответствует профилю резьбы, для накатки которой предназначены плашки.
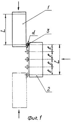
На фиг.1 изображено взаимное расположение заготовок плашек в начале продольного хода плашки 1 с накатником 3 меньшего диаметра между ними; на фиг.2 – то же, но с накатником 4 увеличенного диаметра; на фиг.3 изображена развернутая в плоскость винтовая линия 5 резьбы накатника 4 с увеличенным диаметром; на фиг.4 – дуги окружностей 6 и 7 в поперечном сечении накатников меньшего и увеличенного диаметров с соответствующими радиусами кривизны r и R.
На фиг.1 изображен накатник 3, зажатый между заготовками плашек 1 и 2, условно имеющий минимальный диаметр d, равный диаметру резьбы, для накатки которой предназначены обрабатываемые плашки 1 и 2.
На фиг.2 изображен в том же положении накатник 4 увеличенного диаметра D, длина окружности в поперечном сечении которого условно равна длине рабочего участка накатываемых плашек L.
За время продольного хода плашки 1 накатник 4 сделают всего один оборот (см. фиг.2), и все его точки на цилиндрической поверхности вступят в контакт с плоскими поверхностями заготовок 1 и 2 только один раз. В то же время накатник 3 (см. фиг.1) за тот же ход плашки 1 сделает, например, четыре оборота, если его диаметр d условно в 4 раза меньше диаметра D накатника 4.
D= dn=L,
где D – диаметр увеличенного накатника 4;
d – диаметр резьбы, для накатки которой плашки предназначены;
n – коэффициент кратности увеличения диаметра накатника по сравнению с диаметром резьбы, для накатки которой плашки предназначены.
Отсюда можно сделать вывод, что чем больше диаметр накатника, тем меньшее количество раз все точки его цилиндрической поверхности вступают в контакт с плоскими поверхностями подлежащих накатке заготовок плашек, а следовательно, процесс износа накатника будет происходить менее интенсивно – износостойкость и долговечность накатника возрастет.
На фиг.4 видно, что радиус кривизны R в поперечном сечении накатника 4 больше радиуса кривизны r в соответствующем сечении накатника 3. А из теории сопромата известно, что чем больше радиус кривизны поверхности, контактирующей с плоской поверхностью, тем меньше контактное напряжение в зоне контакта, из чего следует, что и этот фактор влияет положительно на повышение износостойкости и долговечности накатника.
Что касается соотношения геометрических параметров накатника с соответствующими параметрами резьбы, для накатки которой предназначены обрабатываемые плашки, то рассмотрим их на конкретном примере (см. фиг.3). Там изображена развернутая в плоскость винтовая линия 5 резьбы накатника 4, расположенная под углом , соответствующим углу наклона винтовой линии резьбы, для накатки которой плашки предназначены. Но, если длина окружности L поперечного сечения накатника 4 с диаметром D в 4 раза больше длины окружности l поперечного сечения резьбы, для накатки которой плашки предназначены, то величина хода S винтовой линии 5 окажется в те же 4 раза больше. Для того чтобы обеспечить величину шага s, равного величине шага резьбы, для накатки которой плашки предназначены, следует ход винтовой линии S разделить на 4, а это можно обеспечить, разделив длину окружности L на четыре равные части длиной l каждая. На практике это обеспечивается выполнением резьбы накатника четырехзаходной.
Так как количество заходов может выражаться только натуральным числом (1, 2, 3, 4, …), то и коэффициент кратности увеличения диаметра накатника может быть только тем же натуральным числом.
Увеличение диаметра накатника в дробное число раз, например в 2,5, приведет к назначению того же дробного количества заходов резьбы, чего физически быть не может.
А если на таком накатнике выполнить, например, двух или трехзаходную резьбу, то, в принципе, таким накатником можно накатать профиль резьбы на заготовках плашек. И, несмотря на то, что шаг резьбы и ее профиль будут соответствовать шагу и профилю резьбы, для накатки которой плашки предназначены, но будет нарушено соответствие угла наклона винтовой линии резьбы, то с помощью таких плашек накатать заданную резьбу будет невозможно.
И в заключение еще раз констатируем, что коэффициент «n» кратности увеличения диаметра D резьбы накатника по сравнению с диаметром d резьбы, для накатки которой плашки предназначены, может быть только натуральным числом.
Формула изобретения
Устройство для накатки резьбового профиля на заготовках плоских резьбонакатных плашек, выполненное в виде накатника с нанесенной на его цилиндрической поверхности резьбой, отличающееся тем, что накатник выполнен с наружным диаметром, в n раз превышающим диаметр резьбы, для накатки которой предназначены плашки, и с n-заходной резьбой, где n – коэффициент кратности, выраженный натуральным числом, при этом профиль резьбы накатника в осевом сечении полностью соответствует профилю резьбы, для накатки которой предназначены плашки.
РИСУНКИ
MM4A – Досрочное прекращение действия патента СССР или патента Российской Федерации на изобретение из-за неуплаты в установленный срок пошлины за поддержание патента в силе
Дата прекращения действия патента: 03.02.2008
Извещение опубликовано: 10.04.2009 БИ: 10/2009
|
|